AGA ASXS21 Fridge/Freezer User Manual

1. Before You Start
![]()
Thank you for buying this appliance. We hope that it provides a stylish yet practical solution to your cooling needs. We hope that this handbook supplies you with all the information you require. If there is anything you are unsure of please contact us (see `Warranty’ section for Customer Care’s details).
⚠ WARNING: This appliance must be earthed.
⚠ Please leave the appliance to stand for at least six hours. This will allow the cooling system to settle following transportation.
⚠ Always make sure a qualified person installs this appliance.
⚠ This appliance is designed for domestic use only. Using it for any other purpose could invalidate any warranty or liability claim.
⚠ Children aged from 3 to 8 years are allowed to load and unload refrigerating appliances. Children are not expected to perform cleaning or user maintenance of the appliance, very young children (0-3 years old) are not expected to use appliances, young children (3-8 years old) are not expected to use appliances safely unless continuous supervision is given, older children (814 years old) and vulnerable people can use appliances safely after they have been given appropriate supervision or instruction concerning use of the appliance. Very vulnerable people are not expected to use appliances safely unless continuous supervision is given.
- Before you plug the appliance into the mains, clean the inside of the appliance using warm water and bicarbonate of soda, then dry thoroughly.
- Check that no parts of the appliance are damaged, especially parts of the cooling system, pipes or leads. If damage has occurred, DO NOT install the appliance; you should contact a qualified service engineer or return the appliance to its place of purchase.
- f the accessories inside the appliance have been disturbed during transit, reposition them in accordance with the instructions.
- Make sure that the electrical supply to your plug socket is correct for this appliance the required information is on the data badge of the appliance.
- Once the appliance is installed, cleaned and dry, it is ready to be plugged in and switched on.
Safety
⚠ The data badge is located inside the appliance (refrigeration compartment).
⚠ WARNING: Use potable (drinking) water with this appliance.
⚠ WARNING: Keep this appliance clear of any obstruction.
⚠ DO NOT damage the refrigerant circuit.
If it does become damaged, DO NOT use the appliance.
⚠ WARNING: DO NOT use mechanical devices (such as hairdryers) to defrost this appliance.
⚠ If your appliance uses R600a as a refrigerant (this information will be provided on the label of the cooler) you should take care during transportation and installation to prevent the cooler elements from being damaged. R600a is an environmentally friendly and natural gas, but it is explosive. In the event of a leak due to damage of the cooler elements, move your appliance away from open flames or heat sources and ventilate the room where the appliance is located for a few minutes.
- When replacing old appliances, make sure that you have disabled any locking mechanisms before disposal it may even be best to remove the appliance door completely to prevent children from becoming trapped inside the appliance.
- The appliance must be connected to the power supply safely. Loose connections, broken plugs and bare wires are a safety hazard. Make sure that all connections are sound.
- Before undertaking any routine maintenance or minor repairs, disconnect the appliance from the electrical supply.
- DO NOT touch cold surfaces of the appliance while it is in use as this will cause hands to stick to them leading to freezer burns.
- When moving the appliance take care not to damage the leads, pipes or condenser unit. Should these parts become damaged, contact a qualified service engineer.
- Effervescent liquids (fizzy drinks) should never be frozen. These liquids expand during freezing and this may lead to the bottles/containers shattering or exploding.
- Foods that are intended to be defrosted or cooked first, such as breads or meats, must not be eaten in their frozen state.
- If food looks or smells strange, DO NOT attempt to eat it. If in doubt throw it away. Spoiled food can be harmful to your health.
- Never use sharp, metal implements to scrape ice off the surface of this appliance.
Only use implements, which are fit for this purpose (such as plastic scrapers) and use carefully to avoid damaging the lining of the appliance. - The cooling system contains refrigerant and oils, all of which are harmful to health if leaked. Should leakage occur, disconnect the appliance and ventilate the room it is installed in. Take care to ensure that you DO NOT get any coolant near to, or in, your eyes. Contact a service engineer or arrange to have the appliance removed. DO NOT use the appliance under any circumstances.
⚠ WARNING: Keep ventilation openings, in the appliance enclosure or in the built-in structure, clear of obstruction.
⚠ WARNING: DO NOT use mechanical devices or other means to accelerate the defrosting process, other than those recommended by the manufacturer.
⚠ WARNING: DO NOT use electrical appliances inside the food storage compartments of the appliance, unless they are of the type recommended by the manufacturer.
⚠ WARNING: DO NOT damage the refrigerant circuit.
⚠ WARNING: In order to avoid any hazards resulting from the instability of the appliance, it must be fixed in accordance with the following instructions: If your appliance uses R600a as a refrigerant (this information will be provided on the label of the cooler) you should take care during transportation and installation to prevent the cooler elements from being damaged. R600a is an environmentally friendly and natural gas, but it is explosive. In the event of a leak due to damage of the cooler elements, move your appliance away from open flames or heat sources and ventilate the room where the appliance is located for a few minutes.
While carrying and positioning the appliance, DO NOT damage the cooler gas circuit.
DO NOT store explosive substances such as aerosol cans with a flammable propellant in this appliance.
This appliance is intended to be used in household and domestic applications only.
If the socket does not match the appliance plug, it must be replaced by the manufacturer, a service agent or similarly qualified persons in order to avoid a hazard.
A specially grounded plug has been connected to the power cable of your appliance. This plug should be used with a specially grounded socket of 13 amperes. If there is no such socket in your house, please have one installed by an authorised electrician.
This appliance can be used by children aged from 8 years and above and persons with reduced physical, sensory or mental capabilities or lack of experience and knowledge if they have been given supervision or instruction concerning use of the appliance in a safe way and understand the hazards involved.
Children shall not play with the appliance. Cleaning and user maintenance shall not be made by children without supervision.
If the supply cord is damaged, it must be replaced by the manufacturer, an authorised service agent or similar qualified persons, in order to avoid a hazard.
This appliance is not intended for use at altitudes exceeding 2000 m.
Electrical Safety
⚠ WARNING: When positioning the appliance, ensure the supply cord is not trapped or damaged.
⚠ WARNING: DO NOT locate multiple portable socket-outlets or portable power supplies at the rear of the appliance.
⚠ DO NOT use plug adapter.
WARNING; RISK OF FIRE / FLAMMABLE MATERIALS ArtNo.000-0001
Warning triangle
- The plug must be accessible after installation.
- The operating voltage for your appliance is 220-240 V at 50Hz.
- Connections to the mains supply should be in accordance with local regulations.
- Insert the plug into a socket with an efficient ground connection. If the socket has no ground contact or the plug does not match, we recommend you consult a qualified electrician for assistance.
- The appliance MUST be connected with a properly installed fused socket. The power supply (AC) and voltage at the operating point must match with the details on the name plate of the appliance (the name plate is located on the inside left of the appliance).
- The appliance must be plugged into an earthed socket.
- The plug MUST be accessible after the appliance has been positioned.
- The appliance is supplied with a standard three-pin plug, of which the one for grounding should never be removed.
- Hold the plug, not the electrical cable, when unplugging the appliance.
- Make sure that the appliance does not trap the electric cable.
- DO NOT step on the cable.
- Avoid damage to the electric cable when moving the appliance.
UKCA / CE Declaration of conformity
- We declare that our products meet the applicable European Directives and UK Directives, Decisions and Regulations and the requirements listed in the standards referenced.
Disposal of your old appliance
The symbol on the product or on its packaging indicates that this product ArtNo.000-0019 may not be treated as household
Do not bin logo waste. Instead it shall be handed over to the applicable collection point for the recycling of electrical and electronic equipment. By ensuring this product is disposed of correctly, you will help prevent potential negative consequences for the environment and human health, which could otherwise be caused by inappropriate waste handling of this product. For more detailed information about recycling of this product, please contact your local city office, your household waste disposal service or the shop where you purchased the product.
Packaging and the Environment
♻ Packaging materials protect your machine from damage that may occur ArtNo.000-0019 Do not bin logo during transportation. The packaging materials are environmentally friendly as they are recyclable. The use of recycled material reduces raw material consumption and therefore decreases waste production.
Notes:
- Please read the instruction manual carefully before installing and using your appliance. We are not responsible for the damage occurred due to misuse.
- Follow all instructions on your appliance and instruction manual, and keep this manual in a safe place to resolve the problems that may occur in the future.
- This appliance is produced to be used in homes and it can only be used in domestic environments and for the specified purposes. It is not suitable for commercial or common use. Such use will cause the guarantee of the appliance to be cancelled and our company will not be responsible for the losses to be occurred.
- This appliance is produced to be used in houses and it is only suitable for cooling / storing foods. It is not suitable for commercial or common use and/or for storing substances except for food. Our company is not responsible for the losses to be occurred in the contrary case.
To avoid contamination of food, please respect the following instructions:
- Opening the door for long periods can cause a significant increase of the temperature in the compartments of the appliance.
- Clean regularly surfaces that can come in contact with food and accessible drainage systems
- Store raw meat and fish in suitable containers in the refrigerator, so that it is not in contact with or drip onto other food.
- Two-star frozen-food compartments are suitable for storing pre-frozen food, storing or making ice cream and making ice cubes.
- One-, two- and three-star compartments are not suitable for the freezing of fresh food.
- If the refrigerating appliance is left empty for long periods, switch off, defrost, clean, dry, and leave the door open to prevent mould developing within the appliance.
During Usage
- Do not connect your fridge freezer to the mains electricity supply using an extension lead.
- Do not use damaged, torn or old plugs.
- Do not pull, bend or damage the cord.
- Do not use plug adapter.
- This appliance is designed for use by adults. Do not allow children to play with the appliance or hang off the door.
- Never touch the power cord/plug with wet hands. This may cause a short circuit or electric shock.
- Do not place glass bottles or cans in the ice-making compartment as they will burst when the contents freeze.
- Do not place explosive or flammable material in your fridge. Place drinks with high alcohol content vertically in the fridge compartment and make sure their tops are tightly closed.
- When removing ice from the ice-making compartment, do not touch it. Ice may cause frost burns and/or cuts.
- Do not touch frozen goods with wet hands. Do not eat ice-cream or ice cubes immediately after they are removed from the ice-making compartment.
- Do not re-freeze thawed frozen food. This may cause health issues such as food poisoning.
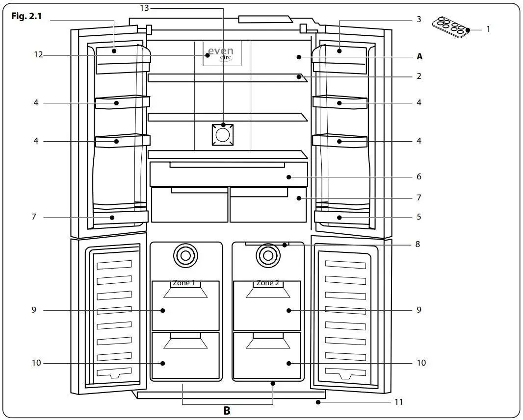
2. About Your Refrigerator

A. Fridge compartment
B. Freezer compartment Zone-1 / Zone-2
- Egg holder
- Fridge compartment shelves
- Door top shelf covers
- Door shelves
- Door bottle shelves
- Chiller (breakfast) compartment
- Crispers
- Ice box trays
- Freezer top basket
- Freezer bottom basket
- Adjustable Feet
- Even-Circ™
- Ionizer™
Features include:
- Touch Screen Electronic Display
- Superior Internal Illumination (soft glow)
- Fresh Zone with SelfClose
- Super Quick Freeze & Cool
- Economy Mode for Energy Saving
- Levelling Feet
- Ionizer™
- Range Fresh™
- qDrink
- Child lock
- Holiday mode
- Night sensor
- Screensaver
⚠ This appliance is not intended to be used as a builtin appliance.
About the Fresh Food Compartment
It is recommended to leave storage space between the foods for good cold air circulation. The temperatures in the refrigerator are slightly warmer near the top and colder near the base. Suggestions for storage (Fig. 2.2):

- Eggs, butter, cheese, etc.
- Cooked meats, sausage, etc.
- Drinks and all kinds of bottled foods.
- Meat, poultry, fish and raw foods.
- Pickled foods, drinks or cans.
- Flour foods, cans, dairy, etc.
- Fruits, vegetables or salads.
- Tins, cans, condiments, etc.
General Features of Your Appliance
- The cooler and freezer compartments have separate air circulation systems due to our new No-Frost technology. This ensures that no odours pass between compartments, and vegetables remain fresh for longer periods.
- The energy efficient fan maintains air circulation by running independently of the compressor. Thus, a uniform and balanced air circulation is created between cooler shelves.
- Through specific air conduit design, the fans distribute cold air from multiple vents on all shelves in the cooler.
- By special patented application, display edges and corners form a smooth surface against the door and ensure a perfect aesthetic appearance. The touch operated electronic panel allows easy access of temperature controls and provides an aesthetically even view.
- The appliance contains LEDs which gradually illuminate, rather than sudden bright lights. The LEDs reach 100% brightness within a few seconds after the door is opened.
- A telescopic rail is used in the chiller compartment to ensure that the chiller operates easily and quietly.
- The chiller door includes a self-closing function to avoid slamming or being left open.
General notes:
Fresh Food Compartment (Fridge): Most efficient use of energy is ensured in the configuration with the drawers in the bottom part of the appliance, and shelves evenly distributed, position of door bins does not affect energy consumption.
Freezer Compartment (Freezer): Most Efficient use of energy is ensured in the configuration with the drawers and bins are on stock position.
Even-circ
Even-circ, prevents fresh food losing moisture. This technology ensures that air circulates evenly throughout the fridge compartment, this helps prevent food from drying out.
Fresh food then maintains its texture and taste of food by preventing any humidity loss.
Using the appliance
Lighting
When the product is plugged in for the first time, the interior lights may turn on 1 minute late due to opening tests.
Information on No-Frost Technology (Fig. 2.3)

No-frost refrigerators have a different operating system to static refrigerators. In normal (static) fridges, the humidity entering the fridge due to opening the door and the humidity inherent in the food causes ice to form in the freezer compartment.
To remove the frost and ice from the freezer compartment, it is required to periodically switch the fridge off and place frozen food in a separate cooled container.
The situation is completely different in Nofrost fridges. A built-in fan blows dry and cold air evenly into the cooler and freezer compartments. The cold air disperses uniformly between the shelves, ensuring all your food is cooled evenly, thus preventing humidity and icing to occur.
Therefore, your No-frost fridge allows ease of use, in addition to its huge capacity and stylish appearance.
Shelves
The height of the cantilever shelves can be adjusted to fit your storage needs.
⚠ When opening or closing the dairy bin, please take care not to trap your fingers (Fig. 2.4).

Accessories
Ice tray (Fig. 2.5)

Hold the icebox from the front and pull it toward you to remove it.
Fill the icebox with water and replace it. Ice will be ready after approximately 2 hours. Extract the icebox to serve the ice.
When replacing the icebox after filling it with water, make sure it is positioned horizontally. If it is tilted, water inside the icebox may spill onto the basket.
Vegetable Bowl and Chiller (Breakfast) (Fig. 2.6)
This compartment can be used as a chiller compartment, where food can be kept at 0°C. Frozen food can be kept in this compartment to defrost. Meat and/or clean fish (in plastic bags or packets), which will be consumed within 1 to 2 days, can also be stored here.
Water freezes at 0°C, but food containing salt or sugar freezes at colder temperatures.
Do not put food to be frozen or iceboxes in this compartment.
Crisper Air Setting button (Fig. 2.7)

Turn the air adjustment knob between the crisper and chiller to the open position when the crisper is full. Food in the crisper will remain fresh for a longer period of time.
Ionizer / Range Fresh
Ethylene gas is emitted by some fruits and vegetables and causes the fresh groceries to start ripening. When this gas is produced in an enclosed environment, it is re-absorbed by the fruit and vegetables and further accelerates the aging process.
This fridge freezer provides two different solutions to this naturally occurring problem:
Ionizer (Fig. 2.8)

Ionizer spreads negative ions which neutralize particles of unpleasant smell and dust in the air.
By removing these particles from the air in the refrigerator, Ionizer improves air quality and eliminates odours.
Range Fresh (Fig. 2.9)
Range Fresh Preserver helps to remove ethylene gas (a bioproduct released naturally from fresh foods) and unpleasant odors from the crisper.
It must be regenerated once a year under a full day sunlight for 24 hours, for example on a window sill.
To regenerate the filter, remove the casing of the filter box by pulling it in the direction of the arrow (Fig. 2.9).
The filter should not be washed with water or in any detergent.
About the Freezer Compartment
Note: Do not pull the freezer drawers with too much force as food may fall out. Do not overpack the drawer otherwise food will fall out when opening too fast.
⚠ Make sure that the two sides of the shelf are in level positions otherwise food may drop off. The shelves will not pull out accidentally when you remove foodstuff from the appliance. The freezer compartment is used for freezing fresh food, for storing frozen food, and for making ice cubes. If the freezer door has been left open for a long time or not closed properly, frost will form and can prevent efficient air circulation. To resolve this, unplug the freezer and wait for it to defrost. Clean the freezer once it has fully defrosted. Remove baskets, covers, and so on, to increase the storage volume of freezer. The freezer volume stated on the label is the volume without baskets, covers, and so on.
⚠ IMPORTANT
Do not refreeze thawed food. It may pose a danger to your health and cause problems such as food poisoning. Do not put warm food in the deep freeze compartment until it has completely cooled. It will thaw already frozen food, which may then rot. When purchasing frozen food, make sure it has been stored under appropriate conditions and the packaging is not damaged. Do not purchase frozen food if the packaging shows signs of humidity or if it has a foul odour. The food may not have been stored correctly and may have gone rotten. The storage life of frozen food depends on the room temperature, the thermostat setting, how often the door is opened, the type of food, and the length of time required to transport the product from the shop to your freezer. Always follow the instructions printed on the packaging and never exceed the maximum storage life indicated. NOTE: Remove frozen food from the freezer the day before consumption, and put in the bottom compartment of the refrigerator. This helps reduce the temperature in the refrigerator, which in turn saves energy. If the frozen food defrosts in an open area, energy loss will occur. NOTE: If you attempt to open the freezer door immediately after closing it, you will find that it will not open easily. This is normal. Once equilibrium has been reached, the door will open easily.
3. Using the Control Panel

Using the Control Panel
- Fridge compartment temperature indicator
- Left freezer compartment temperature indicator
- Right freezer compartment Temperature indicator
- Super cool mode light
- Super freeze mode light
- q Drink alarm timer
- q Drink light
- Economy mode
- Holiday mode
- Night sensor
- Child lock
- Low voltage warning
- Alarm
- Screensaver button
- Zone 2 (right freezer) button
- Mode button
- Cooler button
- q drink mode button
- Zone 1 (left freezer) button
The values on the screen indicate temperature values specified by the consumer.
Standby display is protected against faulty contact. You must touch any key on the display before you can make an action. After 2 seconds, as in this case, the beep tone will sound and the display can be used. Wait for 20 seconds at the end of the process and the display will return to Standby mode.
Touch Display Prevention (Safe Mode)
The touch display is protected from accidental touch. To activate a feature, press any of the user controls for more than 2 seconds this will deactiviate the protection. If no button is pressed within 20 seconds, the display will return to safe mode.
The display will advise the user that screen safe mode has been disabled by emitting a double beep.
Operating Your Fridge Freezer
q Drink mode Beverage cooling
The q drink mode is used to cool drinks within an adjustable time frame (05, 10, 15, 20, 25 or 30 minutes). While using the q drink mode beverages can be stored in the freezer.
⚠ Important: “q drink” mode should not be confused with cooling.
Adjust the time according to the temperature of the bottles before you put them in the zone 1or zone 2 freezer compartments. For example, the time may initially be set for 5 minutes. If your drinks have not cooled sufficiently after this time, you may set a further 5 or 10 minutes cooling time.
⚠ While this mode is active, you MUST check the temperature of the bottles regularly.
NOTE: This will not adjust the freezer temperature
Set the q Drink mode Beverage cooling
NOTE: At times the q Drink button will emit two beeps, if the controls has not been previously activated
NOTE: q Drink will function if Zone 1 is set to work as a chiller.
NOTE: Disable screen safe mode. Step 1. Press the q drink to activate the mode.


Cancel q drink mode

SF, SUPERFREEZE (Freezer compartment)
Purpose
- To freeze prepared foods.
- To freeze fresh food quickly to retain freshness.
- Large food shop, this mode ensure food is frozen quickly and therefore retains nutrients and taste.
- High quality meat/fish, again by quickly freezing the produce nutrients are retained and taste is preserved
To set the Super-Freeze for Zone 1 (left freezer) (Fig. 3.2) Incrementally press the `zone1′ button until `SF’ shows on the display. A beep will sound to confirm the mode is active.
To set the Super-Freeze for Zone 2 (right freezer) (Fig. 3.3) Incrementally press the `zone2′ button until `SF’ shows on the display. A beep will sound to confirm the mode is active. Super-freezing mode will automatically deactivate after 24 hours or once the freezer compartment temperature sensor reaches the correct temperature.

⚠ For super freezing, zone1 compartment should be selected preferably.
SC, SUPER-COOL (Fridge compartment)
Purpose
- To cool and store a large quantity of food in the fridge compartment.
- To quickly cool drinks.
- Large food shop, this mode ensure food is cooled quickly and therefore retains nutrients and taste.
To set Super-Cool for cooler / fridge cabinet (Fig. 3.4)
Incrementally press the `cooler’ button until `SC’ shows on the display. If no button is pressed while `SC’ is displayed, a beep will sound to confirm the mode is active. Super-cooling mode will automatically deactivate after 4 to 6 hours, depending on the ambient temperature, or when the cooler compartment reaches a sufficiently low temperature.

Switching zones off (Fridge / Freezer)
A combination of cooling/freezing zones can be disabled as required. The button combination should be applied for greater than 5 seconds.

Night sensor
This night sensor function saves energy by switching the lights inside the refrigerator off if there is sufficient illumination in the room. To activate follow Step 1 and Step 2.
Turn off Night Sensor
Repeat operation as above.
SCREEN SAVER (s. saver)
This mode saves energy by switching off all control panel lighting when the panel is left inactive. Once activiated the screensaver mode will switch on after 10 seconds. When the screensaver is active, only the s.saver icon is illuminated.
To activate (Fig. 3.8) the screensaver, press and hold the `s.saver’ button for 3 seconds. A single beep will advise the user that the function is set.
To deactivate (Fig. 3.8) the screensaver, press and hold the `s.saver’ button for 3 seconds. A single beep will advise the user that the function is set.
NOTE: Screensaver function is cancelled if the power is cycled off, on.
Fig. 3.8

Economy (eco) Fig. 3.9
During periods of less frequent use (door opening)
eco or absence from home, such as a weekend holiday,
eco program can provide optimum temperature whilst saving power.
In order to activate eco mode, press the [mode] button until “eco” symbol and “E” illuminate.
Whilst in eco mode, the temperatures for both the fridge and freezer compartment are 4°C for fridge and -18 °C for freezer.

Cancel Economy (eco)
In order to deactivate eco mode, press the [mode] button until “eco” symbol and “E” are no longer visible.
Holiday Fig. 3.10

Holiday mode is to be used if the device is to be left for an extended period. During Holiday mode only the freezer compartment remains active. Benefits: save on electricity bills when away from home.
It is represented by an umbrella and sun. If the cooler compartment is not to be used for some time, such as during a holiday, activate holiday mode. To activate holiday mode, press the mode button until the holiday mode symbol and `H’ are illuminated.
Holiday mode will be active for these configurations (Table 3.1).

WHILST IN HOLIDAY MODE, ALL FOOD SHOULD BE REMOVED FROM THE FRIDGE COMPARTMENT AS THIS WILL BE TURNED OFF.
Whilst in holiday mode, the freezer temperature will default to -18°C for freezer.
Cancel Holiday
To activate holiday mode, press the mode button until the holiday mode symbol and `H’ are no longer visible.
Door open alarm function
If either the fridge or freezer door is left open for more than 2 minutes, the appliance will beep.
Setting Zone Temperatures
Cooler (COOLER)
The cooler mode is used for setting the temperature of the cooler compartment. Press the cooler button to set the temperature to 1, 2, 3, 4, 5, 6, 7 or 8 °C.
Freezer / Cooler 1 (ZONE 1)
To use the zone 1 compartment as a freezer, press the `zone1′ button to set the temperature of the bottom-left compartment to -14, -15, -16, -17, -18, -19, -20, -21, -22, -23 or -24 °C.
Freezer (ZONE 2)
Press the `zone2′ button to set the temperature of the bottom-right compartment to -14, -15, -16, -17, -18, -19, -20, -21, -22, -23 or -24 °C.
Refer to Table 3.2 Setting Super-cool and Superfreeze Table
ZONE 1 (left freezer)
To set the freezer to chiller
To use the bottom-left compartment as a cooler, press and hold the `zone 1′ button for 3 seconds. Then, set the temperature to 1, 2, 3, 4, 5, 6, 7 or 8 °C (Fig. 3.11).

Food should only be stored if the cabinet temperature is at required storage temperature.
To set the chiller to freezer
To use the `zone 1′ compartment as a freezer, press the `zone1′ button for 3 seconds to set the temperature of the bottomleft compartment to -16, -17, -18, -19, -20, -21, -22, -23 or -24 °C (Fig. 3.12).

Food should only be stored if the cabinet temperature is at required storage temperature.
ZONE 2 (right freezer)
Press the `zone 2′ button until display show -16°C. To set the temperature of the bottom-right compartment to -16, -17, -18, -19, -20, -21, -22, -23 or -24 °C (Fig. 3.13).

Child lock
Child lock can be activated to prevent any accidental or unintentional changes being made to the appliance settings.
To activate (Fig. 3.14) the child lock, press and hold the cooler and zone 2 buttons simultaneously for 3 seconds.
While child lock is active, no changes can be made to settings as the buttons will be inactive. The lock symbol will be displayed.
To deactivate (Fig. 3.14) the child lock, press and hold the cooler and zone 2 buttons simultaneously for 5 seconds.

Alarm
⚠ If an alarm light illuminates, you must contact an authorised service.
If the `s.saver’ button is pressed when there is an alarm sounding and an exclamation mark on the display, the alarm sound will switch off. The exclamation mark will continue to show on the electronic display panel until the error is fixed.
Using a Freezer Compartment as a Cooler Compartment
The bottom left compartment on the appliance can be used either as freezer or as a cooler.
Press and hold the [zone 1] button for 3 seconds to change the bottom-left compartment from a freezer to a cooler.
⚠IMPORTANT: If the Zone1 compartment will be converted from a freezer to a cooler:
- Empty the food from the Zone1 compartment and leave the door closed for four hours. Then food can be placed in the compartment.
- Baskets and/or shelves removed from the compartment should be re-fitted.
Similarly, in order to utilize any of bottom compartments used as cooler as freezers again, press and hold the related compartment button for 3 seconds.
⚠ IMPORTANT: If the Zone1 compartment will be converted from cooler to freezer:
- Empty the food from the Zone1 compartment and leave the door closed for two hours. Then food can be placed in the compartment.
- When the zone 1 compartment is used as a cooler and the appliance is switched to Holiday or Economic setting, the zone 1 compartment will keep on running as cooler.
Temperature Adjustment Warnings
- It is not recommended that you operate your fridge in environments colder than 10°C in terms of its efficiency.
- Do not start another adjustment while you are already making an adjustment.
- Temperature adjustments should be made according to the frequency of door openings, the quantity of food kept inside the fridge and the ambient temperature in the location of your fridge.
- In order to allow your fridge to reach the operating temperature after being connected to mains, do not open the doors frequently or place large quantities of food in the fridge. Please note that, depending on the ambient temperature, it may take 24 hours for your fridge to reach the operating temperature.
- A 5 minute delay function is applied to prevent damage to the compressor of your fridge when connecting or disconnecting to mains, or when an energy breakdown occurs. Your fridge will begin to operate normally after 5 minutes.
Climate class and meaning:
Your Appliance is Climate Class T/SN
- T (tropical): This refrigerating appliance is intended to be used at ambient temperatures ranging from 16 °C to 43 °C.
- ST (subtropical): This refrigerating appliance is intended to be used at ambient temperatures ranging from 16 °C to 38 °C.
- N (temperate): This refrigerating appliance is intended to be used at ambient temperatures ranging from 16 °C to 32 °C.
- SN (extended temperate): This refrigerating appliance is intended to be used at ambient temperatures ranging from 10 °C to 32 °C.
- NOTE: If the ambient temperature is higher than 42 °C, the compartment temperature cannot be set to -23 °C or -24 °C. It can only be set to -16°C, -17°C, -18 °C, -19 °C, -20 °C, -21 °C or -22 °C.
4. Food Storage Tips
Food storage
Refrigerator Compartment
- To reduce humidity and avoid the consequent formation of frost, always store liquids in sealed containers in the refrigerator. Frost tends to concentrate in the coldest parts of the evaporating liquid and, in time, your appliance will require more frequent defrosting.
- Never place warm food in the refrigerator. Warm food should be allowed to cool at room temperature and should be arranged to ensure adequate air circulation in the refrigerator compartment.
- Make sure no items are in direct contact with the rear wall of the appliance as frost will develop and packaging will stick to it. Do not open the refrigerator door frequently.
- We recommend that meat and clean fish are loosely wrapped and stored on the glass shelf just above the vegetable bin where the air is cooler, as this provides the best storage conditions.
- Store loose fruit and vegetable items in the crisper containers.
- Store loose fruit and vegetables in the crisper.
- Storing fruit and vegetables separately helps prevent ethylene-sensitive vegetables (green leaves, broccoli, carrot, etc.) being affected by ethylene-releaser fruits (banana, peach, apricot, fig etc.).
- Do not put wet vegetables into the refrigerator.
- Storage time for all food products depends on the initial quality of the food and an uninterrupted refrigeration cycle before refrigerator storage.
- To avoid cross-contamination do not store meat products with fruit and vegetables. Water leaking from meat may contaminate other products in the refrigerator. You should package meat products and clean any leakages on the shelves.
- Do not put food in front of the air flow passage.
- Consume packaged foods before the recommended expiry date.
NOTE: Potatoes, onions and garlic should not be stored in the refrigerator. The table Table 4.1 is a quick guide to show you the most efficient way to store the major food groups in your refrigerator compartment. - For normal working conditions, it will be sufficient to adjust the temperature setting of your refrigerator to +4 °C.
- The temperature of the fridge compartment should be in the range of 0-8 °C, fresh foods below 0 °C are iced and rotted, bacterial load increases above 8 °C, and spoils.
- Do not put hot food in the refrigerator immediately, wait for the temperature to pass outside. Hot foods increase the degree of your refrigerator and cause food poisoning and unnecessary spoiling of the food.
- Meat, fish, etc. should be store in the chiller compartment of the food, and the vegetable compartment is preferred for vegetables. (if available)
- To prevent cross contamination, meat products and fruit vegetables are not stored together.
- Foods should be placed in the refrigerator in closed containers or covered to prevent moisture and odors.

Tips on Storing Fresh Food
- Make sure that foods, which have been cooked and require chilling, are at room temperature before placing them into the appliance. Make sure that these foods are stored in suitable containers.
- Foods stored in the refrigerator should be cleaned and dried before storing.
- Before foods are put into the refrigerator, it is recommended that the foods should be pressurised, so that the water cannot vaporise, and the fruits and vegetables keep fresh and food smells will not mix.
- Stored foods can be marked in bags.
- Foods eaten daily should be stored at the front of the shelf.
- Make sure that foodstuffs are stored systematically (raw meats with raw meats, dairy with dairy) to avoid flavour transfer and cross contamination. Raw meats should be stored towards the bottom of the appliance to prevent the possibility of it dripping onto uncooked food. Other foods should be stored above raw meat.
- When storing food in the fresh food section always make sure there is adequate space for airflow circulation. This helps to maintain the shelf life of the food.
- When storing food in the refrigerator make sure that foods are not too close to the rear wall to avoid the risk of freezing.
- It is suggested for radishes and other root vegetables to trim the leaves. This keeps the nutrition in the root and not absorbed by the leaves.
- Put frozen foods into the fresh food area to let them defrost. The low temperature of the refrigerator reduces the formation of bacteria and extends food life.
- Some foods like onions, garlic, bananas and root vegetables are better stored at room temperature than in the fridge.
- Melon, pineapples and bananas can go directly into the freezer after preparing, for storage over a longer period.
- Packaging fresh foods properly, using the correct temperature and taking into account food hygiene, will enhance the quality of fresh foods stored within this appliance.
- Use plastic bags, aluminium foil or other food wraps to cover fresh foods not in packaging to prevent flavour transfer and prevent contamination.
- Before storing items in multi-packs (i.e. yoghurt) remove any excess packaging.
NEVER store anything that is flammable, volatile or explosive inside the appliance. - Beverages with high alcohol content should be stored vertically in tightly sealed bottles.
- Delicate foods should be stored in the coolest part of the appliance.
- Try not to open the door too often.
- Set the thermostat to make sure that foods remain suitably cold; try to avoid freezing within the fridge. Using a thermometer will help you to judge how cool the appliance is. Place it into a glass of water and leave it inside the appliance for several hours to get a reliable reading.
- Some foods contain natural oils and acids (e.g. citric acid) which can damage plastics if spilled make sure these foods are suitably contained.
- Unpleasant odours inside the fridge are a sign that something has spilled and cleaning is required. Using warm water with bicarbonate of soda will clean the interior of the appliance and remove most spillages (see `Cleaning and Maintenance’).
- Always remember to remove perishable foods from this appliance before taking prolonged trips of holidays.
Tips on Freezing Food
- As with storing fresh foods, suitable packaging, correct temperature and food hygiene will enhance the quality of the food you are freezing.
- Avoid putting hot foods into the freezer. First let them cool until they reach room temperature.
- Make sure that all foods for freezing are of a high quality, and suitable for freezing.
- Use packaging material that is odourless and airproof (such as plastic bags) to store food in so different foods can be mixed without affecting the quality. Make sure that it is airtight. Leaking packaging will dehydrate the products and lead to loss of beneficial vitamins.
- Keep the surface of the packaging dry this keeps the packs from freezing together.
- Mark packages with the kind of food contained and the date of storage.
- Food needs to be frozen quickly, so it is best to freeze small portions whenever possible and ensure that they are as cold as possible before storage. The recommended maximum weight for each portion is 2.5 kg.
- Keep food which is fresh away from food which is already frozen, if you need to freeze fresh food every day, make sure that it is in small portions to prevent this.
- Do not exceed the maximum load for freezing, please refer to the “Technical Data”.
- Write the expiry date and food names on the outside of the packaging so you can be assured of the food type and when it is safe to eat.
- Take food from the freezer to defrost when needed. Defrosted food cannot be refrozen unless it is cooked.
- Do not put too much fresh food into the freezer at once. This could go beyond the freezer’s cooling capacity. Please refer to the “Technical Data”.
When storing commercially frozen foods, please follow these guidelines: - Always follow manufacturers’ guidelines for the length of time you should store food for. Do not exceed these guidelines!
- Try to keep the length of time between purchase and storage as short as possible to preserve food quality.
- Buy frozen foods, which have been stored at a temperature of 18 °C or below.
- Avoid buying food which has ice or frost on the packaging This indicates that the products might have been partially defrosted and refrozen at some point temperature rises affect the quality of food.
- Should there be a power cut, or the freezer / refrigeration appliance fail for any length of time you may need to remove food from the freezer and store in a cold, hygienic place (i.e. garage or out house area) until the power is restored, or the appliance is repaired.
- To prevent undue temperature rises you should wrap the foods in layers of insulating material, such as newspaper, to help to maintain their temperature. It is also important that any food affected by this situation should be either consumed or cooked and refrozen (where suitable) soon afterwards in order to prevent health risks.
- Layers of newspaper can also be used to help keep foods cold while you are defrosting the freezer (see `Cleaning and Maintenance’).
5. Food Storage Table
DocNo.031-0004 – Cooking table – electric & fan single cavity
All storage times given in the table below are intended to be used as a guide only. Storage times of fruits and vegetables depend on the quality of the food. Individual cases may vary.
Packaged fruits and vegetables are consumed until expiration.
⚠ Important
The taste of some spices found in cooked dishes (anise, basilica, watercress, vinegar, assorted spices, ginger, garlic, onion, mustard, thyme, marjoram, black pepper, etc.) changes and they assume a strong taste when they are stored for a long period of time. Therefore, add small amounts of spices to food to be frozen, or the desired spice should be added after the food has thawed
The storage time of food is dependent on the type of oil used. Suitable oils are margarine, calf fat, olive oil and butter. Unsuitable oils are peanut oil and pig fat.
Food in liquid form should be frozen in plastic cups/ tupperware and other food should be frozen in plastic folios or bags.
The table below is a quick guide to show you the most efficient way to store the major food groups in your freezer compartment.



6. Cleaning and Maintenance
Defrosting
Defrosting is done automatically so there is no need to manually defrost this appliance.
⚠ DO NOT use mechanical devices to accelerate the defrosting process.
Cleaning
⚠ Disconnect the appliance from the power supply before cleaning.
⚠ Do not wash your appliance by pouring water on it.
⚠ DO NOT use harsh abrasives, or aggressive cleaners as these can damage the interior of the appliance.
⚠ The fridge is heavy. When moving the refrigerator be careful to protect the floor. Keep the refrigerator vertical and do not tilt the refrigerator this prevents damage to the floor.
⚠ DO NOT spray or rinse the fridge with water or other liquids. This could harm the electrical parts.
⚠ Use a dry cloth when cleaning near the electrical parts (such as the light bulb or switch).
⚠ DO NOT clean the fridge with a stiff or wire brush.
⚠ DO NOT use an organic solvent such as detergent, petrol, lacquer, thinners, acetone or acid.
⚠ To prevent your skin sticking to cold steel parts, make sure your hands are not wet when touching the parts.
⚠ DO NOT use HOT water to clean the glass shelves, as they may break or crack.
To keep internal odours to a minimum it is best to periodically clean the inside shelves, crispers, bins and wall.
Empty the appliance of food and remove the shelves.
Clean the interior using warm water and bicarbonate of soda with a soft cloth. Make sure that the interior is then dried carefully with a suitable cloth.
After washing, rinse with clean water and dry carefully. When you have finished cleaning, reconnect the plug to the mains supply with dry hands.
Shelves and other accessories (plastic and glass parts) can be cleaned in the sink using liquid dishwashing liquid and warm water. Make sure all soap is rinsed off and all parts are dry before replacing them inside the appliance.
Always keep the door seals clean.
Make sure that no water enters the lamp housing and other electrical components.
The appliance should be cleaned regularly using a solution of bicarbonate of soda and lukewarm water.
Clean the accessories separately by hand with soap and water. Do not wash accessories in a dish washer.
Clean the condenser with a brush at least twice a year. This will help you to save on energy costs and increase productivity.
Cleaning the evaporation bowl:
Your fridge defrosts automatically. Water produced by defrosting flows into an evaporation container, passing through a water collecting groove, where it vaporizes.
Replacing LED Lighting
If your fridge has LED lighting contact the help desk as this should be changed by authorized personnel only.
The LED interior lights come on when the door is opened. The performance of the light is not affected by any of the appliances other settings.
Shutting Off the Refrigerator (Powerless)
In the event of a power cut, food should remain safely cold for about 3 hours. DO NOT open doors to fridge or freezer, this will cause a reduction in safe storage time.
Should there be a prolonged power cut you may need to remove food from the freezer compartment and store it in a cold place, wrapped in layers of newspaper to preserve suitable temperatures.
Once power is restored replace the food back into the freezer compartment.
Should food begin to defrost, or the power cut last longer than expected, it is advised that you consume any food removed from the freezer.
If the power outage is short term, most foods can be left inside the freezer compartment this is the best way of preserving temperature and surrounded by ice cubes from the icebox. This is also an ideal solution for power outages you may have been pre-warned about.
When experiencing a power cut of any kind, do not add any extra foods to the freezer.
When not in use
If you are not using the appliance for an extended length of time, it is recommended that you switch off the electrical supply, empty any food out, clean the inside of the appliance and leave the door ajar. This will save energy, and also prevent a build up of stale odours inside.
7. Troubleshooting
Before calling for service, please first read the following table: this could save you time and money.

If you are experiencing a problem with your appliance, please check the following before contacting the after-sales service. Your appliance does not operate Check if:
- There is power
- The plug is connected to the socket correctly
- The socket fuse or the mains fuse has blown
- The socket is faulty. To check this, plug another working appliance into the same socket.
Your appliance is performing poorly Check if:
- The appliance is overloaded
- The doors are closed properly
- There is any dust on the condenser
- There is an adequate distance between the appliance and surrounding walls
Your appliance is operating noisily
The following noises can be heard during normal operation of the appliance.
Cracking (ice cracking) noise occurs:
- During automatic defrosting.
- When the appliance is cooled or warmed (due to expansion of appliance material).
- Clicking noise occurs: When the thermostat switches the compressor on/ off.
- Motor noise: Indicates the compressor is operating normally. The compressor may cause more noise for a short time when it is first activated.
- Bubbling noise and splashing occurs: Due to the flow of the refrigerant in the tubes of the system.
- Water flowing noise occurs: Due to water flowing to the evaporation container. This noise is normal during defrosting.
- Air blowing noise occurs: During normal operation of the system due to the circulation of air.
There is a build-up of humidity inside the appliance
Check if:
All food is packed properly. Containers must be dry before being placed in the fridge.
The fridge doors are opened frequently. Humidity of the room will enter the fridge each time the doors are opened. Humidity increases faster if the doors are opened frequently, especially if the humidity of the room is high.
There is a build-up of water droplets on the rear wall. This is normal after automatic defrosting (in Static Models).
The doors are not opening or closing properly
Check if:
- There is food or packaging preventing the door from closing
- The door compartments, shelves and drawers are placed properly
- The door gaskets are broken or torn
- Your fridge is level.
The edges of the fridge/freezer in contact with the door joint are warm
Especially during summer (warm weather), the surfaces in contact with the door joint may become warmer during operation of the compressor. This is normal.
⚠ Important:
In the case of a power failure, or if the appliance is unplugged and plugged in again, the gas in the cooling system of your appliance will destabilise, causing the compressor protective thermal element to open.
Your appliance will start to operate normally after 5 minutes.
If the appliance will not be used for a long period of time (such as during holidays), disconnect the plug. Defrost and clean the appliance, leaving the door open to prevent the formation of mildew and odour.
If the problem persists after you have followed all the instructions above, please consult the nearest Authorised
Service Centre.
This appliance is designed for domestic use and for the stated purposes only. It is not suitable for commercial or common use. If the consumer uses the appliance in a way that does not comply with these instructions, we emphasise that the manufacturer and the dealer will not be responsible for any repair or failure within the guarantee period.
Tips for saving energy
- Install the appliance in a cool, well-ventilated room, but not in direct sunlight and not near a heat source (such as a radiator or oven) otherwise an insulating plate should be used.
- Allow warm food and drinks to cool before placing them inside the appliance.
- Place thawing food in the appliance compartment. The low temperature of the frozen food will help cool the appliance compartment while the food is thawing. This will save energy. Frozen food left to thaw outside of the appliance will result in a waste of energy.
- Drinks or other liquides should be covered when inside the appliance. If left uncovered, the humidity inside the appliance will increase, therefore the appliance uses more energy. Keeping drinks and other liquids covered
helps preserve their smell and taste. - Avoid keeping the doors open for long periods and opening the doors too frequently as warm air will enter the appliance and cause the compressor to switch on unnecessarily often.
- Keep the covers of the different temperature compartments ( such as the crisper and chiller) closed.
- The door gasket must be clean and pliable. Replace gaskets if worn.
Service alarm
⚠ If an alarm light illuminates, contact an authorised service centre.
⚠ Press the `s. saver’ button to switch the alarm sound off when there is an alarm and an exclamation mark on the display. The exclamation mark will continue to show on the electronic display panel until the error is fixed.
Temperature Adjustment Warnings
· It is not recommended that you operate your fridge in environments colder than 16°C in terms of its efficiency.
Temperature Adjustment Warnings
- It is not recommended that you operate your fridge in environments colder than 16°C in terms of its efficiency.
- Do not start another adjustment while you are already making an adjustment.
- Temperature adjustments should be made according to the frequency of door openings, the quantity of food kept inside the fridge and the ambient temperature in the location of your fridge.
- In order to allow your fridge to reach the operating temperature after being connected to mains, do not open the doors frequently or place large quantities of food in the fridge. Please note that, depending on the
ambient temperature, it may take 24 hours for your fridge to reach the operating temperature. - A 5 minute delay function is applied to prevent damage to the compressor of your fridge when connecting or disconnecting to mains, or when an energy breakdown occurs. Your fridge will begin to operate normally after 5 minutes.
- Your appliance is designed to operate in the ambient temperature (T/SN = 16°C – 43°C) intervals stated in the standards. We do not recommend operating your appliance out of the stated temperature limits in terms
of cooling effectiveness.
NOTE: If the ambient temperature is higher than 42°C, the compartment temperature cannot be set to -23°C or -24°C. It can only be set to -16°C, -17°C, -18°C, -19°C, -20°C -21°C or -22 26°C.
8. Installation
Installation warnings
Before using your fridge freezer for the first time, please pay attention to the following points:
- Your fridge freezer may have an odour when it is operated for the first time. This is normal and the odour will fade when your fridge freezer starts to cool.
- Before connecting your fridge freezer, ensure that the information on the data plate (voltage and connected load) matches that of the mains electricity supply. If in doubt, consult a qualified electrician.
- We do not accept responsibility for any damages that occur due to ungrounded usage.
- Place your fridge freezer where it will not be exposed to direct sunlight.
- Your fridge freezer must never be used outdoors or exposed to rain.
- Your appliance must be at least 50 cm away from stoves, gas ovens and heater cores, and at least 5 cm away from electrical ovens.
- If your fridge freezer is placed next to a deep freezer, there must be at least 2 cm between them to prevent humidity forming on the outer surface.
- Do not cover the body or top of fridge freezer with lace. This will affect the performance of your fridge freezer.
- Do not place anything on top of your appliance.
- Do not place heavy items on the appliance.
- Clean the appliance thoroughly before use (see Cleaning and Maintenance).
- This product is intended to be used in a proper kitchen units only.
- Before using your fridge freezer, wipe all parts with
a solution of warm water and a teaspoon of sodium bicarbonate. Then, rinse with clean water and dry. Return all parts to the fridge freezer after cleaning. - Use the adjustable front legs to make sure your appliance is level and stable. You can adjust the legs by turning them in either direction. This must be done before placing food in the appliance.
Door removal and access











Positioning Your Appliance
⚠ The refrigerator must be carried by at least 4 people.
The original packaging and foam may be kept for retransformation (optional).
Fasten your fridge with thick packaging, bands or strong cords and follow the instructions for transportation given on the package.
Remove all movable parts (shelves, accessories, vegetable bins, etc.) or fix them into the fridge against shocks using bands during re-positioning and transportation.
An ambient sensor, main board and hinge covers are available on your refrigerator. During cleaning, make sure no fluid enters this area.
Choosing the Right Location
- To ensure adequate ventilation, clearance of at least 100 mm is required at the top of your appliance. The distance between the appliance and back wall must be a minimum of 50 mm (Fig. 8.1). Any units placed above the appliance must be clear by 100 mm to allow sufficient ventilation.

- If locating the refrigerator close to a corner, sufficient spacing must be left for opening the doors and removing the shelves (Fig. 8.2).

Avoid exposing the appliance to direct sunlight, and sources of heat (such as radiators, heaters or cookers).
If this appliance is situated in a cold environment (such as a shed, outhouse or garage) it will affect its performance. You may find that the performance of the appliance is not consistent and this may damage foods. A consistent ambient temperature of 16 °C or above is recommended.
Electrical Supply Connection
Connect the appliance to the electrical supply (220-240 V ~ 50 Hz) with the plug and lead, which are fitted.
Connections to the mains supply should be in accordance with local regulations.
⚠ DO NOT use plug adapter. n The appliance must be plugged into an earthed socket.
⚠ Always make sure that the plug is accessible after the appliance has been positioned.
If the electrical cable is damaged or worn, turn off the refrigerator and consult an authorised agent for replacement.
⚠ The appliance is supplied with a standard 13 amp 3-pin mains plug fitted with a 13-amp fuse. Should the fuse require replacement, it must be replaced with a fuse rated at 13 amp and approved to BS1362.
⚠ If the mains plug which is fitted is unsuitable for the socket outlet in your home or is removed for any other reason, please contact an approved electrician.
The mains lead of this appliance has been fitted with a BS 1363A 13A fused plug. To change a fuse in this type of plug, follow the steps below:
- Remove the fuse cover and fuse.
- Fit replacement 13A fuse, ASTA approved to BS 1362 type, into the fuse cover.
- Replace fuse cover.

During Usage
- Do not connect your fridge freezer to the mains electricity supply using an extension lead.
- Do not use damaged, torn or old plugs.
- Do not pull, bend or damage the cord.
- This appliance is designed for use by adults. Do not allow children to play with the appliance or hang off the door.
- Never touch the power cord/plug with wet hands. This may cause a short circuit or electric shock.
- Do not place glass bottles or cans in the ice-making compartment as they will burst when the contents freeze.
- Do not place explosive or flammable material in your fridge. Place drinks with high alcohol content vertically in the fridge compartment and make sure their tops are tightly closed.
- When removing ice from the icemaking compartment, do not touch it. Ice may cause frost burns and/or cuts.
- Do not touch frozen goods with wet hands. Do not eat ice-cream or ice cubes immediately after they are removed from the ice-making compartment.
- Do not re-freeze thawed frozen food. This may cause health issues such as food poisoning. Old and Out-oforder Fridges
- If your old fridge or freezer has a lock, break or remove the lock before discarding it, because children may get trapped inside it and may cause an accident.
- Old fridges and freezers contain isolation material and refrigerant with CFC. Therefore, take care not to harm environment when you are discarding your old fridges.
9. Kick plate
Removing the kick plate




Assembly of the kick plate


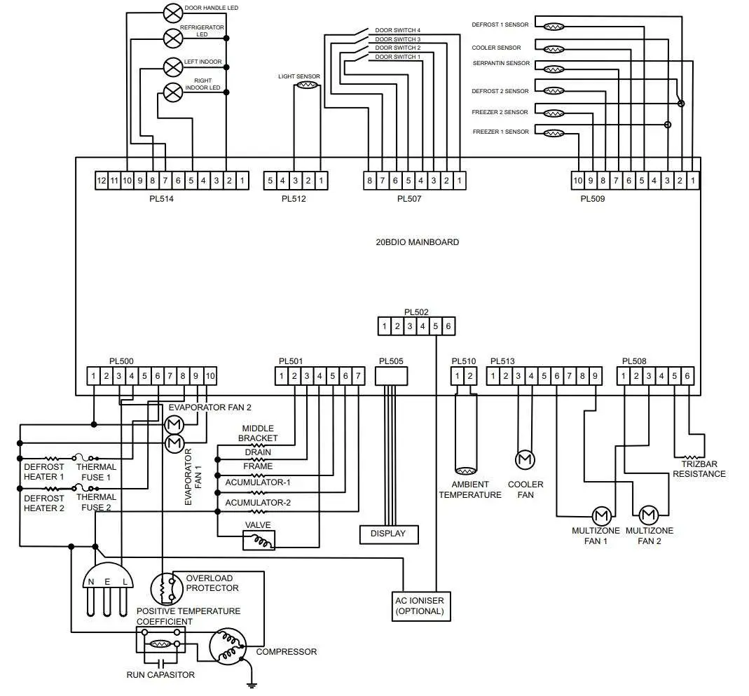
10. Circuit Diagram

11. Technical Data
INSTALLER: Please leave these instructions with the user. DATA BADGE LOCATION: Left-hand side of the refrigerator compartment. COUNTRY OF DESTINATION: GB, IE.
EU EPREL database
The technical information is situated in the rating plate on the internal side of the appliance and on the energy label.
The QR code on the energy label supplied with the appliance provides a web link to the information related to the performance of the appliance in the EU EPREL database. Keep the energy label for reference together with the user manual and all other documents provided with this appliance. It is also possible to find the same information in EPREL using the link https://eprel.ec.europa.eu and the model name and product number that you find on the rating plate of the appliance. See the link www.theenergylabel.eu for detailed information about the energy label.
INFORMATION FOR TEST INSTITUTES
Appliance for any EcoDesign verification shall be compliant with EN 62552. Ventilation requirements, recess dimensions and minimum rear clearances shall be as stated in this User Manual at “Positioning Your Appliance” page 34.
CUSTOMER CARE AND SERVICE
Always use original spare parts. When contacting our Authorised Service Centre, ensure that you have the following data available: Model, Serial Number and Service Index. The information can be found on the rating plate. You can find the rating label inside the fridge zone on the left lower side. The original spare parts for some specific components are available for a minimum of 7 or 10 years, based on the type of component, from the placing on the market of the last unit of the model. Visit our website: https://www.rangemaster.co.uk/.









12. Warranty/After Sales Service
If consultation or technical assistance is needed, please provide the local authorised service agent with the purchase invoice and the product code/serial number.
The 2 years free maintenance for the operation of the appliance started from the date of purchase of this product.
Any cosmetic damage to the appliance must be reported within 30 days of delivery.
Please note that AGA Rangemaster Limited have appointed Pacifica to administer in warranty repairs on our behalf. If you make a request for an in warranty repair, your details will be held by Pacifica
Warranty Support Pacifica 0844 847 6711
AGA RANGEMASTER
Clarence Street, Royal Leamington Spa, Warwickshire, CV31 2AD, England.![]()

















