STANLEY GD50132RF Ground Rod Driver

GD50 Product Information
The GD50 is a product that includes an inline valve assembly, handlebar, capscrew, o-ring plug-male, orifice plug, charge valve, lock nut, top plate, set screw, diaphragm, valve spool, spring, accumulator valve block, selector screw, back-up ring, porting block, hose assembly, automatic valve body, retaining ring, seal cap, valve button, adaptor, male coupler body, female coupler body, automatic valve, push pin, roll pin, name tag, flow sleeve tube, flow sleeve, piston, wiper ring, back-up washer, cup seal, side rod, adaptor block assembly, upper anvil stop, spring, rod anvil (5/8 inch rods or 3/4 to 1-inch rods), anvil guide, guide housing, valve body assembly, o-ring, and bumper. The product is available in two models – GD50132RF for 1/2 and 5/8-inch rods and GD50133RF for 3/4 and 1-inch rods. A seal kit is available for the GD50 Rapid Fire Model (04595) and all other GD50 models (13552).
GD50 Product Usage Instructions
Before using the GD50 inline valve assembly, make sure you have the correct model number. Verify the correct model number before ordering. If you need to order individual parts for the old inline valve, refer to the parts illustration and order accordingly. However, if you need to replace the entire inline valve assembly, you must order the new inline valve assembly P/N72264. The new inline valve assembly includes items 16, 22 through 26, 49, 50, 53, and 54. The GD50 product works by using the handlebar to control the valve spool, which in turn controls the flow of fluid through the valve body assembly. The valve body assembly includes an automatic valve and a charge valve, which allow for efficient and smooth operation. Refer to the user manual for further instructions on how to install and use the GD50 product.
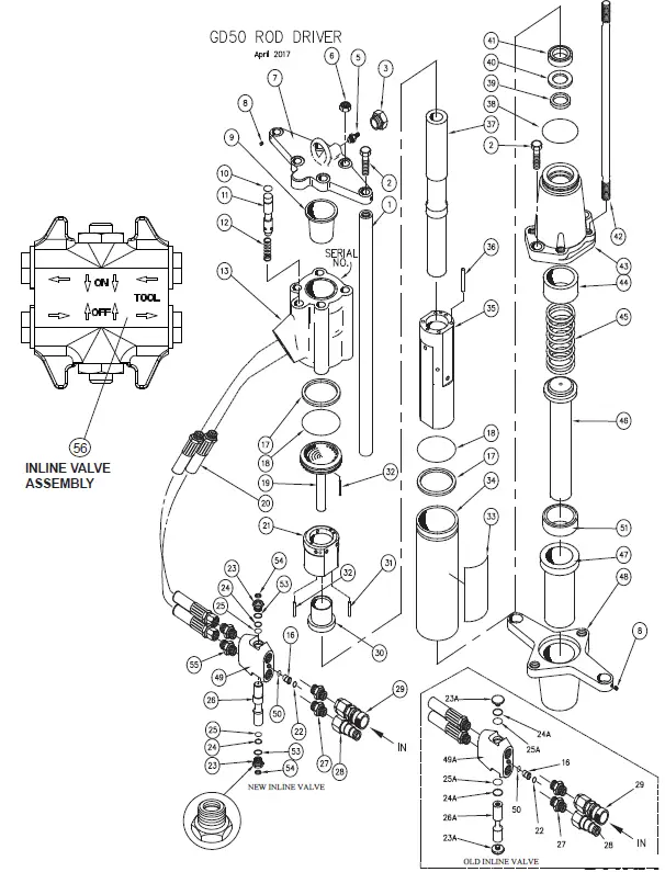
PARTS ILLUSTRATION
GD50 PARTS ILLUSTRATION

NOTE: IF YOUR INLINE VALVE DOES NOT CONTAIN THIS PART, (SEAL CAP) ORDER INDIVIDUAL PARTS FROM OLD INLINE VALVE.
GD50 PARTS LIST
| ITEM | PART NO. | QTY | DESCRIPTION |
| 1 | 35770 | 2 | HANDLE BAR |
| 2 | 370351 | 4 | CAPSCREW |
| 3 | 07493 | 1 | O-RING PLUG-MALE |
| 4 | 05243 | 1 | ORIFICE PLUG (INCL W/ ITEM 13) |
| 5 | 20499 | 1 | CHARGE VALVE |
| 6 | 04374 | 4 | LOCK NUT |
| 7 | 15190 | 1 | TOP PLATE |
| 8 | 00720 | 4 | SET SCREW |
| 9 | 07479 | 1 | DIAPHRAGM |
| 10 | 00293 | 1 | O-RING |
| 11 | 15188 | 1 | VALVE SPOOL |
| 12 | 04058 | 1 | SPRING |
| 13 | 11588 | 1 | ACCUMULATOR VALVE BLOCK |
| 16 | 10536 | 1 | SELECTOR SCREW |
| 17 | 04381 | 2 | BACK-UP RING |
| 18 | 04379 | 2 | O-RING |
| 19 | 04378 | 1 | PORTING BLOCK |
| 20 | 35784 | 2 | HOSE ASSY |
| 21 | 07480 | 1 | AUTOMATIC VALVE BODY |
| 22 | 16070 | 1 | RETAINING RING |
| 23 | 56749 | 2 | SEAL CAP (NEW INLINE VALVE) |
| 23A | 01003 | 2 | VALVE BUTTON (OLD INLINE VALVE) |
| 24 | 07224 | 2 | BACK-UP RING (NEW INLINE VALVE) |
| 24A | 13568 | 2 | BACK-UP RING (OLD INLINE VALVE) |
| 25 | 07626 | 2 | O-RING (NEW INLINE VALVE) |
| 25A | 13567 | 2 | O-RING (OLD INLINE VALVE) |
| 26 | 67008 | 1 | VALVE SPOOL (NEW INLINE VALVE) |
| 26A | 38631 | 1 | VALVE SPOOL (OLD INLINE VALVE) |
| 27 | 00936 | 2 | ADAPTOR |
| 28 | 03973 | 1 | MALE COUPLER BODY |
| 29 | 03972 | 1 | FEMALE COUPLER BODY |
| 30 | 04382 | 1 | AUTOMATIC VALVE |
| 31 | 04571 | 2 | PUSH PIN |
| 32 | 02900 | 2 | ROLL PIN |
| 33 | 37425 | 1 | NAME TAG |
| 34 | 04383 | 1 | FLOW SLEEVE TUBE |
| 35 | 04384 | 1 | FLOW SLEEVE |
| 36 | 04605 | 4 | PUSH PIN |
| 37 | 04954 | 1 | PISTON |
| 38 | 02022 | 1 | O-RING |
| 39 | 04387 | 1 | WIPER RING |
| 40 | 04780 | 1 | BACK-UP WASHER |
| 41 | 04386 | 1 | CUP SEAL |
| 42 | 12139 | 4 | SIDE ROD |
| 43 | 43527 | 1 | ADAPTOR BLOCK |
| ITEM | PART NO. | QTY | DESCRIPTION |
| 44 | 72592 | 1 | ADAPTOR BLOCK ASSY (INCLUDES UPPER ANVIL STOP) |
| 45 | 12146 | 1 | SPRING |
| 46 | 36106 | 1 | ROD ANVIL, 5/8 INCH RODS (MODEL GD50132RF) |
| 35751 | 1 | ROD ANVIL, 3/4 TO 1 IN. RODS (MODEL GD50133RF) | |
| 47 | 65812 | 1 | ANVIL GUIDE |
| 48 | 35753 | 1 | GUIDE HOUSING |
| 49 | 67007 | 1 | VALVE BODY ASSY. (NEW INLINE VALVE) |
| 49A | 38629 | 1 | VALVE BODY ASSY. (OLD INLINE VALVE) |
| 50 | 00026 | 1 | O-RING |
| 51 | 65813 | 1 | BUMPER |
| 52 | 371071 | 2 | WASHER |
| 53 | 01604 | 2 | O-RING (NEW INLINE VALVE) |
| 54 | 56747 | 2 | SEAL WIPER (NEW INLINE VALVE) |
| 55 | 00856 | 2 | ADAPTOR |
| 56 | 72264 | 1 | INLINE VALVE ASSEMBLY |
- Model GD50132RF—1/2 and 5/8 inch rods.
- Model GD50133RF—3/4 and 1-inch rods.
Verify the correct model number before ordering. Seal Kit
- GD50 Rapid Fire Model—04595
- All Other GD50 Models—13552
Read Before Ordering Inline Valve Parts
Inline Valve Assembly (OC-CC) – 72264 Includes Items (16, 22 Thur 26, 49, 50, 53, and 54) The inline valve changed around June 2011. To determine if you have the old or new inline valve, see the parts illustration.
Note: Individual parts are still available for the older inline valve but if replacing the entire inline valve assy, you must order the new inline valve assy P/N- 72264.

















