ELECTRICAL LSC4PA-01 Luminaire Support Connectors
Instruction Manual
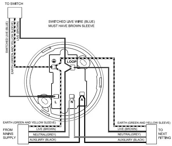
LUMINAIRE SUPPORT CONNECTOR TECHNICAL HELPLINE: 03300 249 279
SAFETY WARNING
For your safety, this product must be installed in accordance with local Building Regulations. If in any doubt, or where required by the law, consult a competent person who is registered with an electrical self-certification scheme. Further information is available online or from your Local Authority. Please read carefully and use in accordance with these safety wiring instructions. Before commencing any electrical work ensure the supply is switched off at the mains. Either by switching off the consumer unit or by removing the appropriate fuse. Wiring should be in accordance with the latest edition of the IET regulations (BS 7671) To prevent fire hazard always use cable of the correct rating, size & type for the application. Any bare earth wires must be covered with appropriate green/yelp low sleeking. Warning do not exceed the load rating of this device as stated on the rear of the product. If in doubt consult a competent electrician.
Wire Identification — Twin & Earth Cable
Note – As from 1st April 2004 new colour codes for hard wire installations was introduced.
EARTH = GREEN/YELLOW Sleeking
BLACK (pre Apr 04) / BLUE (after Apr 04) = NEUTRAL
RED (pre Apr 04) / BROWN (after Apr 04) = LIVE
The ends of the individual conductors should have the insulation removed by approx. 10mm. Any bare earth conductors should be sleeved to within 10mm of the ends. (These details are for general information only and conductor lengths may need to be trimmed in certain installations).
For lighting circuits, use sleeving of the appropriate ‘live’ colour to ensure clear identification of live connections.
To prevent fire hazard always use cable of the correct rating and type.
BATCH CODE EXPLANATION
yyWxx: Manufacturing date code; year of manufacturing (yy) and week of manufacturing (Wxx)
GENERAL INSTALLATION INSTRUCTIONS
Switch off power supply at consumer unit and remove fuse from circuit.
To assist with the correct installation of this product please consult the appropriate wiring diagram. When connecting the accessory ensure that only the bare end of the wire enters the terminal, and no bare wires are visible. Always tighten the terminal screws securely.
Once you are sure that all work has been completed correctly, replace the fuse for the circuit, switch the power back on, and test. The product is now ready for use.
ENVIRONMENTAL PROTECTION
This symbol is known as the “Crossed-out Wheelie Bin Symbol”. When this symbol is marked on a product or battery. It means that it should not be disposed of with your general household waste. Some chemicals contained within electrical/electronic products or batteries can be harmful to health and the environment. Only dispose of electrical/electronidbattery items in separate collection schemes, which cater for the recovery and recycling of materials contained within. Your co-operation is vital to ensure the success of these schemes and for the protection of the environment.
TECHNICAL DATA
| Standard(s) | BS5733 & BS6972 |
| Rating | 6 Amp 250V— |
| Terminal Capacity | 2x4mmz, 3×2.5minz, 4×1.5mmz, 5x1mm |
| Protection | IP20 |
| Operating temperature | -5°C — + 40°C |
| Max Operating temperature | 60°C |
| Glow Wire test | 850°C |
| Max weight load | 5 Kg |
| Size (Assembly) | 73.7mm (Dia) x 41.5mm (H) |
| Fixing Centres | 50.8mm |
CEILING SOCKET
4-PIN PLUG
To access the plug terminals unscrew the retaining cover screw. Feed the cable through the plug cover before making connections to the terminals.
Once all connections have been made, slide the cable into the cord-grip. Fit cover and secure the cover retaining screw. 
Supplied by Luceco PLC
Stafford Park 1
Telford TF3 3BD
ENGLAND
(EU) Luceco SE
C/ Bobinadora 1-5 08302 Mataró SPAIN


















