AUDAC BMP42 SourceCon Professional Bluetooth Module User Manual
ADDITIONAL INFORMATION
This manual is put together with much care, and is as complete as could be on the publication date. However, updates on the specifications, functionality or software may have occurred since publication. To obtain the latest version of both manual and software, please visit the Audac website @ www.audac.eu.
Introduction
SourceCon™ Bluetooth receiver module
The BMP42 is a professional Bluetooth receiver module featuring SourceCon™ modular technology. This unique technology guarantees true plug & play implementation to any compatible device. When inserted to a supporting slot, the module is instantly installed, discovered and ready for operation without requiring any additional internal wiring or complex configuration.
The BMP42 receiver offers wireless connection possibilities for audio playback from any Bluetooth compatible portable device including laptops, smartphones, tablets or any other. Long-range transmission distance (up to 30 meters in an unobstructed open area) is possible depending on the installed environment. Device discovery and pairing protection with a storage up to 8 authorized devices shall prevent playback from unauthorized users in public area’s.
All media information such as track and artist information can be retrieved from the BMP42 (if supported by the connected device, more info on P15: technical specifications), while playback control is possible from the connected device or remote control.
The antenna input is implemented by an SMA-type (50 Ω) connector on its panel, allowing connection of the included (2 dBi) antenna while extension is possible in situations where its installed in a closed / shielded cabinet. The balanced stereo line output is connected through two 3-pin terminal block connections.
Precautions
READ FOLLOWING INSTRUCTIONS FOR YOUR OWN SAFETY
ALWAYS KEEP THESE INSTRUCTIONS FOR FUTURE REFERENCE. NEVER THROW THEM AWAY
ALWAYS HANDLE THIS UNIT WITH CARE
HEED ALL WARNINGS AND FOLLOW ALL INSTRUCTIONS AVOID
ELECTROSTATIC DISCHARGE BY TOUCHING GROUNDED POINT
BEFORE REMOVING THE MODULES
FROM THEIR PROTECTIVE BAG AVOID TOUCHING OF THE COMPONENTS ON THE CIRCUIT BOARD DIRECTLY NEVER EXPOSE THIS EQUIPMENT TO RAIN, MOISTURE, ANY DRIPPING
OR SPLASHING LIQUID. NEVER PLACE AN OBJECT FILLED WITH LIQUID ON TOP OF THIS DEVICE
DO NOT INSTALL THIS UNIT NEAR ANY HEAT SOURCES SUCH AS RADIATORS OR OTHER APPARATUS THAT PRODUCE HEAT
DO NOT PLACE THIS UNIT IN ENVIRONMENTS WITH A HIGH LEVEL OF DUST, HEAT, MOISTURE OR VIBRATION
THIS UNIT IS DEVELOPED FOR INDOOR USE ONLY. DO NOT USE IT OUTDOORS
ONLY USE ATTACHMENTS & ACCESSORIES SPECIFIED BY THE MANUFACTURER.
UNPLUG THIS APPARATUS DURING LIGHTNING STORMS OR WHEN
UNUSED FOR LONG PERIODS OF TIME
CAREFULLY CHECK THE UNIT’S CONDITION AFTER UNPACKING. IF THERE IS ANY DAMAGE TO THE CARTON BOX OR THE UNIT ITSELF, INFORM YOUR VENDOR IMMEDIATELY.
THE INSTALLATION, CONNECTION AND CONFIGURATION OF THE DEVICE SHOULD BE DONE BY QUALIFIED TECHNICIANS
FCC
This device complies with part 15 of the FCC Rules. Operation is subject to the following two conditions: (1) This device may not cause harmful interference, and (2) this device must accept any interference received, including interference that may cause undesired operation.
Note: This equipment has been tested and found to comply with the limits for a Class B digital device, pursuant to part 15 of the FCC Rules. These limits are designed to provide reasonable protection against harmful interference in a residential installation. This equipment generates, uses and can radiate radio frequency energy and, if not installed and used in accordance with the instructions, may cause harmful interference to radio communications. However, there is no guarantee that interference will not occur in a particular installation. If this equipment does cause harmful interference to radio or television reception, which can be determined by turning the equipment off and on, the user is encouraged to try to correct the interference by one or more of the following measures:
- Reorient or relocate the receiving antenna.
- Increase the separation between the equipment and receiver.
- Connect the equipment into an outlet on a circuit different from that to which the receiver is connected.
- Consult the dealer or an experienced radio/TV technician for help
FCC – NOTE
Note: The Grantee is not responsible for any changes or modifications not expressly approved by the party responsible for compliance. Such modifications could void the user’s authority to operate the equipment. The OEM integrator is still responsible for testing their end-product for any additional compliance requirements required with this module installed.
IMPORTANT NOTE: In the event that these conditions cannot be met (for example co-location with another transmitter), then the FCC authorization is no longer considered valid and the FCC ID can not be used on the final product. In these circumstances, the OEM integrator will be responsible for re-evaluating the end product (including the transmitter) and obtaining a separate FCC authorization.
The OEM integrator has to be aware not to provide information to the end user regarding how to install or remove this RF module in the user’s manual of the end product which integrates this module. The BMP42 module is designed to comply with the FCC statement. FCC ID is 2AVCN-BMP42. The host system using BMP42, should have label indicated it contain modular’s FCC ID: 2AVCN-BMP42. The device has been evaluated to meet general RF exposure requirement. To maintain compliance with FCC’s RF exposure guidelines, the distance must be at least 20 cm between the radiator and your body, and fully supported by the operating and installation configurations of transmitter and its antenna(s).
CAUTION – SERVICING
This product contains no user serviceable parts. Refer all servicing to qualified service personnel. Do not perform any servicing (unless you are qualified to)
EC DECLARATION OF CONFORMITY
This product conforms to all the essential requirements and further relevant specifications described in following directives: 2014/30/EU (EMC), 2014/35/EU (LVD) and 2014/53/EU (RED)
WASTE ELECTRICAL AND ELECTRONIC EQUIPMENT (WEEE)
The WEEE marking indicates that this product should not be disposed with regular household waste at the end of its life cycle. This regulation is created to prevent any possible harm to the environment or human health.
This product is developed and manufactured with high quality materials and components which can be recycled and/or reused. Please dispose this product at your local collection point or recycling centre for electrical and electronic waste. This will make sure that it will be recycled in an environmentally friendly manner, and will help to protect the environment in which we all live.
CAUTION
The symbols shown are internationally recognized symbols that warn about potential hazards of electrical products.
The lightning flash with arrow point in an equilateral triangle means that the unit contains dangerous voltages. The exclamation point in an equilateral triangle indicates that it is necessary for the user to refer to the users manual.
![]()
CAUTION
RISK OF ELECTRIC SHOCK DO NOT OPEN
Connections and connectors
CONNECTION STANDARDS
The in- and output connections for AUDAC audio equipment are performed according to international wiring standards for professional audio equipment
- Left: Signal -(XLR Pin 3)
- Center: Signal +(XLR Pin 2)
- Right: Ground (XLR Pin 1)
For balanced signal output connections
For unbalanced signal output connections
Overview BMP42

The BMP42 is a SourceCon™ compatible module featuring an (internal) board-edge connector which carries all signals for getting it connected to any supporting main unit.
All external in & output connections shall be made using the available connectors on the panel.
- Balanced stereo line output:
The balanced stereo line output is implemented using two 3-pin terminal block connectors. The audio output available on this connector allows it to be fed to any amplifier or pre-amplifier. - SMA-type antenna connection:
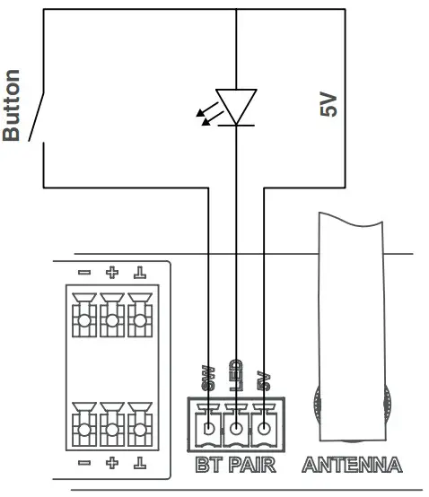
The antenna (input) connection is implemented using an SMA-type (male) connector whereto the supplied antenna should get connected. Depending of the installation conditions (e.g. when installed in a closed / shielded cabinet), it can be extended using optional available accessories for optimal reception conditions. - Connection external pairing contacts:
When the BMP42 is installed in a device located in something like a locked rack, it may be difficult to enable Bluetooth pairing for new devices. For this purpose, an external pairing connector can be connected that contains the combination LED and button. When the button is pressed, Bluetooth pairing is enabled. This is confirmed by the flashing of the LED.
If a device was connected, the connection is broken. The LED will flicker for 60 seconds and the BMP42 is visible to make a (new) connection. If a device connects, the LED will remain lit. After 60 seconds without connection, the BMP42 is no longer visible to new devices but old devices can still connect. After 60 seconds the LED will be off.
The connection can be made according to this wiring diagram:
Using the BMP42
Since the BMP42 is a SourceCon™ module, it can be combined with a variation of supporting main units. The operating and configuration interface may differ depending on the device it is installed on, but the functionality offered is the same. Some devices will support control and configuration through a front panel graphical control interface on a display, while others are also supporting web-control.
This manual describes the control and configuration possibilities via a front-panel graphical control interface display. For applications with more control possibilities, refer to the user manual of the main device used for further instructions.
Module screen
Connecting:
The main module screen of the BMP42 indicates the connection status of the receiver. To avoid audio playback by unauthorized users in public installations, transmitter and receiver pairing is required when connecting for the first time.
The receiver cannot be discovered from the transmitting device unless the receiving and transmitting devices have been previously paired. In this case, press the
button to make it discoverable.
Once connected, the main module screen displays the name of the connected device and it will become undiscoverable for other devices.
Once both transmitter and receiver have been paired, the receiver will remain connectable for that particular transmitter, even when the
connection button hasn’t been pressed. The BMP42 memory stores up to 8 authorized device ID’s.
When the
button is pushed, the connection with the current device
is broken and the BMP42 becomes discoverable again.
Player:
The
(player) button gets you to the player mode screen where track information is displayed (if supported by the connected transmitter) and previous or next audio track selection can be done.
Home:
The (home) button gets you back to the main screen of the device where the BMP42 is installed to.
Player mode
In this screen, all available media information about the currently playing files is shown including track, artist or any other information, while previous and next audio track selection can be done.
Note that the displayed information in this screen depends on the supported functions of the connected transmitter.
Track selection:
The playing track can be selected by pressing the
(previous track) and
(next track) buttons. When selected, the first next supported track will be selected and start playing.
Play / pause:
Toggling between play and pause is done by pressing the play/pause button with
(play)
or (pause) symbols. Dependingon the current mode, the displayed symbol on the icon will toggle.
Return:
The (return) button gets you back to the main module screen of the BMP42
Audac Touch
Device settings screen
Various adjustments can be made on the BMP42 using our simplified design and control platform – AUDAC Touch™. AUDAC Touch™ is available for free on the Apple App store,Touch™ app can be downloaded from the Apple App store, Google play store or audac.eu/eu/software/ audac-touch.
The BMP42 is visible on the overview page of the parent device in the Audac Touch™ platform. Select the BMP42 to make adjustments.
Device
Gain:
The gain is synchronized from the device connected to the BMP42. If it is not to the desired level, it can be adjusted on the BMP42. The gain can be adjusted within a range of 0 dB and -82 dB, allowing optimization of the output level according to the input sensitivity of the connected amplifier or pre-amplifier.
Advanced settings – Factory reset:
Factory reset will recall all settings to factory defaults and all previously made settings and configurations will be lost. After selecting factory reset, a confirmation will be asked whether all settings definitely need to be reset to factory defaults. When confirmed, all settings will be lost.
Bluetooth
Bluetooth info:
Gives an overview of the BMP42 Mac address and running software versions.
Connected:
Information about the connected transmitting device is shown.
Paired:
8 device ID’s of recently paired transmitters are stored as authorized devices and shown in this list. These authorized devices are allowed for direct pairing with the BMP42 without making it discoverable. (without pressing the
button in the main module screen)
Devices can be removed from this list by pressing the delete icon.
When the ‘Pair new device’ button is used, the receiver is discoverable and allows connection for about 60 seconds from any transmitting device.
Installing the BMP42
CAUTION
Before installing the BMP42 to any SourceCon™ compatible device, make sure the power is switched off. Malfunctions or electrical shocks may occur otherwise.
Step 1:
Make sure that the slot whereto the module should be installed is open and ready for installation. Depending of the main unit, some module slots will be covered by blind panels when delivered. The corresponding blind panels should be removed by releasing the screws on both ends.
Step 2:
Before removing the modules from their protective bag, we recommend touching a grounded metal chassis (or any other grounded point) to prevent electrostatic discharges affecting the sensitive electronic components. It is recommended to always hold the module card by the metal connection panel and avoid touching of the components on the circuit board directly.
Step 3:
Align both edges of the module with the guide rails inside the slot and carefully insert the module into the slot. It should slide into the slot without any considerable resistance when well positioned into the guide rail.
Step 4:
Some resistance might occur when the module’s board edge connector reaches the connection counterpart on the main board. Gently push the module all the way into the slot to ensure that the contacts are correctly inserted. The module is well inserted when its connection panel touches the metal chassis of the main device where inserted to.
Step 5:
Fasten the module into the slot using the included screws. Be aware that damage or malfunctions may occur if the module is not correctly fastened.
Step 6:
Once the module correctly installed, the system can be powered-on and the module functionality will be automatically discovered.
Technical specifications
| Connection | SourceCon™ interface card slot |
| Input | SMA-type male antenna connection (50 Ω) |
| Bluetooth pair contact with LED connection | |
| (3-pin Euro Terminal Block ~ 3.81 mm) | |
| Output | Balanced stereo line output |
| (2 x 3-pin Euro Terminal Block ~ 3.81 mm) | |
| Output level | +8 dB ~ -82 dB |
| (Software configurable) | |
| Bluetooth receiver | Bluetooth spec V4.1 |
| Class 2 output power | |
| Power consumption | 0.5 Watt |
| Dimensions (W x H x D) | 87 x 34.5 x 114 mm |
| Dimensions (W x H x D) | 87 x 34.5 x 114 mm |
| Weight | 0.075 Kg |
| Packaging | Carton box |
| Shipping weight & Volume | 1.08 Kg – 0.028 Cbm |
| Accessoried included | 2.4Ghz antenna (2 dBi) |
| Compatible devices | XMP44 |
| Optional Accessories BAE100 | Antenna extender kit |
NOTE
The BMP42 supports media information retrieval (track, artist, album, … information) from the transmitter. This function is only supported with AVRCP V1.3 (or higher) compatible transmitters.
Discover more on audac.eu



















