MUH Series
Modular Unit Heaters
Installation, Operation & Maintenance Instructions
Specifications
| Basic Model No. | Height in (mm) | Width in. (mm) | Depth in. (mm) | Mounting Weight lbs. (kg) | Wiring Compartment Volume |
| MUH0381 | 16 (406.4) | 14 (355.6) | 71/2 (190.5) | 27 (12.2) | 90 in3 (14.70 cm3) |
| MUH0321 | 27 (12.2) | ||||
| MUH0371 | 27 (12.2) | ||||
| MUH0341 | 30 (13.6) | ||||
| MUH0581 | 27 (12.2) | ||||
| MUH0521 | 27 (12.2) | ||||
| MUH0571 | 27 (12.2) | ||||
| MUH0541 | 30 (13.6) | ||||
| MUH0331 | 30 (13.6) | ||||
| MUH0361 | 30 (13.6) | ||||
| MUH0531 | 30 (13.6) | ||||
| MUH0561 | 30 (13.6) | ||||
| MUH078 | 213/4 (552.5) | 19 (482.6) | 71/2 (190.5) | 38 (17.2) | 100 in3 (1639 cm3) |
| MUH072 | 38 (17.2) | ||||
| MUH077 | 38 (17.2) | ||||
| MUH074 | 38 (17.2) | ||||
| MUH108 | 38 (17.2) | ||||
| MUH102 | 38 (17.2) | ||||
| MUH107 | 38 (17.2) | ||||
| MUH104 | 38 (17.2) | ||||
| MUH073 | 38 (17.2) | ||||
| MUH076 | 38 (17.2) | ||||
| MUH103 | 38 (17.2) | ||||
| MUH106 | 38 (17.2) |
| Basic Model No. | Height in (mm) | Width in. (mm) | Depth in. (mm) | Mounting Weight lbs. (kg) | Wiring Compartment Volume |
| MUH158 | 2144 (552.5) | 19 (482.6) | 124 (323.9) | 54 (24.5) | 140 in3 (2295 cm3) |
| MUH152 | 50 (22.7) | ||||
| MUH154 | 50 (22.7) | ||||
| MUH208 | 60 (27.2) | ||||
| MUH202 | 55 (24.9) | ||||
| MUH204 | 55 (24.9) | ||||
| MUH156 | 55 (24.9) | ||||
| MUH206 | 55 (24.9) | ||||
| MUH252 | 30 (76.2) | 265/8 676.4) | 113/4 (298.5) | 89 (40.4) | 504 in3 (8260 cm3) |
| MUH254 | 89 (40.4) | ||||
| MUH308 | 89 (40.4) | ||||
| MUH302 | 89 (40.4) | ||||
| MUH304 | 89 (40.4) | ||||
| MUH256 | 89 (40.4) | ||||
| MUH306 | 89 (40.4) | ||||
| MUH402 | 30 (76.2) | 265/8 676.4) | 171/4 (435.1) | 119 (54.0) | 648 in3 (10620 cm3) |
| MUH404 | 119 (54.0) | ||||
| MUHS08 | 119 (54.0) | ||||
| MUHS02 | 119 (54.0) | ||||
| MUHS04 | 119 (54.0) | ||||
| MUH406 | 119 (54.0) | ||||
| MUHS06 | 119 (54.0) |
IMPORTANT INSTRUCTIONS
WARNING![]()
WHEN USING ELECTRIC APPLIANCES, BASIC PRECAUTIONS SHOULD ALWAYS BE FOLLOWED TO REDUCE THE RISK OF FIRE, ELECTRIC SHOCK, AND INJURY TO PERSONS, INCLUDING THE FOLLOWING:
- Read all instructions before installing or using this heater.
- This heater is a commercial/industrial product not intended for use in a residential setting.
- This heater is hot when in use. To avoid burns, do not let bare skin touch hot surfaces. Keep combustible materials, such as furniture, pillows, bedding, papers, clothes, etc. and curtains at least 3 feet (0.9 m) from the front of the heater.
- Extreme caution is necessary when any heater is used by or near children or invalids and whenever the heater is left operating and unattended.
- This heater has hot and arcing or sparking parts inside and is not intended for use in hazardous atmospheres where flammable vapors, gases, liquids or other combustible atmospheres as defined in the National Electrical Code are used or stored. Failure to comply can result in explosion or fire.
- Do not operate any heater after it malfunctions. Disconnect power at service panel and have heater inspected by a reputable electrician before using.
- Do not use outdoors.
- To disconnect heater, turn controls to off, and turn off power to heater circuit at main disconnect panel.
- Do not insert or allow foreign objects to enter any ventilation or exhaust opening as this may cause an electric shock, fire, or damage to the heater.
- To prevent a possible fire, do not block air intake or exhaust in any manner.
- Use this heater only as described in this manual. Any other use not recommended by the manufacturer may cause fire,
- This heater is not intended for use in special environments. Do not use in damp or wet locations such as marine or greenhouse or in areas where corrosive or chemical agents are present.
- When installing, see INSTALLATION INSTRUCTIONS for additional warnings and precautions.
- For safe and efficient operation, and to extend the life of your heater, keep your heater clean – See MAINTENANCE INSTRUCTIONS.
INSTALLATION INSTRUCTIONS
WARNING![]()
To prevent a possible fire, injury to persons or damage to the heater, adhere to the following:
- Disconnect all power coming to heater at main service panel before wiring or servicing.
Important Note: This heater must be installed by a qualified person. - All wiring procedures and connections must be in accor- dance with the National and Local Codes having jurisdiction and the heater must be grounded.
- Verify the power supply voltage coming to heater matches the ratings as shown on the heater nameplate.
CAUTION: ENERGIZING HEATER AT A VOLTAGE GREATER THAN THE VOLTAGE PRINTED ON THE NAMEPLATE WILL DAMAGE THE HEATER AND VOID THE WARRANTY AND COULD CAUSE A FIRE. - To reduce the risk of fire, do not store or use gasoline or other flammable vapors and liquids in the vicinity of the heater.
- The ceiling or wall mounting structure and the anchoring provisions must be of sufficient strength to support the combined weight of the heater and mounting bracket.
- All built-in thermostats: If the heater is used to prevent pip- ing or liquids from freezing, and if the thermostat is set below 45° F (7°C), the fan must run continuously.
- The heater must be mounted at least 7’ (2134 mm) above the floor to avoid accidental contact with the fan blade which could cause injury.
- Keep at least 5’ clearance in front of the heater. Refer to Table 1 for side, top and back clearance requirements.
- Do not mount mercury type thermostat directly on unit.Vibration could cause heater to malfunction.
Heater Location Instructions
Arrange units so that discharge air streams:
a. are subjected to a minimum of interference from columns, machinery and partitions;
b. wipe exposed walls without blowing directly at them;
c. are directed away from room occupants in comfort heating;
d. are directed along the windward side when installed in a building exposed to a prevailing wind.
Locate thermostats approximately 5′ (1524mm) above the floor on interior partition walls or post away from cold drafts, internal heat sources and away from heater discharge air streams. Small rooms can be heated by one unit heater.
Large rooms require multi-unit installations. Number and capacity of units will be determined by volume of building and square feet of floor area to be heated. Arrange units to provide perimeter air circulation where each unit supports the air stream from another.
Mounting the Heater – General
The heater may be mounted to discharge the heated air either horizontally or vertically. When the heater is mounted for vertical discharge, it is recommended that the heater be positioned so that the access door will open away from the wall to provide greater access to the wiring and control compartment. If the heater is to be mounted with the access door facing a wall, the heater must be mounted far enough from that wall to allow full opening of the access door (a distance approximately equal to the width of the heater, check clearance before installing). Refer to Table 1 for wall and ceiling clearances before mounting heater.
The heater may be mounted for either vertical or horizontal discharge by the use of threaded rods. (Refer to Table 2 for threaded rod sizes required.) Observe the detailed procedures in the following installation instructions.
The heater may also be suspended from the wall or ceiling by means of an optional mounting bracket (type MMB or MCMB) which permits horizontal pivoting of the heater. After the heater is installed, the louvers may be positioned to direct the heated air in the desired direction. When the heater is installed for horizontal discharge, the louvers should direct the air either straight ahead or downward. Directing the air upward may cause the heated air to remain in the ceiling area and waste energy.
Table 1. Wall and Ceiling Clearance, inches (mm)
| Unit | Discharge | Ceiling | Side Wall | Back Wall |
| 3 & 5 kW | Horiz. | 2 (50.8) | 6 (152.4) | 9 (228.6) |
| Vert. | 6 (152.4) | 18 (457.2) | 18 (4572) | |
| 7.5 to 10 kW | Horiz. | 6 (152.4) | 6 (152.4) | 13 (330.2) |
| Vert. | 6 (152.4) | 24 (609.6) | 24 (609.6) | |
| 15 to 10 kW | Horiz. | 6 (152.4) | 9 (228.6) | 121/2 (3175) |
| Vert | 6 (152.4) | 24 (609.6) | 24 (609.6) | |
| 25 to 50 kW | Horiz. | 16 (406.4) | 12 (304.8) | 181/2 (470.0) |
| Vert. | 12 (304.8) | 39 (914.4) | 39 (914.4) |
Table 2. Rod Thread and Spacing Dimensions, inches (mm) for Horizontal Discharge
| Unit | Rod Thread Type | A | B | C | D |
| 3 – 5 kW | 5 /16 – 18 | 3 /8 – 16 | 6 (152.4) | 4 1 /16 (103.1) | 3 /4 (19.0) |
| 7.5 – 10 kW | 8 7 /8 (225.6) | 3 /4 (19.0) | |||
| 15 – 20 kW | 11 3 /8 (289.0) | 6 3 /16 (157.2) | |||
| 25 – 30 kW | 3 /8 – 16 | 10 9 /16 (268.2) | 14 – 12 (368.3) | 5 /8 (16.0) | |
| 40 – 50 kW | 15 15 /16 (404.9) | 14 – 12 (368.3) | 6 3 /16 (157.2) | 5 /8 (16.0) |
Horizontal Discharge (Rod-mount from Ceiling)
- Install four threaded mounting rods in the threaded holes and secure in place using lock nuts. (See Table 2).
- Securely attach the four mounting rods to the ceiling. (Refer to Table 1 for wall and ceiling clearances, and Table 2 for mounting rod spacing).
Table 3. Rod Thread and Spacing Dimensions, inches (mm) for Vertical Discharge
| Unit | Rod Thread Type | E | F | G | H |
| 3 – 5 kW | 5 /16 – 18 | 6(152.4) | 93/4 247.7) | 2 (50.8) | 41/16 (103.1) |
| 7.5 – 20 kW | 87/8 (225.6) | 145/8 (371.6) | 2 (50.8) | 51/8 (130.3) | |
| 25 – 30 kW | 3/8 – 16 | 141/2 (368.3) | 211/4 (539.8) | 23/16 (56.0) | 63/16 (157.2) |

Vertical Discharge (Rod-Mount from Ceiling)
- Remove bolts from the threaded holes in the back of the heater.
- Install four threaded mounting rods in the threaded holes and and secure in place using lock nuts.
- Securely attach the four mounting rods to the ceiling. (Refer to Table 1 for wall and ceiling clearances, and Table 3 for mounting rod spacing dimensions.)
Wiring Branch Circuit (Power)
- Connect heater only to the voltage, amperage and frequency specified on the nameplate.
- Field wiring must be properly sized to carry the amperage IN accordance with the NEC.
- The access door is hinged. There are either one or two screws accessible from the side that must be loosened to gain access.
These screws are the captive type; do not try to remove them. - A knockout is provided in the back of the heater close to the power terminal block and the control terminal board. The control terminal board knockout is 1/2 inch (12.7
mm) conduit size.
The power terminal block knockout is multiple diameter.
Use the diameter that fits the required conduit size. - A ground terminal is provided near the power terminal board.
The ground wire should be connected before other connections are made. - The power terminal block is equipped with box terminals sized to accept the correct size power supply wire. Branch circuit wire rated min 600V, 60° C is acceptable for heaters rated up to 80 amps. For heaters rated more than 80 amps, branch circuit wire must be rated at least 75°C. Either aluminum or copper wire is satisfactory for connection to the heater power terminal block box terminal. Copper wire is recommended and must be used with built-in disconnect switch.
- Each heater has a wiring diagram affixed to the inside of the access door. Consult this diagram before making any field connections.
Important Note – Installation Screw Lug Torque:
During transportation it is possible screw lug connections can loosen. After installation, before power is turned on to the heater, check all screw lug connections for tightness to a recommended minimum torque as specified on the label affixed to the unit.
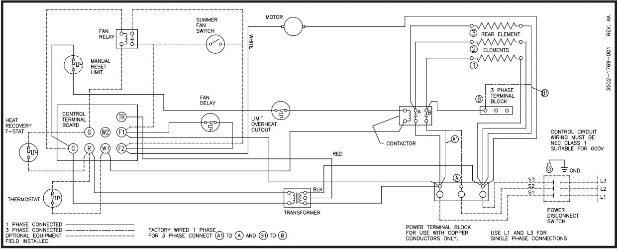
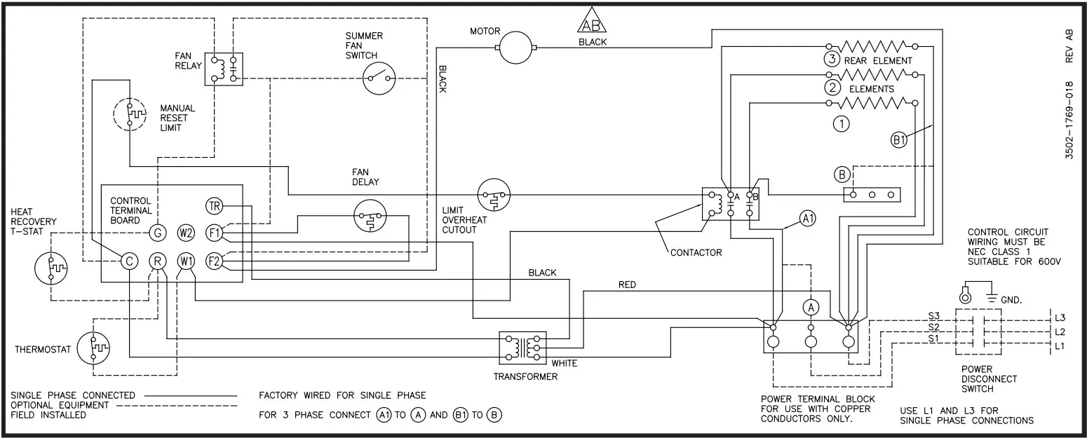
Loose connections may present a hazard. - Single or three-phase power connections may be used with heater models MUH0521, MUH0581, MUH072, MUH078, MUH102, MUH108, and MUH158. These units are factory wired for single-phase operation. If these heaters are for use with three-phased power, reconnect the wires as indicated in the wiring diagram attached to the heater.
Additional information can be found by looking at the wiring illustrations in Figures 3a and 3b and following the directions shown below.
On models MUH0521,MUH0581, MUH072, MUH078, MUH102, and MUH108 (Figure 3a), move only the two wires marked “A1” and marked “B1”; do not move or change any other wiring. The element lead wire marked “B1” which is factory connected to the power terminal block (terminal located closest to the elements) must be moved to terminal “B” on the three-phase terminal block.
Figure 3a. Wiring Connections for Single-Phase and Three -Phase Power (MUH0521, MUH0581, MUH072, MUH078, MUH102 and MUH108)
Figure 3b. Wiring Connections for Single-Phase and Three -Phase Power (MUH158)
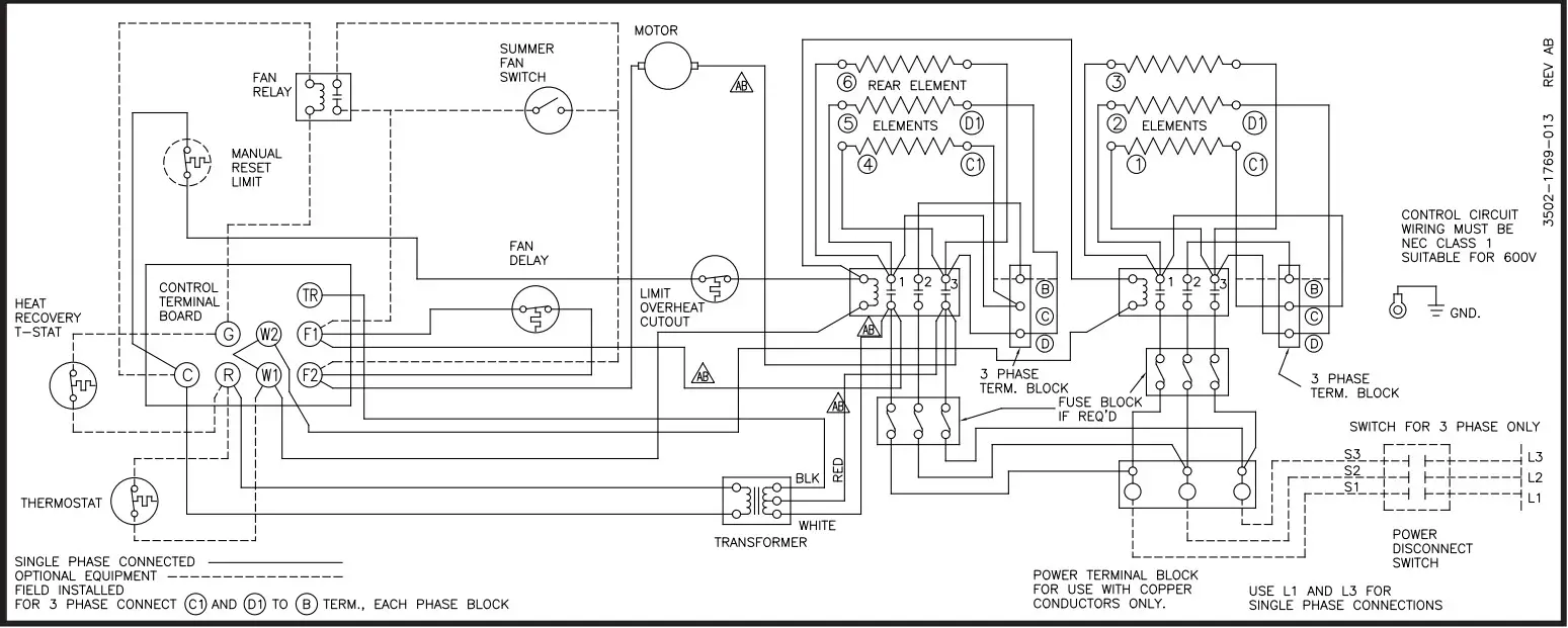
The relay (contactor) lead wire “A1” must be moved from the end terminal of the power terminal block (terminal closest to the contactor or control terminal board) to the “A” terminal of the lower terminal block (center terminal). Model MUH158 (Figure 3b) has two three-phase terminal blocks located adjacent to the relays (contactors). Move only the two wires marked “C1” and “D1” on each of these two three-phase terminal blocks to terminal “B”. Do not move or change any other wires. - Electrical Accessories, either kits or factory-installed options, are shown connected by a dash line on the heater wiring diagram.
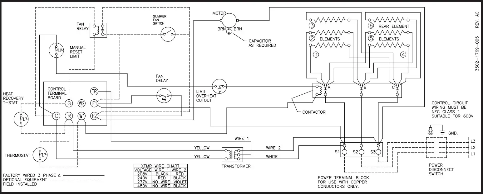
- 208/240 VOLT HEATER: The heaters are wired for 240V from factory. When heater is to be connected to 208V supply, the transformer leads MUST BE interchanged. For units rated 30/40kW or higher, interchange ORANGE and RED primary leads. The black colored lead is the COMMON for the transformer (50VA) provided with the high wattage units. For lower kW rated heaters, interchange BLACK and RED primary leads. The WHITE colored lead is the COMMON for the control transformer provided with these heaters. Always refer to the wiring diagram on the cover of the heater before making this reconnection of transformer primary leads.
CAUTION: To prevent a possible fire or damage to heater, if a two stage thermostat is provided, it MUST be wired so Stage 1 turns the rear heating element (where fan control is located) on first and off last. Stage 2 MUST turn on elements other than the rear element as the need for additional heat is required and will turn on last and off first.
NOTES:
- THIS STYLE CONTROL TERMINAL BOARD USED WITH MODELS MUH0321, MUH0371, MUH0381, MUH0521, MUH0571, AND MUH0581.
- WHEN UNIT IS WIRED FOR SINGLE-PHASE, JUMPER H1 TO H2. IF SINGLEPOLE THERMOSTAT IS USED WITH SINGLE-PHASE UNIT, CONNECT
THERMOSTAT LEADS TO P1 AND H1. - EXTERNAL LINE VOLTAGE THERMOSTATS SHOULD BE TREATED AS SINGLE STAGE ONLY.
Figure 4. Control Terminal Board (for Heaters Without Contactors)
Figure 5. Control Terminal Board (for Heaters With Contactors)
NOTES:
- THIS STYLE CONTROL TERMINAL BOARD USED WITH MODELS EXCEPT MUH0321, MUH0371, MUH0381, MUH0521, MUH0571, AND MUH0581.
- REMOVE JUMPER W1 TO W2 WHEN 2-STAGE THERMOSTAT IS USED.
- *ONLY ONE OF THESE ACCESSORIES MAY BE INSTALLED IN A SINGLE HEATER.
- EXTERNAL LINE VOLTAGE THERMOSTATS SHOULD BE TREATED AS SINGLE STAGE ONLY.
Control Wiring
WARNING![]()
LINE VOLTAGE IS PRESENT ON SOME OF THE TERMINALS ON THE CONTROL TERMINAL BOARD. ALWAYS DISCONNECT THE POWER FROM THE HEATER BEFORE MAKING ANY CONNECTIONS TO THE CONTROL BOARD TO PREVENT ELECTRIC SHOCK HAZARD.
- Use min. 600 volts, NEC Class 1 insulated wire for all control circuit wiring.
- Use a crimp-on type fork terminal on the wire ends that attach to the control terminal board if more than one connection is to be made under the terminal screw.
- On units not provided with internal contactor (3 & 5 KW), refer to Figure 4 for wiring diagram.
NOTE: Thermostat and control circuit wiring must be suitable to handle the full load of the heater (example MUH0581 is rated 24 amps) - On units provided with internal contactor (units rated 7 KW and higher) refer to Figure 5 for wiring diagram. Control wiring must be rated minimum 18 AWG.
Wiring Diagrams
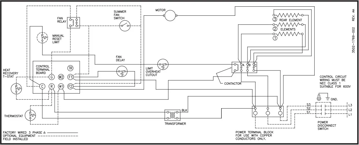
Diagram 1: 3 Element, Single and Three Phase
Diagram 2: 3 Element, Three Phase
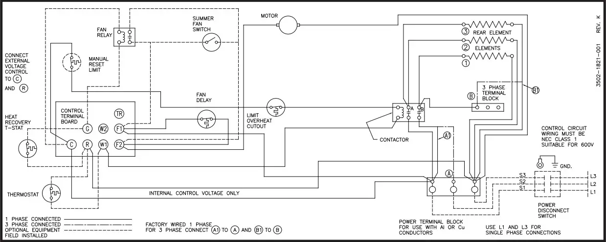
Wiring Diagrams
Diagram 3: 3 Element, Single Phase
Diagram 4: 3 Element, Single and Three Phase
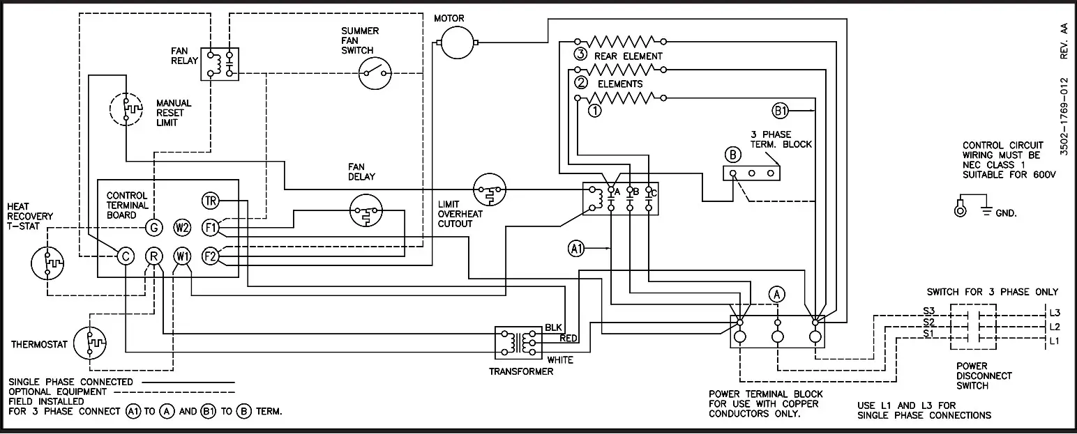
Diagram 5: 6 Element, Three Phase
Diagram 6: 6 Element, Three Phase
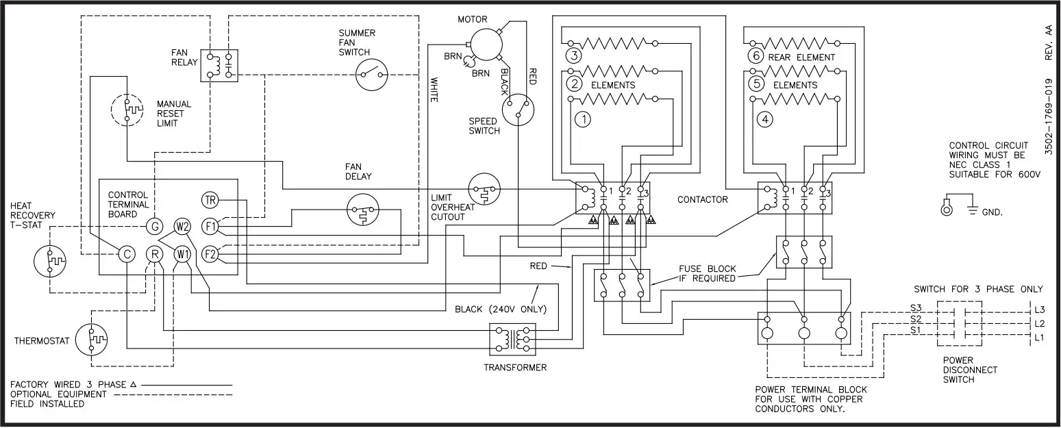
Diagram 7: 6 Element, 2 Contactor, Three Phase
Diagram 8: 9 Element, 2 Contactor, Three Phase
Diagram 9: 9 Element, 3 Contactor, Three Phase
Diagram 10: 6 Element, 2 Contactor, Single and Three Phase
Diagram 11: 3 Element, Single and Three Phase
Diagram 12: 3 Element, Single and Three Phase
Diagram 13: 6 Element, 2 Contactor, Three Phase
OPERATING INSTRUCTIONST
- Heater must be properly installed before operation.
- Turn power supply to heater “ON” at main switch panel.
- Where applicable, refer to control accessory instructions regarding proper operation of any controls or accessories used with the heater.
How to Reset Manual Reset Safety Limit (Factory Installed Option Only)
The manual reset switch is located internally on the rear of the heater. On the 3KW and 5KW models, the access to the reset button is on the right side (when facing rear of heater); on all other models it is near the top rear of the heater.
The manual reset limit is in series with the automatic recycling protector (limit). The manual reset limit will not reset until the heater has cooled and the button is pushed in.
WARNING![]()
DO NOT TAMPER WITH OR BYPASS ANY SAFETY LIMITS INSIDE HEATER.
CAUTION
CAUTION – DO NOT CONTINUE TO ATTEMPT TO USE THE HEATER IF THE SAFETY CONTROL REPEATEDLY OPERATES AFTER BEING RESET.
TO DO SO COULD PERMANENTLY DAMAGE THE HEATER OR CREATE AFIRE OR SAFETY HAZARD.
MAINTENANCE INSTRUCTIONS
It is important to keep this heater clean. Your heater will give you years of service and comfort with only minimum care. To assure efficient operation follow the simple instructions below.
WARNING![]()
ALL SERVICING BEYOND SIMPLE CLEANING THAT REQUIRES DISASSEMBLY SHOULD BE PERFORMED BY QUALIFIED SERVICE PERSONNEL.
WARNING![]()
TO REDUCE RISK OF FIRE AND ELECTRIC SHOCK OR INJURY, DISCONNECT ALL POWER COMING TO HEATER AT MAIN SERVICE PANEL AND CHECK THAT THE ELEMENT IS COOL BEFORE SERVICING OR PERFORMING MAINTENANCE.
User Cleaning Instructions:
- After the heater has cooled, a vacuum cleaner with brush attachment may be used to remove dust and lint from exterior surfaces of the heater including the grille openings.
- With a damp cloth, wipe dust and lint from grille and exterior
Maintenance Cleaning Instructions: (To be performed only by Qualified Service Personnel)
At least annually, the heater should be cleaned and serviced by a qualified service person to assure safe and efficient operation. This should include as necessary, vacuuming dust and debris from the elements and fan, and checking all screw lug connections for tightness to a recommended minimum torque as . After completing the cleaning and servicing, the heater should be fully reassembled and checked for proper operation. specified on the label affixed to the unit
LIMITED WARRANTY
All products manufactured by Marley Engineered Products are warranted against defects in workmanship and materials for one year from date of installation, except the motor which is warranted against defects in workmanship and materials for three years from date of installation. This warranty does not apply to damage from accident, misuse, or alteration; nor where the connected voltage is more than 5% above the nameplate voltage; nor to equipment improperly installed or wired or maintained in violation of the product’s installation instructions. All claims for warranty work must be accompanied by proof of the date of installation.
The customer shall be responsible for all costs incurred in the removal or reinstallation of products, including labor costs, and shipping costs incurred to return products. Within the limitations of this warranty, inoperative units should be returned to Marley Engineered Products, and we will repair or replace, at our option, at no charge to you with return freight paid by Marley. It is agreed that such repair or replacement is the exclusive remedy available from Marley Engineered Products.
THE ABOVE WARRANTIES ARE IN LIEU OF ALL OTHER WARRANTIES EXPRESSED OR IMPLIED, AND ALL IMPLIED WARRANTIES OF MERCHANTABILITY AND FITNESS FOR A PARTICULAR PURPOSE WHICH EXCEED THE AFORESAID EXPRESSED WARRANTIES ARE HEREBY DISCLAIMED AND EXCLUDED FROM THIS AGREEMENT. MARLEY ENGINEERED PRODUCTS SHALL NOT BE LIABLE FOR CONSEQUENTIAL DAMAGES ARISING WITH RESPECT TO THE PRODUCT, WHETHER BASED UPON NEGLIGENCE, TORT, STRICT LIABILITY, OR CONTRACT.
Some states do not allow the exclusion or limitation of incidental or consequential damages, so the above exclusion or limitation may not apply to you. This warranty gives you specific legal rights, and you may also have other rights which vary from state to state.
Contact Marley Engineered Products in Bennettsville, SC, at 1-800-642-4328. Merchandise returned to the factory must be accompanied by a return authorization and service identification tag, both available from Marley Engineered Products. When requesting return authorization, include all catalog numbers shown on the products.
HOW TO OBTAIN WARRANTY SERVICE AND
WARRANTY PARTS PLUS GENERAL INFORMATION
- Warranty Service or Parts
- Purchase Replacement Parts
- General Product Information
1-800-642-4328
1-800-654-3545
www.marleymep.com
Note: When obtaining service always have the following:
- Model number of the product
- Date of manufacture
- Part number or description
Notes…………….
470 Beauty Spot Rd. East
Bennettsville, SC 29512 USA
Figure 3a. Wiring Connections for Single-Phase and Three -Phase Power (MUH0521, MUH0581, MUH072, MUH078, MUH102 and MUH108)
Figure 3b. Wiring Connections for Single-Phase and Three -Phase Power (MUH158)
















