
Pacific
One-Way Switch, Illuminated
User Manual
SCREW TERMINAL – WIRING
Strip the wire (1) for 8-9 mm so that the conductor part does not remain exposed and insert the conductor part to the cable connection slot (2) by loosening the cable connection screw and nut (3). After the wire is placed into the cable connection slot (2), tighten the screw and nut (3) to complete the wiring. By rotating the wire, ensure that it’s securely inserted in its place. Drilling and opening bleed port (7) specified as” OPEN HERE “and show with”←” mark with a sharp object for whatsoever is important to discharge the water inside of the case. Insert connection cables into the connection points (4,5,6).

- Wire
- Cable Connection Slot
- Cable Connection Screw and Nut
- Lower Case Wire Connection Point
- Upper Seal Wire Connection Point
- Lower Seal Wire Connection Point
- Bleed Port(OPEN HERE)
SCREWLESS TERMINAL- WIRING
Strip the wire (1) for 11 mm so that the conductor part to the terminal slot (2) by pushing terminal press fitting (3). After the wire is placed into terminal slot (2), release the terminal press fitting (3) to complete the wire assembly. By rotating the wire, ensure that it’s securely inserted in its place. Drilling and opening bleed port (7) specified as “OPEN HERE” and shown with “.← ” mark with a sharp object for whatsoever is important to discharge the water inside of the case. Insert connection cables into the connection points (4,5,6).

| 1- Wire 2- Terminal Slot 3- Terminal Press Fitting 4- Lower Case Wire Connection Point | 5- Upper Seal Wire Connection Point 6- Lower Seal Wire Connection Point 7- Bleed Port (OPEN HERE) |
INSTALLATION
Pull and remove switch cover (1). Ensure that fixing screws (2) are loosened and pull and remove the upper case (3) from the lower case (6). According to the input of the wire to be used, select and remove the suitable seal (4).Place the wire by pressing to the point specified on the seal (4). Place the lower case (6) to the holes bored for the assembly of the product on the wall and mount through screw, Label kit sold externally can be inserted into its place by removing the label window for unlabeled products.

| 1- Switch Cover 2- Mounting Screws 3- Upper Case | 4- Seals 5- Module 6- Lower Case |
TECHNICAL SPECIFICATIONS
- 10 AX, 250 V ~ , (For 10A; Rated LED/CFL Lamp load is 100W.)
- Screw Terminal / Quick Connection
- IP54 protection class
Copper wire sections used for socket connections according to the relevant standards.
| Rated current | Nominal section | Biggest conductor diameter | Biggest flexible conductor diameter |
| 10A | 1 mm2 – 2,5 MM2 | 2,13 mm | 2,21 mm |
- Opportunity to attach label according to usage need.
- Availability with wires in three different dimensions through patented seal allowing wire entry from the closest point of the wall without bending
- Seals with duplicate injection wrapping the wire with impermeability suitable for single and multiple wire entries that allow assembly by only pressing the wire
- IP 54 feature is provided when the socket cover is closed.
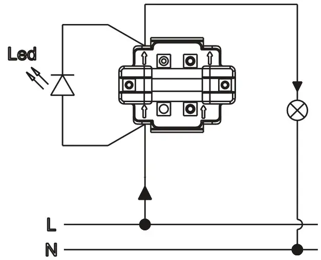
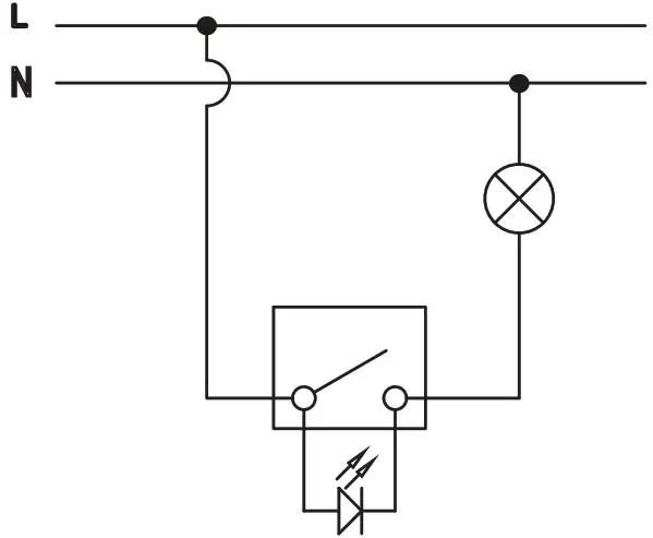
OPERATING PRINCIPLE
Controls a lamp or a lamp group from a point.
CONNECTION DIAGRAM

CIRCUIT DIAGRAM

WARRANTY CONDITIONS
- Warranty period starts as of the delivery date of the product and it is 2 years.
- Warranty covers the malfunctions likely to occur due to the manufacturing defects of the product and within the warranty period.
- The product including all of its parts is under warranty as a whole. If the product turns out to be defective, the consumer can use one of the following rights stipulated in Article 11 of Consumer Protection Law no. 6502;
a- Withdrawal from the contract
b- Demanding discount from sales fee
c- Demanding free repair, free from defects.
d- Demanding the replacement of the sold one with a fungible one - In case the consumer chooses the right of free repair among those rights; the dealer is obliged to repair the product or have the product repaired without claiming any fee under the name of replaced part fee, labor cost or for any other reasons. The consumer can also use the right of free repair against the manufacturer or exporter. The dealer, manufacturer and exporter are jointly and severally liable for the usage of this right by the consumer.
- In case the consumer uses the right of free repair and if the product
– fails within the warranty period again and
– the maximum period required for the repair is exceeded and
– Authorized service station, dealer, manufacturer or exporter state that it’s not possible to repair the product in a report, the consumer can demand the return of the product fee, fee discount at the ratio of the defect or the replacement with the one free of defects, if possible, from the dealer.
The dealer can not reject the demand of the consumer. In case this demand is not met, the dealer, manufacturer and exporter shall jointly and severally be held responsible. - The repair period of the product can not exceed 20 business days. This period starts on the notification of the failure on the product to the authorized service station or the dealer within the warranty period and from the date of delivery of the product to the authorized service station out of warranty period. In case of not eliminating the product malfunction within 10 business days, manufacturer or importer is obliged to dedicate another product with similar characteristics to the use of the consumer until the completion of the product repair. In case the product fails within the warranty period, elapsed time is added to the warranty period.
- Usage of the product contrary to the rules stipulated in user’s manual, operating out of determined voltage, current and environmental conditions, damage on the cable connection due to the user’s fault and failure of the product due to the facts arising from the fire, flood, earthquake, lightning and similar disasters are not under warranty.
- The consumer can apply to the arbitration committee for consumers or the consumer court where the consumer operations are made or in the residential area for the disputes to be occurred regarding the usage of the rights arising from the warranty.
- In case the dealer doesn’t provide this certificate of warranty, the consumer can apply to the General Directorate of Consumer Protection and Market Surveillance of Ministry of Customs and Trade”
WARNING
- Ensure that the power is cut off before the assembly of the products .
Connection and assembly of the electrical devices should be carried out only by the technical personnel having certificate of competency.- No responsibility is assumed for the entire of the malfunction, accident and loss arising from the assembly or interference of the persons not having the competency certificate.
- Use dry or slightly damp cloth to clean the buttons, cover and frame of the product. Never use alcohol, cologne, detergent or other similar chemicals for cleaning. Do not perform wet cleaning do not contact the product with water when the product is energized.
- In case the surface to which the product is connected is dyed, store the product by removing its cover and the frames.
- Keep the product away from the damp or wet environment during the transportation and shipping.
Panasonic and Environment
As Panasonic, we are aware of the contribution of a balanced relation established between human and nature to the sustainable life. Thanks to our continuous innovation and R&D studies, we prefer materials and technologies that are not affecting the environment in a negative way during the production and usage of the products starting from the designing phase. We take necessary measures to use energy and natural sources in a more efficient way.
This symbol indicates separate collection od waste electrical and electronic equipment.
Panasonic Customer Relations
Dear Customer,
We believe in providing quality service to your as well as offering quality products.
Therefore, you can call 444 8 456 to reach Panasonic customer relations for support regarding the products you purchased.

Panasonic Life Solutions Elektrik San.ve Tic. A.S.
Abdurrahmangazi Mah. Ebubekir Cad. No: 44 34887 Sancaktepe / Istanbul / Turkey
T: 0(216) 564 55 55 F: 0(216) 564 55 44
HOTLINE
444 8456
viko.panasonic.com



















