newform NFR69771 Wall-Mounted Bath Group Instruction Manual
WARNINGS FOR THE USE AND MAINTENANCE
- This manual is an integral part of the product.
- Keep it in good conditions and at hand throughout product’s life.
- We recommend reading carefully this manual and all the instructions contained before using and installing the product.
- The installation should be made by qualified staff in compliance with regulations in force.
- As concerns the built-in items, test the system (inlets/ outlets) before completing the external covering.
- The manufacturer is not liable in case of use of the product with purposes other than those provided for.
- Do not leave the residues of the packaging in the home environment.
- Do not hinder the water flow.
- Totally avoid using metallic or abrasive sponges and detergents or abrasive products in order not to damage the surfaces.
- Especially with new installations, in order to prevent impurities or debris penetrating into the tap and causing working problems, purge the system before activating the mixer.
- Clean only with water and soap. Carefully rinse and dry with a soft cloth.
- In order to maintain the mixer and its cartridge in the best and long-lasting conditions, we suggest to fit under-top valves with filter.
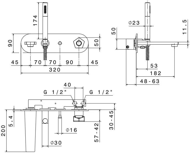
REFERENCES

INSTALLATION PROCEDURE

Mixer fastening and connection.
Install the mixer be sure that the concealed part is perfectly lined up and parallel to the wall.

Mixer fastening and connection.
Tile paying attention to guarantee system safety shutting water off. Remove the protections as shown in the picture.
Respect the embedding limits in reference to the external wall facing line

Fastening external parts.
Install the decor plate (1) by interposing the sponges (2) and inserting the spout into the wall fitting. Screw the connection (3), insert the wall union (4) and fixin everything with the screw (5). Then screw the diverter button (6). Finally mount the handle to the cartridge (7) fixing it with the hexagon screw (8) and placing on its cover (9).
MAINTENANCE

CARTRIDGE REPLACEMENT
Remove the plug (1), unscrew the fastening screw (2) and remove the handle (3). Unscrew the fastening ring nut (4) and remove the cartridge (5).
AERATOR FILTER CLEANING
Unscrew the aerator filter (6) and blow into it to remove any dirt residues. We recommend cleaning after the first use and periodically repeating this operation in order to avoid flow rate reductions.
MAINTENANCE
In addition we recommend cleaning the taps exclusively with water and soap, avoiding using abrasive detergents (in powder or liquid), abrasive sponges or other products containing alcohol, acids or other aggressive substances. Newform s.p.a. will not respond to any damages caused by failure to observe the above rules.
SPARE PARTS

| 1 | 29571 |
| 2 | 10698 |
| 3 | 11902 |
| 4 | 16951 |
| 5 | 14720 |
| 6 | 10403 |
| 7 | 27578 |
| 8 | 24522 |
| 8.1 | 10698 |
| 8.2 | 10604 |
| 9 | 22248 |
| 10 | 38 |
| 11 | 13302 |
| 12 | 10972 |
| 13 | 23129 |
| 14 | 355 |
| 15 | 25025 |
| 16 | 17322 |
FLOW RATES
| bar | l/min |
| 0 | 0 |
| 1 | 8,95 |
| 2 | 12,60 |
| 3 | 15,41 |
| 4 | 17,79 |
| 5 | 19,91 |

| bar | l/min |
| 0 | 0 |
| 1 | 7,45 |
| 2 | 10,62 |
| 3 | 13,07 |
| 4 | 15,19 |
| 5 | 17,11 |

PACKAGING DISPOSAL

DISPOSAL OF THE EOL COMPONENTS
NEWFORM S.p.A.
via Marconi, 25/A – Frazione Vintebbio – 13037 Serravalle Sesia – (VC) Italy
Tel. +39/0163452011 (r.a.) www.newform.it [email protected]














