Humidex UNS & HDS
Installation & Owner’s Manual
UNS-103 UNS and HDS
This Manual Covers the Following Models
UNS-103 → Crawl Space
UNS-105 → Pony Wall
UNS-209 → Basement
HDS-103 → Heavy Duty Crawl Space
HDS-209 → Heavy Duty Basement
Service and Warranty
For Customer Assistance
To aid in answering questions if you call for service or warranty purposes, please record below the model and serial number located on the side of the unit.
Product Name:
Model #:
Date of Manufacturing:
Date of Purchase:
Serial #:
Dealer Name (If Any):
Please Note the above information before contacting us.
For the Following Inquiries:
– Service
– Parts
– Accessories
– Additional Customer Information
Please contact us by:
Phone: 1-888-533-1348
Email: [email protected]
Website: www.humidex.com
IMPORTANT
To properly validate your warranty, you must fill out and return the warranty card as soon as possible. If your unit is not registered, a proof of purchase will be necessary should it require any services. You can also register your warranty online http://www.clairitech.com/register.
Consumer Limited Warranty
ClairiTech Innovations Inc. warrants to the first consumer that this product, when shipped in its original container, will be free from defective workmanship and materials, and agrees that it will, at its discretion, either repair the defect or replace the defective Product or part thereof with a new or remanufactured equivalent at no charge to the purchaser for the period(s) set forth below. The defective part must be returned to the manufacturer ClairiTech Innovations Inc. All transportation charges are the sole responsibility of the purchaser.
This warranty does not apply to any appearance items of the product nor to the additional excluded item(s) set forth below of which have been damaged, defaced, subjected to improper voltage, abnormal service or handling, or which has been altered or modified in design or construction. In order to enforce the rights under this limited warranty, the purchaser must fill out and return the warranty card as soon as possible. If your unit is not registered, a proof of purchase will be necessary should it require any services.
Neither the sales personnel of the seller nor any other person is authorized to make any warranties other than those described herein, or to extend the duration of any warranties beyond the time period described herein on behalf of ClairiTech Innovations Inc.
The warranties described herein shall be the sole and exclusive warranties granted by ClairiTech and shall be the sole and exclusive remedy available to the purchaser. Correction of defects, in the manner and for the period of time described herein, shall constitute complete fulfillment of all liabilities and responsibilities of ClairiTech to the purchaser with respect to the Product, and shall constitute full satisfaction of all claims, whether based on contract, negligence, and strict liability or otherwise. In no event shall ClairiTech be liable, or in any way responsible, for any damages or defects in the Product which were caused by repairs or attempted repairs performed by anyone other than an authorized servicer, unless approved by ClairiTech in writing. Nor shall ClairiTech be liable or in any way responsible for any incidental or consequential economic or property damage.
| Warranty Period for this product: | Ten (10) year on parts from date of purchase. |
| Additional Items Excluded from Warranty Coverage (If Any): | Appearance items of the product, Exterior vent and any printed material. |
| Where to obtain service: | From the Manufacturer. Refer to Page 2 for Contact Information |
This warranty is non-transferable and applies to residential use only.
To obtain supply, accessory or product information, contact us.
Refer to Page 2 for Contact Information.
Pre-Installation
Included Components
Before installing your Humidex, make sure that you have the right model and accessories. The following items should be included in the accessory box. If parts are missing, contact our customer service at US 1-888-533-1348, Can. 1-800-416-9111.
| 1x Owner’s Manual | 1x Cover Plate | 6x #8 x 9/16” Screws |
| 1x Warranty Card | 2x Cable Ties | 4x #8 x 1¼” Truss Screws |
| 1pc. Aluminum Tape | 1x Vinyl Flex 6” x 24” | **2x 4” x 12” Toe Space Grill |
| 1x Exhaust Vent 6” | 4x #8 x 2” Screws | |
| 1x Checklist | 4x Plastic Anchors |
** Only included with UNS-103 and HDS-103 Models
Additional grilles for replenishment air and interior rooms not included.
Tools Required for Installation
– Electric reciprocal or hole saw 6¼”
– Drill with a ¼” concrete bit
– Phillips or Robinson Screw Driver
– Measuring Tape
– Hammer
– Pencil
For concrete, cinderblock or brick installation, use a hammer drill with chiseling ability ½” x 16” long and a chisel bit 1” thick.
Key Installation Facts
- Unit must be installed at floor level – approximately 3” off the floor.
- Replenishment air has to flow from upstairs into the basement or crawlspace. Open doors that can be closed are not a substitute for a properly installed vent.
- Unit should be installed as far away as possible from the source of replenishment air.
- Outside duct must be no less than 6” and dedicated for the Humidex unit only.
- Maximum circulation is required to draw in air from all parts of the basement.
- Unit should not be installed within 8 feet of combustion appliance.
IMPORTANT – What Not to Do
- DO NOT install the unit more than approx. 3 inches off the floor.
- DO NOT make more than one turn with the duct and the ductwork should not be longer than 3 feet in total, unless rigid ducting is used – see Ducting, Page 6.
- DO NOT crush the vinyl Pipe.
- DO NOT install the unit next to a replenishment air supply.
Warning!!!
Combustion Appliance Present in Dwelling Read this Section Carefully
With the presence of appliances evacuating air outside the building envelope (such as range hood, bathroom fan, dryer, Humidex, etc.) a negative pressure could be created inside the building. As the pressure inside the building gets lower than the barometric pressure outside, the smoke and gases from any combustion appliance (oil furnace, gas/wood stove, fireplace, etc.) may be drawn into the building rather than go out the chimney.
This problem is usually curable by setting the controls of exhaust appliances, including the Humidex at less than maximum speed during the heating season (Note: when humidity conditions in the home are below the humidity setting on the Humidex, as they usually are during the heating season, the Humidex operates at approx. 25% of the capacity of a standard bathroom fan), or by introducing make-up air inside the building. A fresh air kit (Air Supply Ventilator) is available from your Humidex dealer, to help relieve the effects of negative air pressure in the building.
Ideal location of the Unit
– Air drawn in by Humidex pulls moisture off the surface floors and walls. To maximize the effectiveness;
A) Install unit in dampest, coolest and lowest part of basement.
B) If possible, without hindering point “A”, install the Humidex as far away as possible from the source of replenishment air (i.e. stairwell) from upstairs or from replenishment air grill in crawl space area. This will allow for the unit to draw in the maximum moisture across the greatest surface distance before the upstairs replenishment air is pulled into the unit.
– Keep away from sources of excess heat (i.e. furnace room).
– Unit must be installed all the way down to floor level, in order to draw in the moisture. It should be approx. 3” and must not be higher than a max of 6 inches off floor level.
– Keep at least 8 feet away from furnace or combustion appliance, to avoid interfering with airflow.
– The area (not less than 4 ft.) around the unit should be clear to allow the air to be pulled into the vents.
Replenishment air to Basement from Upstairs
The damp air exhausted by the Humidex must be replaced by the warmer/drier air from the upper levels. If there is no open stairwell, the airflow is restricted from coming down; then install a passive return grille with 100 sq. inches either in the door, in the wall, or in the floor to allow unobstructed air downstairs.
When the flow is limited or inaccessible between rooms downstairs (if there are walls or partitions), then install a grille 8” x 10” (or other grill configuration, having total area of not less than 80 sq. in.) in the bottom of the door or wall to avoid having stagnant air in those areas. Otherwise interior doors must remain open. This insures that all the air drawn into the Humidex comes from all areas of the basement.
In the initial period after installation, before the Humidex has had time to dry out the basement, and when the air outside is hot and humid; keep the basement/crawlspace doors, windows and vents closed to the outside. This will assure that the air is replenished with the air from upstairs and not with the humid air from outside. Generally, for improved performance, it is best to keep all exterior basement/crawlspace doors, windows and vents closed at all times.
Please check to make sure there are no openings/leaks around windows, doors, vents or other places, where outside humid air can enter the basement/crawlspace. Make sure that A/C Ducts are properly sealed and that all A/C Leads to the basement are closed. Sump Pumps holes should be properly covered.
Note: When a Mechanical Booster Fan is used to provide replenishment air, the unit should have a max capacity of 150 CFM.
The replenishment air area must have a minimum size of 100 sq.in.
Ducting
Unit comes in two sections that allow for flexibility in positioning the duct at the most convenient height. You can duct from the back of the unit, or from the top of the unit by removing the top cover. Duct can go through an outside wall, the floor joist or window. Duct should be vented above ground level to the outside or below ground into a window well that is open and not sealed off to the outdoors. The outside louver should be high enough to avoid infiltration of snow, flooding and rodents, etc. All necessary parts and outside louvers are included.
In cases where the basement height clearance is too low, the top portion of the bottom section can be cut down by a maximum of 40 inches with a cutter, leaving the vents at the bottom intact, for a total minimum unit height of 62 inches. For extra high ceilings, an extension piece of 24 inches is available which can be added at the top of the unit.
When ducting the unit outside, no more than 3 feet of Vinyl Flex should be used. When circumstances are that a longer span is required, rigid ducting can be used from the inside of the unit to the wall. The rigid duct will improve the airflow to compensate for the additional distance the air has to flow to reach the outside.
When replacing a pane for a window installation, use pressurized wood or similar water/rot proof material.
Make sure that no pipes, studs or wires are in the way.
Duct has to be dedicated and not combined with any other existing ductwork in operation. Seal well around the outside opening.
Installation
Factors to consider
Following is a description of how to install the Humidex unit.
The installation must be done in the basement or the lowest, dampest, coldest level of your dwelling. Try to find an outside wall to accommodate a 6¼” exit to the exterior of the house where no electrical wires or pipes are present Minimum distance to any source of heat should be 8 feet. Make sure that you do not install the unit in a boiler room.
Also maximize the distance between the unit and the source of replenishment air (example: stairwell or openings to upper level).
For Interior Wall Installation: The distance between the Humidex back and the exterior wall should not be more than 12 feet. For this application the flex has to be replaced with rigid piping.
Optional: The bottom cap may be removed for added airflow.
Selecting the Duct Location
Now that you’ve decided where to install the unit, you must select a location for a 6¼” duct hole in the outside wall. This hole is needed to pass a duct through the outside wall. Make sure that the hole’s location is above ground level. Also make sure that the hole doesn’t line up with a stud, electrical wires, or pipe. For models UNS-209 and HDS-209, which are adjustable in height, the hole is in the box/rim joist between the floor joists of the basement ceiling, or through the wall.
Preparing the Humidex for Installation
Measure the required Unit height. Remember that the units cannot be higher than 3” to 6” off the ground. This is crucial for 103 and 105 models as they are not adjustable in height like the 209 model is. (103 Models can allow for up to 12”)
From the inside, drill a pilot hole of approximately ¼” at the center of the proposed 6¼” hole.
Outside the building, find the pilot hole. Using a hole-saw, with the pilot hole as a guide, drill a 6¼” hole.
Brick or Concrete Wall: There are two ways of going through brick or concrete. The first method consists of using a hammer drill. Make holes (approximately 5/8”) with the hammer drill 1” apart through the brick in a circular shape outlining the 6 ¼” hole. Finish cutting the outer edge of the hole using a chisel. If a hammer drill is not available, a chisel can be used. As brick is brittle chiseling from the center of the pilot hole will chip the brick easily. Continue chiseling until you reach the outer edge of the 6 ¼” hole.
For 209 Models: Join the 2 halves (bottom section must fit inside the top section). Overlap the two pieces until the desired height is obtained. Secure the 2 halves with 9/16” screws. If necessary, Use the cover plate to close the gap. Using aluminum or duct tape, seal the seam in the back where the 2 halves join together.
Note: If the unit has to be shorter than 86.5”, cut the top of the bottom part.
Attaching the Flex, Pipe and Vent
Attach the flex to the vent with the provided screws. From the outside, push the flex through the 6 ¼” hole.
Make sure the vent is not twisted by inserting the screws too tight and that the flaps are working properly. Attach the vent to the outside wall with the provided screws
From the inside measure the distance between the elbow and the flex. Cut off the excess flex. If this is not done, the efficiency of the unit will diminish drastically.
Fasten Unit to the Wall
Now that the flex is tight, it can be attached to the elbow with the tie wrap. Flex should not be kinked in any way.
Leaving a 1-inch gap between the top of the unit and the ceiling (In case of a finished ceiling, leave a 1/8-inch gap between the top of the unit and the ceiling avoiding any contact between the two) drill ¼” pilot holes through the lips of the unit and the wall.
Apply the four plastics anchors on the wall with the help of a hammer. Securethe Humidex to the wall using the four 1¼ inch screws provided.
Once the unit is properly installed, return outside, apply exterior caulking, to the vent, to act as a weather seal.
NOTE: If high winds are often present in the location of the vent, they may cause a wind noise inside the house. If this is the case, an anti-gust hood (AGH-990) is available from your Humidex dealer.
Plug the unit into any 115V outlet.
Note: A grounded extension cord with a maximum length of 10 feet may be used if necessary.
Unit Operations
How a Humidex Work
Humidex is a mechanical ventilation appliance installed in the lowest level of a home, (basement or crawlspace), engineered to expel moisture-laden air that stagnates due to poor air circulation. Cool, moist air will gravitate to the lowest point of the home, which is the basement in a multi-level home and where it can condense on the cooler floor/wall surfaces. The lack of proper ventilation in the basement creates an environment where the damp air will stagnate and emit odors, nurture the development of molds, mildew and saturate into the structure, i.e. walls, floors, frame works, drywall, as well as contents.
A quiet powerful fan in the unit draws the moist surface air in through the bottom vents and then expels it out of the house through a 6 inch duct. The expelled air is replaced with a flow of fresh, dry, warmer replenishment air drawn downward from the upper level, which raises the temperature and lowers the relative humidity. The humidistat control in the unit measures the relative humidity of the air flowing out. When the humidity drops to below the set level, the unit will decrease the flow of air to a minimum.
The air flow will draw in the surface moisture and effectively “dry out” the structure. This decreases mildew and mold activity by not allowing the moist air to stagnate and nurture their growth.
In the summer, with air conditioning running the replenishment air is dehumidified which will assist in lowering the relative humidity and in the drying out process.
When there is no air conditioning, the air upstairs is warmer and will raise the dew point downstairs as it eventually warms the basement to reduce condensation.
In the winter, the air upstairs flows downstairs, this is then replaced by dryer outside air, thus reducing window condensation and lowering the humidity upstairs. The warmer replenishment air will raise the downstairs temperature. The heat in the house accompanied with the dry air (Dryer air requires less energy to heat) will result in the Humidex working at a low speed; enough to maintain a minimal airflow with minimal energy costs.
The air that flows downstairs is replaced with air that seeps into the house through openings or building air leakage. The direct effect of the air being expelled and the flow of the air downstairs create an air exchange in the house several times a day, expelling gases, toxins and contaminants trapped in the air and providing fresh clean air necessary for good indoor air quality.
In this manner, Humidex helps control the relative humidity level in the home, reduces moisture related problems and provides recommended air exchanges for a healthy, drier home environment.
Vacant Homes
Performance results are maximized when the building is occupied. If home is vacant for a prolonged period of time, then the unit should be set to operate at low speed. A fresh air intake supply is recommended via a small opening in a window upstairs or a supply vent such as the ASV-90.
The Control Panel
– The switch will allow you to vary the rate of airflow.
– The Knob allows you to select the desired humidity.
By default, you should set the fan speed on High and set the humidity control at the desired level, usually around 50%.
Note: For winter operation if there is still condensation on the windows when the humidity drops below 50%, lower the humidity control by a few percent (45-47%).
Make sure not to set it too low to ensure a healthy home since some people will be affected by dry conditions.
New Installations in the Summer
The late spring and early/mid-summertime temperature in most basements remains at approximately 59° to 66° F (15° to 19° C) whereas the air entering the basement from the upstairs of the house will generally be in the range of 75° to 85° F (24° to 29° C) with a relative humidity of 70 to 75%. This air will have a dew point (the temperature of surfaces on which it will condense, including basement surfaces) in the range of 64° to 76° F (18° to 24°).
When a Humidex is installed in these conditions, condensation may result, as the air from the upstairs comes in contact with cold surfaces (i.e. concrete walls, floors, etc.). The Humidex ventilation effect will over time increase the basement temperature and help prevent this condition, however, during the initial operating season; a small amount of heat may have to be added temporarily to the basement to increase its temperature. If this condition occurs also reduce speed exhaust to medium.
If air conditioner is present in the house, close all AC vents/leads/ducts to the basement.
COLD SURFACE FACTS – IMPORTANT
It is recommended that any exposed cold water pipes and A/C ducts should be insulated to reduce condensation on these cold surfaces before a humidex is installed.
Maintaining your Humidex
Do not store anything within a radius of 4 feet around the base of the Humidex.
Make sure the basement or crawlspace has adequate replenishment air from upstairs, from a location as far from the Humidex as possible.
The only maintenance needed for your Humidex is a periodic vacuuming of the dust accumulation at the intake grilles or louvers located at the bottom of the unit.
Most Common Issues
Mold, Mildew and Musty Smell
If mold or mildew is present prior to installing a Humidex, please have the contaminated area cleaned. Not doing so could cause the Humidex to spread that mold to other locations in the basement or crawlspace.
To avoid Mold, Mildew or Musty Smells:
– Follow the Recommendations on Page 12 (Concerning New Installations in the summer).
To ensure the proper functionality of the Humidex:
– Verify that the replenishment air is flowing from the upstairs to the downstairs.
– Increase ventilation in remote areas with a portable fan.
– Any exposed pipes and ducts should be insulated.
– Cinder block basement walls should be sealed with plastic vapor barrier or sealant.
– Dirt floor in crawl space or basement should be covered with vapor barrier.
– Sump pump should be equipped with a cover.
– Rainwater from the roof should be directed away from the basement or foundation.
– Landscaping should slope away from foundations.
– Insulating basement will reduce the condensation and also reduce the energy cost during heating season.
Do not attempt to service the Humidex yourself. If you are not sure about certain functions, please refer to page 2.
Specifications
Technical Data
| Model | Amps (A) | Watts (W) | Airflow (CFM) | Capacity (Sq.Ft.) |
| UNS-103 | 0.26 | 31 | 180 | 1800 |
| UNS-105 | 0.26 | 31 | 180 | 1500 |
| UNS-209 | 0.26 | 31 | 180 | 1500 |
| HDS-103 | 0.30 | 34 | 230 | 2400 |
| HDS-209 | 0.30 | 34 | 230 | 2100 |
All Units require a 115 VAC electrical outlet
Dimensions
| Model | Height* (In.) | Width (In.) | Depth (In.) |
| UNS-103 | 30.5” | 11” | 7.5” |
| UNS-105 | 48.5” | 11” | 7.5” |
| UNS-209 | 86.5” – 95” | 11” | 7.5” |
| HDS-103 | 30.5” | 11” | 7.5” |
| HDS-209 | 86.5” – 95” | 11” | 7.5” |
*A 24 Inch extension section is available if extra height is required
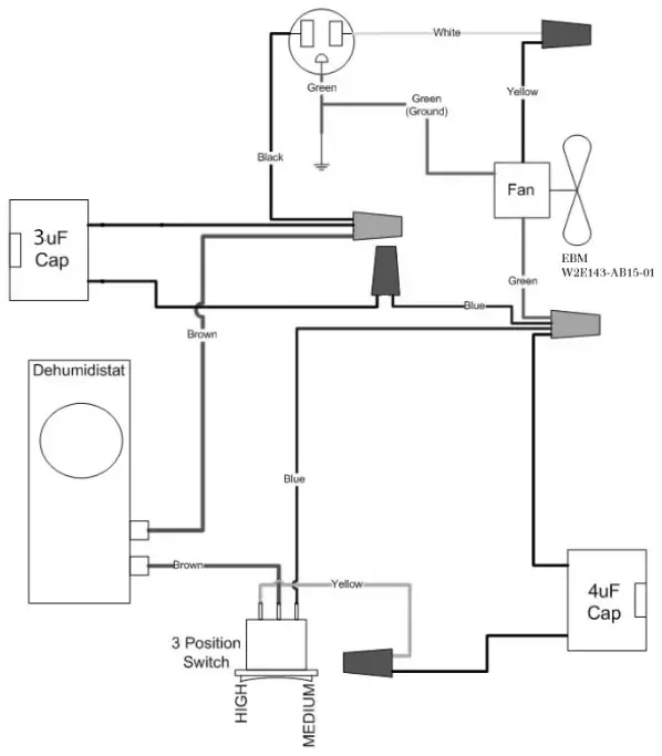
Schematic of Wiring
Follow the wiring schematic below when the fan and/or controls need to be serviced or replaced.
UNS-103UF, UNS-105UF & UNS-209UF
HDS-103S, HDS-209S
Return and Exchange Policy
Clairitech Innovations Inc. values its relationship with you and offers you the option to return most products you purchase directly from Clairitech Innovations Inc., as set forth in detail below.
Policy
Return period of 30 days for unused products and accessories:
Unless you have a separate agreement with Clairitech Innovations Inc., or subject to the provisions below, all equipment and accessories that have not been used, in new condition and in their original packaging may be returned to Clairitech Innovations Inc. within 30 days of the date of purchase for a refund of their purchase price, an equivalent credit note or the exchange of the product, less shipping and handling charges, resupply fee and applicable taxes, if already paid.
Return period of 15 days for defective or damaged products and accessories:
Requests for refund and/or exchange for defective or damaged merchandise can be made within 15 days of receipt of the merchandise. After 15 days, the manufacturer’s warranty applies.
Note: Any product returned to Clairitech Innovations Inc. without the prior permission of Clairitech Innovations Inc. will be considered an unauthorized return; the customer will not receive any refunds or credit notes for the product and Clairitech Innovations Inc. will not return the product to the customer.
Damaged products and accessories:
If you have received damaged items, please contact us by phone or email before destroying or discarding the product and/or packaging. Failure to comply could see your request denied.
Fees
Unless the product is defective or the return is a direct result of a Clairitech Innovations Inc., the refund or credit does not include any shipping and handling charges shown on your packing slip or invoice; you are responsible for those and for any damages incurred during the return shipment.
Procedure
- Before returning a product, you must first obtain a Return Authorization Number from Clairitech Innovations Inc. Customer Service before the end of the applicable return period. Proof of purchase will also be required.
To contact Clairitech Innovations Inc. Customer Service, please call 1-888-533-1348 or Email Us Any product returned to Clairitech Innovations Inc. without the prior approval of Clairitech Innovations Inc. will be considered an unauthorized return; the customer will not receive any credit or refund for the product and Clairitech Innovations Inc. will not return the product to the customer. - Pack the product in its original package
- Insert all the documents received concerning the order to be returned. Remember to keep a copy of all the documents provided.
- To obtain a full refund, the products must be returned in perfect condition, in their original packaging and with all documents, parts and accessories.
- The return costs must be prepaid; we will not accept deliveries paid at the reception.
- For your protection, we advise you to provide the shipping service
- Five days after the date of issue of the return authorization number Clairitech Innovations Inc.
Customer Service, you must send the product to the following address:
ClairiTech Innovations Inc.
1095 ch. Ohio Service Rd
Boudreau Ouest, New Brunswick
E4P 6N4 – Canada - Upon receipt of your authorized and compliant return, Clairitech Innovations Inc will issue a credit or refund equal to the purchase price paid, less shipping and handling charges, restocking charges and applicable taxes subject to this policy.
- For assistance please call 1-888-533-1348 or Email Us
- For any questions regarding warranty terms please call 1-888-533-1348 or Email Us
NO RETURNS ARE POSSIBLE AFTER 30 DAYS FOLLOWING THE DATE OF THE BILLING DATE. CLAIRITECH INNOVATIONS SHALL NOT BE LIABLE FOR, OR ANY CHARGE OF, A CONSUMER ORDER ERROR.
Manufactured by:
ClairiTech Innovations Inc.
1095 Ohio Rd.
Boudreau-Ouest, NB
Canada E4P 6N4



















