resideo SmartValve Installation Guide

APPLICATION
The SV9401/SV9402/SV9403, SV9501/SV9502/SV9503,
and SV9601/SV9602 SmartValve™ System Controls combine gas flow control and electronic intermittent pilot sequencing functions into a single unit. This product family offers several different intermittent pilot sequences for a wide range of applications. See Table 1 for specific sequences available. The Q3450 or Q3480 Intermittent Pilot hardware provides the low voltage ignition, flame sensor, and pilot burner. This system is suitable for application in a wide range of gas-fired appliances including furnaces, rooftop furnaces, boilers, unit heaters, infrared heaters, space heaters, water heaters, decorative appliances, and commercial cooking units. The specific application of the SmartValve System is the responsibility of the appliance manufacturer. See Table 2 for gas capacity and thread sizes.
SPECIFICATIONS
WARNING
Fire or Explosion Hazard. Can cause property
damage, severe injury, or death.
The SV9401/SV9402/SV9403; SV9501/SV9502/SV9503; SV9601/SV9602
provide direct replacement only. Use the Y8610 to convert standing pilot systems to electronic ignition systems
Ignition Sequences:
See Table 1 for available ignition sequences.
Body Pattern:
Straight through. See Table 2 for inlet and outlet specifications.
Capacity:
See Table 2 for available gas flow capacities.
Table 3 describes the acceptable ambient temperature range for the SV9X01, SV9X02, and SV9X03 SmartValves.
Table 1. Ignition Sequence Description.a
| Model | Type | Prepurge (sec) | Ignition Trial Timeb | Auto Reset Time |
| SV9401/SV9501/SV9601 | Continuous Retry | – | 90 seconds | 5 minutes |
| SV9402/SV9502/SV9602 | Continuous Retry | 15 or 30 seconds | 90 seconds | 5 minutes |
| SV9403/SV9503 | Single Trial with Lockout | – | 90 seconds | N/A |
a All times increase by approximately 20 percent when used at 50 Hz.
b Pilot flow stops at end of ignition trial unless pilot lights and proves.
Table 2. Capacity and Inlet and Outlet Specifications.
| Model | Size Inlet x Outlet (in.) | Capacity (at 1 in. wc pressure dropa) | Minimum Regulated Capacity | Maximum Regulated Capacity |
| SV9401/SV9402/ SV9403 | 1/2 x 1/2 NPT | 85 ft3/hr (2.3m3/hr) | 10 ft3/hr (0.4m3/hr)b | 120 ft3/hr (3.4m3/hr) |
| SV9501/SV9502/ SV9503 | 1/2 x 1/2 NPT | 150 ft3/hr (4.2m3/hr) | 20 ft3/hr (0.6m3/hr)c | 200 ft3/hr (5.7m3/hr) |
| SV9501 | 1/2 NPT x 1/2 inverted flare | 130 ft3/hr (3.7m3/hr) | 20 ft3/hr (0.6m3/hr)c | 180 ft3/hr (5.1m3/hr) |
| SV9601/SV9602d | 1/2 x 1/2 NPT | 240 ft3/hr (6.8m3/hr)e | 20 ft3/hr (0.6m3/hr)c | 340 ft3/hr (9.6m3/hr)e |
| 1/2 x 3/4 NPT | 270 ft3/hr (7.6m3/hr)e | 30 ft3/hr (0.8m3/hr) | 370 ft3/hr (10.5m3/hr)e | |
| 3/4 x 3/4 NPT | 300 ft3/hr (8.5m3/hr)e | 30 ft3/hr (0.8m3/hr) | 415 ft3/hr (11.8m3/hr)e |
a Capacity based on 1000 Btu/ft3, 0.64 specific gravity at 1 in. wc pressure drop (37.3 MJ/m3,0.64 specific gravity natural gas at 0.25 kPa pressure drop).
b Minimum regulation for LP gas is 15,000 Btuh.
c Minimum regulation for LP gas is 40,000 Btuh.
d Capacity is reduced by 5 percent with the use of optional outlet screen.
e Valves are guaranteed only at 77 percent of the rating.
Table 3. Model Number Suffix Letter Description.
| Model No. Suffix Letter | Ambient Temperature Range | Pressure Regulator Type |
| H | 0°F to 175°F (-18°C to +79°C) | Slow opening |
| M | -40°F to +175°F (-40°C to +79°C) | Standard opening |
| P | -40°F to +175oF (-40°C to +79°C) | Step opening |
| R | -40°F to +175°F (-40°C to +79°C) | Standard opening–convertible (Natural/LP) for mobile home application. |
Electrical Ratings:
System Transformer: 40 VA minimum NEMA-rated trans- former. Control systems using SV9601, SV9602, or other large secondary loads may require a larger transformer. Refer to the appliance manufacturer rec- ommendation.
Voltage and Frequency: 24 Vac, 50/60 Hz.
Current draw at 24 Vac: 24V Hot: 1.25A nominal (1.5A maximum) when igniter is powered. 24V Thermostat: See Table 4.
Electronic Fan Timer Output: 0.1A maximum at 24 Vac. Output is 8 Vac less than thermostat input voltage at 0.1A draw.
Table 4. Thermostat Current (Run Mode).
| Model | 24 Vac, 50/60 Hz |
| SV9401/SV9402/SV9403 | 0.20A/0.20A |
| SV9501/SV9502/SV9503 | 0.20A/0.20A |
| SV9601/SV9602 | 0.20A/0.20A |
Ignition Sequence Timing at 60 Hz Input
Prepurge Time (Factory-set on SV9402, SV9502, and SV9602):
15 or 30 seconds depending on model.
Trial for Ignition:
90 seconds.
Automatic Reset Time:
5 minutes.
NOTE: The SV9403 and SV9503 are lockout models and do not provide Automatic Reset Time.
Flame Failure Response Time:
- seconds maximum at 3
IMPORTANT
All timings increase by 20 percent with 50 Hz input.
Gas Conversion Kits:
See Table 5 for gas conversion kit information.
NOTE: See appliance manufacturer specifications and instructions and information in these installa- tion instructions before attempting to convert an appliance.
Pipe Adapters:
Angle and straight flange adapters available for 3/8-, 1/2- and 3/4-in. NPT pipe. See Table 6.
NOTE: Models with 3/4 in. inlet or outlet do not accom- modate the adapter kits.
Table 5. Available Gas Conversion Kits.
| Model No. Suffix Letter | Kit to Convert Natural Gas to LP | Kit to Convert LP to Natural Gas |
| H, M | 393691 | 394588 |
| P | Not field convertible | Not field convertible |
| R | Not required (convertible regulator) | Not required (convertible regulator) |
Table 6. Flange Adapter Part Numbers.
| Inlet/Outlet Pipe Size | Flange Type | Flange Kit Part No.a,b | |
| Without Hex Wrench | With Hex Wrench | ||
| 3/8 in. NPT | Straight | 393690-1 | 393690-11 |
| Elbow | 393690-2 | 393690-12 | |
| 1/2 in. NPT | Straight | 393690-6 | 393690-16 |
| Elbow | 390690-3 | 390690-13 | |
| 3/4 in. NPT | Straight | 393690-4 | 393690-14 |
| Elbow | 393690-5 | 393690-15 | |
a Flange kits include one flange, one O-ring, and four mounting screws.
b Do not use flanges on control models with 3/4 in. inlet or outlet. On models with 1/2 inlet and 3/4 in. outlet, use flanges only on the 1/2 in. inlet side.
Approvals:
International Approval Services (IAS): Design Certified C2030017.
PLANNING THE INSTALLATION
WARNING
Fire or Explosion Hazard. Can cause product
damage, severe injury, or death.
Follow these warnings exactly:
- Plan the installation as outlined
- Plan for frequent maintenance as described in the Maintenance
When intermittent pilot systems are used on central heating equipment in barns, greenhouses, and commercial properties and on heating appliances such as commercial cookers, agricultural equipment, industrial heating equipment and pool heaters, heavy demands are made on the controls. Special steps may be required to prevent nuisance shutdowns and control failure due to frequent cycling, severe environmental conditions related to moisture, corrosive chemicals, dust or excessive heat. These applications require Resideo Residential Thermal Solutions Engineering review; contact your Resideo Sales Representative for assistance.
Review the following conditions that can apply to your specific installation and take the precautionary steps suggested.
Frequent Cycling
This control is designed for use on appliances that typically cycle three to four times an hour only during the heating season. In year around applications and applications with greater cycling rates, the control can wear out more quickly. Perform a monthly checkout as described in this instruction manual.
Water or Steam Cleaning
If a control gets wet, replace it. If the appliance is likely to be cleaned with water or steam, protect (cover) the control and wiring from water or steam flow. Mount the control high enough above the bottom of the cabinet so it does not get wet during normal cleaning procedures.
High Humidity or Dripping Water
Dripping water can cause the control to fail. Never install an appliance where water can drip on the control. In addition, high ambient humidity can cause the control to corrode and fail. If the appliance is in a humid atmosphere, make sure air circulation around the control is adequate to prevent condensation. Also, regularly check out the system as described in this instruction manual.
Corrosive Chemicals
Corrosive chemicals can attack the control, eventually causing a failure. If chemicals are used for routine cleaning, avoid contact with the control. Where chemicals are suspended in air, as in some industrial or agricultural applications, protect the control in an enclosure.
Dust or Grease Accumulation
Heavy accumulations of dust or grease can cause the control to malfunction. Where dust or grease can be a problem, provide covers for the control to limit contamination.
Heat
Excessively high temperatures can damage the control.
Make sure the maximum ambienttemperature at the control does not exceed the control rating. If the appliance operates at very high temperatures, use insulation, shielding, and air circulation, as necessary, to protect the control. The appliance manufacturer should provide proper insulation or shielding; verify proper air circulation is maintained when the appliance is installed.
INSTALLATION
When Installing this Product…
- Read these instructions carefully. Failure to follow them could damage the product or cause a hazard- ous
- Check the ratings given in the instructions and on the product to make sure the product is suitable for your
- Installer must be a trained, experienced service
- After installation is complete, check out product operation as provided in these instructions.
WARNING
Fire or Explosion Hazard. Can cause product
damage, severe injury, or death.
Follow these warnings exactly:
- Disconnect power supply before wiring to prevent electrical shock or equipment
- To avoid dangerous accumulation of fuel gas, turn off gas supply at the appliance service valve before starting installation, and perform Gas Leak Test after completion of
- Do not bend pilot tubing at ignition system control or pilot burner after compression fitting is tightened, or gas leakage at the connection can
- Always install a sediment trap in gas supply line to prevent contamination of ignition system
CAUTION
Electrical Shock or Equipment Damage. Can
shock individuals or short equipment circuitry.
- Never apply a jumper across or short the thermostat, 24V hot or 24V common terminal in the SV9401/SV9402/SV9403, SV9501/ SV9502/SV9503, or SV9601/SV9602 wiring This can burn out the heat anticipator in the thermostat or damage the system transformer.
- Never short the electronic fan timer (EFT) This can damage the EFT drive circuitry.
IMPORTANT
These ignition system controls are shipped with protective seals over the inlet and outlet tap- pings. Do not remove the seals until ready to connect the piping.
Follow the appliance manufacturer instructions if available; otherwise, use these instructions as a guide.
Converting Ignition System Control from Natural Gas to LP Gas Application (or LP Gas to Natural Gas Application)
WARNING
Fire or Explosion Hazard. Can cause product
damage, severe injury, or death.
Follow these warnings exactly:
- Do NOT attempt to convert step-opening models (SV9401P/SV9402P/SV9403P, SV9501P/SV9502P/SV9503P, or SV9601P/ SV9602P).
- Always change the main and pilot burner orifices when converting from natural to LP gas or from LP to natural Follow appliance manufacturer specifications and instructions to assure proper appliance conversion.
- Ignition system controls are factory-set for natural (and manufactured) or LP gas. Do not attempt to use an ignition system control set for natural (manufactured) gas on LP gas, or an ignition system control set for LP gas on natural (manufactured)
Convertible (Natural/LP) Regulator for Mobile Home Applications
Ignition system controls with suffix letter R are convertible pressure regulator models. They can be converted from natural gas to LP or from LP to natural gas without a conversion kit.
Before converting the ignition control from one gas to another, check the ignition control label and the appliance manufacturer rating plate to determine if the factory-set pressure regulator setting meets the appliance manifold requirements after conversion.
NOTE: Convertible pressure regulator models (suffix letter R) do not have field-adjustable regulators.
If the factory pressure regulator setting meets the appliance manifold requirement, convert the ignition control using the following procedure:
- Remove the pressure regulator See Fig. 1.
- Turn over the cap so the letters facing up are for the gas type the appliance uses–NAT for natural gas and LP for LP
- Replace the cap and tighten
Install Adapters on Control
IMPORTANT
3/4 in. inlets and outlets do not accommodate flange adapters. If adapters are being installed on the control, mount them as follows:
Flanges
- Choose the appropriate flange for your application as listed in Table 5.
- Remove the seal over the ignition system control inlet or

Fig. 1. Convertible Regulator for SmartValves. - Make sure that the O-ring fits in the groove of the If the O-ring is not attached or missing, do not use the flange.
- With the O-ring facing the ignition system control, align the screw holes on the ignition system con- trol with the holes in the flange. Insert and tighten the screws provided with the flange. See Fig. 2. Tighten the screws to 25 inch-pounds of torque to provide a gas-tight seal.

DO NOT USE FLANGES ON 3/4 IN. INLET AND 3/4 IN. OUTLET MODELS, AND ON THE 3/4 IN. OUTLET SIDE OF 1/2 IN. INLET AND 3/4 IN. OUTLET MODELS.
Fig. 2. Firmly fasten flange to valve but do not overtighten screws.
Bushings
- Remove the seal over the ignition system control inlet or
- Apply a moderate amount of good quality pipe compound to the bushing, leaving two end threads On an LP installation, use compound resis- tant to LP gas. Do not use Teflon tape.
- Insert the bushing in the ignition system control and carefully thread the pipe into the bushing until
the installation includes the adapters and screws. If you use a wrench on the valve after the flanges are installed, use the wrench only on the flange, not on the control. See Fig. 6.
Location
The SV9401/SV9402/SV9403, SV9501/SV9502/SV9503, and SV9601/SV9602 are mounted in the appliance vestibule on the gas manifold.
IMPORTANT
Make sure the mounting location protects the control from dripping water and excessive humidity.
IMPORTANT
Make sure the mounting location maximum and minimum ambient temperature are both within the specified acceptable range.
Install Piping on Control
All piping must comply with local codes and ordinances or with the National Fuel Gas Code (ANSI Z223.1 NFPA No. 54), as applicable.
- Use new, properly reamed pipe free from If tubing is used, make sure the ends are square, deburred and clean. All tubing bends must be smooth and without deformation.
- Run pipe or tubing to the ignition system If tubing is used, obtain a tube-to-pipe coupling to connect the tubing to the ignition system control.
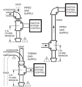
- Install a sediment trap in the supply line to the igni- tion system control as shown in 3.

CAUTION
GAS LEAKAGE HAZARD. FAILURE TO FOLLOW PRECAUTIONS CAN RESULT IN A GAS-FILLED WORK AREA. SHUT OFF THE MAIN GAS SUPPLY BEFORE REMOVING END CAP. TEST FOR GAS LEAKAGE WHEN INSTALLATION IS COMPLETE.
Fig. 3. Sediment trap installation.
Install Control
- This ignition system control can be mounted 0 to 90 degrees in any direction, including vertically, from the upright position of the ignition system control
- Mount the control so the gas flow is in the direction of the arrow on the bottom of the ignition system
- Thread the pipe the amount shown in Table 7 for maximum pipe insertion into ignition system control or adapters. Do not thread pipe too far. Valve distortion or malfunction can result if the pipe is inserted too deeply
- compound (do not use Teflon tape) only to the pipe, leaving two end threads bare as shown in Fig. 4. On LP installations, use a compound resistant to LP gas.
Table 7. NPT Pipe Thread Length (in.)
|
Pipe Size (Inches) | Thread Pipe this Amount (Inches) | Maximum Depth Pipe can be Inserted into Control (Inches) |
| 3/8 | 9/16 | 3/8 |
| 1/2 | 3/4 | 1/2 |
| 3/4 | 13/16 | 3/4 |
- Remove the seals over the ignition system control inlet and outlet, if
- Connect the pipe to the ignition system control inlet and Use a wrench on the square ends of the ignition system control. If a flange is used, place the wrench on the flange rather than on the ignition system control as shown in Fig. 5 and 6.

Connect Pilot Gas Tubing
- Cut tubing to the desired length and bend as nec- essary for routing to the pilot burner. Do not make sharp bends or deform the Do not bend the tubing at the ignition system control after the com- pression nut is tightened because this can result in gas leakage at the connection.
- Square off and remove burrs from the end of the
- Unscrew the brass compression fitting from the pilot outlet as shown in 6.
- Slip the fitting over the tubing and slide out of the way as shown in 7.
- Push the tubing into the pilot gas tapping on the outlet end of the control until it
- While holding the tubing all the way in, slide the fit- ting into place and engage the threads; then turn until finger
- Then tighten one more turn with a Do not overtighten.
- Connect the other end of the tubing to the pilot burner according to the instructions supplied with Q3450/Q3480.
NOTE: The pilot tubing provides the SmartValve Sys- tem flame sense current path. Make sure the connections are clean and tight for proper appli- ance operation.
Fig. 5. Proper use of wrench on ignition system control with and without flanges.

Wiring
Follow the wiring instructions furnished by the appliance manufacturer if available. Otherwise, use these instructions. Where these instructions differ from the appliance manufacturer, follow the appliance manufacturer’s instructions.
IMPORTANT
All wiring must comply with applicable electrical codes and ordinances.
- Check the power supply rating on the ignition system control and make sure it matches the available supply. The system transformer should be NEMArated for 40 VA or higher. An appliance system power review is recommended. Install a transformer, thermostat and other controls, as required.
- Connect control circuit to the ignition system control using the keyed plug connector. See Fig. 8 through 11.

Fig. 7. Always use new compression fitting.

Fig. 8. SV9401/SV9402/SV9403,
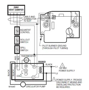
SV9501/SV9502/SV9503, SV9601/SV9602 basic wiring diagram.

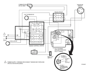
Fig. 9. SV9401/SV9402/SV9403, SV9501/SV9502/SV9503, SV9601/SV9602 typical wiring connections in fan assisted warm air furnace with electronic fan timer.
Fig. 10. SV9401/SV9402/SV9403, SV9501/SV9502/SV9503, SV9601/SV9602 typical wiring diagram in atmospheric boiler.

Fig. 11. SV9402, SV9502, SV9602 typical wiring connections in induced draft boiler application.
repair as necessary. If the pilot flame is hard and noisy the inlet gas pressure may be too high. The ignition system control has a pilot adjustment mechanism to reduce the pilot flow, if necessary. Use the following
procedure:
- Remove pilot adjustment cover screw. See Fig. 4.
• Pilot adjustment is shipped at full flow rate. - Turn the inner adjustment screw clockwise if the inlet pressure is too high.
• If the adjustment screw is used to reduce pilot flow rate, the pilot flame can become too small for reliable system operation if the system inlet pressure drops significantly. - Replace the cover screw after the adjustment to prevent gas leakage.

NOTE: GROUND ELECTRODE MUST NOT TOUCH FLAME ROD (.050 IN. MINIMUM CLEARANCE). BEND GROUND
ELECTRODE IF NECESSARY. DO NOT BEND FLAME ROD
Fig. 12. Proper flame adjustment.
Check and Adjust Gas Input and Burner Ignition
IMPORTANT
- Do not exceed input rating stamped on the appliance
- Do not exceed manufacturer’s recommended burner
- Make certain primary air supply to main burner is adjusted properly for complete
- Follow appliance manufacturer
Checking Gas Input by Clocking Gas Meter
IMPORTANT
- Make sure there is no gas flow through the meter except to the appliance being checked. Other appliances must remain off with their pilot lights extinguished. Otherwise, subtract that usage from the meter
- Convert the flow rate to Btuh as described in Gas Controls Handbook, form 70-2602.
- Compare actual Btuh to the input rate on the appliance
Checking Gas Input with Manometer
IMPORTANT
- Make sure the ignition system control is in the OFF position before removing outlet pressure tap plug to connect manometer (pressure gauge).
- Shut off gas supply at the manual valve in the gas piping to the appliance or, for LP, at the
- Move the ignition system control switch to the OFF position when removing the gauge and replacing the
- Remove inlet pressure tap
- Shut off gas
- Disconnect manometer and replace
- Repeat Gas Leak Test at plug with main burner
NOTE: Check the inlet pressure before adjusting the pressure regulator.
Standard (M) and Slow-Opening (H) Pressure Regulator Models
- Carefully check the main burner lightoff to make sure the burner lights smoothly and all the ports remain lit.
- Check the full rate manifold pressure listed on the appliance nameplate. The ignition system control full rate outlet pressure should match this
- With the main burner operating, check the ignition system control flow using the meter clocking method or check pressure using a manometer con- nected to the output pressure tap on the ignition system
- Adjust the pressure regulator (if necessary) to match the appliance See Table 8 for factory set nominal outlet pressure and adjustment range.
- Remove the pressure regulator adjustment cap
- Using a screwdriver, turn the inner adjustment screw clockwise to increase or counterclock- wise to decrease the gas pressure to the
- Replace the cap screw and tighten firmly to prevent gas
- If the desired outlet pressure or flow rate cannot be achieved by adjusting the ignition system control, check the ignition system control inlet pressure using a manometer at the inlet pressure tap of the ignition system control. If the inlet pressure is in the nominal range (Table 8), replace the ignition system control. Otherwise, take the necessary steps to provide proper gas pressure to the
NOTE: If the burner firing rate is above 85,000 Btuh on SV9401/SV9402/SV9403 or 150,000 Btuh for
SV9501/SV9502/SV9503 models (see Table 2 for SV9601/SV9602 capacities), it may not be possible to deliver the desired outlet pressure. This is an application issue, not a control failure. Take whatever steps are required to correct the situation.
Step-Opening (P) Pressure Regulator Models
Step-opening models require you to check and adjust the full-rate pressure first and then check the step pressure. The step pressure is not field-adjustable.
- Carefully check the main burner lightoff to make sure the burner lights smoothly and all the ports remain
- Check the manifold pressure listed on the appli- ance The ignition system control full rate outlet pressure should match this rating.
- With the main burner operating, check the ignition system control flow using the meter clocking method or check pressure using a manometer con- nected to the output pressure tap on the ignition system
- Adjust the pressure regulator (if necessary) to match the appliance See Table 8 for factory set nominal outlet pressure and adjustment range.
- Remove the pressure regulator adjustment cap
- Using a screwdriver, turn the inner adjustment screw clockwise to increase or counterclock- wise to decrease the gas pressure to the
- Replace the cap screw and tighten firmly to prevent gas
- If the desired outlet pressure or flow rate cannot be achieved by adjusting the ignition system control, check the ignition system control inlet pressure
using a manometer at the inlet pressure tap of the ignition system control. If the inlet pressure is in the nominal range (Table 8, replace the ignition system control. Otherwise, take the necessary steps to provide proper gas pressure to the control. - Carefully check the burner lightoff at step pressure to make sure the burner lights smoothly, without flashback to the Make sure all ports remain lit.
- Cycle the burner several times, allowing at least 60 seconds between cycles for the regulator to resume the step
- Repeat steps 6 and 7 after allowing the burner to
- Readjust the full rate outlet pressure (if necessary) to improve lightoff
Convertible (R) Models
Models with convertible (NAT/LP) regulators, used for mobile home applications, are not field-adjustable. Do not attempt to adjust outlet pressure on these controls. Use the instructions in this manual for changing between LP and natural gas.
Table 8. Pressure Regulator Specification Pressures in. wc (kPa).
|
Model Type | Type of Gas | Nominal Inlet Pressure Range | Factory Set Nominal Outlet Pressure | Setting Range | ||
| Step | Full Rate | Step | Full Rate | |||
| Standard Slow | NAT | 5.0-7.0 (1.2-1.7) | – | 3.5 (0.9) | – | 3-5 (0.7-1.2) |
| LP | 12.0-14.0 (2.9-3.9) | – | 10.0 (2.5) | – | 8-12 (2.0-3.0) | |
| Step | NAT | 5.0-7.0 (1.2-1.7) | 0.9 (0.2) | 3.5 (0.9) | None | 3-5 (0.7-1.2) |
| LP | 12.0-14.0 (2.9-3.9) | 2.2 (0.5) | 10.0 (2.5) | None | 8-12 (2.0-3.0) | |
| Convertible | NAT | 5.0-7.0 (1.2-1.7) | – | 3.5 (0.9) | None | None |
| LP | 12.0-14.0 (2.9-3.9) | – | 10.0 (2.5) | None | None | |
MAINTENANCE
WARNING
Fire or Explosion Hazard. Can cause property
damage, severe injury, or death.
Do not attempt to take the control apart or clean it. Improper cleaning or reassembly can cause gas leakage.
Regular preventive maintenance is important in applications such as in the commercial cooking and agricultural and industrial industries that place a heavy load on system controls because:
- In many such applications, particularly commercial cooking, the equipment operates 100,000 to 200,000 cycles per Such heavy cycling can wear out the gas control in one to two years.
- Exposure to water, dirt, chemicals and heat can damage the gas control and shut down the control
The maintenance program should include regular checkout of the control as outlined in the Startup and Checkout section, and the control system as described in the appliance manufacturer literature. Maintenance frequency must be determined individually for each application. Some considerations are: - Cycling Appliances that may cycle 20,000 times annually should be checked monthly.
- Intermittent Appliances that are used seasonally should be checked before shutdown and again before the next use.
- Consequence of unexpected shutdown. Where the cost of an unexpected shutdown would be high, the system should be checked more
- Dusty, wet, or corrosive environment. Because these environments can cause the gas control to deteriorate more rapidly, the system should be checked more
The system should be replaced if:
- It does not perform properly on checkout or
- The gas control is likely to have operated for more than 200,000
- The control is wet or looks as if it has been
SERVICE
CAUTION
Equipment Damage. Can cause property damage.
Do not disassemble the ignition system control; it contains no replaceable components. Attempted disassembly or repair can damage the ignition system control.
CAUTION
Electrical Equipment Damage Hazard.
Do not apply a jumper across or short the thermostat, 24V hot or 24V common terminal in the SV9401/SV9402/SV9403, SV9501/SV9502/
SV9503, or SV9601/SV9602 wiring harness. This can burn out the heat anticipator in the thermostat or damage the system transformer.
Carefully read the Sequence of Operation and Troubleshooting information before attempting to service the appliance. After servicing, make sure the system operates properly.
IMPORTANT
Allow 60 seconds after shutdown before reener- gizing a step-opening model to assure lightoff at step pressure.
SEQUENCE OF OPERATION
Fig. 13 shows the sequence of operation for this family of gas controls. When reviewing sequence of operation:
- Make sure the appliance is powered with the gas supply turned
- Make sure the ignition system control switch is in the ON
TROUBLESHOOTING
If Main Burner Will Not Come On With Call for Heat:
- Make sure the appliance has power and the gas supply is turned
- Make sure the ignition system control switch is in the ON position.
- Adjust the thermostat several degrees above room
- If the appliance does not light, check for proper ignition control system Use Fig. 13.
- If it appears the ignition control system is not working properly, use 14 as a troubleshooting guide.
IMPORTANT
- Proper troubleshooting requires measurement of voltage and resistance with a volt/ohm
- Use proper size probes and appropriate testing techniques to get good test information without damaging the control terminals, connectors, or wiring
Use the following basic troubleshooting procedure:
- Review this information carefully before going to the job
- Identify the specific ignition control model on the
- Make sure the Q3450/Q3480 HSI element is
- Make sure the ignition control switch (knob if SV9500) is in the ON position unless directed oth- erwise in the Troubleshooting flow
SV9X01/SV9X02/SV9X03 SmartValve™ FAMILY SEQUENCE OF OPERATION
- Make sure the appliance call for heat function pro- vides proper inputs to the ignition control through the 2X2 power
- Follow the Operating Sequence and Troubleshoot- ing flow charts 13 and Fig. 14 to determine if the ignition control system is defective.
NOTE: Most modern gas appliances have more than one component in the control string. Improper operation of any one component in the control string can cause the appliance to fail to operate. Use Fig. 14 to locate and correct the true source of the problem.

Fig. 14. SV9401/SV9402/SV9403, SV9501/SV9502/SV9503, SV9601/SV9602 SmartValve troubleshooting sequence.
INSTRUCTIONS TO THE HOMEOWNER
WARNING
Fire or Explosion Hazard. Can cause property
damage, severe injury, or death.
Follow these warnings exactly:
- Do not light the pilot flame
- Before lighting the pilot burner flame, smell around the appliance for gas. Be sure to smell next to the floor because LP gas is heavier than
WARNING
Fire or Explosion Hazard. Can cause property
damage, severe injury, or death.
If you smell gas:
- Turn off the gas supply at the appliance service On LP gas systems, turn off the gas supply at the gas tank.
- Do not light any appliances in the
- Do not touch electrical switches or use the
- Leave the building and use a neighbor’s phone to call your gas
- If you cannot reach your gas supplier, call the fire
The ignition system control must be replaced in event of any physical damage, tampering, bent terminals, missing or broken parts, stripped threads, or evidence of exposure to heat, water, or excessive moisture.
IMPORTANT
Follow the operating instructions provided by the manufacturer of your heating appliance. These instructions describe a typical ignition system control application, but the specific con- trols used and the procedures outlined by the manufacturer of your appliance can differ, requiring special instructions.
STOP: Read the Warnings Above.
The pilot flame is lit automatically. If the appliance does not turn on when the thermostat is set several degrees above room temperature, follow these instructions:
- Set the thermostat to its lowest setting to reset the safety
- Disconnect all electric power to the appliance.
- Remove the ignition system control access panel.
- Move the ignition system control switch to the OFF position.
- Wait five minutes to clear out any unburned gas. If you then smell gas, STOP! Follow the Warnings above. If you do not smell gas, continue with the next step.
- Move the ignition system control switch to the ON position.
- Replace the ignition system control access panel.
- Reconnect all electric power to the appliance.
- Set the thermostat to the desired setting.
- If the appliance does not turn on, move the ignition system control switch to the OFF position and contact a qualified service technician for assistance.
TURNING OFF THE APPLIANCE
Vacation Shutdown
Set the thermostat to the desired room temperature while you are away.
Complete Shutdown
Turn off power to the appliance. Turn off the gas supply to the appliance. Appliance will completely shut off.
Follow the procedure in the Instructions to the Homeowner section above to resume normal operation.

WARNING
























