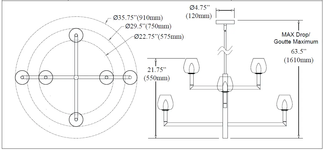
Dainolite NOR-326C-CLR Light Incandescent Aged Brass Chandelier

PARTS

POWER OFF

INSTALLATION INSTRUCTIONS




Warning/Attention
This product must be installed in accordance with the applicable installation code by a person familiar with the construction and operation of the product and the hazards involved.
DO NOT RETURN PRODUCT TO THE RETAILER.
For Warranty
Contact the factory directly in writing: Email [email protected]. Include a copy of your purchase invoice and describe the defect. A factory person will contact you directly to advise what further action will be taken.
For missing hardware or broken glass: Contact the factory directly in writing: Email [email protected]. The missing or broken parts will be shipped to you directly the same day after receipt of your email (weekend excluded).
CALIFORNIA PROPOSITION 65 WARNING WARNING: This may contain one or more chemicals known to the State of California to cause cancer and birth defects or other reproductive harm. Wash hands after handling.
CONTACTS
- 1401 Courtney Park Drive East, Mississauga, Ontario, Canada L5T 2E4
- Tel: (905) 564-1262
- Fax: (905) 564-1299
- Email: [email protected]
- Web: dainolite.ca




















