coolseer SML-02WB Wi-Fi+BLE 2CH Switch Module User Manual

MANUAL OVERRIDE
The switch module terminal reserves the access of manual override function for the end-user to switch on/off.
- Switch on/off for permanent on/off function.
Notes:
- Both the adjustment on App and switch can overwrite each other, the last adjustment remains in memory.
- The App control is synchronized with the manual switch.
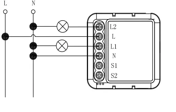
Wiring Instructions and Diagrams
- Turn off the power supply before carrying out any electrical installation work.
- Connect wires according to the wiring diagram.
- Insert the module into the junction box.
- Turn on the power supply and follow switch module configuration instructions.
Notes: Take your smartphone close to the switch module when you’re configuring, and make sure you have min. 50% Wi-Fi signal.
TECHNICAL SPECIFICATIONS

with mounting clip

Single Control

Without Switch

Global international operation Whenever & Wherever
You are,All-in-one Mobile App

Double Switch

INSTALLATION
Warnings:
- Installation must be carried out by a qualified electrician in accordance with local regulations.
- Keep the device out of reach of children.
- Keep the device away from water , damp or hot environment.
- Install the device away from strong signal sources such as microwave oven that may cause signal interruption resulted to abnormal operation of the device.
- Obstruction by concrete wall or metallic materials may reduce the effective operation range of the device and should be avoided.
- Do NOT attempt to disassemble, repair or modify the device.
FAQ
Q1: What should I do if I can’t configure the switch module?
a. Please check whether device is powered on.
b. Make sure your mobile and switch module are under the same 2.4 Ghz WIFI network.
c. Whether it’s in good internet conditions.
d. Make sure the password entered in App is correct.
e. Make sure the wiring is correct.
Q2: What device can be connected to this Wi-Fi switch module?
Q3: What happens if the WIFI goes off? Most of your household electrical appliances can be, such as lamps, laundry machine, coffe maker, etc.
You can still control the device connected the switch module with your traditional switch and once WIFI is active again the device connected to module will connect automatically to your WIFI network.
Q4: What should I do if I change the WIFI network or change the password?
You have to re-connect our Wi-Fi switch module to the new Wi-Fi network accordingly as per the App User Manual.
Q5: How do I reset the device?
Power on/off device for 5 times until the indicator light flash.
APP USER MANUAL
![]()
IOS APP / Android APP
- Scan the QR code to download Tuya Smart App, or you can also search keyword “Tuya Smart” at App Store or Googleplay to download App.

- Log in or register your account with your mobile number or e-mail address. Type in the verification code sent to your mobile or mail box, then set your login password. Click “Create Family” to enter into the APP.

- After the wiring of switch module is done, press the reset key for about 10 seconds or turn on/off the traditional switch for 5 times until the indicator light inside the module is flashing quickly for pairing.

- 1. Support multi-protocol matching : WIFI/Bluetooth.
2. Turn on Bluetooth, Click “+” , follow the on-screen instruction for paring.
- The connecting will take about 10-120 seconds to complete depending on your network condition.

- Finally, you can control the device via your mobile phone.

- Connect to amazon alexa or Google Assistant for voice control, or share the devices with your families or friends.

- Enjoy your smart life of home automation for lighting control by using our All-in-one mobile app wherever you are in the world or simply by voice control when you are sitting at home comfortably.


























