Honeywell RMA801 SmartLine Remote Indicator Assembly

Introduction
This document provides descriptions and procedures for the Quick Installation of Honeywell’s family of SmartLine Remote Indicator.
The SmartLine Remote Indicator is a configurable intelligent field device which functions as an output and status indicator for any HART and DE devices.
For full details refer to the manuals listed below for protocols, user Interface (HMI) operation, Installation, configuration, calibration, maintenance, parts, and safety and approvals etc. including options
Copyrights, Notices and Trademarks.
Copyright 2021 by Honeywell Revision 7, November 2021
Trademarks
SmartLine, RMA are U.S. registered trademarks of Honeywell Inc.
HART® is Trademarks of Field COMM Group™
Documentation
To access complete documentation, including language variants, scan the QR code below using your smart phone/device or QR code scanner.
Go to the APP store for your free Smartphone QR scanner
Or you can follow the URL to access the online SmartLine HUB page.
The HUB page will contain direct links to open SmartLine product documentation.
URL https://hwll.co/SmartLineHUB
QR Code
Features and Options
The RMA801 Remote Indicator provides a means of remote-mounting a indicator (display) that is associated with a Honeywell Smartline Transmitter or any transmitter operating in a 4-20 mA current loop.
The RMA801 is a DE/Analog Remote Indicator which can be connected anywhere along the current loop.
For analog PV, the RMA801 measures the loop current and displays the equivalent PV value on the display.
The RMA801 will auto configure when connected to Honeywell DE transmitters except SMV800/3000when a database upload is performed.
This document provides the information for a quick setup. For detailed information, please refer RMA801 user manual, 34-ST-25-62.
Figure 1: Electronics Housing Components
CAUTION
Temperature extremes can affect display quality. The display can go blank if the temperature is below -20°C or above 70°C; however, this is only a temporary condition. The display will again be readable when temperatures return to within operable limits.
The device shall be operated by a trained professional. It is the user/installer’s responsibility to install the indicator in accordance with national and local code requirements. Conduit entry plugs and adapters shall be suitable for the environment, shall be certified for the hazardous location when required and acceptable to the authority having jurisdiction for the plant
The RMA device is always connected in series with the transmitter. The current loop will be broken if the RMA801 device is removed from the loop.
Installation and setup
Site evaluation
Evaluate the site selected for the Remote Indicator installation with respect to the process system design specifications and Honeywell’s published performance characteristics for your particular model. Some parameters that you may want to include in your site evaluation can be found in the RMA801 user manual, #34-ST-25-62
Installation precautions
Temperature extremes can affect display quality. The display can go blank if the temperature is below -20°C or above +70°C; however, this is only a temporary condition. The display will again be readable when temperatures return to within operable limits.
Explosion-Proof Conduit Seal
WARNING
When installed as explosion proof in a Division 1 Hazardous Location, keep covers tight while the Remote Indicator is energized. Disconnect power to the Remote Indicator in the non-hazardous area prior to removing end caps for service.
When installed as non-incendive equipment in a Division 2 hazardous location, disconnect power to the Remote Indicator in the non-hazardous area, or determine that the location is non-hazardous before disconnecting or connecting the Remote Indicator wires
Mounting Remote indicator
Summary Remote Indicator models can be attached to a two-inch (50.8 millimeter) vertical or horizontal pipe using Honeywell’s optional pipe mounting bracket. Honeywell’s optional wall mounting bracket is also shown in figures below.
Mounting Dimensions
Refer to Honeywell drawing number 51455045* for detailed electronic housing dimensions. Refer to Honeywell drawing numbers 32306827* for detailed pipe mounting dimensions, 50124813* for Detailed Pipe Angle mounting dimensions and 32306828* for detailed wall mounting dimensions.
THE TRANSMITTER ENCLOSURE CAN BE ROTATED A TOTAL OF 90° FROM THE STANDARD MOUNTING POSITION. * Honeywell drawings can be supplied on request.
Bracket Mounting
If you are using an optional bracket, start with Step 1.
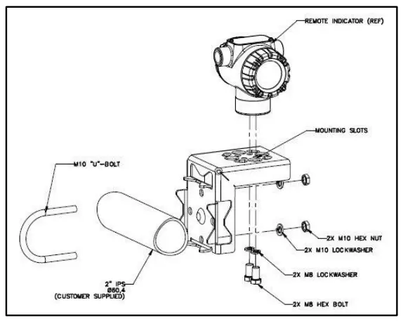
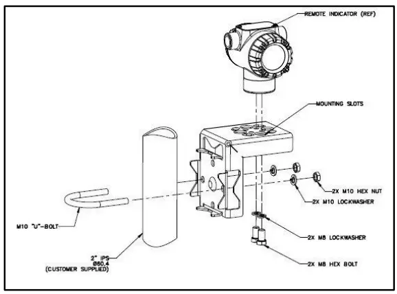
- Pipe Mount Option -Refer to Figure 2, Figure 3 and Figure 4. Align the two mounting holes at the bottom of the Remote Indicator with the two slots in the mounting bracket and assemble the (2) M8 hex cap screws, (2) lock washers and (2) flat washers provided.
- Rotate the Remote Indicator assembly to the desired position and torque the M8 hex cap screws to 27,0 Nm/20,0 Lb-ft maximum.
Position the bracket on a 2-inch (50.8 mm) horizontal or vertical pipe and install a “U” bolt around the pipe and through the holes in the bracket. Secure the bracket with (2) M10 hex nuts, (2) flat washers and (2) lock washers provided. Refer to Figure 4.
Figure 2: Typical Pipe Mounted Installations
Figure 3: Pipe Mount – Horizontal Mounting Bracket
Figure 4: Pipe Mount – Vertical Mounting Bracket
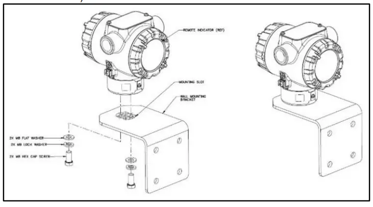
- Wall Mount Option – Refer Figure 5 Position the bracket on the mounting surface at the desired location and secure the bracket to the mounting surface using the appropriate hardware (Wall mounting hardware requirements to be determined and supplied by the end user).
Figure 5: Remote Indicator Secured to a Wall Mounting Bracket
Wiring a Remote Indicator
Overview
The Remote Indicator is designed to operate in normal 4-20mA analog mode with
HART enabled transmitters across Smartline Devices and DE transmitters except SMV800/3000.
For improved noise performance, it is recommended to provide earth ground for both transmitter and RMA housing.
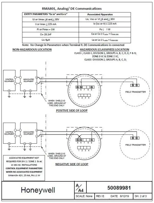
Figure 6: DE/ANALOG Terminal Block
Figure 7: RMA801 Terminal Block
Terminal Block
The RMA801 has 3 terminals. Following table provides the connection details
| Terminal No | Description |
| 5 | Loop +ve |
| 6 | Loop -ve |
| 9 | DE COMM |
- Shielded, twisted-pair cable such as Belden 9318 or equivalent must be used for all signal/power wiring.
- The cable shield must be connected at only one end of the cable. Connect it to the power supply side and leave the shield insulated at the transmitter side and RMA side
Note: If solid core wire is used strip insulation 1/4 in (6 mm). Once inserted under the square washer the stripped portion should be contained under the square washer. If multi-stranded wire is used, a ferrule is to be used and the stripped wire should be in the insulated portion of the ferrule. The ferrule can be also be used on the solid core wire.
Loop Terminals 5 & 6 shall be connected in series with the 4-20 ma loop for both analog and DE modes. Additionally, third wire (Terminal 9) is required for DE communication in DE mode only.
Loop wiring for analog and DE mode is shown in figure below.
NOTE: After wiring the Transmitter as outline in the next sections, torque the screws to 1.1 Nm (10 lb-in)
Wiring Connections and Power Up
Make sure that the following power supply constraint is met.
??,??? = 2.3? + ?????,??? + (????? ∗ Im??/1000)
Where
V S Min is minimum supply voltage
V Txer, Min is Transmitter Minimum supply voltage at terminals
R loop is loop resistance in ohms
I max High failSafe/Burnout current in mA
Wiring Options
There are 3 wiring options for connecting Remote Indicator to the loop.
See Figure 8, Figure 9 and Figure 10 for the wiring connections.
DE Devices
In this mode, the Remote Indicator shall be connected as shown in Figure 8.
Figure 8: Remote Indicator connected to the negative loop wire
Once the wiring is complete, power on the loop. The RMA device will take 6s (approx.) to turn on the display.
Note – The resistor “R” indicates (shown for representation only) the loop resistor which is needed for HART and DE communication and is typically provided by the user or control system.
Analog (4-20mA) Devices:
Refer Figure 8 and 9 for the Remote Indicator Connection on the Negative and positive side of the loop.
Figure 9: Remote Idicator connected to the negative loop wire
- Remote Indicator installed as explosion proof in Class I, Division 1, Group A Hazardous (classified) locations in accordance with ANSI/NFPA 70, the US National Electrical Code, with 1/2 inch conduit do not require an explosionproof seal for installation. If 3/4 inch conduit is used, a LISTED explosion proof seal must be installed in the conduit, within 18 inches (457.2 mm) of the Remote Indicator.
Figure 10: Remote Indicator connected to the positive loop wire
ATTENTION
For all wiring options, ensure that RMA chassis ground terminal is connected to earth ground.
Connect the Loop Power shield to earth ground at the power supply end and not at RMA end. The shield shall be continuous from transmitter through RMA till the power supply
DEVICE CONFIGURATION
Once the loop is powered, the RMA will be turned ON with a scrolling message “SmartLine” appearing on the display.
For DE devices, the RMA is autoconfigured. For any DE configuration change in the transmitter, database upload shall be performed to reflect the changes in RMA.
To configure the device, open the front cover of the device.
Use the ‘Menu’ and ‘Enter’ key buttons on display to configure the device. See table below for configuration parameters.
Use the ‘Menu’ button to navigate the configuration parameters. Use the ‘Enter’ button to select and set a parameter value.
| SNO | MENU Parameters | Description |
| 1 | SEL PV | Select Process Variable (temperature, pressure, flow and Level, loop out, % out) |
| 2 | UNIT | Select Engineering Unit Units are visible as per PV selection |
| 3 | C UNIT | Enter required customized unit (String) |
| 4 | ENTLRV | Enter Lower Range Value (Numeric Value) |
| 5 | ENTURV | Enter Upper Range Value (Numeric Value) |
| 6 | CAL Lo | Input Calibration Low Point. See manual for details of calibration. (Applicable in Analog Mode only) |
| 7 | CAL Hi | Input Calibration High Point. See manual for details of calibration. (Applicable in Analog Mode only) |
| 8 | B UNIT | Select Engineering Base Unit of Transmitter Base Units visible as per PV selection (Applicable in Analog Mode only) |
| 9 | CNTRST | Set LCD Contrast |
| 10 | RMA DG | RMA Diagnostic Messages. See manual for details of diagnostic messages |
| 11 | SQRT | Select Square Root (Disable, Enable) |
| 12 | SCLLO | Enter Scaling Low Value (Numeric Value) |
| 13 | SCLHI | Enter Scaling High Value (Numeric Value) |
| 14 | RBoot | Reboot the Remote Indicator Assembly |
| 15 | TAG | Displays Tag (Read only) |
| 16 | FW VER | Firmware Version |
| EXIT | EXIT Menu |
Engineering Units
Temperature: °C, °F, °R, K, mV, Ohm
Pressure: inH2O@39ºF, mH2O@4ºC, cmH2O@4ºC, Torr, mmH2O@68ºF, ftH2O@68ºF, inH2O@68ºF, inH2O@60ºF, atm, Pa, kPa, MPa, gf/cm2, kgf/cm2, psi, mbar, bar, inHg@0ºC, mmHg@0ºC, mmH2O@4ºC.
Flow: CFS, GPM, GPH, LPM, LPH, M3/s, M3/hr, Lb/s, Lb/min, Lb/hr, Kg/s, Kg/hr, SCFM, SCFH, SCFD, MSCFH, NM3/hr, MMSCFD, MMSCFH
Level: m, cm, mm, in, ft
Appendix A. PRODUCT CERTIFICATIONS
A1 European Directive Information (CE Mark)
RMA800 SmartLine Remote Indicator Series EU Declaration of conformity (Document #32302406), can be downloaded here: EU Declaration
A2. Hazardous Locations Certifications
| C | ATEX | Flame-proof and Dust: II 2 D Ex tb IIIC T 95oC Db | Note 1 | T6: -20oC to 65oC T95oC, T5: -20oC to 85oC |
| Intrinsically Safe:
| Note 2 | -20oC to 70oC | ||
| Non-Incendive | Note 1 | -20oC to 85oC | ||
| Enclosure: IP66/ IP67 | ALL | ALL | ||
| STANDARDS: EN 60079-0: 2012+A11: 2013; EN 60079-1: 2014; EN 60079-11: 2012; EN 60079-31: 2014; EN 60079-7: 2015; | ||||
| D | IECEx | Flame-proof: Ex db IIC T6..T5 Gb Ex tb IIIC T 95oC Db | Note 1 | T6: -20oC to 65oC T95oC, T5: -20oC to 85oC |
| Intrinsically Safe: Ex ia IIC T4 Ga Ex ic IIC T4 Gc | Note 2 | -20oC to 70oC | ||
| Non-Incendive Ex ec IIC T4 Gc | Note 1 | –20oC to 85oC | ||
| Enclosure: IP66/ IP67 | ALL | ALL | ||
| STANDARDS: IEC 60079-0: 2011; IEC 60079-1: 2014; IEC 60079-11: 2011; IEC 60079-7: 2015; IEC 60079-31: 2014 | ||||
| E | SAEx | Flame-proof: Ex db IIC T6..T5 Gb | Note 1 | T6: -20oC to 65oC T95oC, T5: -20oC to 85oC |
| Intrinsically Safe: Ex ia IIC T4 Ga Ex ic IIC T4 Gc | Note 2 | -20oC to 70oC | ||
| Non-Incendive Ex ec IIC T4 Gc | Note 1 | –20oC to 85oC | ||
| Enclosure: IP66/ IP67 | ALL | ALL | ||
| STANDARDS: IEC 60079-0: 2011; IEC 60079-1: 2014; IEC 60079-11: 2011; IEC 60079-7: 2006; IEC 60079-31: 2013 | ||||
| F | INMETRO | Flame-proof: Ex db IIC T6..T5 Gb Ex tb IIIC T 95oC Db | Note 1 | T6: -20oC to 65oC T95oC, T5: -20oC to 85oC |
| Intrinsically Safe: Ex ia IIC T4 Ga Ex ic IIC T4 Gc | Note 2 | -20oC to 70oC | ||
| Non-Incendive Ex ec IIC T4 Gc | Note 1 | –20oC to 85oC | ||
| Enclosure: IP66/ IP67 | ALL | ALL | ||
| STANDARDS: ABNT NBR IEC 60079-0: 2013; ABNT NBR IEC 60079-1: 2016; ABNT NBR IEC 60079-11: 2013; ABNT NBR IEC 60079-7: 2018; ABNT NBR IEC 60079-31: 2014 | ||||
| G | NEPSI | Flame-proof: Ex d IIC T6/T5 Gb Ex tD A21 IP66/67 T95oC | Note 1 | T6: -20oC to 65oC 95oC, T5: -20oC to 85oC |
| Intrinsically Safe: Ex ia IIC T4 Ga Ex ic IIC T4 Gc | Note 2 | -20oC to 70oC | ||
| Non-Incendive Ex nA IIC T4 Gc | Note 1 | –20oC to 85oC | ||
| Enclosure: IP66/ IP67 | ALL | ALL | ||
| STANDARDS: GB 3836.1-2010; GB 3836.2-2010; GB 3836.4- 2014; GB 3836.19-2010; GB 3836.20-2010; GB 12476.1-2013; GB 12476.5-2013 | ||||
| P | CCoE/ PESO | Flame-proof: Ex db IIC T6..T5 Gb | Note 1 | T6: -20oC to 65oC T5: -20oC to 85oC |
| Intrinsically Safe: Ex ia IIC T4 Ga | Note 2 | -20oC to 70oC | ||
| Enclosure: IP66/ IP67 | ALL | ALL | ||
| STANDARDS: IEC 60079-0: 2011; IEC 60079-1: 2014; IEC 60079-11: 2011; IEC 60079-7: 2006; IEC 60079-31: 2013 | ||||
| K | cCSAus | Explosion proof: Class I, Division 1, Groups A, B, C, D;T6..T4 Dust Ignition Proof: Class II, III, Division 1, Groups E, F, G; T4 Class I Zone 1 Ex db IIC T4 Gb Ex db IIC T4 Gb Zone 21 Ex tb IIIC T 95oC Db Ex tb IIIC T 95oC Db | Note 1 | T6: -50ºC to +65ºC T4, T5: -50 ºC to 85ºC |
| Intrinsically Safe: CSA 14.2689056 Class I, II, III, Division 1, Groups A, B, C, D, E, F, G; T4 Ex ia IIC T4 Ga | Note 2 | -50oC to 70oC | ||
| Non-Incendive Class I, Division 2, Groups A, B, C, D; T4 | Note 1 | -50oC to 85oC | ||
| Enclosure: 4X/ IP66/ IP67 | ALL | ALL | ||
| Standards: CSA C22.2 No. 0: 2015; CSA C22.2 No. 30: 2016; CSA C22.2 No. 94-M91; CSA C22.2 No. 25: 2017; CSA C22.2 No. 61010-1: 2017; CSA-C22.2No.157: 2016; C22.2 No. 213: 2017; C22.2 No. CSA 60079-0:2015; C22.2 No. 60079-1: 2016; C22.2 No. 60079-11: 2014; C22.2 No. 60079-15: 2016; C22.2 No. 60079- 31: 2015;ANSI/ ISA12.12.01-2017; ANSI/ ISA 61010-1: 2016; ANSI/ UL 60079-0: 2013; ANSI/ UL 60079-1: 2015; ANSI/ UL 60079-11: 2014; ANSI/ UL 60079-15: 2013; ANSI/ UL 60079-31: 2015 ; FM 3600: 2011; FM 3615: 2006; FM Class 3616: 2011; ANSI/ UL 913: 2015; UL 916: 2015; ANSI/ UL 12.27.01: 2017; ANSI/UL 50E: 2015 | ||||
A4. Marking ATEX Directive
a. General
The following information is provided as part of the labeling of the Remote Indicator:
- Name and Address of the manufacturer
- The serial number of the Remote Indicator is located on the Meter Body data-plate. The first two digits of the serial number identify the year (02) and the second two digits identify the week of the year (23); for example, 0223xxxxxxxx indicates that the product was manufactured in 2002, in the 23rd week.
b. Apparatus Marked with Multiple Types of Protection
The user must determine the type of protection required for installation the equipment. The user shall then check the box [ ] adjacent to the type of protection used on the equipment certification nameplate. Once a type of protection has been checked on the nameplate, the equipment shall not then be reinstalled using any of the other certification types.
c. WARNINGS and Cautions
Non-Incendive / Non-Sparking (Division 2 and Zone 2 Environments):
WARNING – EXPLOSION HAZARD – SUBSTITUTION OF COMPONENTS MAY IMPAIR SUITABILITY FOR CLASS I, DIVISION 2
Intrinsically Safe (Divisions 1, Zone 1 and Zone 2 Environments):
WARNING – EXPLOSION HAZARD – SUBSTITUTION OF COMPONENTS MAY IMPAIR INTRINSIC SAFETY.
WARNING – DO NOT OPEN WHEN AN EXPLOSIVE GAS ATMOSPHERE IS PRESENT.
Explosion-Proof (Division 1 and Zone 1 Environments):
WARNING – DO NOT OPEN WHEN AN EXPLOSIVE GAS ATMOSPHERE IS PRESENT.
WARNING – DO NOT OPEN WHEN ENERGIZED “OPEN CIRCUIT BEFORE REMOVING COVER”
Flameproof (Division 1 and Zone 1 Environments):
WARNING – DO NOT OPEN WHEN ENERGIZED
General Requirements / Increased Safety (Zone 1):
WARNING – DO NOT OPEN WHEN ENERGIZED
WARNING – OPEN CIRCUIT BEFORE REMOVING COVER
All Protective Measures:
WARNING: FOR CONNECTION IN AMBIENTS ABOVE 60o ºC USE WIRE RATED 105o ºC
A.3 Conditions of Use” for Ex Equipment”, Hazardous Location Equipment or “Schedule of Limitations”:
- Consult the manufacturer for dimensional information on the flameproof joints for repair.
- Painted surface of the RMA 800 series may store electrostatic charge and become a source of ignition in applications with a low relative humidity less than approximately30% relative humidity where the painted surface is relatively free of surface contamination such as dirt, dust or oil. Cleaning of the painted surface should only be done with a damp cloth.
- The ambient temperature range, maximum process temperature and applicable temperature class of the equipment is as follows:
RMA801: T4 for -50˚C < Ta < 85˚C
RMA803: T4 for -20˚C < Ta < 70˚C - The RMA800 series enclosure contains aluminum and is considered to present a potential risk of ignition by impact or friction. Care must be considered during installation and use to prevent impact or friction to avoid impact.
- If a charge-generating mechanism is present, the exposed metallic part on the enclosure is capable of storing a level of electrostatic charge that could become incendive for IIC gases. Therefore, the user/installer shall implement precautions to prevent the buildup of electrostatic charge, e.g. earthing the metallic part. This is particularly important if the equipment is installed in a zone 0 location.
- On installation, the RMA800 series shall be provided with supply transient protection external to the apparatus such that the voltage at the supply terminals of the RMA800 series does not exceed 140% of the voltage rating of the equipment.
A.4 Control Drawing

RMA801, Analog/DE Communications

RMA803, Foundation Fieldbus

Sales and Service
For application assistance, current specifications, pricing, or name of the nearest Authorized Distributor, contact one of the offices below.
ASIA PACIFIC (TAC) [email protected]
Australia Honeywell Limited, Phone: +(61) 7-3846 1255, FAX: +(61) 7-3840 6481
Toll Free 1300-36-39-36, Toll Free Fax: 1300-36-04-70
China – PRC – Shanghai, Honeywell China Inc. Phone: (86-21) 5257-4568, Fax: (86-21) 6237-2826
Singapore, Honeywell Pte Ltd. Phone: +(65) 6580 3278. Fax: +(65) 6445-3033
South Korea, Honeywell Korea Co Ltd. Phone:+(822)799 6114. Fax:+(822) 792 9015
EMEA, Phone: + 80012026455 or +44 (0)1202645583. FAX: +44 (0) 1344 655554
Email: (Sales) [email protected]
or (TAC) [email protected]
AMERICAS, Honeywell Process Solutions, Phone: 1-800-423-9883,
or 1-215/641-3610. (TAC) [email protected].
Sales 1-800-343-0228. Email: (Sales) [email protected]
Knowledge Base search engine http://bit.ly/2N5Vldi
WARRANTY/REMEDY
Honeywell warrants goods of its manufacture as being free of defective materials and faulty workmanship. Contact your local sales office for warranty information.
If warranted goods are returned to Honeywell during the period of coverage, Honeywell will repair or replace without charge those items it finds defective. The foregoing is Buyer’s sole remedy and is in lieu of all other warranties, expressed or implied, including those of merchantability and fitness for a particular purpose. Specifications may change without notice. The information we supply is believed to be accurate and reliable as of this printing.
However, we assume no responsibility for its use.
While we provide application assistance personally, through our literature and the Honeywell web site, it is up to the customer to determine the suitability of the product in the application.





















