REMKO ETF 650-S Series ETF 650-S Stationary Air Dehumidifier

Read these operating instructions carefully before commissioning / using this device!
These instructions are an integral part of the system and must always be kept near or on the device.
Subject to modifications; No liability accepted for errors or misprints!
Translation of the original
Safety and usage instructions
General safety notes
Carefully read the operating manual before com-missioning the units for the first time. It contains useful tips and notes such as hazard warnings to prevent personal injury and material damage. Failure to follow the directions in this manual not only presents a danger to people, the environment and the system itself, but will void any claims for liability.
Keep this operating manual and the refrigerant data sheet near to the units.
The refrigerant used in the system is flammable. If applicable, observe the local safety conditions.
Identification of notes
This section provides an overview of all important safety aspects for proper protection of people and safe and fault-free operation. The instructions and safety notes contained within this manual must be observed in order to prevent accidents, personal injury and material damage.
Notes attached directly to the units must be observed in their entirety and be kept in a fully legible condition.
Safety notes in this manual are indicated by symbols. Safety notes are introduced with signal words which help to highlight the magnitude of the danger in question.
DANGER!
Contact with live parts poses an immediate danger of death due to electric shock. Damage to the insulation or individual components may pose a danger of death.
DANGER!
This combination of symbol and signal word warns of a situation in which there is immediate danger, which if not avoided may be fatal or cause serious injury.
WARNING!
This combination of symbol and signal word warns of a potentially hazardous situation, which if not avoided may be fatal or cause serious injury.
CAUTION!
This combination of symbol and signal word warns of a potentially hazardous situation, which if not avoided may cause injury or material and environmental damage.
NOTICE!
This combination of symbol and signal word warns of a potentially hazardous situation, which if not avoided may cause material and environmental damage.
This symbol highlights useful tips and recommendations as well as information for efficient and fault-free operation.
Personnel qualifications
Personnel responsible for commissioning, operation, maintenance, inspection and installation must be able to demonstrate that they hold a qualification which proves their ability to undertake the work.
Dangers of failure to observe the safety notes
Failure to observe the safety notes may pose a risk to people, the environment and the units. Failure to observe the safety notes may void any claims for damages.
In particular, failure to observe the safety notes may pose the following risks:
- The failure of important unit functions.
- The failure of prescribed methods of maintenance and repair.
- Danger to people on account of electrical and mechanical effects.
Safety-conscious working
The safety notes contained in this manual, the existing national regulations concerning accident prevention as well as any internal company working, operating and safety regulations must be observed.
Safety instructions for the operator
The operational safety of the units and components is only assured providing they are used as intended and in a fully assembled state.
This unit can be used by children above the age of 8, as well as by people with impaired physical, sensory or mental capabilities or a lack of experience and knowledge if they are supervised or have received instruction in the safe operation of the unit, and if they understand the associated potential hazards. Children must never play with the unit. Cleaning and user maintenance must not be carried out by unsupervised children.
- The units and components may only be set up, installed and maintained by qualified personnel.
- If the mains power supply line of this unit is damaged, this must be replaced by the manufacturer or their customer services department or a similarly qualified person in order to avoid any hazard.
- Do not operate units or components with obvious defects or signs of damage.
- The units may not be installed or operated in explosive environments.
- The units must not be installed or operated in atmospheres containing oil, Sulphur, chlorine or salt.
- The units must be installed upright and in a stable position.
- The units and components must not be exposed to any mechanical load, extreme levels of humidity or extreme temperatures.
- All housing parts and unit openings, e.g. air inlets and outlets, must be free from foreign objects. An unobstructed air inlet and air outlet must be guaranteed at all times.
- The units must not be covered during operation.
- Never insert foreign objects into the units.
- The units must not be transported while they are running.
- The units must only be transported when the condensate container is empty and the evaporator is dry.
- All electrical cables on the outside of the units must be protected against damage (e.g. by animals etc.).
- Before each change of location, the condensate container must be emptied.
- The units must be inspected by a service technician to ensure that they are safe to use and fully functional at least once yearly. Visual inspections and cleaning may be performed by the operator when the units are disconnected from the mains.
- The refrigerant R32 fulfils the requirements of the European F-Gas regulation.
- The unit must not be burned, drilled or pierced.
- Rooms in which refrigerant may escape must be adequately aerated and ventilated. Other-wise there is danger of suffocation.
NOTICE!
Extensions to the connection cable must only be conducted by authorized specialist electricians, taking into consideration the unit power consumption, cable length and local use.
NOTICE!
Work on the refrigerant system and on the electrical equipment must only be conducted by a specially-authorized specialist!
Safety notes for installation, maintenance and inspection work
- Appropriate hazard prevention measures must be taken to prevent risks to people when per-forming installation, repair, maintenance or cleaning work on the units.
- The setup, connection and operation of the units and its components must be undertaken in accordance with the usage and operating conditions stipulated in this manual and comply with all applicable regional regulations.
- If the mains power supply line of this unit is damaged, this must be replaced by the manufacturer or their customer services department or a similarly qualified person in order to avoid any hazard.
- The units must be installed upright and in a stable position.
- The units must not be exposed to direct jets of water, e.g. pressure washers etc.
- Safety devices may not be modified or bypassed.
- The units and components may only be set up, installed and maintained by qualified personnel.
- Do not operate units or components with obvious defects or signs of damage.
- The units may not be installed or operated in explosive environments.
- The units must not be installed or operated in atmospheres containing oil, Sulphur, chlorine or salt.
- The units and components must not be exposed to any mechanical load, extreme levels of humidity or extreme temperatures.
- All housing parts and unit openings, e.g. air inlets and outlets, must be free from foreign objects. An unobstructed air inlet and air outlet must be guaranteed at all times.
- All electrical cables on the outside of the units must be protected against damage (e.g. by animals etc.).
- The units must be inspected by a service technician to ensure that they are safe to use and fully functional at least once yearly. Visual inspections and cleaning may be performed by the operator when the units are disconnected from the mains.
- The refrigerant R32 used in the system is flammable. If applicable, observe the local safety conditions.
- Note that refrigerant may be odorless.
Modifications or changes to units and components are not permitted and may cause malfunctions. Safety devices may not be modified or bypassed. Original replacement parts and accessories authorized by the manufactured ensure safety. The use of other parts may invalidate liability for resulting consequences.
Intended use
The units are designed exclusively for drying and dehumidification purposes in industrial or commercial situations on the basis of their structural design and equipment. The units must only be operated by appropriately instructed personnel.
Any different or additional use is a non-intended use. The manufacturer/supplier assumes no liability for damages arising from non-intended use. The user bears the sole risk in such cases. Intended use also includes working in accordance with the operating and installation instructions and complying with the maintenance requirements.
The threshold values specified in the technical data must not be exceeded.
Warranty
For warranty claims to be considered, it is essential that the ordering party or its representative complete and return the “certificate of warranty” to REMKO GmbH & Co. KG at the time when the units are purchased and commissioned.
The warranty conditions are detailed in the “General business and delivery conditions”. Further-more, only the parties to a contract can conclude special agreements beyond these conditions. In this case, contact your contractual partner in the first instance.
Transport and packaging
The devices are supplied in a sturdy shipping container. Please check the equipment immediately upon delivery and note any damage or missing parts on the delivery and inform the shipper and your contractual partner. For later complaints can not be guaranteed.
WARNING!
Plastic films and bags etc. are dangerous toys for children!
Why:
- Leave packaging material are not around.
- Packaging material may not be accessible to children!
Environmental protection and recycling
Disposal of packaging
All products are packed for transport in environ-mentally friendly materials. Make a valuable contribution to reducing waste and sustaining raw materials. Only dispose of packaging at approved collection points.
Disposal of equipment and components
Only recyclable materials are used in the manufacture of the devices and components. Help protect the environment by ensuring that the devices or components (for example batteries) are not dis-posed in household waste, but only in accordance with local regulations and in an environmentally safe manner, e.g. using certified firms and recycling specialists or at collection points.
Technical data
Unit data
| Unit type | ETF 650-S | ||||
| Daily dehumidification capacity max. | l/day | 65 | |||
| – at 30 °C and 80 % r.h. | l/day | 60 | |||
| – at 20 °C and 70 % r.h. | l/day | 32 | |||
| – at 15 °C and 60 % r.h. | l/day | 15 | |||
| Ventilation capacity max. | m3/h | 600 | |||
| Operating range, temperature | °C | 12-38 | |||
| Operating range, humidity | % RH | 30-100 | |||
| Sound pressure level LpA 1m 2) | dB(A) | 38.3-45.6 | |||
| Compressor | Inverter | ||||
| Refrigerant 1) | R32 | ||||
| Refrigerant quantity | kg | 0.5 | |||
| GWP | 675 | ||||
| CO2 equivalent | t | 0.338 | |||
| Power supply | V/Ph/Hz | 230/1~/50 | |||
| Max. rated current consumption | A | 0.48-3.17 | |||
| Max. power consumption | kW | 0.11-0.76 | |||
| Electrical protection provided by customer | A | 10 | |||
| Enclosure class | IPX4 | ||||
| Connection cable length | m | 5 | |||
| Dimensions | |||||
| Depth | mm | 291 | |||
| Width | mm | 850 | |||
| Height | mm | 770 | |||
| Weight | kg | 53 | |||
- Contains greenhouse gas according to Kyoto protocol.
- Noise measurement EN 12102-1 and EN ISO 3745
We reserve the right to modify the dimensions and design as part of the ongoing technical development process.
Design and function
Air dehumidification – general note
The correlations occurring when air is dehumidified are based on physical laws. These are depicted here in graphical form in order to provide you with a brief overview of the principles of air dehumidification
The use of REMKO air dehumidifiers
- Even if windows and doors are well insulated, water and moisture are still capable of penetrating thick concrete walls.
- The water required for setting in the production of concrete, mortar and plaster etc. may only be diffused after 1-2 months.
- Even moisture trapped in the masonry after high-water or a flood is released very slowly.
- The same is also true of moisture contained in stored materials for example.
The moisture (water vapour) released from parts of a building or materials is absorbed by the sur-rounding air. As a result, the moisture content increases, which ultimately gives rise to corrosion, mould, rot, peeling of paint and other unwanted damage. By way of example, the diagram below shows the corrosion rate of metal in different levels of humidity.
Fig. 1: Corrosion rate in relation to relative humidity
- A: Corrosion rate
- B: Relative humidity [%]
It is evident that the corrosion rate below 50% relative humidity (RH) is low, and below 40% is negligible.
The corrosion rate increases significantly above 60% RH. This threshold for damage as the result of humidity also applies to other materials, such as powdery substances, packaging, wood and electronic units.
Buildings may be dried in a variety of ways:
- By heating and air exchange: The air in the room is heated in order for moisture to be removed and then this air is fed outside. All of the energy that is involved is lost together with the moist air that is released.
- By air dehumidification: The moist air that is present within an enclosed space is continuously dehumidified in accordance with the condensation principle.
With regard to energy consumption, air dehumidification has one distinct advantage:
Energy expenditure is limited exclusively to the air volumes present. The mechanical heat that is released by the dehumidification process is fed back into the room.
NOTICE! Under normal use, the air dehumidifier uses approximately 25% of the energy that is required for the “heating and ventilating” principle.
Relative air humidity
Our ambient air is a gaseous mixture which always contains a certain volume of water in the form of water vapour. This volume of water is specified in g per kg of dry air (absolute moisture content).
1m3 of air weighs approx. 1.2 kg at 20 °C
Depending on the temperature, each kg of air is only capable of absorbing a certain volume of water vapour. Once this capacity has been reached, the air is referred to as “saturated” and has a relative humidity (RH) of 100%.
Relative humidity is understood to mean the ratio between the current quantity of water vapour in the air and the maximum possible quantity of water vapour at the same temperature. The ability of the air to absorb water vapour increases as the temperature rises. I.e. the maximum possible (abso-lute) water content becomes greater as the temperature rises.
| Temp. | Water vapour content in g/m3 at humidity of | |
| °C | 40% | 60% |
| -5 | 1.3 | 1.9 |
| +10 | 3.8 | 5.6 |
| +15 | 5.1 | 7.7 |
| +20 | 6.9 | 10.4 |
| +25 | 9.2 | 13.8 |
| +30 | 12.9 | 18.2 |
| °C | 80% | 100% |
| -5 | 2.6 | 3.3 |
| +10 | 7.5 | 9.4 |
| +15 | 10.2 | 12.8 |
| +20 | 13.8 | 17.3 |
| +25 | 18.4 | 23.0 |
| +30 | 24.3 | 30.3 |
Drying materials
Building materials and structures are capable of absorbing considerable volumes of water, such as brick 90-190 l/m³, heavy concrete 140-190 l/m³ and limestone 180-270 l/m³. The drying of moist materials such as masonry is effected as follows:
The moisture moves from the inside of the material to its surface.
Fig. 2: Drying damp masonry
- Evaporation occurs on the surface = Transfer of water vapour to the ambient air
- The air containing water vapour is constantly circulated through the REMKO air dehumidifier. The air is dehumidified and, slightly heated, leaves the unit in order to re-absorb water vapour
- In this way, the moisture contained in the material is reduced gradually
The material is dried!
The accumulated condensate is collected in the unit and drained off from there.
Fig. 3: Extracting and collecting condensate
Functional principle of the air dehumidifier
As it flows through or over the evaporator, the air stream is cooled to dew point. The water vapour condenses, and is collected in a condensate trap from where it is drained off. 
Fig. 4: Functional principle of the air dehumidifier
- Evaporator
- Condenser
- A: Air temperature
- B: Air direction
- C: Humidity
a: Progression
The condensation of water vapour
Because the capacity for the maximum possible volume of water vapour increases as the air is heated, the volume of water vapour contained remains constant and so relative humidity falls.
In contrast, because the capacity for the maximum possible volume of water vapour decreases as the air is cooled, the volume of water vapour contained remains constant and so relative humidity increases. If the temperature continues to fall, the capacity for the maximum possible volume of water vapour is reduced so much so that it is ultimately equal to the volume of water vapour contained in the air.
This temperature is referred to as the dew point. If the air is cooled to below dew point, the volume of water vapour in the air will become greater than the maximum possible volume of water vapour. At this point, the water vapour begins to precipitate. It then condenses to water. Humidity is then removed from the air.
Examples of condensation include steamed-up window panes in winter, or the moisture on the out-side of a cold drinks bottle.
As the relative humidity of the air increases, so too does the dew point, making it easier for the temperature to fall below it.
Condensation heat
The energy transferred to the air from the con-denser consists of:
- the amount of heat derived beforehand in the evaporator
- the electrical drive energy
- the condensation heat released by the liquefying of the water vapour.
Energy must be supplied when liquid is converted into a gas. This energy is designated as evaporation heat. It does not cause any increase in temperature, but is required to convert a liquid into a gas. Conversely, energy is released when gas is liquefied, this is designated as condensation heat.
The amount of energy from evaporation heat and condensation heat is the same.
For water, this is: 2250 kJ/kg (4.18 kJ = 1kcal)
From this it is evident that the condensation of water vapour causes a large quantity of energy to be released. With drying operations, a heat cycle is created, whereby heat is consumed for evaporation and released for condensation.
Generally speaking, the time required for the drying process is not only dependent on the output of the unit, but is determined to a greater extent by the speed at which the material or building section loses its moisture.
Unit description
The units have been designed for universal and straightforward air dehumidification.
Their compact dimensions allow the unit to be transported and set up with ease.
The units operate in accordance with the condensation principle and are equipped with a hermetically sealed refrigerant system, low-noise and low-maintenance fan and connection cable with plug.
The fully-automated electronic controller, an integrated hygrostat and connection ports for condensate drainage provided by the customer ensure continuous fault-free operation.
The units conform to the fundamental health and safety requirements of the appropriate EU regulations. The units are dependable and offer ease of operation.
Locations at which units are used
The units are used in all locations, where dry air is a must and where economic consequential damage (such as that caused by mold) must be prevented.
The units may be used for the drying and dehumidification of areas such as:
- New buildings, industrial buildings
- Storage rooms
- Archives, laboratories
- Weekend homes
- Bathrooms, wash rooms and changing rooms etc.
- Museums, libraries
- Garages
Operating sequence
The unit is switched on and off using the integrated hygrostat.
The hygrostat is set to 60 % RH in the factory. The respective unit function is indicated by an LED dis-play on the front of the unit.
The fan draws in the humid room air via the dust filter on the underside of the unit. Heat is removed from the room air on the cold evaporator. The air is then cooled to below dew point. The water vapour contained in the room air is then deposited as condensate or rime on the evaporator fins. On the condenser, the cold and dehumidified air is warmed up again and discharged back into the room above the unit with a temperature increase of around 5 K above the room temperature. The processed, dry air therefore continuously mixes with the room air. Continuous circulation of the room air through the unit gradually reduces the relative humidity (% RH) in the room to the desired humidity level.
Fig. 5: Air dehumidification operating principle
- A: Moist room air
- B: Dehumidified room air
Assembly
Setting up the unit
For the best economic and safe use of the units, the following notes must be followed in full:
- The units must be set up in an upright and level position, to ensure that the condensate can drain freely
- The unit must be mounted or set up upright to ensure that air can be taken in and blown out freely
- Units must never be set up in the immediate vicinity of heaters or other sources of heat
- The room being dried or dehumidified must be closed to the surrounding atmosphere
- Air circulation is improved if the unit is set up approx. 1 m above the ground
- Avoid having opened windows and doors etc., and avoid frequent entry to or exit from the room as much as possible
- If the units are to be used in dusty environments, appropriate care and maintenance measures should be taken in accordance with the relevant conditions
- The output of the unit is entirely dependent on the conditions inside the room, room temperature, relative humidity and observance of the set-up instructions
- The units may not be used in environments containing a great deal of dust or chlorine, or in places with atmospheres containing ammonia
- The distance between the unit and the ceiling must be at least 1 m
- The distance between the unit and the floor must be at least 0.1 m
- For service work, a minimum distance of 1 m must be maintained between walls and the sides of the unit
NOTES:
- Keep windows and doors closed!
- Maintain adequate clearance from heaters or other sources of heat.
Electrical wiring
General notes
- The devices are operated with 220-240 V/50 Hz alternating current
- The electrical connection is made using a built-in mains cable with earthed safety plug
- Extensions to the connection cable may only be carried out by authorized electricians, subject to the length of the cable, connected load of the unit and taking into consideration how the unit is used at its location
WARNING!
The electrical connection to the units must be made at feed-points with residual current devices in accordance with VDE 0100, Section 704. When installing the units in extremely damp environments such as laundry rooms, showers etc., the unit must secured with a residual current device provided by the customer in accordance with the regulations.
CAUTION!
All cable extensions must only be used in fully un-reeled or reeled off condition.
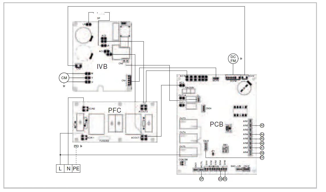
Electrical wiring diagram
Fig. 6: Electrical wiring diagram
- A2 (brown): Air outlet sensor
- A4 (green): Vaporizer sensor
- A5 (red): Hot gas sensor
- A6 (black): Suction gas sensor
- A7 (yellow): Room temperature sensor
- A8 (white): Humidity probe
- CM: Compressor
- D4: Low pressure switch
- D5: High pressure switch
- DC FM: Fan motor
- DP: Display
- EV: Expansion valve
- SP: Choke
- IVB: Inverter board
- PCB: Control board
- PFC: Wave-trap
We reserve the right to modify the dimensions and design as part of the ongoing technical development process.
Commissioning
Before commissioning the unit or if local requirements dictate, the air-inlet grill and air-outlet grill must be checked for contamination.
NOTICE!
A contaminated grille or filter must be cleaned or replaced immediately.
Important notes prior to commissioning
- All extensions to the electrical connection must be of a sufficient cable size and must only be used fully rolled out or unrolled.
- Never use the power supply connection cable as a pull cord.
- After being switched on, the units operate fully-automatically until the desired humidity is reached.
- The condensate drainage line must be installed properly.
- In order to prevent damage to the condenser, the units are equipped with a mechanism that prevents the compressor being immediately switched back on after it is switched off
The compressor only switches back on after a waiting time of approx. 3 minutes!
NOTICE!
In room temperatures below 15 °C and/or relative humidity below 40%, economical use of the unit can no longer be guaranteed.
Starting the unit
Start the unit as follows:
- Plug the unit’s power plug into a properly installed and fused mains socket (220-240 V/50 Hz).
If you connect the dehumidifier to the mains for the first time, the unit should be switched off (not operating). The system starts up for approx. 30 seconds until the display shows “0%” in the top right corner. - Actuate the “ON / OFF” key.
The display switches on and shows the cur-rent humidity and temperature in the room. The desired humidity can be set using the arrow keys. First, the fan is switched on and ramps up linearly to the set speed. The com-pressor starts after approx. 2 minutes and also ramps up linearly to the target speed.
Automatic restart after power failure:
If the electrical power fails or if the power plug is pulled out during operation, the unit switches off. When the unit is switched back on again or if the power plug is put back in again the unit starts up again automatically.
WARNING!
To avoid damage to the compressor, the unit must only be switched off from the unit display. Disconnect from the mains only after the com-pressor and fan have shut down and come to a standstill. Control via external switching devices (e.g. timers or network sockets) is also prohibited.
Control and display panel:

- On/off key:
After actuating the ON/OFF key whilst switched off, the unit starts as soon as the humidity in the room (RH) is above the target value set for the humidity in the room.
The start sequence is:
Fan motor starts slowly, after approx. 2 minutes the compressor switches on. The compressor is at full power after about 1 1/2 minutes. During operation, the control indicator [8] lights up on the display.
If the ON/OFF key is actuated during operation, the unit and the control indicator [8] switch off. Fan and compressor shut down in approx. 1 minute. - Silent mode:
By pressing the Silent key, the unit can be set to Silent mode, whereby the compressor and fan only operate at a maximum of 80% of their power. This reduces the maximum unit volume.
The power level indicator [7] on the display shows which mode the unit is in (2 bars = silent mode, 3 bars = standard mode).
The display switches itself into a stand-by state (dimmed display brightness) after a few seconds. Pressing any key reactivates the display (full display brightness). Only the second press of a key carries out the action. - Timer:
The unit can be switched on or off with a delay via the timer. The timer indicator [10] and the hour indicator [9] are required for setting.
The timer indicator shows whether it is a switch-on delay (1) or a switch-off delay (0). The timer can be set both when the unit is switched on and when it is switched off.
By pressing the timer key, 1 appears on the timer display and the hours on the hour display [9] flash. Use the arrow key to set the number of hours (0-23 hours). These are confirmed by pressing the timer key. Then the minutes (0-60 minutes) can be set and confirmed by pressing the timer key. Then the 0 appears on the timer indicator. The switch-off delay is set in the same way as the switch-on delay (first hours, then minutes).
After setting the times, the respective symbol 1 or 0 lights up on the timer indicator [10]. A timer is only set if the time (hours: minutes) is changed; if the time is not changed, this time (0 or 1) is considered deactivated. The timer is only one time for both the switch-on and switch-off delay. After successfully switching the unit on or off, the timer is deactivated. - Desired humidity setting:
After the unit is switched on, the target room humidity can be adjusted up or down by pressing the arrow keys. As soon as the room humidity reaches the target humidity set, the compressor and the fan motor stop. The target room humidity set is displayed for 3 seconds during the adjustment and then reverts to the current measured room humidity.
NOTE:- If the unit is restarted it reverts to the previous setting
- The adjustment steps for the target humidity are 1% ( RH) per key press. The adjustment range for the target humidity should lie between 30% and 95% ( RH)
If the room humidity is below the set target room humidity, the compressor and the fan motor stop. If the room humidity is higher than the set target room humidity, the unit restarts with a 3-minute delay.
- Humidity indicator:
The standard display is the current measured room humidity. The humidity value to be changed is dis-played for 3 seconds by pressing one of the arrow keys [4] to set the target room humidity. - Room temperature indicator.:
Display of the currently measured room temperature in °C. - Power level indicator:
Display of the current power stage:
2 bars: Silent mode/ max. power throttled to 80 3 bars: Max. power
Can be changed by pressing the Silent key [2] - Control indicator:
If the symbol is visible, the fan and compressor are in operation (target humidity below the measured humidity). When the symbol disappears, the target humidity has been reached and the fan and com-pressor stop. - Power indicator or hour indicator:
The standard display is the current output of the compressor between 0 to 100 %. If the unit is switched off, only this indicator with 0% is visible. When the timer key [3] is pressed, an hour format (hh: mm) is displayed instead of the % indicator and can be changed using the arrow keys [4]. - Timer indicator:
The standard display shows whether a switch-on delay (1) or switch-off delay (0) or both (0+1) are active. By pressing the timer key, first the switch-on delay (1) is set, then the switch-off delay (0).
Condensate removal
Condensate water drain
The condensate water drain is located on the unit’s base. The condensate drain is connected to the discharge nozzle supplied. A solid or flexible 16 mm discharge connector can be installed on this.
- The discharge hose must always be laid at an incline of at least 2 % so that the water can flow unhindered from the drip tray.
- Alternatively, a condensate pump can be fitted to the unit in order to pump the condensate water to a drainage point located at a higher level.
- If drainage is to be carried out through the wall, the relevant measures such as holes for correct condensate drainage must be taken before installing the unit.
- See the diagram at the side for information on the location of the drainage connection.
Fig. 8: Bottom of unit
- A: Unit front
- B: Wall
Troubleshooting and customer service
The unit and components are manufactured using state-of-the-art production methods and tested several times to verify that they function correctly. However, if malfunctions do occur, please check the functions as detailed in the list below. Please inform your dealer if the unit is still not working correctly after all function checks have been per-formed!
WARNING!
Work on the refrigerant system and on the electrical equipment must only be conducted by a specially-authorized specialist!
Display of error codes
Error codes are displayed in the segment display [5] instead of the humidity value.
Fig. 9: Segment display
Fault messages
| Error code | Cause | Remedial measures |
| E1 | High pressure detected |
|
| E2 | Low pressure detected |
|
| E5 | Voltage not within permissible range |
|
| E8 | Temperature too high on the hot gas side |
|
| EA | Temperature at the air outlet too high |
|
| Eb | Ambient temperature not within permissible range |
|
| P0 | Communication malfunction between display and control board |
|
| P1 | Air inlet sensor malfunction (A7/yellow) |
|
| P2 | Air outlet sensor malfunction (A2/brown) | |
| P3 | Hot gas sensor malfunction (A5/red) | |
| P5 | Suction gas sensor malfunction (A6/black) | |
| P6 | Evaporator sensor malfunction (A4/green) | |
| P7 | Humidity sensor malfunction (A8/white) |
| Error code | Cause | Remedial measures |
| P8 | Heat sink sensor malfunction |
|
| P9 | Faulty induction current |
|
| PA | Error in the restart memory |
|
| F1 | Error in the driver module of the compressor |
|
| F2 | Malfunction of the wave-trap |
|
| F3 | Compressor malfunction during start-up |
|
| F4 | Compressor malfunction during operation | |
| F5 | Overcurrent inverter malfunction | |
| F6 | Overtemperature inverter mal- function | |
| F7 | Overflow protection |
|
| F8 | Temperature at the heat sink too high |
|
| F9 | Fan motor malfunction |
|
| FA | Overcurrent protection mains filter malfunction |
|
Shutdown
Press the “ON/OFF” key. The control indicator goes out, the compressor and fan then shut down.
If the units are inactive for long periods, disconnect them from the mains power supply.
Beware of dripping condensate!
Care and maintenance
Care and maintenance
General notes
Regular care and maintenance is fundamental to a long service life and fault-free operation of the unit.
All moving parts have a low-maintenance permanent coat of lubricant. The refrigerant system is designed as a hermetically sealed system and may only be repaired by a specialist.
DANGER!
Before undertaking any work on the units, the mains plug must be removed from the mains socket.
- Observe the regular care and maintenance intervals
NOTICE!
Check the inlet and outlet grille for contamination on a regular basis.
- In accordance with the operating conditions, the units must be checked as and when required, but at least once per year, by a specialist to ensure that they are in a condition that is safe to use
- Keep the units free of dust and other debris
- Only clean the units with a dry or moistened cloth
- Never subject to direct jets of water (e.g. pressure washers etc.)
- Never use abrasive or solvent-based cleaners
- Even with heavy contamination, use only suit-able cleaners
Cleaning the dust filter
NOTICE!
Check the inlet and outlet grille and the dust filter for contamination on a regular basis.
Loosen the two screws and pull out the filter frame. Remove the filter from the frame.
Light contamination of the dust filter may be remedied with careful blowing or suction.
Heavier contamination may be remedied by rinsing the filter in a lukewarm (max. 40°C) soap solution. Finally, always rinse the filter carefully with clear water and allow to dry!
Before refitting the dust filter, ensure that its fully dry and that no damage has been sustained.
NOTICE!
Heavily contaminated dust filters must be replaced with new parts. Only original replacement parts may be used.
The units may only be operated with the dust filter in place.
Opening the unit housing
To open the unit housing, proceed as follows:
- Detach the right-hand side covering (2 screws, pull down and remove)
- Detach the housing cover (4 screws, pull to the right and remove)
- Detach the left side covering (2 screws, pull upwards and remove)
- Detach the front covering (3 screws on each of the four sides). In addition, 2 screws on the lower side, which serve to fix the filter frame. The filter frame does not have to be removed together with the front panel. After removing the front panel, disconnect the dis-play cable connector.
- Detach the heat exchanger covering plate (6 screws, the screws may be located underneath the insulation).
The side covering and the housing cover are provided with fixing lugs. After the screws have been removed, the sheets must first be pulled downwards, to the right or upwards before the part can be removed.
Fig. 10: Opening the unit housing
- a. Position of the screws
- b. Direction of detachment
A2-A8: Position of the sensors
1-5: Sequence of parts to be detached
Cleaning the units
The unit housing must be opened to allow the inside of the unit to be cleaned and to provide access to electrical components.
NOTICE!
Adjustment and maintenance work may only be carried out by authorized qualified technicians.
- Clean the condenser fins by blowing, with suction or using a smooth brush.
- Clean the evaporator fins, for example with a lukewarm soap solution (or similar).
NOTICE!
When cleaning the exchanger, particular care must be taken because the fine aluminium fins bend very easily. - Never subject to direct jets of water.
- Rinse with clean water to remove any remaining soap.
- Clean the internal surfaces of the unit and the fan blade.
- Clean the condensate trap and the connection nozzle.
- Once cleaning has been completed, the unit should be dried. Take particular care with electrical components!
- Re-install all dismantled components in reverse order.
- Carry out a unit function check and electrical safety check.
WARNING!
An electrical safety check must be carried out in accordance with VDE 0701 after any work on the units.
Maintenance protocol
| Unit type: ——————————– | Unit number: ————————————— | |||||||||||||||||||||
| 0 1 | 0 2 | 0 3 | 0 4 | 0 5 | 0 6 | 0 7 | 0 8 | 0 9 | 1 0 | 1 1 | 1 2 | 1 3 | 1 4 | 1 5 | 1 6 | 1 7 | 1 8 | 1 9 | 2 0 | |||
| Unit cleaned – outside – | ||||||||||||||||||||||
| Unit cleaned – inside – | ||||||||||||||||||||||
| Fan blade cleaned | ||||||||||||||||||||||
| Fan housing cleaned | ||||||||||||||||||||||
| Condenser cleaned | ||||||||||||||||||||||
| Evaporator cleaned | ||||||||||||||||||||||
| Fan function checked | ||||||||||||||||||||||
| Air-inlet grid with filter cleaned | ||||||||||||||||||||||
| Unit checked for damage | ||||||||||||||||||||||
| Safety devices checked | ||||||||||||||||||||||
| All fastening screws checked | ||||||||||||||||||||||
| Electrical safety check | ||||||||||||||||||||||
| Test run | ||||||||||||||||||||||
Comments: …………………………………………………………………………………………………………………………………
| 01. Date: …………. …………………………. Signature | 02. Date: …………. …………………………. Signature | 03. Date: …………. …………………………. Signature | 04. Date: …………. …………………………. Signature | 05. Date: …………. …………………………. Signature |
| 06. Date: ………… …………………………. Signature | 07. Date: …………. …………………………. Signature | 08. Date: …………. …………………………. Signature | 09. Date: …………. …………………………. Signature | 10. Date: …………. …………………………. Signature |
| 11. Date: ………… …………………………. Signature | 12. Date: …………. …………………………. Signature | 13. Date: …………. …………………………. Signature | 14. Date: …………. …………………………. Signature | 15. Date: …………. …………………………. Signature |
| 16. Date: ………… …………………………. Signature | 17. Date: …………. …………………………. Signature | 18. Date: …………. …………………………. Signature | 19. Date: …………. …………………………. Signature | 20. Date: …………. …………………………. Signature |
Unit to be maintained only by authorized specialists in accordance with the statutory regulations.
View of the unit and spare parts
View of the unit

We reserve the right to modify the dimensions and design as part of the ongoing technical development process.
Spare parts list
| No. | Designation | ETF 650-S | |
| 1 | Inverter board | 1126100 | |
| 2 | Control board | 1126101 | |
| 3 | Display | 1126102 | |
| 4 | Wave-trap | 1126103 | |
| 5 | Choke | 1126104 | |
| 6 | Electronic expansion valve | 1126105 | |
| 7 | Fan motor | 1126106 | |
| 8 | Temperature probes | 1126107 | |
| 9 | Compressor | 1126108 | |
| 10 | Fin condenser | 1126109 | |
| 11 | Fin evaporator | 1126110 | |
| 12 | High pressure switch | 1126111 | |
| 13 | Low pressure switch | 1126112 | |
| 14 | Low pressure valve | 1126113 | |
| 15 | Fan | 1126114 | |
| 17 | Housing cover | 1126115 | |
| 18 | Front panel | 1126116 | |
| 19 | Side covering, right | 1126117 | |
| 20 | Side covering, left | 1126118 | |
| 21 | Back wall | 1126119 | |
| 22 | Mounting rail, right | 1126120 | |
| 23 | Housing base plate | 1126121 | |
| 24 | Wall mounting rail | 1126122 | |
| Spare parts not illustrated | |||
| Condensate hose | 1126124 | ||
| Mains cable with plug | 1126125 | ||
To ensure the correct delivery of spare parts, please always provide the unit type with its corresponding serial number (see name plate).
Index
A
- Air dehumidification, description . . . . . . . . . . . . . 9
- Automatic restart after power failure . . . . . . . . . 15
C
- Care . . . . . . . . . . . . . . . . . . . . . . . . . . . . . . . . . 21
- Care and maintenance . . . . . . . . . . . . . . . . . . . 21
- Clean dust filter . . . . . . . . . . . . . . . . . . . . . . . . . 21
- Clean units . . . . . . . . . . . . . . . . . . . . . . . . . . . . 23
- Cleaning the dust filter . . . . . . . . . . . . . . . . . . . 21
- Cleaning the units . . . . . . . . . . . . . . . . . . . . . . . 23
- Commissioning . . . . . . . . . . . . . . . . . . . . . . . . . 15
- Condensate removal . . . . . . . . . . . . . . . . . . . . . 17
- Condensate trap, function . . . . . . . . . . . . . . . . . 11
- Condensation heat . . . . . . . . . . . . . . . . . . . . . . 11
- Condensation of water vapour . . . . . . . . . . . . . . 11
- Control and display panel: . . . . . . . . . . . . . . . . . 15
- Customer service . . . . . . . . . . . . . . . . . . . . . . . 18
D
- Display of error codes . . . . . . . . . . . . . . . . . . . . 18
- Disposal of equipment . . . . . . . . . . . . . . . . . . . . . 7
- Drying materials . . . . . . . . . . . . . . . . . . . . . . . . 10
E
- Electrical wiring . . . . . . . . . . . . . . . . . . . . . . . . . 14
- Electrical wiring diagram . . . . . . . . . . . . . . . . . . 14
- Environmental protection . . . . . . . . . . . . . . . . . . . 7
- Error codes, display and description . . . . . . . . . 18
- Exploded view . . . . . . . . . . . . . . . . . . . . . . . . . . 25
L
- Locations for use . . . . . . . . . . . . . . . . . . . . . . . . 12
M
- Maintenance . . . . . . . . . . . . . . . . . . . . . . . . . . . 21
- Malfunction . . . . . . . . . . . . . . . . . . . . . . . . . . . . 19
O
- Operating sequence . . . . . . . . . . . . . . . . . . . . . 12
- Operational malfunctions . . . . . . . . . . . . . . . . . . 19
- Ordering spare parts . . . . . . . . . . . . . . . . . . . . . 26
R
- Relative air humidity . . . . . . . . . . . . . . . . . . . . . 10
S
- Safety
- Dangers of failure to observe the safety
- notes . . . . . . . . . . . . . . . . . . . . . . . . . . . . . . . 4
- General . . . . . . . . . . . . . . . . . . . . . . . . . . . . . 4
- Identification of notes . . . . . . . . . . . . . . . . . . . 4
- Note for inspection work . . . . . . . . . . . . . . . . . 5
- Note for installation work . . . . . . . . . . . . . . . . 5
- Note for maintenance work . . . . . . . . . . . . . . 5
- Notes for the operator . . . . . . . . . . . . . . . . . . 5
- Personnel qualifications . . . . . . . . . . . . . . . . . 4
- Safety-conscious working . . . . . . . . . . . . . . . . 5
- Unauthorised modification . . . . . . . . . . . . . . . 6
- Unauthorised replacement part manufacture . 6
- Setting up the unit . . . . . . . . . . . . . . . . . . . . . . . 13
- Shutdown . . . . . . . . . . . . . . . . . . . . . . . . . . . . . 20
- Spare parts list . . . . . . . . . . . . . . . . . . . . . . . . . 26
- Starting the unit . . . . . . . . . . . . . . . . . . . . . . . . . 15
T
- Troubleshooting and customer service . 18
V
- View of the unit . 25
W
- Warranty . . . . . . . . . . . . . . . . . . . . . . . . . . . . . . . 6
- Water vapour content . . . . . . . . . . . . . . . . . . . . 10
- Water vapour, condensation . . . . . . . . . . . . . . . 11
REMKO QUALITY WITH SYSTEMS
Air-Conditioning | Heating | New Energies
REMKO GmbH & Co. KG Klima- und Wärmetechnik
Im Seelenkamp 12 32791 Lage
Telephon e +49 (0) 5232 606- 0
Telefax +49 (0) 5232 606-260
E-mail [email protected]
URL www.remko.de
Hotline within G ermany
+49 (0) 5232 606-0
Hotline Internationa l
+49 (0) 5232 606-130



















