best iQ6 Internal Blower

WARNING REDUCE THE RISK OF FIRE, ELECTRIC SHOCK, OR INJURY TO A PERSON(S) OBSERVE THE FOLLOWING:
- Use this unit only in the manner intended by the manufacturer. If you have questions, contact the manufacturer at the address or telephone number listed in the warranty.
- Before servicing or cleaning the unit, switch the power off at the service panel and lock the service disconnecting means to prevent power from being switched on accidentally. When the service disconnecting means cannot be locked, securely fasten a prominent warning device, such as a tag, to the service panel.
- Installation work and electrical wiring must be done by qualified personnel in accordance with all applicable codes and standards, including fire-rated construction codes and standards.
- Sufficient air is needed for proper combustion and exhausting of gases through the flue (chimney) of fuel-burning equipment to prevent back-drafting. Follow the heating equipment manufacturer’s guidelines and safety standards such as those published by the National Fire Protection Association (NFPA), the American Society for Heating, Refrigeration and Air Conditioning Engineers (ASHRAE), and the local code authorities.
- When cutting or drilling into wall or ceiling, do not damage electrical wiring and other hidden utilities.
- Ducted fans must always be vented to the outdoors.
- Do not use this range hood with any additional solid-state speed control device.
- To reduce the risk of fire, use only steel ductwork.
- This unit must be grounded.
TO REDUCE THE RISK OF A RANGE TOP GREASE FIRE:
- Never leave surface units unattended at high settings. Boilovers cause smoking and greasy spillovers that may ignite. Heat oils slowly on low or medium settings.
- Always turn hood ON when cooking at high heat or when cooking flaming foods.
- Clean ventilating fans frequently. Grease should not be allowed to accumulate on fan or filter.
- Use proper pan size. Always use cookware appropriate for the size of the surface element.
WARNING
TO REDUCE THE RISK OF INJURY TO PERSON(S) IN THE EVENT OF A RANGE TOP GREASE FIRE,OBSERVE THE FOLLOWING*:
- SMOTHER FLAMES with a close-fitting lid, cookie sheet, or metal tray, then turn off the burner. BE CAREFUL TO PREVENT BURNS. IF THE FLAMES DO NOT GO OUT IMMEDIATELY, EVACUATE AND CALL THE FIRE DEPARTMENT.
- NEVER PICK UP A FLAMING PAN – You may be burned.
- DO NOT USE WATER, including wet dishcloths or towels – This could cause a violent steam explosion.
- Use an extinguisher ONLY if:
- You know you have a Class ABC extinguisher and you know how to operate it.
- The fire is small and contained in the area where it started.
- The fire department has been called.
- You can fight the fire with your back to an exit.
Based on “Kitchen Fire Safety Tips” published by NFPA.
CAUTION
- For general ventilating use only. Do not use to exhaust hazardous or explosive materials and vapors.
- To avoid motor bearing damage and noisy and/or unbalanced impellers, keep drywall spray, construction dust, etc. off power unit.
- This blower has a thermal overload which will automatically shut off the motor if it becomes overheated.The motor will restart when it cools down.If the motor continues to shut off and restart, have the hood serviced.
- Please read specification label on product for further information and requirements.
- To reduce the risk of fire and to properly exhaust air on a ducted installation, be sure to duct air outside – Do not exhaust air into spaces within walls or ceiling or into attics, crawl spaces, or garage.
INSTALLER:
Save this manual for Electrical Inspector and Homeowner to use.
INSTALLATION

- Run power cable to installation location.
- Remove one electrical knockout from rough in plate wiring box.
VERTICAL DISCHARGE
(UP26M, UP27M, WP28M, WP29M, IP29M)
HORIZONTAL DISCHARGE
(WP28, WP29)
- Attach rough in plate to mounting studs at inside of hood with (4) existing 10-32 Hex Nuts.

- Remove wiring cover.
- Connect power cable to wiring box using proper connector. Connect Black to Black (hot), White to White (neutral) and Green or Bare wire (ground) under second ground screw. Replace wiring cover.
- Run 8” round steel duct to installation location.
- Connect duct to damper. Seal using duct tape to make all joints secure and air tight.

- Install the calibration button assembly using (2) screws (provided).

- Plug blower power cord and rough in plate power cord into hood receptacles
- Wrap excess wires with wire ties (provided) to prevent contact with blower wheel.
CALIBRATE iQ BLOWER SYSTEM
INTERNAL BLOWER DUCTED UNITS ONLY
After the hood is installed and wired, engage the calibration process (our Guaranteed Performance System Technology to ensure full-rated airflow is being delivered). Prior to calibration, ensure that all filters, light bulbs and duct system are installed.
CALIBRATION PROCESS
Hold the calibration button for 3 seconds; the calibration button will light up and stay on for up to 13 minutes. The blower will start and begin the calibration process. When calibration is complete, one of two things will occur:
- The blower turns off and the calibration button light stays on = Successful calibration. Press the button to turn off the LED.
Note: The LED will also turn off if you select any blower speed on the control. - The blower turns off and the calibration button light blinks continuously = Too much restriction in the ductwork is preventing the IQ Blower System™ from achieving the rated airflow. The blower is automatically set to maximum intensity.
NOTE: Common items that cause restrictions: restricted damper flap (backdraft damper, wall cap, roof cap), too many elbows, duct size less than 80% of hood outlet, poor transition, use of flex ducting and/or crushed ducting. Three options are available if your hood system has too many restrictions:
- Accept airflow as is.
- Press the calibration button to accept airflow as is. The IQ Blower System™ is now configured to the highest possible performance. The blinking calibration light goes out. Note: The LED will also turn off if you select any blower speed on the control.
- Correct duct restriction, clear the original calibration data, and repeat the calibration process.
- Correct the duct restriction.
- Clear the original calibration data by holding the calibration button for 10 seconds. The light will blink 3 times to confirm and the blower configuration will go back to default settings.
- Repeat the calibration process from the beginning.
- Clear calibration data to reset the hood to the default factory setting and achieve standard high-pressure blower performance.
- Clear calibration data and reset the hood to the factory default setting by holding the calibration button for 10 seconds. The light will blink 3 times to confirm and the blower configuration will go back to default settings.
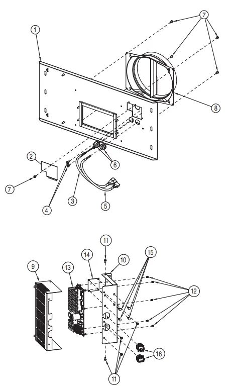
SERVICE PARTS
Model iQ6
| KEY NO. | PART NUMBER | DESCRIPTION | QTY |
| 1 | 97019389 | ROUGH IN PLATE WELDMENT | 1 |
| 2 | 98003370 | OUTLET BOX COVER | 1 |
| 3 | 99440033 | POWER CORD | 1 |
| 4 | 99150471 | SCREW, #10-32 X 1/2 HEX | |
| WASHER HEAD | 2 | ||
| 5 | 99271500 | BOARD POWER WIRE HARNESS | 1 |
| 6 | 99400060 | STRAIN RELIEF | 2 |
| 7 | 99170245 | SCREW, #8-18X3/8” | 5 |
| 8 | SV08543 | 8” DAMPER | 1 |
| # | 97019456 | ROUGH IN KIT (COMPLETE) | |
| (INCLUDES KEYS 1-7) | |||
| 9 | PCB ENCLOSURE RIGHT | 1 | |
| 10 | PCB ENCLOSURE LEFT | 1 | |
| 11 | 99170245 | SCREW, #8-18X3/8” | 5 |
| # | 97019457 | PCB ENCLOSURE KIT | |
| (INCLUDES KEYS 9-11) | |||
| 12 | SCREW, 3MM X 6MM PH | ||
| W/LOCK WASHER | 5 | ||
| 13 | IQ6 PCB BOARD | 1 | |
| # | 97019458 | IQ6 PCB BOARD KIT | |
| (INCLUDES KEY 12 AND KEY 13) | |||
| 14 | PCB TRIAC BOARD | 1 | |
| 15 | STANDOFF | 4 | |
| # | 97019471 | PCB TRIAC BOARD KIT | |
| (INCLUDES KEY 14 AND 15) | |||
| 16 | 99400088 | STRAIN RELIEF | 2 |
| 17 | 97018985 | BLDC BLOWER | 1 |
| + | 99271491 | SPEED CONTROL WIRE HARNESS | 1 |
| + | 99271503 | CALIBRATION BUTTON | |
| WIRE HARNESS | 1 | ||
| + | 99260488 | NUT WHIZ 10-24 | 6 |


+ NOT SHOWN
# NOT SHOWN ASSEMBLED
* STANDARD HARDWARE. MAY BE PURCHASED LOCALLY.
WARRANTY
ONE-YEAR LIMITED WARRANTY FOR BEST PRODUCTS
Broan-NuTone LLC (Broan-NuTone) warrants to the original consumer purchaser of Best products that such products will be free from defects in materials or workmanship
for a period of one year from the date of the original purchase. THERE ARE NO OTHER WARRANTIES, EXPRESS OR IMPLIED, INCLUDING, BUT NOT LIMITED TO, IMPLIED WARRANTIES OR MERCHANTABILITY OR FITNESS FOR A PARTICULAR PURPOSE. During this one-year period, Broan-NuTone will, at its option, repair or replace, without charge, any product or part which is found to be defective under normal use and service. THIS WARRANTY DOES NOT EXTEND TO FLUORESCENT LAMP STARTERS, TUBES, HALOGEN AND INCANDESCENT BULBS, FUSE, FILTERS, DUCTS, ROOF CAPS, WALL CAPS, AND OTHER ACCESSORIES FOR DUCTING. This warranty does not cover (a) normal maintenance and service or (b) any products or parts which have been subject to misuse, negligence, accident, improper maintenance or repair (other than by Broan-NuTone), faulty installation or installation contrary to recommended installation instructions. The duration of any implied warranty is limited to the one-year period as specified for the express warranty.
Some states do not allow limitations on how long an implied warranty lasts, so the above limitation may not apply to you. BROAN-NUTONE’S OBLIGATION TO REPAIR OR REPLACE, AT BROAN-NUTONE’S OPTION, SHALL BE THE PURCHASER’S SOLE AND EXCLUSIVE REMEDY UNDER THIS WARRANTY. BROAN-NUTONE SHALL NOT BE LIABLE FOR INCIDENTAL, CONSEQUENTIAL, OR SPECIAL DAMAGES ARISING OUT OF OR IN CONNECTION WITH PRODUCT USE OR PERFORMANCE. Some states do not allow the exclusion or limitation of incidental or consequential damages, so the above limitation or exclusion may not apply to you. This warranty gives you specific legal rights, and you may also have other rights, which vary from state to state. This warranty supersedes all prior warranties. To qualify for warranty service, you must (a) notify Broan-NuTone at the address or telephone number stated below, (b) give the model number and part identification and (c) describe the nature of any defect in the product or part. At the time of requesting warranty service, you must present evidence of the original purchase date.
In USA – BEST® Hartford, Wisconsin 800-558-1711
In Canada – BEST® Drummondville, QC 866-737-7770
www.BestRangeHoods.com























