KICKASS UNI ZONE Portable Fridge Freezer

Please read all instructions and the safety section carefully before using your new KickAss refrigerator® .
Features
- Digital electronic thermostat with LED temperature display
- Bluetooth for remote control and monitoring of the fridge with your smartphone Reliable refrigeration system using the Secop compressor
- Efficient electronic technology, low energy consumption
- Multi-Voltage System (DC 12-24 Volt) and (AC 100-120 Volt)
- Anderson power connection and accessory socket outlets
- Adjustable low voltage battery protection
Please ensure all safety and operational instructions are read carefully to get the maximum benefit from your new fridge.
IMPORTANT SAFETY SYMBOLS
Warning! – Safety Directive
Failure to observe this directive could lead to serious injury.
Caution! – Safety Directive
Failure to observe this directive could lead to injury or damage to the appliance.
Note! – Important Information
Failure to observe this note may lead to damage to the appliance or impede performance.
IMPORTANT SAFETY INSTRUCTIONS
WARNING: Do not touch exposed cables.
- Do not use fridge if you suspect any connections could be wet.
- When using the fridge in the vehicle or boat, please make sure the circuit being used is fused. If using a 110V AC power source ensure the supply is fitted with a residual current device.
CAUTION: Any installation of DC power systems should be handled by a qualified professional. Make sure the source voltage is correct. The technical data label has the voltage data. Do not place any electrical devices inside the refrigerator as moisture could harm these devices.
WARNING: When positioning the appliance, ensure the supply cord is not trapped or damaged.
- Do not locate multiple portable socket-outlets or portable power supplies at the rear of the appliance.
This appliance is not intended for use by persons (including children) with reduced physical, sensory or mental capabilities, or lack of experience and knowledge, unless they have been given supervision or instruction concerning use of the appliance by a person responsible for their safety. Children should be supervised to ensure that they do not play with the appliance. - fill with potable water only.
Do not store explosive substances such as aerosol cans with a flammable propellant in this appliance. - This appliance is intended to be used in household and similar applications such as
- staff kitchen areas in shops, offices and other working environments;
- farm houses and by clients in hotels, motels and other residential type environments;
- bed and breakfast type environments;
- catering and similar non-retail applications.
- The appliance contains fluorinated greenhouse gases.
Chemical name of the gas: R134a
Fluorinated greenhouse gases are contained in hermetically sealed equipment.
An electrical switchgear has a tested leakage rate of less than 0.1 % per year as set out in the technical specification of the manufacturer.
CORRECT DISPOSAL OF THIS PRODUCT
This marking indicates that this product should not be disposed with other household wastes throughout the EU. To prevent possible harm to the environment or human health from uncontrolled waste disposal, recycle it responsibly to promote the sustainable reuse of material resources. To return your used device. Please use the return and collection systems or contact the retailer where the product was purchased. They can take this product for environmental safe recycling.
CONTENTS IN THE BOX


SETUP
GENERAL
Note! – Your refrigerator requires good ventilation, especially around the vents of the refrigerator; allow a gap of at least 8 inches around the vents.
Caution! -Humidity inside the appliance can form frost and impair cooling. Do not allow frost to build up. Never clean the appliance using a hose and never submerge the unit in any liquid.
- Avoid placing your refrigerator near a heat source. This helps the refrigerator to work more efficiently and keep the contents cool.
- Place the refrigerator on a flat surface and away from any edges. When using the fridge in a vehicle, please use a fastening device to secure it.
Caution! – The appliance can only be connected to one power source at a time.
Note! – Water resistant rating IPX4.
Note! – Suitable for camping use.
ELECTRICAL
- Power: The electronic control module controls the compressor motor and includes three stage battery protection. When the input voltage drops below the minimum, the compressor will cut out; when the voltage rises to the cut-in value, the compressor will restart automatically.
- Battery Protection: The Secop Compressor requires approximately 10.6Volts (12Volt System). Note: The early warning alarm will sound off every 4 seconds for 30 minutes before the compressor shuts off. If an alternative power source is not found, the early warning alarm will sound off every 8 seconds for 30 mins until the unit has no more power.
BATTERY PROTECTION VOLTAGES
| Voltage Setting | 12V Battery Protection | ||
| Turn Off Compressor (to protect battery) | Early warning alarm system will notify before turning off compressor (to protect battery) | Turn On Compressor | |
| Low Level | 10.3V | 10.6V | 11.4V |
| Medium Level | 11.1V | 11.3V | 12.2V |
| High Level | 11.6V | 11.9V | 12.7V |
|
Voltage Setting | 24V Battery Protection | ||
| Turn Off Compressor (to protect battery) | Early warning alarm system will notify before turning off compressor (to protect battery) | Turn On Compressor | |
| Low Level | 21.5V | 23.0V | |
| Medium Level | 23.3V | 23.6V | 25.3V |
| High Level | 24.5V | 24.8V | 26.2V |
CABLE SPECIFICATION
The DC cables must have a suitable cross-section for their length, according to this table:

Note! The length is from the battery to the refrigerator.
CONTROL PANEL
SINGLE ZONE

DUAL ZONE

OPERATION – GENERAL



MAIN POWER PANEL


MAKE SURE YOU DON’T HAVE ANY OBSTRUCTIONS

For emergency purposes (faulty operation or control panel not working properly) there’s an override switch users can use. To access the override switch you need to remove the cover, the override switch is not visible or accessible until the cover is removed. You can flick the override switch to bypass the control panel and force the fridge to cool up and freeze what you have in the fridge. This will however only freeze the zone of the fridge that is currently turned on before flicking the override switch.
NOTE: If the override switch is turned on, the control panel will show the temperature and voltage but you will not be able to set them
DRAINAGE BUNG

HOW TO PUT THE FRIDGE COVER ON
We recommend having 2 people lift the fridge together when putting the fridge cover on as the unit is heavy.


Important Note – Please remove the cover of the fridge once a month and wipe any condensation or moisture build up off of the fridge and the cover.
If using the drainage bung please remember to remove the fridge from the cover and wipe any excess liquid from the fridge once done.

OPERATION – BLUETOOTH
This fridge has been designed with the latest bluetooth technology to remote control and monitor temperature from your smartphone. To get started please download the KA Outback Proof Gear FRIDGE app from the Google
Play store or the Apple iTunes Store. Once the APP is installed please follow these easy instructions to be able to control and monitor your fridge.
Turn on your phone’s bluetooth and location services.
Tap on the “Connect To Fridge” (fig. 1) on the phone when the fridge appears in the app.

Connect with the fridge by selecting your device on the list of devices found via bluetooth (fig. 2). Enter your verification code. The method for acquiring verification code is explained below (fig. 4).

On the login screen enter the verification code (fig. 3) using the 4 characters you have obtained on the fridge control panel (fig. 4).

When adding the verification code, add leading “00” in front of the 4 characters you have. In our example we have obtained 084F on the control panel, adding 2 zeroes in front, our verification code is 00084F.
After powering on the Kickass Fridge, press the button on the right corner of control panel (cooling speed button) and then the display will show four characters as the Bluetooth ID (Verification Code) from control panel.
In the example on fig. 1, the bluetooth/verification code is 0986.


POWER ON/OFF – Turn off the fridge
FRIDGE ALIAS – Bluetooth connection name
FRIDGE ZONE TEMP – Display current zone temperature.
FRIDGE ZONE TEMP ADJUST BUTTONS – Adjust a zone’s current temperature with the TEMP UP and TEMP DOWN buttons.
SWITCH BATTERY PROTECTION LEVEL – Adjust the level of drain allowed for the fridge on the connected battery.
COOLING SPEED ADJUST – Adjust the compressor cooling speed for the fridge.
ADVANCE SETTINGS BUTTON – Switch to the graph screen to check the fridge performance
TEMPERATURE METRIC – Switch view of the graph screen to either show as Fahrenheit or Celsius.

TROUBLESHOOTING THE BLUETOOTH APP
Question : I can not see or connect the Bluetooth APP
- Make sure Bluetooth is turned on, on your device.
- Make sure you are in range of the fridge (normally around 10-20meters)
- Make sure you are using the correct verification code for the Bluetooth APP
- Try turning the Bluetooth off and on.
If the above failed then follow the below steps: - Uninstall the APP or close all APPs in the background
- Turn both the fridge and the phone off for a couple of minutes.
- Re-install the APP
If you are still having problems please do not hesitate to contact Kickass.
CLEANING AND MAINTENANCE
Clean the appliance inside and out with a damp cloth after every use. If it is dirty, use sodium bicarbonate dissolved in lukewarm water to clean the unit.
Note! Never use abrasive products, detergents or soap. After washing, rinse with clean water and dry carefully. Do not leave the refrigerator off with food inside or lid closed.
Caution! Never clean the appliance under running water. Do not use abrasive cleaning agents or hard objects during cleaning as these can damage the refrigerator.
TROUBLESHOOTING
The appliance is not turning on
- Hold ON button
- Check the power supply
- Check if the plug and the socket have a good connection
- Check if the fuse requires replacement
The food inside is frozen - The setting temperature is too low
Check the set temperature and if above freezing, please contact us.
Bad performance in refrigeration - The temperature setting is inappropriate
- The lid is unlocked/or open
- The lid seal is broken
- Problems arising from poor ventilation
- Too much food has been placed inside the refrigerator There is too much warm product inside
- There is a heat source near the unit
The sound of water can be heard from inside the unit
- This is normal, due to the flow of the refrigerant
Unusual noise when refrigerator is working - Check if the surface the refrigerator is on is level
- Loose componentry inside the refrigeration compartment (see a service agent)
PLEASE NOTE : This fridge is fitted with an automatic 60 second re-start delay. This will be activated if your fridge enters an error mode. This is to protect the fridge if an error has occurred.
ERROR CODES
| Error Code | Error type can be read out on the control display |
|
Error 1 | Battery protection cut-out ● Please check the source voltage to ensure it is above the cut out. Try lowering the voltage cut out setting to LOW ● The vehicle cabling may be inadequate/unsuitable. Please refer to cable specification table for correct cable thickness (Page3) ● Try on a different power source |
|
Error 2 | Fan issue ● Fan is drawing too many Amps(Over 1 Amp)
Contact Kickass |
|
Error 3 | Compressor Start Issues ● Unplug for 10 minutes ● Try on a different power source ● Possible electronic box or compressor fault
Contact Kickass |
|
Error 4 | Compressor speed is too low ● Unplug for 10 minutes ● Reduce product load inside unit ● Move unit to a lower ambient temperature ● Clean vents/ensure clear air-flow over compressor |
| Error 5 | Ambient Temperature too high ● Clean Vents/ensure clear air flow |
| Error 6/7 | Thermostat failure ● Check if the NTC thermistor has a short circuit or has no connection |
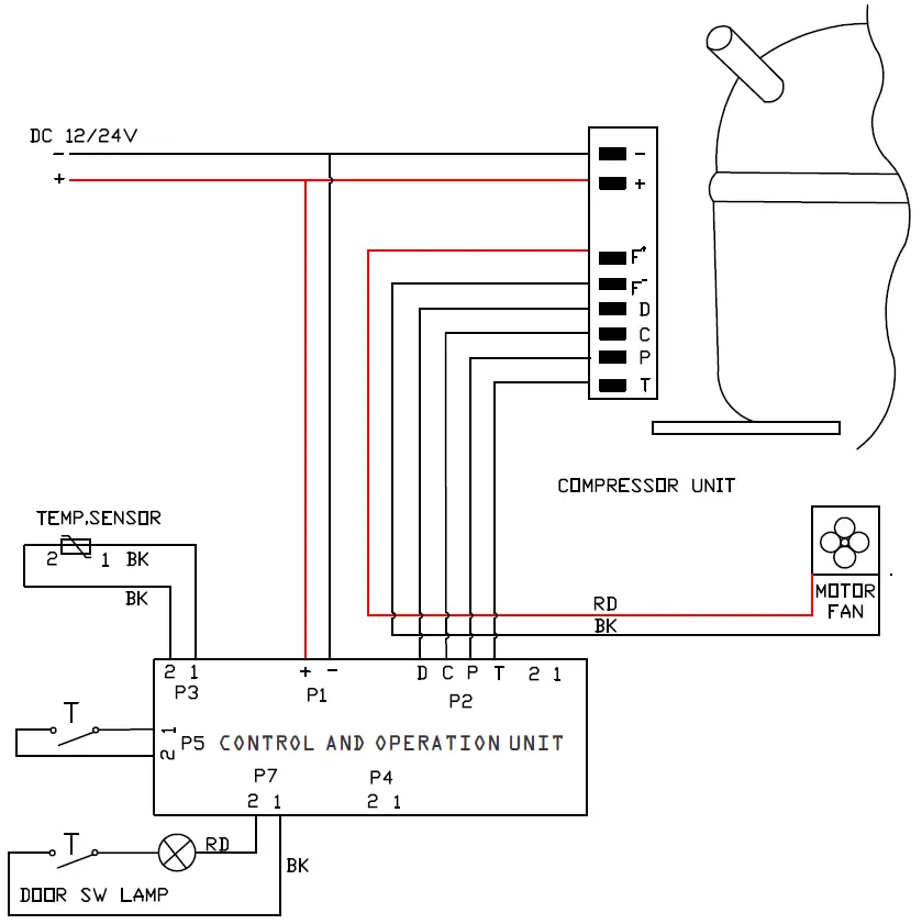
WIRING DIAGRAM – SINGLE ZONE

WIRING DIAGRAM – DUAL ZONE

WARRANTY STATEMENT
TERMS AND CONDITIONS
KickAss® undertakes to the original purchaser that this product is sold free of defect in materials and/or workmanship under normal use for a period of 2 YEARS. Subject to the following: –
- The warranty period commences from the date of purchase by the original purchaser from an authorized KickAss® dealer.
- KickAss® will honour this warranty on presentation of proof of purchase of the unit to KickAss® or its approved service agent. The service agent may be requested to provide KickAss® with a photocopy of the proof of purchase to obtain approval to proceed prior to warranty being honored.
- Please submit any warranty claims to [email protected].
- KickAss® will not be held responsible for any damage or loss suffered or cost incurred whilst fridge is in transit.
- Warranty repairs may only be carried out by an authorized service agent.
- KickAss® will not reimburse repair claims carried out by unauthorized service agents. Any unauthorized tampering with any part of the unit will automatically void the warranty.
- Service agents may charge a fee for viewing or testing the unit. This is not covered by KickAss® or this warranty and is payable at the service point unless authorized by KickAss®.
- Any KickAss® authorized service center in the United States will be able to carry out the service of your unit. If a repair needs to be undertaken and is covered in terms of this warranty a Warranty Authorization Number must be obtained prior to commencement of any work.
KickAss® will not accept a warranty claim if:
- Modifications have been carried out to the unit without KickAss® written authority.
- Damage to or failure of the unit has been caused in KickAss® opinion by incorrect, extreme or unreasonable use.
- Damage to or failure of the unit has been caused in KickAss® opinion by misuse, neglect, accident, impact or similar cause. Refer the preventative maintenance guidelines.
- KickAss® has total discretion on the variation of the warranty terms.
- Our goods come with guarantees that cannot be excluded under the Federal Trade Commission. You are entitled to a replacement or refund for major failure and for compensation for any other reasonably foreseeable loss or damage. You are also entitled to have the goods repaired or replaced if the goods fail to be of acceptable quality and the failure does not amount to a major failure.
- The above warranty conditions are in addition to any other rights and/or remedies as per the applicable law.
- Failure to follow the guidelines/recommendations in this manual may void the warranty
- This warranty cannot be varied by others.
For warranty, please send inquires to [email protected]




















