GTB/GSB
Translation of original operating instructions
BENCH DRILL

![]()
Technical Data
| Model | GTB 13 | GTB 16/5 | GTB 16/5 R+L | GTB 20/12 | GTB 20/12 R+L |
| Supply voltage: Motor capacity: Chuck: Quill stroke: Taper attachment: Reach: Bench size: Base plate size: Total height: Quill speed: Ordering No.: | 230 V/50 Hz 180 W 13 mm 50 mm MK 1/B16 105 mm 164 x 164 mm 295 x 185 mm 580 mm 500-2500 rpm. 55120 | 230 V 600 W 16 mm 60 mm MK 2 126 mm 200 x 195 mm 348 x 210 mm 840 mm 5 dg 460-2480 rpm 55190 | 400 V 600 W 16 mm 60 mm MK 2 126 mm 200 x 195 mm 348 x 210 mm 840 mm 12 dg 230-2470 rpm 55192 | 230 V 800 W 16 mm 80 mm MK 2 178 mm 300 x 300 mm 456 x 270 mm 1065 mm 12 dg 180-2740 rpm 55193 | 230 V 800 W 16 mm 80 mm MK 2 178 mm 300 x 300 mm 456 x 270 mm 1065 mm 12 dg 180-2740 rpm 55194 |
| Model | GSB 20/12 | GSB 20/12 R+L GSB 25 | R+L | GSB 32 R+L |
| Supply voltage: Motor capacity: Chuck: Taper attachment: Quill stroke: Reach: Bench size: Base plate size: Total height: Quill speed: Ordering No.: | 230 V 600 W 16 mm MK 2 80 mm 178 mm 300 x 300 mm 456 x 270 mm 1610 mm 12 dg 180-2740 rpm 55195 | 400 V 800 W 16 mm MK 2 80 mm 178 mm 300 x 300 mm 456 x 270 mm 1610 mm 12 dg 180-2740 rpm 55197 | 400 V 1100 W 3-16 mm MK 3/B16 120 mm 210 mm 335 x 335 mm 520 x 305 mm 1670 mm 16 dg 160-3000 rpm 55423 | 400 V 1500 W 3-16 mm MK 4 120 mm 255 mm 423 x 475 mm 450 x 580 mm 1720 mm 12 dg 120-3480 rpm 55435 |
Microswitch Safety Device
In the drill belt enclosure, a safety switch is fitted. The machine will not start when the enclosure cover is opened or not properly closed.
Always check this microswitch functioning when you experience troubles at start-up. However, never leave the machine on when handling this microswitch manually. That could result in serious injury.!
Drills-Specific Safety Precautions
WARNING: DO NOT OPERATE THE MACHINE BEFORE IT IS COMPLETELY ASSEMBLED AND INSTALLED IN COMPLIANCE WITH INSTRUCTIONS.
- NEVER SWITCH THE DRILL ON BEFORE YOU REMOVE ANY OBJECTS FROM THE BENCH (tools, wastes, etc.).
- NEVER put your hands and finger close to the drill bit.
- DO NOT ATTEMPT to drill material with a surface other than flat unless suitable support is available.
- NEVER switch the machine on while pressing the drill bit against the material.
- Before switching the machine on, MAKE SURE that the bench-clamping lever is firmly tightened.
- NEVER draw anything on the piece to be drilled, do not mount, do not clamp the material on the bench while the machine is running.
- MAKE SURE that the bit is firmly clamped in the chuck.
- Before switching the machine on, MAKE SURE that the chuck key is removed.
- ADJUST the bench or the down stop to avoid drilling in the bench.
- ALWAYS stop the bit before removing chips from the bench.
- USE A CLIP OR CLAMPING JAWS to secure the piece to be drilled on the bench.
- DON´T wear gloves when operating the drill.
- Before leaving the machine, PUT THE CURRENT SUPPLY OFF, remove the bit and clean the bench.
- Set the drill to speed answering a specific job.
- If a part of the drill is missing or found damaged or if an electrical component does not work properly, switch the current supply off and pull the cable out of the socket. replace the missing, damaged, or not working components and only then resume the machine operation.
Follow the above safety regulations!!
Electrical Part Information
Grounding Instructions
IN CASE OF FAULT OR OUTAGE, grounding guarantees the current the least resistance passage and reduces the risk of electrical shock. This machine has a power cable fitted with a grounding conductor and grounding plug.
The plug MUST be inserted in the interconnecting socket conforming to ANY local regulations and properly installed and grounded in compliance with the same.
DO NOT ALTER THE PLUG SUPPLIED IN ANY WAY. If it does not fit in your socket, have a matching socket installed by a qualified electrician.
UNQUALIFIED CONNECTION of the grounding conductor may entail a risk of electrical shock. The green insulated conductor (with/without yellow stripes) is the grounding conductor. If repair or replacement of the
power cable or the plug is required, DO NOT CONNECT the grounding conductor to the conductive input terminal.
If you do not quite understand grounding instructions or if you are not sure that the machine is grounded as
appropriate, invite a qualified electrician or a servicing staff to CHECK the grounding conductors.
CAUTION: IF IN DOUBT ABOUT YOUR SOCKET APPROPRIATENESS, MAKE SURE THAT IT IS GROUNDED AS REQUIRED. IF YOU ARE NOT SURE, HAVE IT CHECKED BY A QUALIFIED ELECTRICIAN.
WARNING: THIS DRILLING MACHINE IS DESIGNED FOR WORKING INDOORS ONLY. NEVER EXPOSE IT TO RAIN AND DO NOT USE IT IN ANY WET AREAS.
WARNING: THE MACHINE IS PERMITTED FOR OPERATION PROVIDED THAT IT IS CONNECTED TO A VOLTAGE SOURCE USING A FAULT CURRENT PROTECTION SWITCH.
Make sure that the extension cable’s working condition is good. Provided that an extension cable is used, make sure that the cross-section of it is sufficient for it to conduct the current needed for the product. An undersized extension cable will cause a voltage drop resulting in current loss and overheating. The table below shows the correct sizes to be sed subject to the cable length and the current value shown on the plate. If in doubt, use the nearest bigger size.
The extension cable sizes shown in the table will provide against a voltage drop above 5% at an estimated load.
| Current (plate value) | 3 | 6 | 10 | 12 |
| Extension cable length | Conductor cross-section mm 2 | |||
| 7.5 m | 0.75 | 0.75 | 1.0 | 1.25 |
| 15 m | 0.75 | 0.75 | 1.0 | 1.5 |
| 22.5 m | 0.75 | 0.75 | 1.0 | 1.5 |
| 30 m | 0.75 | 0.75 | 1.25 | 1.5 |
| 45 m | 0.75 | 1.25 | 1.5 | 2.5 |
Meet Your Drill
| 1 – Rotation speed indication 2 – Screw 3 – Drill depth adjustment scale 4 – Scale pointer 5 – Set screw 7 – Guide wheel 8 – Motor pulley 9 – Down stop 10 – Motor clamping lever 11 – Speed control knob 12 – Quill return spring 13 – Quill (assembly) 14 – Chuck 15 – Rack ring 16 – Bench 17 – Advancement hand lever | 18 – Pitch adjustment scale 18a – Setting screw 18b – Nut 19 – Knockout wedge 20 – Bench arm 21 – Quill bushing 22 – Bench clamp tightening lever 23 – Column 24 – Bench crank 25 – Bench arm tightening lever 26 – Taper drift 27 – Mounting holes 28 – Rack 29 – Chuck 30 – Base plate 31 – Chuck tightening key 32 – Bench bracket |

Assembling
Assembling and Cleaning
Carefully unpack the drill and all the parts and compare it against the list below. Do not throw away the carton and wrap it until the drill press is completely assembled.
Any worked surface is treated with a protective coating to protect the machine against moisture. Remove the coating using a soft cloth wetted with kerosene or WD-40 agent. Never use acetone. petrol or solvents for CLEANING.
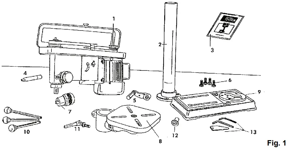
Parts Fig. 1
| 1 – Motor assembly 2 – Column 3 – Service instruction (manual) 4 – Tapered drift 5 – Bench crank 6 – Screws/bolts 7 – Chuck and chuck’s key | 8 – Bench 9 – Base plate 10 – Stems/advancement lever 11 – Column lock lever 12 – Top knob 13 – 2 hex-wrenches & cotter |

Warning: If a part is missing or found damaged. do not connect the drill to the voltage source until the missing or defective part is replaced and the assembly completed.

Assembly tooling:
- Monkeywrench
- Screwdriver*
- Hammer and a piece of wood
Column Base Plate Assembling (Fig. 3)
- Align the column to the holes in the base plate.
- Insert a screw 10mm x 25mm in each hole of the column.
Mounting Bench on Column (Fig. 3)
- Slacken the setting screw (4) to remove the ring (3).
- Remove the rack from the column (5).
- Check the worm gear (8)to see whether it is properly inserted in the bench fastening arm (7) and it touched the gear wheels. The stem (9) should protrude ca 2.5 cm from the box (Fig. 4).
- Insert the rack (5) in the cross groove (6) of the bench-fastening arm (7) (Fig. 4). The bench fastening arm should be seated in the rack middle section.
- Carefully slide the bench fastening arms and the rack (1) on column (2) (Fig. 5). Insert the rack lower part in the slot of (3) the column base plate.
- Hold the fastening arm and the rack against the column (Fig. 6) and slide the rack ring (4) on the column.
- The rack (1) will just fit in the ring (4). Make sure that there is sufficient clearance between the rack and the ring so that the bench may rotate around the column.
- Tighten the set screw (5). to fix the ring position.
- Fit the handgrip (1) in place and tighten the setscrew (2). (Fig. 7)
- Slide the column-locking lever (1) in the bench-fastening arm (2) (Fig. 8)
- Rotate the bench and adjust it so that it is above the base plate and it stays in alignment with it

Fixing Drill Head on Column
- Carefully lift the drill head above the column. If the head is too heavy for you to handle. the work will take two.
- The column fits in the drill mounting hole. Make sure that the mounting hole is seated on the column. Align the drill head with the bench and the base plate and tighten the two setscrews using a hex wrench. (Fig. 9)
Advancement Hand Lever Assembling (Fig. 10)
- Screw three bars in the advancement lever (1).
- Tighten the round knobs (2) at the ends of the bars.

Pulleys Housing Assembling (Fig. 11)
- Push a washer and a screw through the pulley housing hole.
- Screw on the knob and tighten it.
Shaft and Chuck Assembling (Fig. 12)
- Carefully clean the Morse taper and the chuck and keep them free of any traces of oil and dust. Now. fit the Morse taper (1) in the chuck (2) with a jerk.
- Put the chuck (3) on the taper drift short cone.
- Close the chuck jaws completely. To prevent any damage to the chuck. put a small spanner in and knock the taper and the chuck up with 2-3 slight hits.
WARNING: To avoid any damage to the chuck. do not use a metal hammer for hammering the chuck on the shaft.
Removal of Chuck (Fig. 13)
- If the chuck is to be lowered completely. unloose the quill sleeve (1). Use the advancement hand lever to do it. There are big oval holes on both sides of the quill sleeve (2).
- Rotate the chuck (3) until the quill hole (4) and the sleeve hole are in alignment
- Insert the wedge (5) and knock it slightly with a hammer.
- Both the shaft and chuck will fall down from the quill.
Drill Assembling (Fig. 14)
- Mount your drill by means of two holes (1) in the base plate to a stand or a bench. using premium assembling material. That should prevent any rollover. slip or shift of the machine in operation.
IMPORTANT NOTICE: When the stand or the bench begins to move while the drill is working. fix it safely to the floor.
Adjustment

| 1. Motor 2. Zero voltage switch 3. Secondary winding 4. Blue 5. White 6. Main winding | 7. Red 8. Brown 9. Yellow-green 10. Body 11. Motor housing |
Quill Speed Change (Fig. 16)
- Disconnect the drill column from the voltage source.
- Open the pulley housing
- Release the slide rails knob (1).
- Tilt the motor forward to release the tension on both the belts.
- Re-set the belts in the pulleys corresponding to the required quill speed (2).
- Stretch the belts and tilt the motor to the machine’s rear side.
- Tighten the slide rails knob (1).
- Close the pulley housing.
- Turn the machine on to check if the tension of the belt is correct.
Bench Adjustment (Fig.17)
- The bench may be lifted or lowered to a required position by releasing the column lock (1) and turning the crank (2). Before drilling is started. the column lock has to be re-tightened.
- If you want to turn the bench around the column. release the column lock (1) and then re-tighten it again.
- If you want to turn the bench only. release the bench lock (3) and turn the bench to the required position. Re-tighten the lock again.
- If you want to see the bench at an angle of 0° 0 – 45° (to the right/to the left). remove the pin (4) and the nut (5). If the pin is stuck. turn the nut (5) clockwise until the pin lips out. Release the bench lock screw (6). incline the table at the required angle and tighten the screw (6). If you want the bench put back in the position of 0°. insert the in gain (4) and tighten the screw (6). Transversal setting scale spacing is on the bench attachment device (7).

Drilling Depth (Fig. 18)
When drilling blind holes. take the drill quill down with the machine off and set the bit to the piece to be drilled. Now. lose the down stop and zero (set to “0) on the scale. Clamp the stop again and read the current down depth on the scale.
Quill Return Spring (Fig. 19)
An automatic return mechanism is fitted on the quill. The main components are spring and grooved chromium-plated housing. The spring is factory-set as appropriate and the setting should not be changed

IMPORTANT NOTICE: the nut should not be tightened too firmly. If the nut tightening is too firm. quill movement is made more difficult.
Operation
Drilling Speeds
Factors influencing the drilling speed: type of material. drilled hole size. type of bit. the required quality of cut. Remember that the smaller the bit is the larger is the required speed. hen drilling soft materials. higher speed is required than that for the hard materials (see the table of drilling specifications).
Metal Drilling
Metal pieces need to be clamped safely. some of our vices are recommended. Never hold the piece just with your hands. The bit cutting edges may catch the piece and cause a serious injury to you. The bit will get broken when a metal object strikes against the column.
The piece to be drilled should be firmly clamped. Any tilting. twisting and shifting will result in a rough drilled hole and the risk of breaking the bit will increase as well. If the metal object is flat. underlay it with a piece of wood to prevent spinning. If the shape is irregular and its area cannot lie on the bench entirely. it should be fixed.
Wood Drilling
It is possible to use the metalworking bits for woodworking as well. however. wood drilling bits should be preferred. Do not use twist drills. those rotate so fast that they will fit the drilled piece from the bench and will spin it around. To drill the material through. the bench has to be aligned for the bit to get in the center hole. When the bit starts cutting wood. the advance should add gradually to prevent the material from shattering. Put a piece of waste wood under the worked material as a pad. It will help to reduce the shattering qualities and protect the drill bit tip.
Advancement
Apply sufficient force on the advancement hand lever to press it down. interrupt the advancement now and then to keep the chips short or to direct the sawdust from the hole being drilled. Too fast advancement could result in motor stops. belt slipping. damaging the piece being drilled or breaking the bit. Too slow advancement could heat the drilling bit and the piece being drilled could get burnt.
Maintenance
WARNING: SWITCH OVER TO THE “OFF” POSITION AND UNPLUG THE MACHINE BEFORE MAINTENANCE OR LUBRICATION OF THE MACHINE FOR YOU TO BE SAFE.
Blow off or suck off any sawdust and chips gathered on the motor. pulley housing. bench and the drilled piece surface.
Wipe the glass surface with an oiled cloth.
Apply a layer of pasty wax on the column and the bench to keep the surfaces clean with any spots of rust.
The ball bearings in the pinion and v-belt pulley assembly are lubricated for life and sealed permanently. Pull the pinion down and lubricate with oil on a three-month basis.
If the bench clamping devices and locking knobs run heavily. lubricate them.
CAUTION: Any routine and scheduled maintenance of the drill should be done by an authorized servicing technician.
Drehzahltabelle fur Stufenbohref
| Werkstoff | Schnittgeschw. Vc rrt/min | KOhl- schmierstoff |
| unlegierte Baustahle < 700 N/mrr2 legierte Baustahle > 700 N/mm2 legierte Stable < 1000 N/mm2 Gusseisen <250 Nimm2 Gusseisen > 250 N/mm2 CuZn-Legierung spittle CuZn-Legierung za Aluminium-Legierung bis 11% Si Thermoplaste Duroplaste | 30 20 20 15 10 60 35 30 20 15 | Schneidspray Schneidspray Schneidspray Drucktuft Druckluft Druckluft Druckluft Schneidspray Wasser Drucktuft |
| Bohrer Ø mm | Schnittqeschwindiqkeit Vc = m/min | |||||||||||||||
| 4 | 16 | I 8 | I 10 | I 12 | 115 | I 18 | 20 | 1251 | 30 | I 35 | 140 | 1501 | 60 | I 80 | 1100 | |
| Drehzahl U/min | ||||||||||||||||
| 1,0 | 1274 | 1911 | 2548 | 3185 | 3822 | 4777 | 5732 | 6369 | 7962 | 9554 | 11146 | 12739 | 15924 | 19108 | 25478 | 31847 |
| 1,5 | 849 | 1274 | 1699 | 2123 | 2548 | 3185 | 3822 | 4246 | 5308 | 6369 | 7431 | 8493 | 10616 | 12739 | 16985 | 21231 |
| 2,0 | 637 | 955 | 1274 | 1592 | 1911 | 2389 | 2866 | 3185 | 3981 | 4777 | 5573 | 6369 | 7962 | 9554 | 12739 | 15924 |
| 2,5 | 510 | 764 | 1019 | 1274 | 1529 | 1911 | 2293 | 2548 | 3185 | 3822 | 4459 | 5096 | 6369 | 7643 | 10191 | 12739 |
| 3.0 | 425 | 637 | 849 | 1062 | 1274 | 1592 | 1911 | 2123 | 2654 | 3185 | 3715 | 4246 | 5308 | 6369 | 8493 | 10616 |
| 3,5 | 364 | 546 | 728 | 910 | 1092 | 1365 | 1638 | 1820 | 2275 | 2730 | 3185 | 3640 | 4550 | 5460 | 7279 | 9099 |
| 4,0 | 318 | 478 | 637 | 796 | 955 | 1194 | 1433 | 1592 | 1990 | 2389 | 2787 | 3185 | 3981 | 4777 | 6369 | 7962 |
| 4,5 | 283 | 425 | 566 | 708 | 849 | 1062 | 1274 | 1415 | 1769 | 2123 | 2477 | 2831 | 3539 | 4246 | 5662 | 7077 |
| 5,0 | 255 | 382 | 510 | 637 | 764 | 955 | 1146 | 1274 | 1592 | 1911 | 2229 | 2548 | 3185 | 3822 | 5096 | 6369 |
| 6. | 232 | 347 | 463 | 579 | 695 | 869 | 1042 | 1158 | 1448 | 1737 | 2027 | 2316 | 2895 | 3474 | 4632 | 5790 |
| 6.0 | 212 | 318 | 425 | 531 | 637 | 796 | 955 | 1062 | 1327 | 1592 | 1858 | 2123 | 2654 | 3185 | 4246 | 5308 |
| 6,5 | 196 | 294 | 392 | 490 | 588 | 735 | 882 | 980 | 1225 | 1470 | 1715 | 1960 | 2450 | 2940 | 3920 | 4900 |
| 7,0 | 182 | 273 | 364 | 455 | 546 | 682 | 819 | 910 | 1137 | 1365 | 1592 | 1820 | 2275 | 2730 | 3640 | 4550 |
| 7,5 | 170 | 255 | 340 | 425 | 510 | 637 | 764 | 849 | 1062 | 1274 | 1486 | 1699 | 2123 | 2548 | 3397 | 4246 |
| 8.0 | 159 | 239 | 318 | 398 | 478 | 597 | 717 | 796 | 995 | 1194 | 1393 | 1592 | 1990 | 2389 | 3185 | 3981 |
| 9. | 150 | 225 | 300 | 375 | 450 | 562 | 674 | 749 | 937 | 1124 | 1311 | 1499 | 1873 | 2248 | 2997 | 3747 |
| 9,0 | 142 | 212 | 283 | 354 | 425 | 531 | 637 | 708 | 885 | 1062 | 1238 | 1415 | 1769 | 2123 | 2831 | 3539 |
| 9,5 | 134 | 201 | 268 | 335 | 402 | 503 | 603 | 670 | 838 | 1006 | 1173 | 1341 | 1676 | 2011 | 2682 | 3352 |
| 10,0 | 127 | 191 | 255 | 318 | 382 | 478 | 573 | 637 | 796 | 955 | 1115 | 1274 | 1592 | 1911 | 2548 | 3185 |
| 11,0 | 116 | 174 | 232 | 290 | 347 | 434 | 521 | 579 | 724 | 869 | 1013 | 1158 | 1448 | 1737 | 2316 | 2895 |
| 12.0 | 106 | 159 | 212 | 265 | 318 | 398 | 478 | 531 | 663 | 796 | 929 | 1062 | 1327 | 1592 | 2123 | 2654 |
| 13,0 | 98 | 147 | 196 | 245 | 294 | 367 | 441 | 490 | 612 | 735 | 857 | 980 | 1225 | 1470 | 1960 | 2450 |
| 14,0 | 91 | 136 | 182 | 227 | 273 | 341 | 409 | 455 | 569 | 682 | 796 | 910 | 1137 | 1365 | 1820 | 2275 |
| 15,0 | 85 | 127 | 170 | 212 | 255 | 318 | 382 | 425 | 531 | 637 | 743 | 849 | 1062 | 1274 | 1699 | 2123 |
| 16,0 | 80 | 119 | 159 | 199 | 239 | 299 | 358 | 398 | 498 | 597 | 697 | 796 | 996 | 1194 | 1592 | 1990 |
Machine Exploded View Drawing

List of Spare Parts for GTB 13
| Part No. | Description | Quantity y | Note | Part No. | Description | Quantity y | Note |
| 1 | Base plate | 1 | 47 | Switch | 1 | ||
| 2 | Screw/Bolt | 4 | (M10x40) M10x25 | 48 | Screw | 1 | M 5×10 |
| 3 | Rack | 1 | 49 | Screw clamp | 1 | ||
| 4 | Column | 1 | 50 | Body | 1 | ||
| 5 | Bench lock | 1 | 51 | Screw/Bolt | 1 | M8x16 | |
| 6 | Hand grip | 1 | 52 | Point operating level | 1 | ||
| 7 | Headless set screw | 1 | M6x10 | 53 | Sliding bar/shifting device | 1 | |
| 8 | Shaft | 1 | 54 | Sliding bar/shifting device | 1 | ||
| 9 | Nut | 1 | M6 | 55 | Motor base plate | 1 | |
| 10 | Pin | 1 | 56 | Washer | 2 | 12 | |
| 11 | Washer | 1 | Split washer | 2 | 12 | ||
| 12 | Screw/Bolt | 1 | M12x35 | 57 | Nut | 2 | M 12 |
| 13 | Bench screw | 1 | 58 | Motor | 1 | ||
| 14 | Bench bracket | 1 | 59 | Motor pulley | 1 | ||
| 15 | Bench | 1 | 60 | Plain key | 1 | ||
| 16 | Clamping screw | 1 | 61 | Headless set screw | 1 | M10x12 | |
| 17 | Gear wheel | 1 | 62 | v-belt | 1 | A-630 | |
| 18 | Worm | 1 | 63 | Centering shaft | 1 | ||
| 19 | Rack ring | 1 | 64 | Ball bearing | 1 | 60202 | |
| 20 | Stop pin | 1 | 65 | Ball bearing | 1 | 60202 | |
| 21 | Headless set screw | 1 | M6x10 | ||||
| 22 | Advancement hand lever | 1 | 67 | Centering pulley | 1 | ||
| 23 | Scale ring | 1 | 68 | Washer | 4 | 6 | |
| 24 | Cylindrical pin | 1 | 5×40 | 69 | Screw | 1 | M6x8 |
| 25 | Hand grip body | 1 | 70 | Screw | 1 | M5x10 | |
| 26 | Hand grip | 3 | |||||
| 27 | Knob | 3 | |||||
| 28 | Wrench | 1 | 73 | Pulley housing | 1 | ||
| 29 | Shifting device screw | 1 | 74 | v-belt | 1 | A-610 | |
| 30 | Headless set screw | 2 | M10x12 | 75 | Pulley Nut | 1 | |
| 31 | Cylindrical pin | 2 | 6×25 | 76 | Quill pulley | 1 | |
| 32 | Shaft buckling rings | 1 | 15 | 77 | Shifting pulley | 1 | |
| 33 | Point operating lever bar | 1 | |||||
| 34 | Shifting device screw | 2 | 79 | Ball bearing | 1 | 60205 | |
| 35 | Screw/Bolt | 4 | M8x25 | 80 | Spacer | 1 | |
| 36 | Washer | 4 | 8 | 81 | Ball bearing | 1 | 60205 |
| 37 | Nut | 4 | M8 | ||||
| 38 | Nut | 1 | M10 | 83 | Round Nut | 1 | M17x1 |
| 39 | Screws — special kit | 1 | 84 | Round nut coupling washer | 1 | ||
| 40 | Nut | 1 | M12x1.5 | 85 | Ball bearing | 1 | 60203 |
| 41 | Nut | 1 | M12x1.5 | 86 | Rubber washer | 1 | |
| 42 | Flexible cup | 1 | 87 | Quill lug | 1 | ||
| 43 | Twist spring | 1 | 88 | Ball bearing | 1 | 80205 (80206) | |
| 44 | Spring housing | 1 | 89 | Quill | 1 | ||
| 45 | Spring guide | 1 | 90 | Shaft | 1 | ||
| 46 | Screw | 2 | M4x12 | 91 | Chuck | 1 |
List of Spare Parts GTB 16. GTB 20. GSB 20. GSB 25 R+L. GSB 32 R+L
| Part No. | Description | Quantity y | Note | Part No. | Description | Quantity y | Note |
| 1 | Base plate | 1 | 47 | Switch | 1 | ||
| 2 | Screw/bolt | 4 | M12x30 | 48 | Screw | 1 | M 5×10 |
| 3 | Rack | 1 | 49 | Screw clamp | 1 | ||
| 4 | Column | 1 | 50 | Body | 1 | ||
| 5 | Bench lock | 1 | 51 | Screw/bolt | 1 | M8x16 | |
| 6 | Hand grip | 1 | 52 | Point operating lever | 1 | ||
| 7 | Locking bolt | 1 | M6x10 | 53 | Sliding bar/shifting device | 1 | |
| 8 | Shaft | 1 | 54 | Sliding bar/shifting device | 1 | ||
| 9 | Nut | 1 | M6 | 55 | Motor base plate | 1 | |
| 10 | Pin | 1 | 56 | Washer | 2 | 12 | |
| 11 | Washer | 1 | Split washer | 2 | 12 | ||
| 12 | Screw/bolt | 1 | M20x40 | 57 | Nut | 2 | M 12 |
| 13 | Bench screw | 1 | 58 | Motor | 1 | ||
| 14 | Bench clamping arm | 1 | 59 | Motor pulley | 1 | ||
| 15 | Bench | 1 | |||||
| 16 | Clamping screw | 1 | 61 | Locking bolt | 1 | M10x12 | |
| 17 | Gear wheel | 1 | 62 | v-belt | 1 | A-630 | |
| 18 | Worm | 1 | 63 | Central shaft | 1 | ||
| 19 | Rack ring | 1 | 64 | Ball bearing | 1 | 60202 | |
| 20 | Stopper pin | 1 | 65 | Ball bearing | 1 | 60202 | |
| 21 | Locking bolt | 1 | M6x10 | ||||
| 22 | Advance hand lever | 1 | 67 | Central pulley | 1 | ||
| 23 | Scale ring | 1 | 68 | Washer | 4 | 6 | |
| 24 | Cylindrical pin | 1 | 5×40 | 69 | Screw | 1 | M6x8 |
| 25 | Hand grip body | 1 | 70 | Screw | 1 | M5x10 | |
| 26 | Hand grip | 3 | 71 | Washer | 1 | 5 | |
| 27 | Knob | 3 | 72 | Knob | 1 | ||
| 28 | Wrench | 1 | 73 | Pulley housing | 1 | ||
| 29 | Shifting device screw | 1 | 74 | v-belt | 1 | A-610 | |
| 30 | Locking bolt | 2 | M10x12 | 75 | Pulley nut | 1 | |
| 31 | Cylindrical pin | 2 | 6×25 | 76 | Quill pulley | 1 | |
| 32 | Shaft bucking ring I | 1 | 15 | 77 | Shifting pulley | 1 | |
| 33 | Point operating lever bar | 1 | |||||
| 34 | Shifting device screw | 2 | 79 | Ball bearing | 1 | 60207 | |
| 35 | Screw/bolt | 4 | M8x25 | 80 | Spacer | 1 | |
| 36 | Washer | 4 | 8 | 81 | Ball bearing | 1 | 60207 |
| 37 | Nut | 4 | M8 | ||||
| 38 | Nut | 1 | M10 | 83 | Round nut | 1 | M30x1.5 |
| 39 | Special kit of screws | 1 | 84 | Round nut coupling washer | 1 | ||
| 40 | Nut | 1 | M12x1.5 | 85 | Ball bearing | 1 | 60206 |
| 41 | Nut | 1 | M12x1.5 | 86 | Rubber washer | 1 | |
| 42 | Flexible cup | 1 | 87 | Quill lug | 1 | ||
| 43 | Twist spring | 1 | 88 | Ball bearing | 1 | 60208. | |
| 44 | Spring cover | 1 | 89 | Quill | 1 | ||
| 45 | Spring guide | 1 | 90 | Shaft | 1 | ||
| 46 | Screw | 2 | M4x12 | 91 | Chuck | 1 |
Pack Sheet GTB 13
| No. | Description | Size | Quantity |
| 1 | Head assembly | 1 | |
| 2 | Bench assembly | 1 | |
| 3 | Base plate | 1 | |
| 4 | Column assembly | 1 | |
| 5 | Chuck | 13mm | 1 |
| 6 | Wedge-shaped slide valve | 1 | |
| 7 | Internal hexagon wrench | 3mm | 1 |
| 8 | Internal hexagon wrench | 5mm | 1 |
| 9 | Screw/bolt | M10x25 or M10x40 | 4 |
| 10 | Operating instructions (manual) | 1 |
Pack Sheet GTB 16. GTB 20. GSB 20. GSB 25 R+L. GSB 32 R+L
| No. | Description | Size | Quantity |
| 1 | Head assembly | 1 | |
| 2 | Bench assembly | 1 | |
| 3 | Base plate | 1 | |
| 4 | Column assembly | 1 | |
| 5 | Chuck | 16mm | 1 |
| 6 | Wedge-shaped slide valve | 1 | |
| 7 | Internal hexagon wrench | 3mm | 1 |
| 8 | Internal hexagon wrench | 5mm | 1 |
| 9 | Screw/bolt | M1 0x25 orM1 Ox40 | 4 |
| 10 | Operating instructions (manual) | 1 |
EC Declaration of Conformity
We herewith declare, Güde GmbH & Co. KG Birkichstrasse 6, 74549 Wolpertshausen, Germany
that the following appliance complies with the essential safety and health requirements stipulated by the EC Directives both by its concept and design and the types we have put on the market. Any unauthorized alteration of the machine shall make this declaration null and void.
| Machine Description: | – Bench and Column Drills |
| Article-No.: | – GTB 13 55120; – GTB 16/5 55190; GTB 16/12 R+L 55192 – GTB 20/12 55193; GBT 20/12 R+L 55194 – GSB 20/12 55195; GSB 20/12 R+L 55197 |
| Applicable EC Directives: | – 2004/108/EC – 2006/42/EG |
| Applicable harmonized Standards: | – EN 55014-1:2006 – EN 55014-2:1997/+A1:200 2 – EN 61000-3-2:2006 – EN 61000-3-3:1995/+A1:2001/+A2:2005 – EN 61029-1:2009 |
Date/Authorized Signature: 30.09.2011,
Title of Signatory: Arnold, executive officer
Birkichstrasse 6
74549 Wolpertshausen
Tel 07904/700-0
Fax 07904/700-250



















