Ex-Or LS3260F LightSpot HD QuickLink Bus PIR Sensors

Only suitably qualified personnel should install this equipment
| Part Number | Flush Mount | Surface Mount | Mains Switching | Low Voltage Switch Inputs | Office | Mid Bay | High Bay | Tilting |
| LS3260F | ● | ● | ||||||
| LS3260SM | ● | ● | ||||||
| LS3270F | ● | ● | ● | |||||
| LS3270SM | ● | ● | ● | |||||
| LS3283RF | ● | ● | ● | ● | ● | |||
| LS3283RSM | ● | ● | ● | ● | ● | |||
| LS3260MBF | ● | ● | ||||||
| LS3260MBSM | ● | ● | ||||||
| LS3260HBF | ● | ● | ||||||
| LS3260HBSM | ● | ● |
Positioning the Sensor

The sensor should be positioned on the ceiling in the centre of the occupied space. This product is available in three different mounting height variants; see fig.1 and the table below. Ensure that the maximum recommended mounting height is not exceeded. Avoid mounting next to an AC unit. For additional information on positioning please refer to Tilt and Lock the Sensor, overleaf.
The sensor is more sensitive to movement across the beam compared with movement towards the centre.
Aspect ratio (diameter : height) | |||
| Type | Micro Detection – High Sensitivity | Macro Detection – Standard Sensitivity | Max recommended mounting height |
| Office | 2.8:1 (7m diameter @ 2.5m height) | 4:1 (10m diameter @2.5m height) | 3.5m |
| Mid Bay | N/A | 2:1 (20m diameter @10m height) | 12m |
| High Bay | N/A | 1.9:1 (27m diameter @14m height) | 16m |
Installing the Sensor into Ceiling Tile

Removing the Terminal Cover

Fixing to Ceiling – Standard Method

Fixing to Ceiling – Secure Lockring Method (Available separately, please order lockring)

NOTE: To remove sensor rotate Lockring and pull up.
Electrical Connections

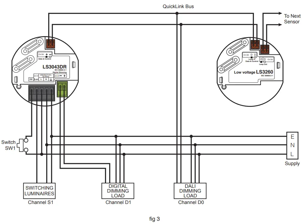
Adding an Extra Low Voltage Sensor Using QuickLink Bus (fig 3)
The wiring diagram below shows how to connect sensors together using the QuickLink Bus. QuickLink is a convenient way of wiring multiple sensors so that they share information (e.g. occupancy) and are able to work in harmony. Some sensors operate from a low voltage derived from the QuickLink bus and therefore do not require a mains connection – this enables fast and convenient installation. At least one sensor on the QuickLink bus must be mains-powered, then a further 3 (or fewer) low voltage sensors may be added. It is also permissible to connect two mains powered sensors together via the QuickLink bus.

QuickLink System (fig 4)
The diagram below shows a more sophisticated low voltage sensor added to the QuickLink bus. This sensor not only extends the presence detection coverage as in the diagram below, but also adds the capability to control an additional switched load (volt free relay) and provides a 3-wire ELV switch input which may be configured for two single pole switches or a single pole two-way centre-off retractive switch e.g. MK K4900WHI.

Fixing to Ceiling – Surface Mounting (optional)
Product variants with “SM” suffix on the part number are supplied with the surface fitting kit as standard. The surface mount kit is available as a separate part, please order Surfmt. The sensor may be mounted to any suitable surface, but is most commonly fixed to a conduit stop-end (fig 5 set) (BESA) box or bushed to trunking.

Uninstalling and Repositioning
Insert a flat headed screwdriver into the slot as shown and twist the collar anti-clockwise to release,
fig 6. To separate the sensor from the surface mount casing, push a flat headed screwdriver onto the tab via the inside void of the casing and pull the sensor upwards, fig 7.


NOTE: Setting the correct position is important when using products with tilting lenses.
Tilt and Lock the Sensor
Some products feature the ability to tilt the sensor (before fitting) by up to 10° in 2° increments, in order to extend the range in one direction. This may be useful in cases where the ideal mounting location is not available. The increased range is indicated in fig 8.

NOTE: Do not place in a position where access is limited.
| Type | Radius extension at full tilt |
| Office | up to 67% |
WalkTesting / Lens Masking
In order to verify correct installation, walk-testing is recommended. An infrared commissioning tool will be required to put the detector(s) into walk-test mode. Two infrared commissioning tools are available: QuickSet and QuickSet Pro (Sold separately).

Two lens masks are provided which may be used to restrict the viewable footprint of the sensor e.g. unwanted detection through a doorway. Cut the mask segment(s) as desired and install by pushing the mask lip between the bezel and the lens on the sensor as shown in fig 9.

Follow the instructions provided with the selected commissioning tool. While the sensor is in walk-test mode, the LEDs on the sensors are automatically enabled and it will turn on the lighting for only a few seconds each time occupancy is detected.
- Stand out of the sensor’s viewable footprint or remain motionless within the viewable footprint and wait for the lights to go out.

NOTE: After 5 minutes, the sensor will automatically exit walk-test mode without requiring any action from the operator. - Wait a further 5 seconds for the sensor to stabilise then make a movement, the lights should come back on. Observe that the detection / non-detection is as expected.

This range of products features a rich set of adjustable parameters that may be programmed via the hand-held infrared commissioning tools in order to create a sophisticated lighting control installation. There are no physical switches or potentiometers on the product.
Out of Box Behaviour
Prior to commissioning, the default settings for each channel of the sensor will be as follows:
Time Delay: 20 minutes
Photocell Setting: Always turn lights on when occupied
Dimming Level: 100%
Occupancy Mode: Automatic (lights Auto ON, Auto OFF)
Movement Sensitivity: Maximum
Digital Ballast Type DALI
NOTE: Please go to www.ex-or.com for a complete list of programmable parameters.
Technical Data
| Marking | Earth | Mains Rated Volt Free | ELV Switch Input | QuickLink Loop In | QuickLink Loop Out | ||||||
| E | A | Com | B | D | D | D | D | ||||
| Colour | Black | Green | Red | Red | |||||||
| Terminal type | Pluggable rising cage clamp | Pluggable screwless | Pluggable screwless | Pluggable screwless | |||||||
| Terminal capacity | 1 x 0.5-2.5mm sq solid or stranded | 1 x 0.5-1.5mm sq solid or stranded | 1 x 0.5-1.5mm sq solid or stranded | 1 x 0.5-1.5mm sq solid or stranded | |||||||
| Recommended cable | Derive from appropriate wiring regulations | 0.75mm sq | 0.75mm sq | ||||||||
| Maximum length | 10m | 100m total system length | |||||||||
| Function | Termination only | Output | Input | Input | Output | ||||||
| Operating voltage | 230VAC+/-15% 50-60Hz Recommended circuit protection: 16A MCB | (ELV) | 12-22VDC | ||||||||
| Power consumption | Zero | Negligible | 160mW (12mA) | 160mW (12mA) per additional device | |||||||
| Maximum Load current | 10A (maximum inrush 80A) | N/A | N/A | N/A | |||||||
| Permissible load types/connections | Magnetic-ballasted fluorescent, Compact fluorescent, Electronic-ballasted fluorescent, LED (maximum inrush 80A), Tungsten lamps (max 6A) | N/A | N/A | N/A | |||||||
| Diagnostics Detectable wiring faults are always indicated by the LEDs, irrespective of whether they are enabled. | |
| LED indication | Meaning |
G G GGreen in response to movement or not | Movement detected |
B B1 blue flash every 2 seconds | Light level demand – photocell striving for more light in order to reach set-point |
B B B B2 blue flashes every 2 seconds | A manual switch is being activated |
R R Long red flash every 2 seconds | 100hr lamp burn-in is in progress – this means dimming will not be permitted for the duration |
R R R R2 red flashes every 2 seconds | Channel D0 error – e.g.
|
R R R R R R3 red flashes every 2 seconds | Channel D0 error – e.g.
|
At the end of their useful life the packaging and product should be disposed of via a suitable recycling centre. Do not dispose of with normal household waste. Do not burn.
IMPORTANT NOTES
- A means for disconnection must be incorporated in the fixed wiring in accordance with the current wiring regulations.
- Dimming and QuickLink terminals have only basic isolation from mains and therefore should be wired in mains-rated cable and treated with the same respect as mains with regard to wiring practice.
- This equipment is designed to switch lights no more frequently than normal manual operation. However, manufacturers of some particular lighting types (e.g. ‘2D’ luminaires) may specify a maximum number of switching cycles and/or a minimum on-time in order to achieve a predicted lamp life. Please check with the manufacturer of the luminaires to ensure that they are compatible with automatic controls in this respect.
- In order to achieve satisfactory light level regulating operation, a sensor must observe a substantially greater proportion of artificial light from the luminaire(s) under its control than from neighbouring luminaires not under its control. This is particularly important when planning the installed layout of linear luminaires that have an integral detector positioned at one end.
- All information given in this document was correct at the time of publication.
TECHNICAL SUPPORT
+44 (0)1942 719229 Opt 1
Ex-Or
Novar ED&S Limited
Haydock Lane, Haydock
Merseyside WA11 9UJ
Tel: +44 (0)1942 719229
Web: www.ex-or.com





















