FERM AGM1120P 1400W 180mm Angle Polisher

ANGLE POLISHER 1400W – 180MM
Thank you for buying this Ferm product. By doing so you now have an excellent product, delivered by one of Europeís leading suppliers. All products delivered to you by Ferm are manufactured according to the highest standards of performance and safety. As part of our philosophy, we also provide excellent customer service, backed by our comprehensive Warranty. We hope you will enjoy using this product for many years to come.
Read this operators guide carefully, before using the machine. Ensure that you know how the machine works, and how it should be operated. Maintain the machine in accordance with the instructions, and make certain that the machine functions correctly. Keep this operator’s guide and other enclosed documentation with the machine.
Introduction
Any other use other than polishing and light sanding is strictly forbidden.
MACHINE DATA
Technical specification
- Voltage 220-240 V~
- Frequency 50 Hz
- Power input 1400 W
- No-load speed 1000-3300/min
- Disc diameter 180 mm
- Spindle dimension M 14
- Weight 3.3 kg
- Lpa (sound pressure) 86+3 dB(A)
- Lwa (sound power) 97+3 dB(A)
- Vibration value 3.51+1.5 m/s2
Vibration level
The vibration emission level stated in this instruction manual has been measured in accordance with a standardised test given in EN 60745; it may be used to compare one tool with another and as a preliminary assessment of exposure to vibration when using the tool for the applications mentioned
- using the tool for different applications, or with different or poorly maintainted accessories, may significantly increase the exposure level the times when the tool is switched off or when it is running but not actually doing the job, may significantly reduce the exposure level
- Protect yourself against the effects of vibration by maintaining the tool and its accessories, keeping your hands warm, and organizing your work patterns.
Features
- On/off switch
- Speed control
- U-shaped handle
- Pad holder
- Spindle lock
- Lock-on button

SAFETY INSTRUCTIONS
Explanation of the symbols
- Denotes risk of personal injury, loss of life or damage to the machine in case of non-observance of the instructions in this manual.
- Indicates electrical shock hazard. Immediately unplug the plug from the mains electricity in case the cord gets damaged and during maintenance.
- Use spindle lock only in stand-still mode.
- Keep bystanders away.
- Wear ear and eye protection.
- Wear protective gloves.
- Variable speed control
Safety Warnings Common for Grinding or Abrasive Cutting-Off Operations:
- This power tool is intended to function as a sander, wire brush, or polisher. Read all safety warnings, instructions, illustrations and specifications provided with this power tool. Failure to follow all instructions listed below may result in electric shock, fire and/or serious injury.
- Operations such as grinding, or cutting-off are not recommended to be performed with this power tool. Operations for which the power tool was not designed may create a hazard and cause personal injury.
- Do not use accessories which are not specifically designed and recommended by the tool manufacturer. Just because the accessory can be attached to your power tool, it does not assure safe operation.
- Do not use accessories which are not specifically designed and recommended by the tool manufacturer. Just because the accessory can be attached to your power tool, it does not assure safe operation.
- The rated speed of the accessory must be at least equal to the maximum speed marked on the power tool. Accessories running faster than their rated speed can break and fly apart.
- The outside diameter and the thickness of your accessory must be within the capacity rating of your power tool. Incorrectly sized accessories cannot be adequately guarded or controlled.
- The arbour size of wheels, flanges, backing pads or any other accessory must properly fit the spindle of the power tool. Accessories with arbour holes that do not match the mounting hardware of the power tool will run out of balance, vibrate excessively and may cause loss of control.
- Do not use a damaged accessory. Before each use inspect the accessory such as abrasive wheels for chips and cracks, backing pad for cracks, tear or excess wear, wire brush for loose or cracked wires. If power tool or accessory is dropped, inspect for damage or install an undamaged accessory. After inspecting and installing an accessory, position yourself and bystanders away from the plane of the rotating accessory and run the power tool at maximum no-load speed for one minute. Damaged accessories will normally break apart during this test time.
- Wear personal protective equipment. Depending on application, use face shield, safety goggles or safety glasses. As appropriate, wear dust mask, hearing protectors, gloves, and a workshop apron capable of stopping small abrasive or workpiece fragments. The eye protection must be capable of stopping flying debris generated by various operations. The dust mask or respirator must be capable of filtrating particles generated by your operation. Prolonged exposure to high intensity noise may cause hearing loss.
- Keep bystanders a safe distance away from work area. Anyone entering the work area must wear personal protective equipment. Fragments of workpiece or of a broken accessory may fly away and cause injury beyond the immediate area of operation.
- Hold power tool by insulated gripping surfaces only, when performing an operation where the cutting accessory may contact hidden wiring or its own cord. Cutting accessory contacting a “live” wire may make exposed metal parts of the power tool “live” and shock the operator.
- Position the cord clear of the spinning accessory. If you lose control, the cord may be cut or snagged and your hand or arm may be pulled into the spinning accessory.
- Never lay the power tool down until the accessory has come to a complete stop. The spinning accessory may grab the surface and pull the power tool out of your control.
- Do not run the power tool while carrying it at your side. Accidental contact with the spinning accessory could snag your clothing, pulling the accessory into your body.
- Regularly clean the power tool’s air vents. The motor’s fan will draw the dust inside the housing and excessive accumulation of powdered metal may cause electrical hazards.
- Do not operate the power tool near flammable materials. Sparks could ignite these materials.
- Do not use accessories that require liquid coolants. Using water or other liquid coolants may result in electrocution or shock.
Kickback and Related Warnings
Kickback is a sudden reaction to a pinched or snagged rotating wheel, backing pad, brush or any other accessory. Pinching or snagging causes rapid stalling of the rotating accessory which in turn causes the uncontrolled power tool to be forced in the direction opposite of the accessory’s rotation at the point of the binding.
For example, if an abrasive wheel is snagged or pinched by the workpiece, the edge of the wheel that is entering into the pinch point can dig into the surface of the material causing the wheel to climb out or kick out. The wheel may either jump toward or away from the operator, depending on the direction of the wheel’s movement at the point of pinching. Abrasive wheels may also break under these conditions.
Kickback is the result of power tool misuse and/or incorrect operating procedures or conditions and can be avoided by taking proper precautions as given below.
- Maintain a firm grip on the power tool and position your body and arm to allow you to resist kickback forces. Always use an auxiliary handle, if provided, for maximum control over kickback or torque reaction during start-up. The operator can control torque reactions or kickback forces if proper precautions are taken.
- Never place your hand near the rotating accessory. The accessory may kickback over your hand.
- Do not position your body in the area where power tool will move if kickback occurs. Kickback will propel the tool in a direction opposite to the wheel’s movement at the point of snagging.
- Use special care when working corners, sharp edges etc. Avoid bouncing and snagging the accessory. Corners, sharp edges or bouncing have a tendency to snag the rotating accessory and cause loss of control or kickback.
- Do not attach a saw chain woodcarving blade or toothed saw blade. Such blades create frequent kickbacks and loss of control.
Special safety instructions
- Check that the maximum speed indicated on the disc corresponds to the maximum speed of the machine. The speed of the machine must not exceed the value on the disc.
- Make sure that the dimensions of the disc cor-respond to the specifications of the machine.
- Make sure that the disc has been mounted and fastened properly. Do not use reducing rings or adapters to make the disc fit properly.
- Never use this machine single handed. Always use both hands to operate the machine.
- Do not touch any rotating parts.
- Make sure the wool bonnet is not contacting the workpiece before the machine is switched on.
- Do not touch the workpiece immediately after operation. It may be hot.
- Warning: The wheel still rotates after the machine has been switched off
- Hold the machine by the insulated grips when performing an operation where contact can be made with hidden wiring or its own cord.
- Before use, inspect the disc for any damage. Do not use discs which are crack-ed, ripped or otherwise damaged.
- Before use, let the machine run idle for 30 seconds. Immediately switch off the machine in case of abnormal vibrations or the occurrence of another defect. Carefully inspect the machine and disc before switching the machine on again.
- Always wear safety goggles and hearing protection.
- Ensure that mounted wheels and points are fitted in accordance with the manufacturer’s instructions.
- For tools intended to be fitted with threaded hole wheel, ensure that the thread in the wheel is long enough to accept the spindle length.
- Ensure that ventilation openings are kept clear when working in dusty conditions. If it should become necessary to clear dust, first disconnect the tool from the mains supply (use nonmetallic objects) and avoid damaging internal parts.
- Though poor conditions of the electrical mains, short voltage drops can appear when starting the equipment. This can influence other equipment (eq. blinking of a lamp). If the mains-impedance Zmax <0.348 Ohm, such disturbances are not expected. (In case of need, you may contact your local supply authority for further information.
Immediately switch off the machine when:
- Excessive sparking of the carbon brushes and verticiliosis in the collector.
- Interruption of the mains plug, mains lead or mains lead damage.
- Defect switch
- Smoke or stench of scorched isolation
Electrical safety
When using electric machines always observe the safety regulations applicable in your country to reduce the risk of fire, electric shock and personal injury. Read the following safety instructions and also the enclosed safety instructions.
- Always check that the power supply corresponds to the voltage on the rating plate.
- Your machine is double insulated; therefore no earthwire is required.
Replacing cables or plugs
Immediately throw away old cables or plugs when they have been replaced by new ones. It is dangerous to insert the plug of a loose cable in the wall outlet.
Using extension cables
Only use an approved extension cable suitable for the power input of the machine. The minimum conductor size is 1.5 mm2. When using a cable reel always unwind the reel completely.
ASSEMBLY
Prior to mounting an accessory always unplug the tool.
Assembling the handle Fig. 2
The handle is suitable for either left or right-handed use.
- Install the handle in such way that the holes match the screwholes on the machine.
- Tighten the handle with the bolts and hexagon key.

Assembling accessoires Fig. 3
- Press the spindle lock (5)
- Screw and tighten the pad holder on the spindle
- Depress the spindle lock (5)
- Mount the polishing pad (4) onto the pad holder (5).

Accessoires Fig. 4
Polishing pad (3)
This is used for high lustre polishing and waxing.
Wool polishing pad (4)
This is used for a high gloss finish.
USE
Always follow the safety instructions and keep to the applicable regulations.
- Hold the machine away from the workpiece when switch it on and off.
- Always first switch the machine off after use before removing the plug from the socket.
Speed control Fig. 5
The speed of the disc can be controlled with the rotary knob on top of the handle. The higher the position, the higher the speed. When using wax on the polishing pad do not start at a high speed.
Switching on and off Fig. 6
Switch the machine on by pressing the On/Off switch (1). When you release the On/Off switch (1) the machine will turn off.
Lock-on Button Fig. 6
- You can lock the On/Off switch (1) by pressing the On/Off switch (1) and then pressing the lock-on button (6).
- To release the switch-lock; shortly press the On/Off switch (1) again.
Switch Off
Release the switch (A).
- The polisher will continue to run after it is turned off.
- Only lay the machine down once the motor has completely stopped turning. Do not put the machine on a dusty surface. Dust particles can penetrate the machine.
- Never use the spindle lock to stop the motor turning.
SERVICE & MAINTENANCE
- Make sure that the machine is not live when carrying out maintenance work on the motor.
- This machine has been designed to operate over a long period of time with a minimum of maintenance. Continuous satisfactory operation depends upon proper machine care and regular cleaning.
- Repairs and servicing should only be carried out by a qualified technician or service firm.
Cleaning
Keep the ventilation slots of the machine clean to prevent overheating of the engine. Regularly clean the machine housing with a soft cloth, preferably after each use. Keep the ventilation slots free from dust and dirt. If the dirt does not come off use a soft cloth moistened with soapy water. Never use solvents such as petrol, alcohol, ammonia water, etc. These solvents may damage the plastic parts.
Faults
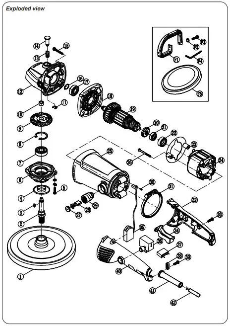
Should a fault occur, e.g. after wear of a part, please contact the service address on the warranty card. In the back of this manual you find an exploded view showing the parts that can be ordered.
ENVIRONMENT
To prevent damage during transport, the appliance is delivered in a solid packaging which consists largely of reusable material. Therefore please make use of options for recycling the packaging.
- Faulty and/or discarded electrical or electronic apparatus have to be collected at the appropriate recycling locations.
Only for EC countries
Do not dispose of power tools into domestic waste. According to the European Guideline 2012/19/EU for Waste Electrical and Electronic Equipment and its implementation into national right, power tools that are no longer usable must be collected separately and disposed of in an environmentally friendly way.
WARRANTY
The warranty conditions can be found on the separately enclosed warranty card. The product and the user manual are subject to change. Specifications can be changed without further notice.
Spare parts list
AGM1120P
| No. | Description | Position |
| 101216 | Pad holder | 1 |
| 101217 | spindle, wedge | 2, 3 |
| 103102 | Gearcase Cover | 6 |
| 101218 | Bearing 6201RS | 7 |
| 101219 | Big gear | 8, 9 |
| 101220 | Copper bushing | 10 |
| 101221 | Locking pin assembly | 11, 13, 14 |
| 103103 | Gearcase | 12 |
| 101222 | bearing 6001 + ring | 16, 17 |
| 103104 | Deflector | 18 |
| 481322 | Rotor | 19 |
| 101224 | Bearing | 21 |
| 101225 | Bearing cover | 22 |
| 103105 | Baffle | 23 |
| 481323 | Stator | 24 |
| 103106 | Stator housing | 25 |
| 101227 | Carbon brush cap (2pcs) | 27 |
| 101228 | Carbon brush (2pcs) | 28 |
| 101229 | Carbon brush holder (2pcs) | 29 |
| 103107 | Sleeve | 31 |
| 481324 | Handle | 32, 40 |
| 481325 | Speed regulator | 35 |
| 481677 | Lock-on switch | 34, 36 |
| 101285 | Capacitor 0.22uF | 37 |
| 101232 | Handle | F1 |
| 101233 | Bolt (2pcs) and Ring (2pcs) | F2, F3 |

DECLARATION OF CONFORMITY
We declare under our sole responsibility that this product is in conformity with directive 2011/65/EU of the European Parliament and of the Council of 8 June on the restriction of the use of certain hazardous substances in electrical and electronic equipment is in conformity and accordance with the following standards and regulations:
EN 55014-1, EN 55014-2, EN 62841-1, EN 62841-2-4, 2006/42/EC, 2014/30/EU, 2012/19/EU, 2011/65/EU.
Zwolle, 01-06-2021

FERM – Lingenstraat 6 – 8028 PM – Zwolle – The Netherlands.























