TROY LIGHTING B4016 Blade Outdoor Wall Light

WARNING
DISCONNECT POWER BEFORE RELAMPING OR WIRING THE FIXTURE. READ ALL INSTRUCTIONS COMPLETELY BEFORE STARTING INSTALLATION.
CAUTION
- TO AVOID THE RISK OF FIRE OR SHOCK, FIXTURE MUST BE INSTALLED IN COMPLIANCE WITH ALL APPLICABLE NATIONAL AND LOCAL ELECTRICAL/BUILDING CODES.
- INSTALLATION AND MAINTENANCE OF THIS UNIT REQUIRES AN ELECTRICIAN OR CERTIFIED FACTORY TRAINED TECHNICIAN.
- If an existing fixture is being replaced, remove it and note to which of the wires in the outlet box the fixture was attached. DO NOT SEPARATE ANY OTHER WIRES THAT MAY BE IN THE BOX. DO NOT DAMAGE THE INSULATION OF OLDER WIRING. In regular circumstances the BLACK wire will be the “Hot” lead and the WHITE wire will be the “Neutral” or “Common” lead. A GREEN or BARE COPPER wire is the “Ground”. In older buildings it is always good practice to reconfirm the polarity of the wiring.
NOTICE
- The important safeguards and instructions outlined on this sheet cannot cover all possible conditions and situations that may occur. It must be understood that common sense, caution and care are factors that cannot be built into any product. Caution and care must be supplied by the person(s) installing, operating and caring for this lighting fixture.
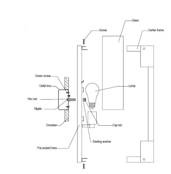
- This fixture is designed to be mounted on a correctly installed standard round or octagon box or a through wiring box with a plaster frame. The box must be securely mounted to the structure of the building. The crossbar and hardware supplied should be used. Directly mounting the fixture to the outlet box may make it impossible to correctly align the fixture.
FIXTURE PREPARATION
Remove the fixture, parts and parts bag(s) from the carton.
NOTICE:
Before discarding the carton, double check to make certain that all parts are found
FIXTURE INSTALLATION
- (Starting at the back) thread the 2 mounting screws into the mounting bar. (The green screw is in the front) Attach the mounting bar to the outlet box.
- Thread the nipple into the crossbar. Thread the hex nut onto the nipple. Adjust the nipple so that 3/16″ extends beyond the back of the fixture. Lock the hex nut against the crossbar.
- Fasten the ground wire to the green or bare copper wire in the outlet box or to the green screw on the crossbar.
WARNING
Never fasten the ground wire to the black or “hot” wire! Failure to follow this instruction could result in serious injury or death! - Fasten the white fixture lead to the white wire in the outlet box. Fasten the wires together with an approved fastener (wire nut). Starting about 1′ below the fastener, tightly wrap the connection with electrical tape so that the connection seals the end of the fastener.
WARNING
Make sure that there is no exposed wire or strands that could cause a dangerous short circuit !
- Connect the black fixture lead to the black wire in the outlet box.
Fasten the joined wires as in step 4. - IF THE FIXTURE IS INSTALLED OUTDOORS:
To prevent water from flowing into the outlet box put a bead of weatherproof caulking or silicone sealant around the inside edge of the top and sides of the back. - Fasten the fixture to the wall use nuts.
- Install the lamps ( light bulbs). NOTE: This fixture is rated for Max 100 watt type A lamp.
WARNING
DO NOT EXCEED RECOMMENDED WATTAGE! - Place the glass into position.
- Install the center frame use screws.
- Restore power to circuit at breaker or fuse box






















