PATRIOT PT-G12-E Electric Griddles Instruction Manual
WARNING: IMPROPER INSTALLATION, ADJUSTMENT, ALTERATION, SERVICE OR MAINTENANCE CAN CAUSE PROPERTY DAMAGE, INJURY OR DEATH. READ THE INSTALLATION, OPERATING AND MAINTENANCE INSTRUCTIONS THOROUGHLY BEFORE INSTALLING OR SERVICING THIS EQUIPMENT.
Attention Owners and Operators
Patriot Equipment is designed to provide safe and productive processing, cooking and warming of food products as long as the equipment is used in accordance with the instructions in this manual and is properly maintained. Unless the operator is adequately trained and supervised there is a possibility of serious injury. Owners of this equipment bear the responsibility to make certain that this equipment is used properly and safely, and to strictly follow all of the instructions contained in this manual and the requirements of local, state or federal law.
Owners should not permit anyone to touch this equipment unless they are over 18 years old, are adequately trained and supervised, and have read and understood this manual. Repairs and conversions are to be made solely by an authorized servicer. Owners should also ensure that no customers, visitors or other unauthorized personnel come in contact with this equipment. Please remember that vender cannot anticipate every circumstance or environment in which its equipment will be operated. It is the responsibility of the owner and the operator to remain alert to any hazards posed by the function of this equipment. If you are ever uncertain about a particular task or the proper method of operating this equipment, ask your supervisor.
This manual contains a number of precautions to follow to help promote safe use of this equipment. Throughout the manual you will see additional warnings to help alert you to potential hazards.
Warnings affecting your personal safety indicated by:![]()
Warnings affecting your possible damage to the equipment and property are indicated by:![]()
If any warning labels or this manual are misplaced, damaged, or illegible, or if you require additional copies, please contact your nearest representative or supplier directly for these items at no charge.
Please remember that this manual or the warning labels do not replace the need to be alert, to properly train and supervise operators, and to use common sense when using this equipment.
INSTALLATION
The griddles are designed to operate only for the voltages indicated on the data plate attached to this griddle, and for alternating current (AC) only.
WARNING DO NOT CONNECT TO DIRECT CURRENT (DC).
The installation of the electric griddle should conform to the:
NATIONAL ELECTRIC CODE AND ALL LOCAL ELECTRIC CODES AND ORDINANCES AND THE LOCAL ELECTRIC COMPANY RULES AND REGULATIONS.
A Qualified electrical installer must install this griddle. Improper installation will void the manufacturer’s warrantee.
External wiring should be in conduit or an approved type of flexible cable suitable for operation at the temperature indicated on the wiring diagram, and of a proper size to carry the load. The supply circuit should be properly fused and equipped with a means of disconnecting, as required by local electrical code.
THE BODY OF THE GRIDDLE SHOULD BE GROUNDED (DO NOT GROUND TO AN ELECTRIC SUPPLY LINE).
NOTE: Appliances are not internally fused. They must be connected to a suitable disconnect box in accordance with local code.
GENERAL OPERATING PROCEDURES
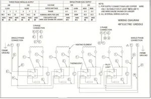
PATRIOT series 24” 36” and 48” electric griddles may be wired for operation in the field for either 1 phase or 3-phase power supplies by making line connections at the junction box located at the rear of the unit. 12”griddle is 1-phase only.
CONNECTING POWER SUPPLY
Open cover on junction box at rear of unit. Pigtail leads must be connected to supply power as per the diagrams in this manual.
LOCATING AND LEVELING THE UNIT
Do not install the unit closer than 1-inch from a side wall and/or closer than 1-inch from a rear wall. Level unit by adjusting the (4) feet which have an adjustment of 1-3/4” (43.75mm) for accurate leveling and perfect line-up with other PATRIOT series units.
EXHAUST CANOPY
A vertical distance of not less than 48” shall be provided between the top of the appliance and filters or any other combustible material. Exhaust installation must conform to local codes.
SEASONING THE GRIDDLE COOKING SURFACE
Clean the griddle surface thoroughly. After the griddle has been thoroughly cleaned, it should be seasoned to prevent food from sticking. Before using and after each thorough scouring, season the griddle heating surface in the following manner.
- Turn temperature control dials to 350°F (177°C).
- Using a clean cloth, not a spatula, spread a thin film of cooking oil over the griddle cooking surface.
This film should remain on the hot griddle surface for half an hour. - Remove the excess oil and wipe clean.
- Apply another film of cooking oil over the hot cooking area for another half hour and again remove excess oil and wipe clean. The griddle surface should now be ready for use.
TEMPERATURE CONTROL
The temperature controls are combination “ON/OFF” switches and thermostats. Turning the dial knob automatically maintains the selected heat range.
The PATRIOT griddle line has one thermostat for every 12” section of griddle. Each thermostat controls the section of the griddle above it and may be set at different temperatures.
COOKING
Set the thermostat dial knob at the temperature desired. After a short pre-heating period, the thermostat will automatically maintain the selected temperature.
HEATING LIGHT
Each thermostat has its own HEATING light which indicates when that section’s control knob is active and that section of the unit is not in the off position.
CLEANING CARE
- DO NOT use any abrasive or flammable cleaning fluids.
- DO NOT hose down, immerse or pressure wash any part of the Griddle, excluding the catch tray.
- NEVER use a scrubber pad (on all exterior surfaces, except the griddle plate), steel wool or abrasive material, or cleaners containing chlorine, iodine and ammonia or bromine chemicals as these will deteriorate the stainless steel and shorten the life of the unit.
MAINTENANCE AND REPAIR
Contact a service representative or a local service company for service or required maintenance.
PATRIOT GRIDDLE SURFACE LIMITED WARRANTY EXCLUSIONS
Your PATRIOT griddle has been designed to give you many years of cooking reliability and requires minimum maintenance to keep the surface in its original condition. All griddle surfaces are warranted for a period of 1 year against manufacturing defects to the original owner from the date of installation. This limited warranty is void if it is determined by PATRIOT or one of its authorized representatives that the surface has been misused or abused or subjected to the following situations:
- Unit was improperly installed.
- Incorrect voltage applied to electric units allowing the surface to overheat and discolor.
- The misuse of any instrument or tool which scratches or makes indentations in the surface which could cause the surface to peel, flake, or chip off.
- The use of any chemical or abrasive cleaning solution, stone, screen or other cleaning products which could damage and affect the performance of the surface.
- The neglect of daily routine maintenance to the surface.
THOROUGHLY INSPECT YOUR UNIT ON ARRIVAL
This unit has been tested for before leaving the factory.
Damage may have possibly occurred in shipping. If damage is present, immediately contact the shipping company that delivered the unit and file a claim for shipping damage. If you do not file promptly, the warranty may not be covered.
ELECTRICAL PARAMETER
ELECTRICAL DIAGRAMSR
! WARNING: This device should be safely and adequately grounded in accordance with local codes, or in the absence of local codes, with the National Electrical code, ANSI/NFPA 70, Latest Edition to protect the user from electrical shock. It requires a grounded system and a dedicated circuit, protected by a fuse or circuit breaker of proper size and rating. Canadian installation must comply with the Canadian Electrical Code, CSA C22.2, as applicable.
Exploded view

No.
Part
Q’ty
No. Part
Q’ty
1
Griddle plate 1 10 Temperature Probe bracket 1/2/3/4 2 Side plate 2 11 Heating element 1/2/3/4
3
Side interior plate 2 12 Rear plate 1 4 Indicator 1/2/3/4 13 Terminal connection box 1
5
Knob 1/2/3/4 14 Terminal cap 2 6 Thermostat 1/2/3/4 15 Heating element clamp 1/2/3/4
7
Panel 1 16 Adjustable foot 4
8
Front interior plate 1 17 Grease Drawer 1/2 9
Bottom plate
1
Product with the PATRIOT name incorporates the best in durability and low maintenance.
We all recognize however that replacement parts and occasional professional service may be necessary to extend the useful life of this unit. When service is needed, contact a PATRIOT Authorized Service Agency, or your dealer. To avoid confusion, always refer to the model number, serial number, and type of your unit.


LIMITED WARRANTY
ELECTRIC EQUIPMENT
PATRIOT Cooking will warrant new electric products to be free from defects in materials and workmanship for a period of one (1) year from the date of installation, or two (2) years from manufacturing date, whichever comes first. Proof of purchase is required if ‘Warranty Registration Card’ is not completed and sent to the company. This warranty includes parts and reasonable labor rates. Travel covers 50 miles (80 km) from authorized service agency. Time and travel exceeding the 50 miles (100 miles round trip) will be the responsibility of the customer the service.
Warranty parts may be either repaired or replaced at the company’s discretion. Warranty coverage is for commercial application that the product is intended.
WARRANTY CONDITIONS
- Equipment installation provided by an authorized service company
- This warranty is limited to the repair or replacement, at the company’s option and discretion, without charge of any part or product diagnosed by an authorized service agent as a manufacturing defect within the warranty period.
- Complete Warranty Registration Card within 30 days after installation to validate warranty coverage. If Registration Card is not completed the customer will be required to provide a “Proof Of Purchase” to request warranty service
- Labor rates are standard. Additional rates, including after normal business hours, holidays, weekends, and additional mileage, etc., will be the responsibility of the customer.
- Mileage rates are covered for 100 miles round trip to place of service. Additional mileage is the responsibility of the customer.
- Warranty claims to include:
- A. Model number
- B. Serial number
- C. Date of installation
- D. Technicians diagnosis
- Warranty exclusions:
- A. Installations outside of continental United States & Canada
- B. Warranty is for original equipment owner; non transferable
- C. Improper installation
- D. Improper ventilation
- E. Calibration ( this procedure should be performed by authorized installer )
- F. Harsh chemicals and/or abrasives used on equipment
- G. Light Bulbs, lambs, indicator lamps, fuses, knobs.
- H. Damage during transit
- I. Customer abuse, misuse, neglect, and/or purposes other than a commercial gas/electric equipment environment
- J. Residential use
- K. Any electric cooking equipment installed in a non-permanent structure, such as a mobile kitchen, food truck, or trailer shall have a thirty (30) days limited warranty from the date of purchase. A proof of purchase is required.
No other warranty, implied or stated, will be acceptable. The above warranty is in lieu of all other liabilities and warranties. The Company will not be responsible for property damage, loss of product, personal injury, punitive or consequential damages, or excessive time / travel associated with a warranty claim.
![]()
Patriot warrants its equipment against defects in materials and workmanship, subject to the following conditions:
Patriot gas equipment is warranted for one (1) years, effective from the date of purchase by the original owner. A copy of the original receipt or other proof of purchase is required to obtain warranty coverage. This warranty applies to the original owner only, and is not assignable.
The stainless steel fry tank has a five (5) year limited tank warranty. If during the first year, the tank is found to have a leak and is verified by an authorized service company, the entire fryer will be replaced. During years two through five, a new tank will be given. Should any product fail to function in its intended manner under normal use within the limits defined in this warranty, at Patriot’s discretion, such product will be repaired, replaced with a refurbished unit, or replaced with a new unit by Patriot, after defective unit has been inspected and defect has been confirmed. Patriot does not assume any liability for extended delays in replacing any item beyond its control. This warranty does not apply to rubber and non-metallic synthetic parts that may need to be replaced due to normal usage, wear or lack of preventative maintenance.
This warranty covers products shipped into the 48 contiguous United States, Hawaii, and metropolitan areas of Alaska and Canada.
Warranty coverage on products used outside the 48 contiguous United States, Hawaii and metropolitan areas of Alaska and Canada may vary.
The following conditions are not covered by warranty:
- Equipment failure relating to improper installation, improper utility connection or supply and problems due to improper ventilation.
- Equipment that has not properly been maintained, damage from improper cleaning, and water damage to controls.
- Equipment that has not been used in an appropriate manner, or has been subject to misuse, neglect, abuse, accident, alteration, negligence, damage during transit, delivery or installation, fire, flood, riot, or act of God.
- Equipment that has the model number or serial number removed or altered.
- Equipment on which the security seal has been broken.
If the equipment has been changed, altered, modified, or repaired without express written permission from Patriot, then the
manufacturer shall not be liable for any damages to any person or to any property, which may result from the use of this equipment
thereafter.
This equipment is intended for commercial use only and this warranty is void if equipment is used in other than a commercial application.
For warranty issues and technical support call Patriot Cooking at 888-585-9440. Please have your model number, serial number and proof of purchase ready. For non-warranty related issues call 800-458-5593.
“THE FOREGOING WARRANTY IS IN LIEU OF ANY AND ALL WARRANTIES EXPRESSED OR IMPLIED INCLUDING ANY IMPLIED WARRANTY OF MERCHANTABILITY OR FITNESS FOR PARTICULAR PURPOSES AND CONSTITUTES THE ENTIRE LIABILITY OF PATRIOT. IN NO EVENT DOES THE LIMITED WARRANTY EXTEND BEYOND THE TERMS STATED HEREIN.”
Please fill out and return the warranty registration card below to the address provided or register online at Patriotcooking.com
PATRIOT COOKING 5130 Executive Boulevard Fort Wayne, IN 46808 Attn: Warranty Registration
(Name of Busines)___________________ (Dealer Purchased From)________________________
(Address)_________________________(City) _________(State) _____________(Zip Code)_________
(Model Number)________________(Serial Number) ____________________________
This is to inform that I(Please print name of individual who owns the business) _________________________________have had the above installed in my place of business(Date of Purchase)________________
(Contact Phone Number)______________(Contact E-mail)____________(Signature of individual who owns Business)________________________
The above warranties are in effect from this installation date, or 90 days, which ever comes first.
WARRANTY REGISTRATION CARD MAIL CARD IMMEDIATELY

This card must be mailed immediately after installation date for warranty to be in effect.


























