Aqara Single Switch Module T1 User Guide
Product Introduction
Aqara Single Switch Module T1 (No Neutral) is based on the Zigbee 3.0 wireless communication protocol. It can control the on/off status of lights. With the Aqara Hub, it can realize functions such as app remote control and timing control. It can work with other Aqara smart devices to realize more smart scenes.
- This device requires a compatible Zigbee 3.0 hub.
- To work with HomeKit, a specific hub is required.
Visit www.aqara.com/support for more details. - This product is for indoor use only

Single Press: Turn on/off
Long Press for 8s: Reset/ Connect to Network
Triple Press: Effective Range Test - When the external switch is connected, please turn it on and off 5 times, and then it enters the networking status.
Warnings
- Do not cover when the plug is working.
- Make sure that the main switch of the power supply is off before removing plug.
- Do not connect in series.
- This product is NOT a toy. Please keep children away from this product.
- This product is designed for indoor use only.
- Do NOT use in humid environments or outdoors.
- Beware of moisture, do NOT spill water or other liquids onto the product.
- Do NOT place this product near a heat source. Do NOT place it in an enclosure unless there is normal ventilation. Do NOT attempt to repair this product by yourself. All repairs should be performed by an authorized professional.
- This product is only suitable for improving the quality of your home life and reminding you about the device status. If a user violates the product use instructions, the manufacturer will NOT be liable for any risks and property losses.
Installation
Please make sure that the main switch of the power supply is off before installation!
After the device powers on, all the conductors (including the antenna) of the device may be connected with strong electricity. Please make sure that the product is installed in a protective environment that cannot be reached by hands, such as a switch pattress and a protective cover of the bulb.
Recommended stripping length for terminal wiring: 6~8 mm.
- According to the requirements, please connect the wires through any of the following methods;
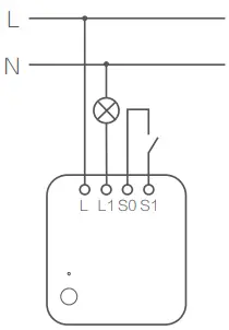
Method 1: L1 is connected to the load wire. S0 and S1 are connected to the two ends of the external switch respectively. L is connected to the live wire(Diagram 1).
Diagram 1
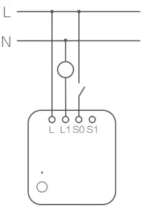
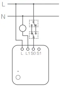
Method 2: L1 is connected to the load wire. One end of the external switch is connected to S0, and the other end is connected to the live wire. L is connected to the live wire(Diagram 2). If the external switch is a dual-control switch, the end of the original switch, which is connected to the load wire, can be connected to S0 to realize an external dual control (Diagram 3).
Diagram 2
Diagram 3
- The maximum cross-sectional area of the conductor is 2.5mm².
- If no external switch is connected, S0 and S1 can be left in idle and the device can be controlled by automation or the app.
- The single switch module is fixedly embedded in the device (such as the pendant lamp and the switch pattress) to avoid the danger of accidental touch;

- Paste the fixed antenna;
- The inner conductor of the antenna is connected with strong electricity. Please do not put it in an environment that could be touched in your daily life; if it is damaged, please do not touch it, and replace or repair it in time.
- When the control module is installed in the switch pattress, it is recommended to paste the antenna on the sidewall of the plastic pattress and keep it parallel to the wall; if the switch panel bracket is made of plastic, it is recommended that the antenna is no more than 10mm away from the wall; if the switch panel bracket is made of metal, it is recommended that the antenna be more than 15mm away from the wall (metal bracket)
- If it is installed in a metal pattress, it is recommended to paste the antenna inside the plastic switch panel, but sufficient space is required for the panel.
- The pasting position should try to avoid the metal, wire, and module itself; if it is installed on the ceiling or inside the lights, the antenna should avoid too much shielding.
- Please do not squeeze, bend or pull the antenna with force, otherwise the antenna may be damaged.
- Turn on the main power switch, and press the button on the module or on the external switch. If you can turn on/off the device normally, this indicates that it works normally.
Quick Setup
- Before activating the accessory, please make sure you have the Aqara Home app downloaded and the Aqara Hub installed.
- Please open the app, tap “Home” and then tap “+” in the top right corner to enter “Add Device (Accessory)” page. Select “Single Switch Module T1 (No Neutral)”, and add it according to instructions.
- If the connection fails, please move the Hub closer to the Single Switch Module T1 (No Neutral), in and try again.
Effective Range Test: Quick press the push button on the accessory 3 times. If the Hub makes voice prompts, it indicates that the accessory can communicate effectively with the Hub.
Indicator Light Description
| Indicator Light Status | Status Description |
| Blue light flashes once | Device power on |
| Blue light blinks quickly | Zigbee network is connecting |
| Blue light keeps on | Zigbee network works properly |
| Red light blinks quickly | High-temperature alarm |
| Red light blinks slowly | Zigbee network is not connected |
Specifications
Model: SSM-U02
Dimensions: 42.9 × 40 × 21.4 mm( 1.69 × 1.57 × 0.84 in.)
Wireless Protocol: Zigbee 3.0
Electrical Rating: 100-250VAC,Max.5A,50/60Hz,Min 3W,Max 1250W (Resistive Load), μ
Operating Temperature: 0 – 35°C(32°F – 95°F)
Zigbee Operation Frequency: 2405-2480 MHz
Zigbee Maximum Output Power ≤ 13 dBm
- This product is only suitable for non-remote control 3W+ lights.
Online Customer Service: www.aqara.com/support
Manufacturer: Lumi United Technology Co., Ltd.
Address: 8th Floor, JinQi Wisdom Valley, No.1 Tangling Road, Liuxian Ave,
Taoyuan Residential District, Nanshan District, Shenzhen, China.
Under normal use of condition, this equipment should be kept a separation distance of at least 20cm between the antenna and the body of the user
Hereby, [Lumi United Technology Co., Ltd] declares that the radio equipment type [Single Switch Module T1 (No Neutral), SSM-U02] is in compliance with Directive 2014/53/EU. The full text of the EU declaration of conformity is available at the following internet address:
http://www.aqara.com/DoC/
All products bearing this symbol are waste electrical and electronic equipment (WEEE as in directive 2012/19/EU) which should not be mixed with unsorted household waste. Instead, you should protect human health and the environment by handing over your waste equipment to a designated collection point for the recycling of waste electrical and electronic equipment, appointed by the government or local authorities. Correct disposal and recycling will help prevent potential negative consequences to the environment and human health. Please contact the installer or local authorities for more information about the location as well as terms and conditions of such collection points.






















