
Instruction Manual
Evaporative Air Cooler
Ck18000
– Portable –
– Easy to Operate –
– Low Maintenance –
– Energy Efficient –
Important Safety Instructions
READ AND SAVE THIS IMPORTANT SAFETY
INSTRUCTIONS BEFORE USING THIS UNIT WHEN USING ELECTRICAL APPLIANCES, BASIC PRECAUTIONS SHOULD ALWAYS BE
FOLLOWED TO REDUCE THE RISK OF FIRE, ELECTRICAL SHOCK, AND INJURY TO PERSONS, INCLUDING THE FOLLOWING:
- The unit should always be placed on a firm and flat surface, and at least 10 inches away from the wall.
- The unit should not be used in a small, enclosed room while using the COOLING function without ventilation for long periods of time. The air could become saturated and leave condensation on the walls. Leave a door/window partially open when used indoors.
- Before using the unit, check the cord for any signs of damage. DO NOT use the unit if the cord has been damaged. Plug into 110 v outlets to avoid fire or shock hazards.
- The appliance should be unplugged and emptied when not being used for long periods of time. Shut off and unplug the unit before moving. DO NOT tilt while the unit is in operation. Plug and unplug with dry hands, and never unplug by tugging on the cord.
- The COOLING (snowflake) feature will only operate when water is in the reservoir. Otherwise, the unit will run as a FAN only. First, fill with water. Then plugin, and then turn on your unit. The cooling will automatically begin and you will see a snowflake light up on the panel. If there is no water in the unit, the cooling will automatically shut off and a red light will appear, indicating that it needs more water. If there is no water, it will not harm the motor and will work properly as a regular fan. This is a safety feature.
- This unit requires some maintenance; refer to cleaning instructions for details.
- This unit is designed for the outdoors. However, it can be used indoors in open spaces for short periods of time. There is no compressor in the unit and will not act as an air conditioner. It is not recommended as a daily household cooling unit, because of moisture production in small areas can be harmful.
- Do not insert any object inside the unit without proper care. Only water should be added. Refer to cleaning instructions for details.
- Do not attempt to repair or adjust any electrical or mechanical functions without consulting Cajun Kooling Support first. Doing so will void the warranty.
- If you plan to NOT USEthe unit for long periods of time, drain out all of the water from the reservoir to ensure lifelong durability. Then turn the unit on and run as the FAN function 30 mins. This ensures that the inside of the unit will be completely dry before storing. only, for approx.
Par ameter Table
| Model | CK18000 |
| Air Delivery | 18000CFM |
| Type of Fan | Axial /6 speeds |
| Lowest Noise | ≤75dB |
| Motor protection grade | IP64 |
| Voltage/Frequently | 110/60V/Hz |
| Current | 12.5A |
| Power | 1.1KW |
| Air Outlet Dimension | 27×25.4in |
| Air Drive | 55ft |
| Water Capacity | 46gal |
| Water Consumption | 0.66-1.32gal |
| Machine Size | 41.7x26x66.1in |
| Net Weight | 150lb |
| Machine protection grade | IPX4 |
Control Panel

How It Works:
This unit is a portable fan, as wells an evaporative air cooler. When using the cooling function, the water inside the unit will be pumped throughout pipes inside, and will be dispersed onto the cooling pads. The motion of the fan will drag air into the air intake areas, which will then pass through the cooling pads. The movement of the wind over the moisture will evaporate and create naturally cool and comfortable air. No mist will be produced. After approx. 8-12 hours, the water reservoir will be completely evaporated into the air and will needto be refilled.
Exterior Structure

Matters Need Attention
Please review and follow all instructions below to prevent damage asset and people safety.
This sign means please be careful—“Reminding”
This sign means not be allow to do—“Ban”
This sign means please make sure to do—“Enforcement”



This machine is suitable for operation indoor.with low humidity.
It not allow use this machine in some place with inflammable and explosive gas, prevent direct sunshine on this machine.
Do not place the machine on a slope it may cause the machine to topple and damage the equipment inside.
Please do not place air inlet of this machine near the wall or window curtain, otherwise it may blocking the air flow, influence the effective cooling and ventilation.
When the water container is full, please do not place this machine on a slope or crash it. If want to move it, please push it on flank to prevent the water spill.
Only the qualified professional person can take charge the maintain of this machine.
If the supply cord is damaged, it must be replaced by the manufacturer, its service agent or similarly qualified persons in order to avoid a hazard.
All parts of this machine can not discard casually, not allow throw them into dustbin.
Troubleshooting:
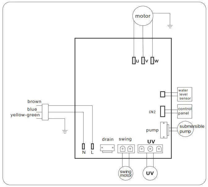
Circuit Layout

Installing The Unit:
- Lay box down on the back and cut open the bottom from the straps. The wheels will be located in a smaller box inside of the unit’s box. Open the box of wheels and there should be 4 -wheels and 16 screws. Check to make sure that all parts are present.
- Use a screwdriver, gently screw on the wheels and make sure not to strip the screws.
- Stand your box back up and remove the box from the unit by lifting it over the top. Make sure that all parts are intact and correctly assembled.
- You may begin filling water through the water inlet flap using regular tap water. There is a water level in the front of your unit, located on the reservoir. Be sure not to fill past the “H”, HIGH, level. You will not see the water until it reaches half of the tank on “L”, low, but this level may not need to be reached for your preference. Filling at half of the tank will last at least 4 hours of run time.
- If hooking the hose to the hose attachment, be sure that the hose is using low pressure. There is a “ float” inside of the water reservoir to stop the water flow when the reservoir becomes full. Hose attachment accessory is in your manual packet.
- Plug in the unit to a safe outlet, and begin using your fan by pressing the Power button. Choose your suitable speed for your unit and begin enjoying.
Cleaning and Maintenance:
- The Drying Process: For longer lifetime of your evaporative air cooler, after using the unit, it is recommended to turn off the cooling function (snowflake button) and run the unit as a FAN only for approximately 30 mins. This helps to dry out the cooling pads and avoid mildew. The remaining water can be kept in the reservoir for 3 more days, but should be changed at least once a week. If storing for longer than one week, drain the water from the reservoir using the drain valve at the bottom of the unit, and then complete the drying process.
- For the Automatic Drying: the timer can be used as a convenience for you to dry your unit without having to occupy it. Simply turn the snowflake button OFF, keep the fan running, press the timer button on for one hour, and the fan will dry and shut down itself after one hour.
- The reservoir can handle 2oz. of bleach in at least 32- gallons of water to refresh the interior. DO NOTput any other cleaning or foaming products into the machine, because it will foam up the water and overflow your unit. Do not do this more than once a week.
- The black screens protecting your cooling pads will collect dust and should be checked at least once a week when using frequently. Pull them out and simply hose them off or wipe them down with a wet rag and re-insert. To avoid build-up, DO NOT put chemicals on the screens. The screens should be transparent and you should be able to see completely through them after they have been cleaned. This ensures complete air intake.
- Cleaning the cooling pads: make sure the cooling pads are dry and the machine is unplugged. Use a screwdriver to remove the back panel of the unit and the cooling pads can easily slide in and out. Rinse softly with a hose through one side only on low pressure and do not use any chemicals. At an angle, you should be able to see light though the holes once it has been fully cleaned. Re-insert the pads gently and put the back panel back into place and put the screws back into place.

Troubleshooting:
Please call Cajun Kooling Support before altering or replacing any parts. Some parts may not need full replacement and can be serviced by a technician. 1-844-819-3557
| Problem | Possible Cause | Solution |
| Cannot turn on the unit | 1. The power supply is not connected 2. ON/OFF button does not work 3. Phase shortage 4. Voltage is too low | 1. Check the power supply 2. Replace the control panel 3. Check the phase wire 4. Check the voltage supply |
| The fuse shorts often | 1. The water pump has shut off 2. Drainage pump Is blocked 3. Motor of the “swing”function Is broken | 1. Replace the water pump 2. Replace the drainage pump 3. Replace the motor for the “swing” |
| Water Leakage from external parts or spitting water | 1. The machine is not well balanced 2. Water reservoir Is leaking 3. Drain is leaking 4. Water level Inlet is leaking S. Water level Is too high 6. Internal pipes for distribution is broken 7. Cooling pads dirty 8. Cooling pads or screens are clogged | 1. Place on a balanced surface and give time for excess water to dry up 2. Check for any holes or cracks on the tank 3. Seal the drain properly and do not over tighten 4. Check for cracks or damages of the water inlet flap S. Drain some water and do not fill past High and check that the intemal float is properly positioned 6. Open unit from the back and check the pipes for any leaks 7. Remove and properly clean the cooling pads 8. Clean or replace the cooling pads or screens |
| Making noise | 1. Fan blades are dirty, warped, or broken 2. Build-up Is blocking the airflow 3. Water was filled too high and reached the fan blades 4. fan is not level | 1. Replace the fan 2. Clean the unit from the inside out and all of the cooling pads and screens 3. Drain some water and allow for drying 4. make sure fan is on a firm level slab |
| No wind supply or the airflow is too low | 1. Cooling pads or screens are clogged 2. Control panel Is broken 3. Remote control Is broken 4. Fan is noffurning on S. Shortage in the phase wire | 1. Clean or replace the cooling pads or screens 2. Replace the control panel 3. Check batteries or replace the remote 4. Check the motor from inside of the unit S. Check the phase wire |
| No Cooling | 1. Shortage of water in the reservoir 2. Water pump broken 3. ‘Cooling” button on the panel Is broken 4. Remote control broken | 1. !dd water to reservoir and make sure “snowflake” stays lit up on control panel 2. Repair the water pump 3. Check the panel anTlorreplace 4. Check the batteries or replace remote |
| Water reservoir or screens have white built up | 1. Mineral substance in the water is too high 2. Improper chemicals were added to the unit | 1. Clean more frequently 2. Do not add any chemical to the water or to the unit |
| 8. Malfunction code present “01” Electric current over “02” Communication system problem “03” Voltage over protection “04” Voltage shortage protection “05” UV lamp current over “06” Swing motor current over “07” Water pump current over “08” Draining pump current over “09” motor current over | 1. Reason: the motor short circuit or circuit board short circuit. 2. Reason: 01. Communication line disconnect or bad contact 02. Circuit board fault3.Reason: lnput voltage >AC280V 4.Reason: lnput voltage <AC180V 5.Reason:UV current>1.5A 6. Reason: Swing motor current>1.5A 7. Reason: Water pump current>1.5A 8. Reason: Draining pump current>1.5A 9. Reasoneurrent bigger than the rated current | Please check if the inverter or motor is damaged. Please check the connection of the signal line, to see whether it is connected or disconnected. Firstly, check the signal line terminals are oxidized or not because of water. If there is no obvious oxidation phenomenon, could reconnect the signal line. Please check electric voltage. |
Attention!
The following is important information regarding your warranty.
Please read before opening and operating your unit.
Warranty
Welcome to your new evaporative air cooler. After purchasing this product, please fill out the form below, and mail it to the Cajun Kooling. address within 14 days of purchase. This will ensure you a 1-year warranty on all mechanical parts not including labor. Please check items upon opening and examine for any possible damage, in order to validate your warranty. Please cut on dotted line and mail into the Cajun Kooling address. Your mailed in warranty will be validated according to the date on our copy of your receipt from purchase.
Cajun Kooling LA LLC.
112 Thruway Park
Broussard, LA 70518
1-844-819-3557
Customer Name: Customer Address:
Tel. Number: Date of purchase and distributor name:
Model Type: (Circle One)
-CK18000
Serial Number:
(listed on silver sticker on side of unit: ex. )



















