Heto Holten 807216 PCR Mini Instruction Manual
Important user information
Please read this entire manual to fully understand the safe and effective use of this product.
In case you have any comments about this manual we will appreciate receiving them at the address below.
Symbol used in the manual
WARNING Used in case of danger of a serious accident or when documentation needs to be consulted.
NOTE Used to direct attention to a special item.
Introduction
The PCR MINI is designed to protect the work process and the handled product against particle or microbiological contamination.
The PCR MINI complies with I.E.S. Recommended Practice; IES-RP-002-86; January 1986; Laminar Flow Clean Air Devices and the Nordiska R3-foreningens Norm for oppna LAF-enheter.
In order to avoid unintended wrong attendance, please read this instruction manual carefully.
Description
Principle of operation:
A confined workspace in which stable vertical unidirectional flow (laminar flow) provides protection for the product handled against particulate contamination from the surroundings and the operator.
All operations take place through the front opening. Pressure in the work chamber keeps the clean air flowing from the work chamber to the surroundings, avoiding introduction of particulate contamination to the work chamber.
Installation
Placement
- The place of installation should be a place without fraught and a place where the passing by of persons is avoided.
- Place the unit on the stand, connect the electrical special coded plug on the back to the socket and turn the rim to fasten it.
- On existing tabletop: Before placing the cabinet, make sure that the existing tabletop is able to carry the load of the unit.
Prior to electric connection it must be checked that the mains supply corresponds to what is stated on the type plate.
Operation
- Push button for start/stop of fan.
- Push button for switching the light ON/OFF.
- Push button for switching the UV-light ON/OFF.

Working rules
Working rules before work is started
- About 15 minutes before work is started, the fan of the cabinet is switched on for operation at normal speed.
- The work chamber is to be carefully cleaned and/or disinfected. Use 70 % ethanol or the like.
- It is recommended to use special lint-free wipes.
WARNING Use preferably aqueous detergents on the window – never use detergents containing chloride. Use mainly a soft cloth in order not to scratch the windows.
Working rules during work
- Objects and remedies must be carefully cleaned and/or disinfected before being brought into the work chamber.
- Necessary remedies for use during work must be placed within reach.
- Put on necessary personal clothing for reducing particle emission from the operator (e.g. gloves, masks and general clean room clothing). Special attention should be focused on hands and lower parts of arms, as these are the parts of the person most likely to emit particles near the product.
Important in order to work under clean conditions
- Work with tranquil movements. Never overload the work chamber.
- Reduce the number of transports into the work chamber.
- Avoid remedies with strong emission of heat.
- Do not place the cabinet on places with direct drought towards the work opening.
- Avoid placing the cabinet where many persons pass by.
NOTE
For reliable operation it is important that the airflow conditions are as undisturbed as possible. Therefore never overload the work chamber – only remedies necessary for the actual work should be placed in the work chamber.
Maintenance
Daily:
The work area is cleaned. Be especially careful when cleaning the work surface.
Weekly:
Wipe the exterior of the cabinet with a mild detergent of household type. Anti static spray can be used for cleaning the window.
Regularly:
A reliable operation of the cabinet is based on the following conditions:
- Correct air velocities.
- Efficiency of installed HEPA-filter.
A qualified technician should test these parameters after approximately 5000 hours of operation or at least once a year. On the right gable of the lamp cover there is a label stating the time for the next service check-up.
- Testing of air velocities involves measurement of the air velocity in the vertical unidirectional flow.
- Testing of the efficiency of the installed HEPA-filters. By means of special measuring device, a particle counter or a photometer, the effectiveness of the filter is tested (see also the enclosed test report).
NOTE
Contact your local supplier for further information on test procedures.
Changing of wearing parts
Change of prefilter
Change of prefilter Change of prefilter should be made whenever the surface of the prefilter turns grey.
- Loosen the cover in the right side of the upper part of the unit.
- Remove the prefilter and replace with new prefilter.
NOTE Never try to clean the prefilter as it is of a disposable type!
Change of transformer
- The transformer is placed on a separate electrical plate underneath the prefilter cover.
Change of main filter
- Remove the lid in the right side of the cabinet.
- Loosen the special filter fasteners. • Remove the filter from the cabinet.
- Carefully, install the new filter please be particularly careful with the filter gaskets.
- Fasten the filter using the special filter fasteners.
- Fasten the filter so there is about 3 mm between the aluminium frame of the filter and the filter-mounting frame of the cabinet.
- Refit the front lid.
Test
- Correct air velocities.
- Efficiency of installed HEPA-filter.
Technical description
Airflow in he work chamber
Through the perforated opening in the top of the cabinet air from the surrounding room is drawn into the cabinet. The air is prefiltered through a filter with medium efficiency.
Prefilter
The prefilter efficiency is 83 % Ashrae 52/76 (gray.) corresponding to EUROVENT 4/5 classification EU 3. The air is then led to the fan.
Fan
The air is led to the fan in the top of the cabinet where the air is pressurized. The fan is of a self-com-pen sating type and has only an insignificant drop in supplied air volume by an increase in back pressure. By means of a built-in transformer the fan can be made to operate with increased power.
From the pressure plenum the air passes the main filter.
Figure 2: PRC Mini
Main filter
The filter efficiency of the main filter is 00.06 9,0 of particles = 0.3 pM (D.O.P. test).
The air flows from the main filter through the work chamber I a vertical unidirectional flow of (Avail air.
Immediately before reaching the tabletop the air separates and partly flows out through the perforated back wall, partly flows out through the perforated work surface.
The air returns to the suction opening of the cabinet passing through the surrounding space.
Technical data
| PCR Mini | |
| Filter efficiency | 99.95 % particles = 0.3 pm |
| External dimensions DxWx11 | 330 x 020 x 975 mm |
| Working chamber dimensions DxWxH | 313 x 574 x 530 mm |
| Air volume | 300 m3/h |
| Air velocity | 0.45 m/s |
| Power | 220/50/3 V/Hz/A |
| Power consumption | 200 W |
| Noise level (ISO 6081) | 55 dB(A) |
| Placed on a stable tabletop | |
| Weight | 40.5 kg |
Functional Parts
- Main filter
- Filter cover
- Electrical parts
- On/Off buttons
- Fan
- Pro-filter
- Socket for special coded plug (at the rear).

Figure 3: Functional Parts of PCR Mini
- The fan is built into the upper part of the cabinet and is accessible from the side cover in the right hand side.
- The control panel is built into the side of the cabinet. Mains connections, fuses and trans-former are placed underneath the cover at the right side of the unit.
Recommended spare parts
| Description | Amount | Make | Specifications | Jouan no |
| Prefilter | 1 pcs | Filtrair | VNF 290 | 82400103 |
| Main filter | 1 pcs | Luttfilterbau | HEPA MDA | 82200501 |
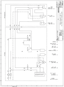
Wiring diagram

Warranty and Liability
Jouan Nordic A/S guaranties that the product delivered has been thoroughly tested to ensure that it meets its published specifications. The warranty included in the conditions of delivery is valid only if the product has been installed and used in accordance with the instructions supplied by Jouan Nordic A/S.
Jouan Nordic A/S shall in no event be liable for incidental or consequential damages, including without limitation, lost profits, loss of income, loss of business opportunities, loss of use and other related exposures, caused by e.q. incorrect use of the product.
EC – Declaration of conformity
DC 81-99 Revision 1

We:
Jouan Nordic NS
Gydevang 17-19, DK-3450 PJlerod
Denmark
declare under our sole responsibility that the product
Model: Holten PCR Mini
to which this declaration relates Is In conformity with tho following standard(s) or other normative document(s):
EN 292-1:1991 Safety of machinery.
Basic concepts – General principles for design.
(Basic terminology, methodology)
EN 292-2:1991 – Safety of machinery
Basic concepts General principle for design
(Technical principles and specifications)
EN 60204-1:1999 – Safety of machinery – Electrical equipment of machines.
(General requirements)
following the provisions of:
Directive 98/37/EEC Machinery
Directive 73/23/EEC Low voltage
Directive 89/336/EEC Electromagnetic compatibility

Allerod, 2003.03.28
Support
© Copyright 2003
Jouan Nordic A/S Gydevang 17-19 DK-3450 Allerod Denmark
Telephone: +45 48 16 62 00
Fax: +45 48 16 62 97
e-mail: [email protected]
Home page: http://www.jouannordic.com

















