
Cyrus F
Cyrus F is a versatile sensor uniquely blending motion, and ambient light together with dual channel dimming. This compact in-fixture controller has a 12-24V DC input voltage range. The device can be configured in wireless mode and UART mode. Device firmware can be updated using OTA (Over-the-Air) after installation. 
Features
- Motion, and ambient light sensing
- 0-10V dual channel class-2 dimming output for intensity and CCT control
- Compact form factor
- BLE 5.2 is based on non-flooding intelligent communication
- Zero downtime Over-the-Air (OTA) firmware updates
- Supports UART
Specifications
| Electrical | Symbol | Min. | Typ. | Max. | Unit | Remarks |
| Input Voltage | Vin | 12 | 24 | Vdc | Rated input Voltage | |
| Input Current | In | 22*1 | 60*2 | mA | @12 Vdc *1 When used as a BLE sensor *2 When used as sensor and dual channel controller |
| Output Channel | Symbol | Min. | Typ. | Max. | Unit | Remarks |
| Output channel 1 | CH1 | 0 | 10 | V | Max output tolerance ±2% | |
| Output channel 2 | CH2 | 0 | 10 | V | Max output tolerance ±2% | |
| Output Current | 15 | mA | 0-10V sink, For dimming max output | |||
| Dimming Range | 0 | 100 | % | |||
| Dimming Resolution | 7 | bit | 1000 steps | |||
| Dimming Curve | Linear | |||||
| Programming interface | Smartphone Application | Android/iOS | ||||
| Additional Control Interface | CART | Light/Motion | ||||
| Bluetooth | Min. | Typ. | Max. | Unit | Remarks |
| Frequency Range | 2402 | 2480 | MHz | ||
| TX Power | 6 | 8 | dBm | Conductive | |
| TX current | 48 | mA | Total current@ Max Tx power | ||
| Rx Current | 37 | mA | Total Current @Rx Mode | ||
| Receiver Sensitivity | -95 | dBm |
| Environmental | Symbol | Min. | Typ. | Max. | Unit | Remarks |
| Ambient Temperature | ta | -20 | 50 | ºC | ||
| Storage Temperature | ts | -20 | 70 | ºC | ||
| Case Temperature | tc | 47.6 | ºC | |||
| Relative Humidity | RH | 85 | % | |||
| IP Rating | IP20 | Indoor use only |
| Mechanical | Min. | Typ. | Max. | Unit | Remarks |
| Dimensions | 29.5×36 | mm | Diameter x Height | ||
| Dimensions | 1.161×1.417 | in | Diameter x Height | ||
| Net Weight | 90 | g | In gram | ||
| Net Weight | 3.17 | oz | In ounce |
Sensor Specifications
| PIR sensor | Min. | Typ. | Max. | Unit | Remarks |
| Mounting Height | 2.4 | 2.8 | 3.0 | m | |
| Detection Range | 4.0 | m | @3.0 m mounting height |
| Color sensor | Min. | Typ. | Max. | Unit | Remarks |
| Dynamic Illuminance Accuracy | 10 | 1000 | lux | ||
| Default Range Setting | 19 | 512 | lux | User programmable | |
| Illuminance Accuracy | ±5 | % | |||
| Color Accuracy | ±5 | % |
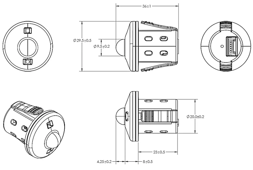
Device Dimensions
All dimensions are in mm Case Material: V0 PC plastic

Wire Description

| PIN | SYMBOL | COLOR | DESCRIPTION |
| 1 | VDC | Red | 12-24Vdc for sensor power |
| 2 | Ground | Black | GND |
| 3 | CH1+ 0-10V | Yellow | Intensity |
| 4 | CH2+ 0-10V | Green | CCT |
| 5 | TX | White | UART communication |
| 6 | RX | Blue | UART communication |
Sensor Characteristics
PIR sensor characteristics
Presence Detection Coverage

Color sensor characteristics
| Photodiode Spectral Responsivity | Normalized Responsivity vs Angular Displacement |
![]() | ![]() |
Wiring Diagram
1. Configuring Cyrus F in a light fixture for motion & daylight sensing, dimming, and tuning control
1a) Powering the Cyrus F via 12VDC auxiliary output from a driver

1b) Powering the Cyrus F via powerpack

Set the output channel mode of the Cyrus F as a ‘single channel’ in the mobile application
Design Options

Installation
Create a hole of diameter 25mm (0.98in) on the fixture

Gently insert the device into the hole

The press fit mounting clip on the device will keep it attached to the fixture

Warning
- To prevent the device from any defect, please handle and store it with care.
- Do not store in very humid locations or at extreme temperatures.
- Do not open or disassemble the product.
- Observe the correct polarity of the output terminal
- Avoid input voltage exceeding the maximum rating, which will cause damage to the circuit and result in malfunction.
- Do not block any ventilation openings. Install in accordance with the manufacturer’s instructions.
Ordering Information
| Product Code | Product Name | Communication | Voltage Rating | Sensor | Output Channel | CART |
| WXD2CPLFN | Motion & light sensor with dual channel dimming | BLE5.2 | 12-24V DC | Motion & light sensor | 0-10V (2 channels) | Yes |
Compatible Devices
- iOS – iPhone & iPad (version 9 and above)
- Android- almost all devices (version 6.0 and above)
Visit the link for commissioning and control information
Link – https://wisilica.com/help/wxd2cplc/PreconfigurationWXD2CPLR.htm
Download our mobile application at the following link - Search WiSilica Lighting App on the App Store / Play Store for iOS / Android devices or use the below link
- Android: https://play.google.com/store/apps/details?id=com.wisilica.Home&hl=en_US
- iOS: https://apps.apple.com/us/app/wisilica-platform/id954192558
FCC Statement
This equipment has been tested and found to comply with the limits for a Class B digital device, pursuant to part 15 of the FCC Rules. These limits are designed to provide reasonable protection against harmful interference in a residential installation. This equipment generates, uses, and can radiate radio frequency energy and, if not installed and used in accordance with the instructions, may cause harmful interference to radio communications. However, there is no guarantee that interference will not occur in a particular installation. If this equipment does cause harmful interference to radio or television reception, which can be determined by turning the equipment off and on, the user is encouraged to try to correct the interference by one or more of the following measures:
- Reorient or relocate the receiving antenna.
- Increase the separation between the equipment and receiver.
- Connect the equipment into an outlet on a circuit different from that to which the receiver is connected.
- Consult the dealer or an experienced radio/TV technician for help.
Caution: Any changes or Modi? cations to this device not explicitly approved by the manufacturer could void your authority to operate this equipment.
This device complies with part 15 of the FCC Rules. Operation is subject to the following two conditions:
- This device may not cause harmful interference, and
- this device must accept any interference received, including interference that may cause undesired operation.
RF Exposure Information
This equipment complies with FCC radiation exposure limits set forth for an uncontrolled environment. This equipment should be installed and operated with a minimum distance of 20cm between the radiator and your body.
CONNECTING THINGS TO LIFE
WiSilica Inc 23282 Mill Creek Dr #340, Laguna Hills, CA 92653
United States of America
[email protected] www.wisilica.com
Version 1.0
www.wisilica.com
[email protected]


Visit the link for commissioning and control information

















