STEG SDSP 4 DSP Car Power Amplifiers 
PRODUCT BRIEF INTRODUCTION
PRODUCT DESCRIPTION-PRECAUTIONARY NOTES
The DSP is a digital signal processor essential to maximize the acoustic performance of your car audio system.
It consists of a 32-bit DSP processor and 24-bit AD and DA converters.
It can connect to any factory system. even in vehicles featuring an integrated audio processor, since, thanks to the. De-equalization function,the DSP will send back a linear signal.
It features selectable High and low-level inputs as well as 3.5MM Aux and digital inputs that feed 8 completely variable output channels. Each output channel has a 31-band equalizer available.it also features a 66-frequency electronic crossover as well as. BUTTERWORTH or LINKWITZ filters with 6-24dB slopes and a digital time delay line.the user can select adjustments.
That allows him or her to interact with the DSP through a remote control device called DRC.
WARNING: 1-a PC provided with Windows XP, Windows Vista or Windows 7 operating system, 1.5GHz minimum. Processor speed , 1 GB RAM minimum memory and a graphics card with a minimum resolution. Of 1024×600 pixels are required to install the software and setup the DSP. 2-Before connecting you DSP, carefully read this manua .Improper connections may cause damage to
The DSP or to the speakers in the car audio system.
PACKAGING CONTENTS
- DSP- Signal Interface Processor
- Power supply cable Inputs/speaker output
- 5.0m USB cable
- Control High Level /wifi Input
- 4 of 4.0*15 mm/Bof 3.0*6mm self-tapping, Cross-head fixing screws,
- OPTIONAL:
DRC(Digital Remote Control)control panel - 5.0 m DRC-AC Link cable

PRODUCT BRIEF INTRODUCTION
3.DSP AND DRC INSTALLATION
WARNING: do not use aggressive cleaning agents or abrasive cloth to clean the display.Simply use a soft cotton colth lightly damped with water.
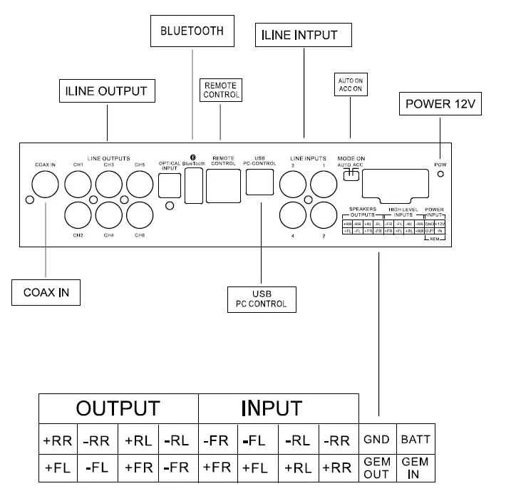
INPUT SIGNALS
SOFTWARE INSTALLATION
insert CD, Double-Click DSP
Click NEXT
Click NEXT 
Click NEXT
Click NEXT 
GUI OPERATION INSTRUCTION Guide to GUI after installation
- Double – click icon of DSP-CONTROL

- Enter the GUI you long for! Now you could tone every signal details as experts do To bring sound effect on your beloved car to a higher level.If the password has been set, You need to enter the password.

INTERFACE INTRODUCTION
DSP interface guidance 
FILE’° MAIN MENUl
- Connect(connect to the DSP)

- Language(choose you need language)

- Open(To load preset file in PC folder)
- Save(To save setting to PC)
- Save as(To save another file setting to PC)
- Restore Factory(To save preset file in DSP)
- Modify Password

- Write To Device
- Read From Device
- About
- Exit
INPUT MODE.
- To select different input devices.
CHANNEL SETI NG.
- CD CH mode(2CH 4CH MIX).

Input channel: 1.2.3.4 
- CROSSOVER X-TPE.
To choose different crossover type, for example select CH selection on 3RD spot .that would locate CH you want to choose for crossover configuration .
- CROSSOVER FREQUENCY.
Set frequency of LP/HP individually .
- GAIN.
0–40dB is optional range for gain control kf every CH.
- DELAY.
- Auto configuration(base on 1.5 setting).
- Manual configuration, change specifications in selected CH manually.

- LP/SLOPE.
1.6dB/oct 12dB/oct 18dB/oct 24dB/oct 30dB/oct 36dB/oct. 42dB/oct 48dB/oct are available. - HP/SLOPE.
1.6dB/oct 12dB/oct 18dB/oct 24dB/oct 30dB/oct 36dB/oct.42dB/oct 48dB/oct are available.
- Filter Model.
To choose different Filter type Linkwitz Bessel Butterworth.
- WRITE.
To Write To Device(POS1-POS8).
- READ.
To Read From Device(POS1-POS8).
- X-OVER AND EQ CHARTS.
- Red lines and slopes will change accordingly when HP/LP of crossover and EQ are modified.
- EQ all frequency points can be move left or right.For 20Hz-20KHz can be any Regulation. ..

- EQ SETTING.
Q volue=l-12.
- REMOTE INTRODUCTION

- A.Main volume.
- When you press this button for a short time.It is in the “MUTE” state. And theclose “MUTE”.
- When you press this button for a longer time(for a second) ,It will enter the menu mode . In the”MODE”or”INPUT” flishing. You can adjust the mode which you want.
- Main volume display window.
- DSP mode display window(1-8).
- lnput display status.(CD.AUX.SPDIF.WIFI).
- A.Main volume.
TECHNICAL FEATURES









































