Electron X PROI Speaker Box

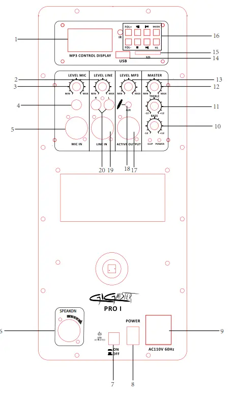
Overview

- MP3 control display
- Line level control
- Mic level control
- Mic input ( Jack connector)
- Mic input( XLR connector)
- Speakon
- LED control
- Power switch
- Power plug
- Bass dB level control
- Treble dB level control
- Master volume control
- .MP3 level control
- .USB input
- SD card input
- Play/Pause/Scan/Reception/Auterior/Silent
- Line out
- AUX input
- Line level control
- RCA (R & L) Auxiliary line inputs
OPERATION
- Prior to switching on, turn volume down to a minimum.
- Connect the audio source to the appropriate Input socket.
- Another Speaker can be connected to the output socket, so that several boxes can be daisy-chained.
- Connect to the mains supply.
- Switch on the audio source, followed by the active speaker.
- Set the volume with the applicable control.
- Adjust the bass+treble.
- Activate the Bluetooth:Input password”0000”if ask for.
FCC warning
Any Changes or modi cations not expressly approved by the party responsible for compliance could void the user’s authority to operate the equipment. Note: This equipment has been tested and found to comply with the limits for a Class B digital device, pursuant to part 15of the FCC Rules. These limits are designed to provide reasonable protection against harmful interference in a residential installation. This equipment generates uses and can radiate radio frequency energy and, if not installed and used in accordance with the instructions, may cause harmful interference to radio communications. However, there is no guarantee that interference will not occur in a particular installation. If this equipment does cause harmful interference to radio or television reception, which can be determined by turning the equipment o and on, the user is encouraged to try to correct the interference by one or more of the following measures:
- Reorient or relocate the receiving antenna.
- Increase the separation between the equipment and receiver.
- Connect the equipment into an outlet on a circuit di erent from that to which the receiver is connected.
- Consult the dealer or an experienced radio/TV technician for help.
This equipment complies with FCC radiation exposure limits set forth for uncontrolled environments. This equipment should be installed and operated with a minimum distance 20cm between the radiator & your body




















