Gradient Comfort Air Conditioner

Product Information
- The Gradient unit is an air conditioner that contains a newer refrigerant called R32, which has a lower Global Warming Potential than older refrigerants like R410A
- R32 is a flammable refrigerant and the unit should be installed with caution
- If a leak is suspected, all naked flames shall be removed/extinguished
- If a leakage of refrigerant is found which requires brazing, all of the refrigerant shall be recovered from the system, or isolated (by means of shut off valves) in a part of the system remote from the leak
- Ensure that the outlet for the vacuum pump is not close to any potential ignition sources and that ventilation is available
- The recovered refrigerant shall be returned to the refrigerant supplier in the correct recovery cylinder, and the relevant waste transfer note arranged. Do not mix refrigerants in recovery units and especially not in cylinders
Product Usage Instructions
- Follow all warnings and safety instructions provided in the user manual
- Select the right bracket before installation
- Install the indoor and outdoor brackets as per instruction manual (Page 11)
- Install the outdoor unit (Page 15) and then install the indoor unit (Page 19)
- Connect the units as per instructions given on Page 22
- Install window foam and top cover as per instructions on Page 23
- Clean the air filter regularly (Page 34)
- Refer to UI guidelines provided on Page 28 for operating the Gradient unit
IMPORTANT SAFETY INSTRUCTIONS
Carefully read this entire guide to ensure the safe and proper installation of your Gradient unit.
General Installation Warnings & Cautions:
Follow all warnings and safety instructions.
To avoid risk of personal injury, property damage, and product damage, pay close attention to the following during installation:
- The Gradient unit could fall if it is not properly installed, which could result in death or serious injury. Follow this guide closely to ensure the Gradient unit is secure.
- The Gradient outdoor unit weighs 90 lbs. At least 2 people are required to move and install the unit. To avoid injury, use proper carrying and lifting techniques (lift with your legs).
- Carefully inspect the window where you are installing your Gradient. Make sure it is in good condition and can support the weight of the unit over a long period of time.
- Only use the screws that are provided by Gradient.
- The indoor and outdoor units are exclusive to this design. They cannot be mixed and matched with other units.
- The system is not intended to be connected to water mains.
- Save these instructions for future reference or access them at www.gradientcomfort.com.
Electrical Warnings & Cautions
- Observe all local, state, and national electrical codes and only use qualified, licensed, and authorized personnel for electrical assistance.
- To reduce risk of fire, electrical shock, or injury, plug the unit into a grounded 3-prong outlet. Do not remove, cut, or bypass the grounding prong on the plug. Do not use an extension cord, surge protector, or multi-outlet adapter with your Gradient unit.
- The Gradient comes with a LCDI power cord and plug.
- The power cord includes a current interrupter device. The TEST and RESET buttons are used to check if the plug is functioning properly.
- DO NOT press the TEST button while the unit is operating. This can damage the plug.
- Do not turn off the Gradient unit by pulling the electric cord or using the TEST and RESET buttons as ON / OFF switches.
- The cord and plug are intended for indoor use only.
- System shall be installed on a circuit with a 15 A circuit breaker.
- Electrical parts can cause shock or fire. Do not open sealed portions of any electrical components, and do not attempt to replace the power cord or repair any electrical components. If the power cord is damaged, contact Gradient at [email protected]
Refrigerant Warnings
Contact [email protected] if your unit needs maintenance or repair.
Warning: Risk of fire or explosion.
- To avoid risk of personal injury, property damage, and product damage, pay close attention to the below warnings during installation.
- This unit contains a newer refrigerant called R32 that has a lower Global Warming Potential than older refrigerants like R410A. It is a flammable refrigerant.
The following precautions must be followed:
- The appliance shall be stored in a room without a continuously operating ignition source (for example: open flames, an operating gas appliance or an operating electric heater).
- The appliance shall be stored so as
to prevent mechanical damage from occurring. - Do not use means to accelerate the defrosting process or to clean, other than those recommended by the manufacturer. Do not pierce or burn. Be aware that refrigerants may not have an odor. Keep ventilation openings clear of obstruction.
- Maintenance and repair should only
be conducted by trained, licensed technicians certified to work with flammable refrigerants. Ensure that the area is in the open or that it is adequately ventilated before breaking into the system or conducting any hot work. A degree
of ventilation shall continue during the period that the work is carried out. The ventilation should safely disperse any released refrigerant and preferably expel it externally into the atmosphere. - The Gradient heat pump is a factory-sealed system and is not intended to be field serviced or decommissioned. In the case of either event, customers must contact Gradient to return their units for repair/replacement or proper disposal.
- Check that cabling will not be subject
to wear, corrosion, excessive pressure, vibration, sharp edges or any other adverse environmental effects. The check shall also take into account the effects of aging or continual vibration from sources such as compressors or fans. - Under no circumstances shall potential sources of ignition be used in the searching for or detection of refrigerant leaks. Never use potential sources of ignition to search for refrigerant leaks. Never use a halide torch (or any other detector with an open flame.)
The following leak detection methods are deemed acceptable for all refrigerant systems.
- Electronic leak detectors may be used to detect refrigerant leaks; however, in the case of Flammable Refridgerants, the sensitivity may not be adequate, or may need re-calibration. (Detection equipment shall be calibrated in a refrigerant-free area.) Ensure that the detector is not a potential source of ignition and is suitable for the refrigerant used. Leak detection equipment shall be set at a percentage
of the LFL of the refrigerant and shall be calibrated to the refrigerant employed, and the appropriate percentage of gas (25% maximum) is confirmed. - Leak detection fluids are also suitable for use with most refrigerants, but the use of detergents containing chlorine shall be avoided, as the chlorine may react with the refrigerant and corrode the copper pipe-work.
Examples of leak-detection fluids are:
- Bubble method.
- Fluorescent method agents.
If a leak is suspected, all naked flames shall be removed/extinguished.
Refrigerant Warnings:
If a leakage of refrigerant is found which requires brazing, all of the refrigerant shall be recovered from the system, or isolated (by means of shut off valves) in a part of the system remote from the leak. Removal of refrigerant shall be according to the instructions in this manual.
When breaking into the refrigerant circuit to make repairs – or for any other purpose – conventional procedures shall be used. However, for flammable refrigerants it is important that best practice be followed, since flammability is a consideration. The following procedure shall be adhered to:
- a) safely remove refrigerant following local and national regulations;
- b) purge the circuit with inert gas;
- c) evacuate (optional for A2L);
- d) purge with inert gas (optional for A2L);
- e) open the circuit by cutting or brazing.
The refrigerant charge shall be recovered into the correct recovery cylinders
if venting is not allowed by local and national codes. For appliances containing flammable refrigerants, the system shall be purged with oxygen-free nitrogen to render the appliance safe for flammable refrigerants. This process might need to be repeated several times. Compressed air or oxygen shall not be used for purging refrigerant systems.
For appliances containing flammable refrigerants, refrigerants purging shall be achieved by breaking the vacuum in the system with oxygen-free nitrogen and continuing to fill until the working pressure is achieved, then venting to atmosphere, and finally pulling down to a vacuum (optional for A2L). This process shall be repeated until no refrigerant
is within the system (optional for A2L). When the final oxygen-free nitrogen charge is used, the system shall be vented down to atmospheric pressure to enable work to take place.
Ensure that the outlet for the vacuum pump is not close to any potential ignition sources and that ventilation is available.
In addition to conventional charging procedures, the following requirements shall be followed.
- Ensure that contamination of different refrigerants does not occur when using charging equipment. Hoses or lines shall be as short as possible to minimize the amount of refrigerant contained in them.
- Cylinders shall be kept in an appropriate position according to the instructions.
- Ensure that the refrigerating system is earthed prior to charging the system with refrigerant.
- Label the system when charging is complete (if not already).
- Extreme care shall be taken not to overfill the refrigerating system.
- Prior to recharging the system, it shall be pressure-tested with the appropriate purging gas. The system shall be leak-tested on completion of charging but prior to commissioning. A follow up leak test shall be carried out prior to leaving the site.
- When removing refrigerant from
a system, either for servicing or decommissioning, it is recommended good practice that all refrigerants are removed safely. - When transferring refrigerant into cylinders, ensure that only appropriate refrigerant recovery cylinders are employed. Ensure that the correct number of cylinders for holding the total system charge is available. All cylinders to be used are designated for the recovered refrigerant and labeled for that refrigerant (special cylinders for the recovery of refrigerant). Cylinders shall be complete with pressure-relief valve and associated shut-off valves in good working order. Empty recovery cylinders are evacuated and, if possible, cooled before recovery occurs.
The recovery equipment shall be in good working order with a set of instructions concerning the equipment that is at hand and shall be suitable for the recovery of all appropriate refrigerants including, when applicable, flammable refrigerants. In addition, a set of calibrated weighing scales shall be available and in good working order. Hoses shall be complete with leak-free disconnect couplings and in good condition. Before using the recovery machine, check that it is in satisfactory working order, has been properly maintained and that any associated electrical components are sealed to prevent ignition in the event of a refrigerant release. Consult manufacturer if in doubt.
The recovered refrigerant shall be returned to the refrigerant supplier in the correct recovery cylinder, and the relevant waste transfer note arranged. Do not mix refrigerants in recovery units and especially not in cylinders.
If compressors or compressor oils are to be removed, ensure that they have been evacuated to an acceptable level to make certain that flammable refrigerant does not remain within the lubricant. The evacuation process shall be carried out prior to returning the compressor to the suppliers. Only electric heating to the compressor body shall be employed to accelerate this process. When oil is drained from a system, it shall be carried out safely.
Operation Warnings & Cautions
- Do not modify or rewire the controls or display.
- Do not insert fingers or any object into the air vents. Doing so can cause serious injury or break the unit.
- Unplug your unit before installing, removing, cleaning, or servicing.
- Do not climb on the unit (inside or outside).
- Always run the unit with the air filter properly in place.
- The unit should not be used by children or those with impaired physical, sensory, or mental capabilities, unless supervised by someone responsible for their safety.
- Children should be supervised to ensure that they do not play with the appliance.
- Make sure that there are no obstacles close to the outdoor unit. Obstacles close to the outdoor unit may affect the performance of the unit or increase the operating sound.
- The maximum and minimum hydronic operating pressures are 69 kPag and 0 kPag (10 psig and 0 psig), respectively. The maximum and minimum hydronic operating temperatures are 55°C and -12°C (131°F and 10°F), respectively.
- The maximum elevation at which the unit should operate is 2000 m (6562’) above sea level.
WHAT’S INCLUDED
- Indoor Unit
- Outdoor Unit
- Top Cover
- Indoor Bracket
- Outdoor Bracket
- Foam
- Aluminium Tubing
- Quick Release Pins (x2)
- Screws (x4 + extras)
- Allen Key
BEFORE YOU START
warning: ATWO PEOPLE ARE NEEDED FOR INSTALLATION
Make sure the width of the window is no less than 61 cm (24”) and can open at least 38 cm (15”) in height. Check that the total window sill depth is between 15 cm and 41 cm (6” and 16”) and that there is 61 cm (24”) of clearance below your window on both sides of the wall – inside and outside.
The outdoor and indoor unit air outlets need to have a minimum of 102 cm (40”) of space from any obstructions. The outdoor and indoor unit air inlets need to have a minimum of 9 cm (3.5”) of space from any obstructions.
Not for use on dormers. There might be occasions when objects such as awnings, signage, lighting and masonry structures below a window may obstruct and prevent the proper installation of the A/C bracket.
SELECTING THE RIGHT BRACKET
Did you know the Gradient has two different-sized brackets? If you selected the incorrect bracket size, please reach out to [email protected]
LARGE BRACKET
SMALL BRACKET
INSTALLING THE INDOOR AND OUTDOOR BRACKET (BOX 1)
- With the indoor label facing the interior side of your window, place the Indoor Bracket (D) on the window, centered horizontally.
- Push both sides of the Indoor Bracket to fit snug with your windowsill.
- Turn the black knob clockwise to lock the bracket in position. After locking the bracket in position, check to see if it is llevel. If not, readjust the bracket until level.
If your window sill is not completely flat and has an indented frame, use the Aluminum Tubing (G) to create a flat surface for the bracket to rest on.
Before attaching the Outdoor Bracket, locate Quick-Release Pins (H) and keep them handy.
- The Indoor Bracket (D) has two tabs, one on the left and right which get hooked into the Outdoor Bracket (E). Slide the bracket to the left, and then rotate it down. It should slightly snap in place when installed. Also make sure the rubber feet are as close to the exterior wall as possible.
- Align the matching holes and insert the Quick-Release Pins on each side to hold the both brackets in place.

- Use an Allen Key (J) to attach 2 Screws (I) on each side. Space them apart as much as possible, making sure that each screw goes through both brackets.
- Turn the two adjustable support knobs until they are touching the exterior wall and the top of the bracket is approximately level. Next, double check that the Indoor Bracket (A) is still snug against your windowsill; if not, tighten it up.

- Once the Outdoor Bracket is installed, make sure everything is connected and secure. The bracket should not considerably move and should stay attached to the windowsill.
If the bracket moves considerably or feels very loose, try repeating Step 2 and make sure the indoor bracket grips the window firmly. Also check that the two adjustable knobs are touching the exterior wall.
INSTALLING THE OUTDOOR UNIT (BOX 2)
TWO PEOPLE ARE NEEDED FOR INSTALLATION
- Lift the Outdoor Unit (B) with another person using the designated handles. Pivot the unit so that it is horizontal.
- Place the Outdoor Unit onto the bracket with the perforated sheet metal side facing up.
- While using the two arrows on the top of the Outdoor Unit as a guide, make sure the metal wings on the underside of the unit are engaged inside the bracket.

- Slowly slide the Outdoor Unit out of the window, until the unit cannot slide any further. You should hear a clicking sound. If you don’t, do not continue to push the unit out of the window; instead, repeat step 3.
Warning: TWo PEOPLE ARE NEEDED FOR INSTALLATION - Push on thea outer edge of the unit such that it starts lowering down.
The gas springs will gently engage until the unit is parallel to the wall outside of the window. - Remove the Quick-Release Pin from the front of the bracket and attach those pins to the back sides of the installation bracket. This will lock the Outdoor Unit in place in its final position.
INSTALLING THE INDOOR UNIT (BOX 3)
- Take the front cover off the Indoor Unit (A).
- Remove polybag around the filter, then snap the filter into place.

- Use the handles on the sides of the Indoor Unit to lift and hook the Indoor Unit onto the bracket. Two arrows on the top of the Indoor Unit will help in aligning the unit.
- Adjust back feet until the unit is level.

- Then put the front cover back on the Indoor Unit. The tabs on the sides of the front cover will tuck into the sides of the indoor unit. Align the snap features on the top and bottom of the front cover to ensure that the cover is securely attached.
The side tabs of the perf should slide inside the orange highlighted area on the indoor unit.
CONNECTING THE UNITS
Connect all 5 lines between the Indoor and Outdoor Units:
- Hydronic Line
- Power Line
- Data Communication
- Condensate Removal
- Hydronic Line
For each connection, you will hear a click when the connector is fully engaged.
INSTALLING FOAM AND TOP COVER
- Before aligning and applying the foam, use vertical and horizontal tearaway perforations to size the foam to the desired size.

- Align included Foam Pieces (F) to the frame of the window, starting with the center piece, then the sides. After inserting foam, ensure that the left and right pieces are vertical to the center foam piece; if not, adjust the sizing. Once aligned, the connectors are ready to be nestled into the foam.
- Attach adhesive-backed foam to the bottom of the window sill.

- Take the Top Cover (C) with the rounded edge side and slide the cover into the indented groove on the sides of the outdoor unit.

- Once aligned with groove, push the Top Cover all the way to the end of the outdoor unit. Then pull the second half of the cover up to the foam.

- Tear small slits on the top of the Foam for the Top Cover to slide through it. Pull the cover all the way until it snaps into place on both sides of the Indoor Unit.
If desired, use the optional window lock to secure window in place.
- Close the window and attach Foam (F) securely between window panes, making a tight seal between both windows.
- Plug in the Gradient and wait 30 minutes after installation to turn on the system. Fluids must settle before running. A small amount of leaked liquid is not a cause for concern.
CONGRATULATIONS, THE INSTALL IS COMPLETE!
DOWNLOAD THE GRADIENT APP!
Gradient Comfort

UI GUIDELINES
PRESS
- 0.1 seconds to 1.5 seconds.
LONG HOLD
- 10 seconds to 15 seconds.
SHORT HOLD
- 2 seconds to 5 seconds.
SUSTAINED HOLD
- 20 seconds to 25 seconds.
POWER ON FOR THE FIRST TIME
If the device is power cycled the target temperature will start out as equal to the current temperature, but will NOT initiate at that target temperature.
- PRESS
- 1.5 s to Full Circle

- IDLE

POWER ON
When the device is turned ON, if a target temperature was set previously, the device will initiate at that target temperature. Display then shows the last target temperature and state (Heating / Cooling / Fan Only) if previously set.
- PRESS
- 1.5 s to Full Circle

- COOLING

POWER OFF: If the user lets go within 1s, the UI Element returns to the main screen (target temperature).
- SHORT HOLD
- 1.5 s to Fade Out

- OFF

DEVICE MODES
Toggle between device modes using the Gradient app.
- COOLING
- HEATING

- FAN ONLY
- NOT ACTIVELY HEATING OR COOLING

- IDLE
- STANDBY

DEVICE NOTIFICATIONS
- DEFROST CYCLE
- No action needed. The unit will resume normal operation when the defrost cycle is complete.
- RECOVERY MODE
- No action needed. The unit will automatically resume normal operation momentarily, when sensor values are all within normal operating (recover) limits.

- No action needed. The unit will automatically resume normal operation momentarily, when sensor values are all within normal operating (recover) limits.
- FILTER NEEDS CLEANING
- The filter must be cleaned. Normal operation is unaffected. This notification will remain until the user manually resets the filter status by performing a Long Hold or via the mobile app.
- SERVICE REQUIRED
- Device needs to be serviced. Normal operation is not accessible until the unit has been serviced.

- Device needs to be serviced. Normal operation is not accessible until the unit has been serviced.
- FACTORY RESET
- Resets unit to factory preset settings.
- Enabled By: SHORT HOLD followed by SUSTAINED HOLD
- CLEAR WI-FI CREDENTIALS
- Clears the unit’s last saved
- WiFi network and password information.
- Enabled By: SHORT HOLD followed by LONG HOLD

CLEANING THE AIR FILTER
- Remove the front cover of the Indoor Unit.

- Remove used filter.

- Clean filter with water and let air dry completely for 24 hours before reinstalling.

- Insert cleaned filter and attach the front cover.

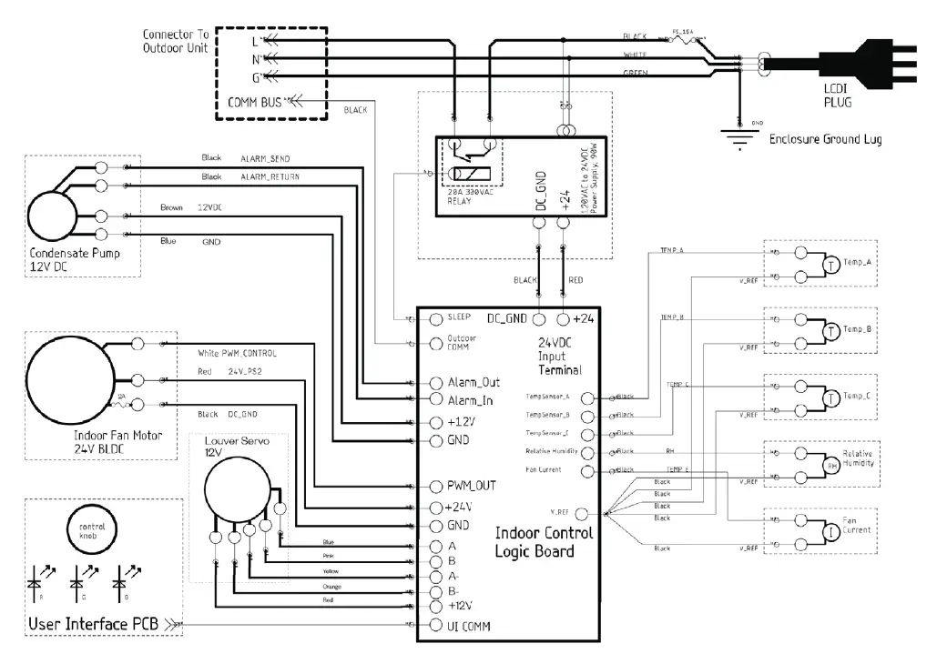
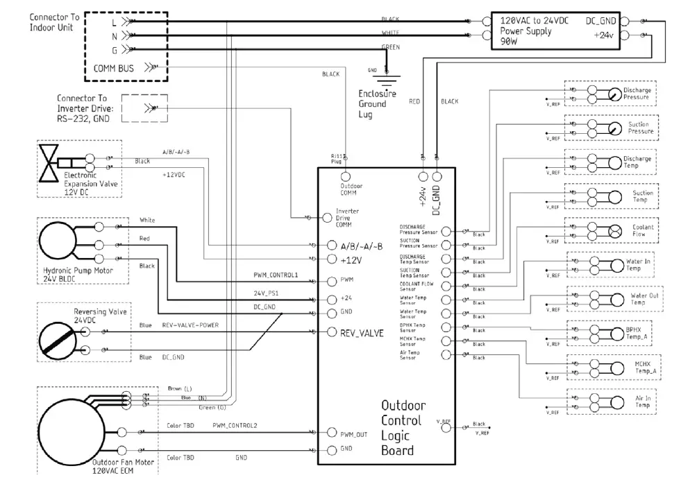
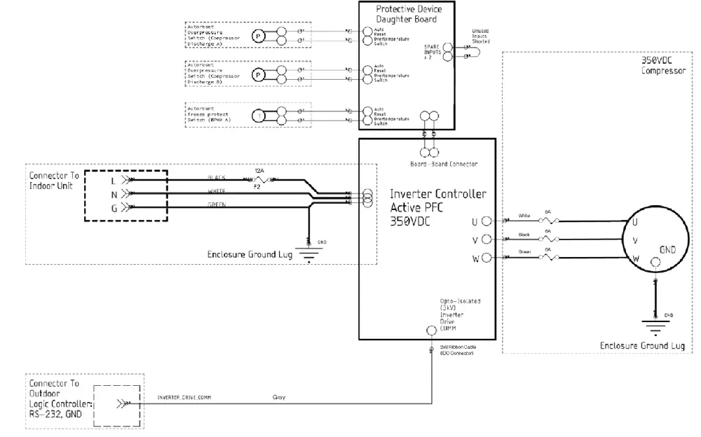
WIRING DIAGRAMS



NOTE: This equipment has been tested and found to comply with the limits for a Class B digital device, pursuant to part 15 of the FCC Rules. These limits are designed to provide reasonable protection against harmful interference in a residential installation. This equipment generates, uses, and can radiate radio frequency energy and, if not installed and used in accordance with the instructions, may cause harmful interference to radio communications. However, there is no guarantee that interference will not occur in a particular installation. If this equipment does cause harmful interference to radio or television reception, which can be determined by turning the equipment off and on, the user is encouraged to try to correct the interference by one or more of the following measures:
- Reorient or relocate the receiving antenna.
- Increase the separation between the equipment and receiver.
- Connect the equipment into an outlet on a circuit different from that to which the receiver is connected.
WELCOME, AND CONGRATS ON YOUR NEW GRADIENT
This guide will walk you through its installation and setup, from the brackets to the top cover. Our favorite step is the slide and pivot of the outdoor unit!
ANY QUESTIONS?
- Our customer experience team is standing by if you get stuck or need help.
- Just reach out to [email protected]
- Cheers, The Gradient Team
- PS: Show us how you style it!
- Use #MyGradientComfort on social for a chance to be featured on our page. If you’re looking for ideas, the Gradient’s been used as a plant stand, a mini cocktail table, a nursery nightstand, a tea party table, a dog treat holder, and… the list goes on. We can’t wait to see you work your magic.
- Our customer experience team is standing by if you get stuck or need help.
We’d love to show others how you style your Gradient. Tag us on social: #MyGradientComfort








Warning: TWo PEOPLE ARE NEEDED FOR INSTALLATION
The gas springs will gently engage until the unit is parallel to the wall outside of the window.








































