IOTA IIS 750 High Efficiency 750W Unit Inverter Equipment

IMPORTANT SAFEGUARDS
When using electrical equipment, basic safety precautions should always be followed, including the following:
READ AND FOLLOW ALL SAFETY INSTRUCTIONS
- DO NOT USE OUTDOORS.
- Do not mount near gas or electric heaters.
- Do not use this equipment for other than its intended use.
- The IIS 750 should be mounted securely and in locations and at heights where it will not readily be subjected to tampering by unauthorized personnel.
- The use of accessory equipment and replacement parts not recommended by IOTA Engineering, LLC may cause an unsafe condition, will void the warranty, and result in non-compliance with UL specifications.
- The AC voltage rating of this equipment is specified on the product label. Do not connect the IIS 750 equipment to any other voltage.
- Use only the battery part number specified for use with the IIS 750. Failure to do so may cause an unsafe condition, will void the warranty, and result in non-compliance with UL specifications.
- The IIS 750 uses sealed valve-regulated lead acid batteries. Batteries can be punctured if not handled properly, therefore use caution when servicing batteries. In the event, battery acid comes in contact with eyes or skin, flush with fresh water and consult a physician immediately.
- The IIS 750 is certified in the CA Title 20 Modernized Appliance Efficiency Database System (MAEDBS) as a small battery charger.
- Install in accordance with the National Electrical Code and local regulations.
- Installation and servicing should be performed by qualified personnel.
- Electricians and end-users need to ensure product system compatibility before final installation.
SAVE THESE INSTRUCTIONS
NOTE: The batteries are shipped in separate packaging for ease of handling
Store the batteries in a cool, dry, and safe location until ready for installation. The batteries may be kept in storage for up to 3 months without recharging.
INSTALLATION INSTRUCTIONS
CAUTION: Before installing, make certain A.C. power is off
STEP 1 – MOUNTING THE IIS 750
CAUTION:
Do not drill holes into the cabinet; drill filings may damage the unit
- The IIS 750 provides two keyhole slots on the rear of the unit for securing it to the wall. Knock out the keyhole slots and hang the unit on two 1/4”-20 screws (Grade 2 or better) attached to the wall beams/studs.
- An additional pair of 1/4”-20 screw holes are provided underneath the electronics shelf. Code requires that additional screws be used through these holes to prevent the unit from being lifted off the keyhole slots.
- The IIS 750 provides 1/2” conduit knockouts on the top, sides, and back of the unit for wires to pass through. Use these knockouts to extend an unswitched A.C. supply, output zone wires (see STEP 2), and service contact wires (if used)

CAUTION:
The IIS 750 must be mounted securely. Do NOT rely on the junction box for supporting the weight of the unit.
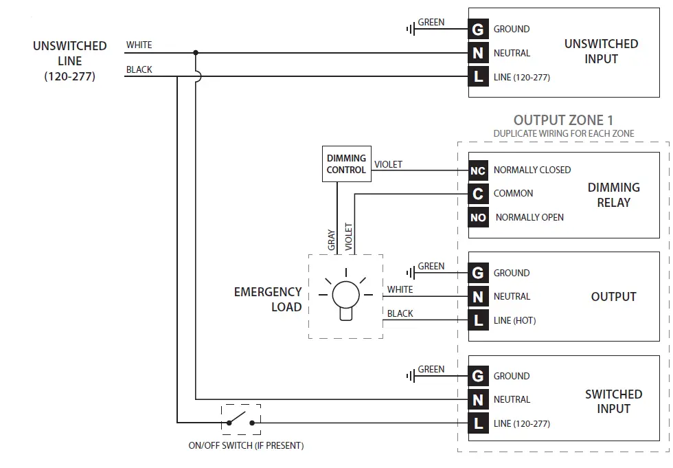
STEP 2 – WIRING THE UNSWITCHED INPUT
WARNING:
Before wiring, be sure AC Power is off.
The IIS 750 requires an unswitched AC input to charge its batteries and detect the presence of normal power. Connect input wires to the Unswitched Input terminal located on the IIS 750 panel according to Figure 1.
IIS 750 Terminals – Requirements Wire Gauge: 30 -12 AWG
- Torque: 0.4Nm or 3.5 in-lbs
- Strip Length: 6-7mm or 1/4”

Unswitched Input Connections

STEP 3 – WIRING OUTPUT ZONES
The IIS 750 can make use of up to three output zones
- Each zone consists of designated emergency luminaries that are isolated from the other zones via an input circuit breaker accessible on the front panel of the IIS 750.
- Each zone can be configured with a unique on/off switch and/or dimming control device that will control the emergency load for that particular zone.
Input Circuit Breakers
The IIS 750 Circuit Breakers affect the switched input for the particular zone. Turning off the circuit breaker does NOT remove power to the load during Emergency Operation (see “Operation”).
To wire each output zone, connect wires to the zone terminals on the front panel of the IIS 750 according to Figure 2
WARNING: If using multiple output zones, the total combined load of all zones must not exceed 750 Watts (or 835 VA).
| Example | Zone 1 | Zone 2 | Zone 3 | |
| Acceptable Load | 200 W | 200 W | 200 W | |
| Unacceptable Load | 350 W | 200 W | 300 W | |
NOTE:
Not all output zones have to be used. Any single zone can handle a load up to the rated output of the IIS 750 (750 Watts).
Wiring for an Output Zone

- A: If a dimming control is used, choose normally open (emergency dimming) or normally closed (emergency dimmer bypass) operation and connect only to the corresponding terminal. For both scenarios, connect to the common.
- B: The inverter output will always match the unswitched input.
- C: If an on-off switch is not used, the Switched Input may be connected to the Unswitched Input. The Switched Input may be ignored entirely for normally off applications
COMPLETING INSTALLATION
STEP 4 – INSTALLING THE THREE-COLOR TEST SWITCHES (TCT’S)
- A: Push the TCTS Test Switch through the hole on the side of the IIS 750 housing and secure it with the TCTS Nut.
- B: Connect the like-color wires from the TCTS to the wires protruding down from the IIS 750 electronics shelf (RED to RED, ORANGE to ORANGE, and WHITE to WHITE).

STEP 5 – APPLY AC POWER
Apply continuous A.C. Power to the unit. The TCTS will illuminate RED and the Audible Indicator will buzz to provide an indication that A.C. Power has been applied.
STEP 6 – INSTALLING THE BATTERIES
WARNING:
Before installing the battery, make sure A.C. Power has been applied.
- Before installing the battery, check the torque on the L Flag terminals, which may have loosened during transit and storage. The proper torque should be 65 in/lbs.
- Place the batteries inside the IIS 750 with the terminal posts facing toward the side. Note: the batteries are heavy. Exercise caution when handling them.
- Plug each battery connector together with its corresponding mate from the electronics shelf.

After all batteries are installed and connected, the TCTS will illuminate and begin flashing AMBER.
OPTIONAL STEPS
SERVICE CONTACT
The Service Contact provides a continuity path to an external monitoring device (not provided), such as a Building Management System (BMS) or Indicator Panel. The Service Contact can be configured to operate differently depending on which connections are used (connection to the Common is required for both operation types):
Normally Closed Operation:
The Service Contact will open if a power loss is detected or a fault is discovered during self-testing (see AUTOMATIC TESTING).
Normally Open Operation:
The Service Contact will close if a power loss is detected or a fault is discovered during self-testing (see AUTOMATIC TESTING).
AUDIBLE INDICATOR
The Audible Indicator is intended to alert you when the IIS 750 detects an issue. See AUTOMATIC TESTING on Page 4 for more details on the possible faults that may be detected. To prevent the Audible Indicator from sounding, turn the Audible Indicator switch on the IIS 750 front panel to “OFF”. This can be done at any point during normal use of the IIS 750.
OPERATION
Normal Operation
A.C. power is present, and the IIS 750 operates your load as intended while maintaining its battery charge. The TCTS indicator light will be flashing AMBER or GREEN to indicate respectively that the IIS 750 batteries are charging or fully charged.
Emergency Operation
The A.C. power fails. The IIS 750 will detect the loss of A.C. power and switch to Emergency Mode. All emergency luminaires will be illuminated, regardless of the on-off switch position or position of the output zone circuit breakers, for a minimum of 90 minutes. Additionally, the dimming control device for each zone will either be bypassed or engaged depending on whether the normally open or normally closed operation was configured during wiring (See STEP 3). Once AC Power is restored, the IIS 750 will resume normal operation and battery charging.
AUTOMATIC TESTING
Automatic Testing
The IIS 750 is designed to automatically test its emergency function for 60 seconds monthly and 90 minutes annually. Automatic test-ing will begin within 28 days after the unit is connected to A.C. Power and the batteries have been installed. If the IIS 750 detects a failure it will flash a status code through the TCTS. See Table 1: TCTS Self Diagnostic Status Codes to identify the fault state of the IIS 750.
TCTS Self-Diagnostic Status Codes
| TCTS Color | Status |
| Flashing Amber | Battery is charging |
| Green | Battery is fully charged |
| Flashing Green (once per 6 sec.) | Emergency mode |
| Flashing Green (once per 0.5 sec.) | Unit is performing a test |
| Red | The battery is disconnected, but A.C. Power is applied |
| Flashing Red (once per 0.5 sec.) | Electronics failure |
| Flashing Red (once per 6 sec.) | Battery Failure |
| Two Red Flashes | Load Failure |
| Three Red Flashes | Abnormal Temperature – Unable to charge/discharge |
Load Calibration
48 hours after applying power to the IIS 750, the unit will conduct a Load Calibration. This allows the IIS 750 to detect a load failure. Note: after the Load Calibration is complete, any changes to the total load size (in Watts) will necessitate a new Load Calibration (see Table 2: Manual Test Sequences for the appropriate TBTS button sequence).
Manual Test Sequences
| Test Type | Test Button Sequence |
| Quick Test | Press and Hold |
| 60-Second Test | 2 X Press and Release |
| 90-Minute Test | 3 X Press and Release |
| Load Calibration | 4 X Press and Release |
Manual Testing
Test sequences can be started manually by pressing the TCTS according to the patterns listed in Table 2: Manual Test Sequences.
Troubleshooting Load Failure Status
If a Load Failure TCTS status code (Two Red Flashes) has been detected by the IIS 750, disconnect the unswitched AC Input and see Table 3: Load Fault Troubleshooting Diagram to troubleshoot the failure.
Load Fault Troubleshooting Diagram
| Is AC Output Present? | Probable Issue | How to verify | Solution |
| No | Overload on output | Disconnect all loads and wait 5 minutes to see if the IIS 750 can product an AC output. | Size load within IIS 750 ratings |
| Yes | The connected load size may have changed | Inspect all loads to verfiy that no load has been lost or added to the IIS 750. | Restore load to its previous size or perform a manual Load Calibration (See Table 2) to adjust to the new load. |
MAINTENANCE
Shutdown Procedure
If a shutdown of the IIS unit becomes necessary for routine maintenance or other purposes, always follow the proper shutdown procedure:
- Disconnect the battery by uncoupling the battery connector between the battery and the converter.
- De-energize the AC supply by locking off the circuit breaker feeding the unit.
When restoring power to the IIS unit, refer to STEP 5 and STEP 6 in the “COMPLETING INSTALLATION” section.
Battery Maintenance
IOTA recommends that the battery terminations be re-torqued on an annual basis. Re-torque specification for L Flag terminals is 52 in/lbs. The battery supplied in this equipment is a high-quality maintenance-free Valve Regulated Lead Acid design. When installed in an ambient temperature of 20° to 30° C (68° to 86° F) its life expectancy is 8 to 10 years. However, as stated above, the equipment must be tested for 90 minutes a minimum of once per year. When the battery will no longer operate the load for 90 minutes it must be replaced. Use only IOTA Engineering, LLC supplied parts. Dispose or recycle the lead-acid battery properly.
Replacing the Batteries
A.C. power must be present when replacing the batteries. Use only battery part number IIS 750 90M BAT with the unit. Remove the existing battery by disconnecting the battery connector and pulling the battery out of the unit. Refer to STEP 6 on Page 3 for steps to install a new battery.
CONTACT CUSTOMER SERVICE FOR REPLACEMENT PARTS
The use of parts supplied by others other than IOTA Engineering, LLC may result in an unsafe condition, or equipment failure, will void the warranty, and result in non-compliance with UL specifications.
“Written records of testing shall be kept by the owner for inspection by the authority having jurisdiction.”
SERVICING SHOULD BE PERFORMED BY QUALIFIED PERSONNEL
Consult Customer Service or visit www.iotaengineering.com for current warranty information.
FULL WIRING DIAGRAM

P.O. BOX 11846 TUCSON, AZ 85734
(520) 294-3292 • FAX (520) 741-2837 www.iotaengineering.com.
























