Instructions Manual

8800/ 8900 Full-featured Heating Thermostat Operation
The 8800/8900 full-featured heating thermostat adopts the latest appearance design and is applicable to the temperature control of the industrial, commercial and domestic rooms and is capable of controlling the carbon crystal heater, wall heater, electrothermal film, heating cable, carbon fiber, electric ball valve and other heaters to achieve the heating function.
Controlled Heating Principles: In startup condition, when the detected temperature is less than the set value, the output relay will be switched on and the heater will start heating. When the detected temperature is greater than the set value, the output relay will be switched off and the heater will stop heating.
The casing is made of flame-resistant ABS + 30% PC materials, with a boundary dimension of 86*86 mm and a thickness of only 13 mm.
1. Basic functional features
- Dual temperature/dual display
- Blue backlight (it will turn out in case of no operations within 20S)
- 5+2 programmable and non-programmable (optional)
- Low-temperature protection functions: Antifreezing (optional)
- The controlled Temperatures are full-open and can be adjusted upwards and downwards.
- Startup & shutdown power failure memory (optional)
- The time bucket can be set as operational or non-operational for 5+2 programming
- With key lock function
- The full-open setting and selection of the parameters and models (Engineer’s Mode) are performed and the filed installation and setting are flexible.
- Setting and display of external sensors (measurement/overheating protection)
- Three temperature control methods: 1. Single built-in sensor for temperature measurement
2. Internal control and external limit mode
3. Single external sensor for temperature measurement - Model Selection:
1. Water heating 8800-3A (it is capable of controlling two/three-wire valve and with the dry contact output (optional)
2. Electric heating 8900-16A/25A - When heating output state: The heating sign will present in startup condition and disappear in case of shutdown.
Technical indicators
- Range of set indoor temperature: 1-50 ℃ (factory default). (Adjustable upper temperature limit: 15-90℃)
For example: When the upper temperature limit is adjusted as 22℃, the indoor temperature can be set as 1~22℃.
Setting range of temperature limit and overheat protection: 20~90℃ adjustable (controlled temperature difference: -5℃) - Temperature sensor: NTC
- Power supply voltage: 220VAC ± 10% 50/60HZ
- Self-consuming power: <1.2W
- Water heating load: <3A
- Boundary dimension: 86×86×13 mm
- Distance between mounting holes: 60 mm (standard)
- Temperature control precision: ±1℃
- Clock adjustment:
Press the clock key “
” and press “▲”or “▼”key to adjust the clock. - Temperature setting: In startup condition, under the normal display condition of LCD, press “▲” or “▼” key to set the temperature. Press the key once to change the temperature by 1℃;
- Over temperature protection setting (in dual temperature/independent control mode and startup condition)
A. Simultaneously press the “▲” key and “▼” key for 6S to switch to the ground temperature display state. The measured value and the set value of the ground temperature will be displayed on the LCD;
B. Press “▲” key and “▼” key to set the ground temperature protection points. The temperature can be set as 20-90 ℃ and the default value is 65℃;
C. Overheat protection (temperature limit protection): When the temperature measured by the ground temperature sensor is greater than the high temperature protection point (the default value is 65℃), it will automatically shut down the heating output and resume work after the measured temperature decreases by 5℃ (adjustable);
The default programming is as follows: Table 1

Function and display description

- The real-time heating or 5+2 programmed heating can be selected (optional function)
Press the mode key “
” to select real-time heating mode“
” and programmed heating mode “
; it will automatically operate in the programmed heating mode: It will operate as per the time and set temperature in Table 1 (the time and temperature can be set separately and memorized): Factory default; - 5+2 programming procedures (in programming mode)
A. Press and hold the key “
” for 3S to select the time bucket and temperature;
B. Press the “▲” or “▼” key to set the time bucket and temperature;
C. Repeat the above procedures to set the first time bucket to the sixth time bucket of Monday ~ Friday;
D. Repeat the above procedures to set the time bucket of Saturday and Sunday;
E. Save;
F. When the set temperature is less than 1℃, it displays OF, at this time bucket, the equipment is out of service;
- Key lock: Press and hold the keys “
” and “
” for 6S to lock the key (“Loc” will present at the clock.) and deactivate the keys, then press and hold the keys “
” and“
” for 6S again to unlock the key.
4. Alarm prompt:
Faults occur to the sensor and the thermostat shuts down the output. Meanwhile, display the related error codes.
- E1: Short circuit alarm of indoor temperature sensor;
- E2: Open circuit alarm of indoor temperature sensor;
- E3: Short circuit alarm of indoor temperature limit sensor;
- E4: Open circuit alarm of indoor temperature limit sensor;
5. Engineer’s Mode: Operation Instructions for Composite Key (Note: It’s forbidden to operate
this key unless it is required by the engineer.)
- Restore factory default
In startup/shutdown condition, simultaneously press and hold the keys “
” and“▼” for 6S to restore the factory default. The nixie tube flickers and displays “RE” for 6S or press the key “
” for confirmation; - Full-featured Query and Setting Methods of Various Parameters:
In shutdown condition, press and hold the mode key for 6S to enter the engineering mode adjustment for selection.


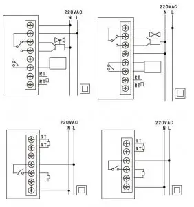
6. The installation schematic diagram and wiring diagram are as follows:



Warning: The wiring must be performed correctly in accordance with the electrical wiring diagram and no water, mud and other impurities shall enter the thermostat, otherwise, the devices will be damaged!
Read More About This Manual & Download PDF:
8800/ 8900 Full-featured Heating Thermostat Operation Instructions Manual – Download [optimized]
8800/ 8900 Full-featured Heating Thermostat Operation Instructions Manual – Download
Questions about your Manual? Post in the comments!



















