NOTIFIER NRX-M711 Radio System Input-Output Module Instruction

PARTS LIST
- Module unit 1
- SMB500 back box 1
- Front cover 1
- Batteries (Duracell Ultra 123 or Panasonic Industrial 123) 4
- Back box fixing screws and wall plugs 2
- Module fixing screws 2
- 3-pin terminal block 2
- 2-pin terminal block 1
- 47 k-ohm EOL resistor 2
- 18 k-ohm alarm resistor 1
- Module installation instructions 1
- SMB500 back box installation instructions

Figure 1: IO module + back box outside dimensions
DESCRIPTION
The NRX-M711 radio input-output module is a battery operated RF device designed for use with the NRXI-GATE radio gateway, running on an addressable fire system (using a compatible proprietary communication protocol). It is a dual module having separate input and output capability, combined with a wireless RF transceiver and is supplied with a wireless back box. This device conforms to EN54-18 and EN54-25. It complies with the requirements of 2014/53/EU for conformance with the RED directive
SPECIFICATIONS
- Supply Voltage: 3.3 V Direct Current max.
- Standby Current: 122 μA@ 3V (typical in normal operating mode)
- Red LED Current Max: 2 mA
- Green LED Cur. Max: 5.5 mA
- Re-Sync Time: 35s (max time to normal RF communication from
- device power on)
- Batteries: 4 X Duracell Ultra123 or Panasonic Industrial 123
- Battery Life: 4 years @ 25oC
- Radio Frequency: 865-870 MHz. Channel width: 250kHz
- RF Output Power: 14dBm (max)
- Range: 500m (typ. in free air)
- Relative Humidity: 5% to 95% (non-condensing)
- Terminal Wire Size: 0.5 – 2.5 mm2
- IP Rating: IP20
Input Module
- End-of-Line Resistor: 47K
- Supervision Current: 34 μA typical
Output Module
- End-of-Line Resistor: 47K
- Supervision Current: 60 μA typical
- Relay Contacts: 2 A @ 30 VDC (resistive load)
External Power Supply Unit
- Voltage: 30V DC max. 8V DC min.
- Supervision Fault Voltage: 7V DC typical
INSTALLATION
This equipment and any associated work must be installed in accordance with all relevant codes and regulations
Figure 1 details the dimensions of the back box and cover.
Spacing between radio system devices must be a minimum of 1m
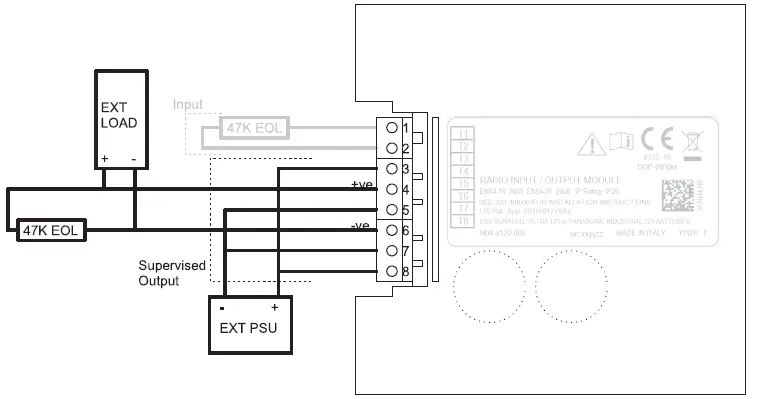
Table 1 shows the wiring configuration of the module
Table 1: Terminal Connections
| TERMINAL | CONNECTION / FUNCTION | |
| 1 | Input Module | |
| Input -ve | ||
| 2 | Input +ve | |
| Output module (Supervised mode) | Output module (Relay mode) | |
| 3 | Connect to T8 | Relay NO (normally open) |
| 4 | To load +ve | Relay C (common) |
| 5 | Connect to T7 | Relay NC (normally closed) |
| 6 | Supervision: connect to load -ve | Not used |
| 7 | To ext PSU –ve | Not used |
| 8 | To ext PSU +ve | Not used |
Input Module requires 47K EOL for normal operation.
Output Module requires 47K EOL at the load for norma operation in supervised mode.
If the load is a low impedance (compared to the EOL) a
series diode should be added for correct load supervision (see Figure 2 for diode polarity).
Figure 2: Diode Polarity
Figure 3: Switching Inductive Loads
Figure 4: Rear of Module with Battery Compartment and Cover
Figure 5: Front of Module with Address Switches
WARNING: Switching Inductive Loads
See Figure 3. Inductive loads can cause switching surges, which may damage the module relay contacts (i). To protect the relay contacts, connect a suitable Transient Voltage Suppressor (iii) – for example 1N6284CA – across the load (ii) as shown in Figure 3. Alternatively, for unsupervised DC applications, fit a diode with a reverse breakdown voltage greater than 10 times the circuit voltage. Figure 4 details the battery installation and Figure 5 the location of the address switches
Important
Batteries should only be installed at the time of commissioning Warning Observe the battery manufacturer’s precautions for use and requirements for disposal
Possible explosion risk if incorrect type is used Do not mix batteries from different manufacturers. When changing the batteries, all 4 will need to be replaced Using these battery products for long periods at temperatures below -20°C can reduce the battery life considerably (by up to 30% or more)
Fixing the module: Remove the 2 screws from the front cover to reveal the RF module. Remove the RF module from the back box (see below). Screw the back box to the desired position on the wall using the fixings provided. Refit the module in the box (see below). Wire the plug-in terminals as required by the system design. Refit the front cover to protect the module. Removing the module from the back box: Slacken off the 2 fixing screws, twist the module clockwise slightly and lift out. Reverse this process to refit the module. Device Removal Warning: In a working system, an alert message will be sent to the CIE via the Gateway when the front cover is removed from the back box
SETTING THE ADDRESS
Set the loop address by turning the two rotary decade switches on the front of the module using a screwdriver to rotate the wheels to the desired address. Except when Advanced Protocol (AP) is being used (see below) the dual I/O module will take two module addresses on the loop; the input module address will be the number shown on the switches (N), the output module address will be incremented by one (N+1). So for a panel with 99 addresses, select a number between 01 and 98. In Advanced Protocol (AP) addresses in the range 01-159 are available, depending on panel capability (check the panel documentation for information on this).
LED INDICATORS
The radio module has a tri-colour LED indicator that shows the status of the device (see Table 2):
Table 2: Module Status LEDs
| Module Status | LED State | Meaning |
| Power-on initialisation (no fault) | Long Green pulse | Device is un-commissioned (factory default) |
| 3 Green blinks | Device is commissioned | |
| Fault | Blink Amber every 1s. | Device has an internal trouble |
| Un-commissioned | Red/Green double-blink every 14s (or just Green when communicating). | Device is powered and is waiting to be programmed. |
| Sync | Green/Amber double-blink every 14s (or just Green when communicating). | Device is powered, programmed and trying to find/join the RF network. |
| Normal | Controlled by panel; can be set to Red ON, Green ON, periodic blink Green or OFF. | RF communications is established; device is working properly. |
| Idle (low power mode) | Amber/Green double-blink every 14s | Commissioned RF network is in standby; used when the gateway is powered off. |
PROGRAMMING AND COMMISSIONING Configuring the Output Module Mode
The output module is supplied configured as a Supervised Output Module (factory default setting). To change the output to relay mode (Form C – volt-free changeover contacts) requires a separate programming operation using the Device Direct Command in AgileIQ (See Radio Programming and Commissioning Manual – ref. D200- 306-00 for details.)
Starting with an un-commissioned module
- Remove it from the back box.
- Ensure that the address is set to 00 (default setting).
- Insert the batteries.
- Select the Device Direct Command tab in AgileIQ.
- Double click on the screen to reveal the list of options and follow the instructions to configure the output module mode.
Note: Remove the batteries from the device afterwards if the system commissioning operation is not about to be done. It is recommended that the output module configuration is noted for future reference on the module label after commissioning:
Commissioning
- Remove the module from the back box.
- Ensure that the correct address has been set.
- Insert the batteries.
- Refit the module and replace the back box front cover
the RF gateway and the RF module in a configuration operation using the AgileIQ software tool. At commissioning time, with the RF network devices powered on, the RF gateway will connect and program them with network information as necessary. The RF module then synchronises with its other associated devices as the RF mesh network is created by the Gateway. (For further information, see the Radio Programming and Commissioning
NOTE: Do not run more than one USB interface at a time to commission devices in an area. WIRING DIAGRAMS
Figure 6: Output Module Supervised
Figure 7: Input / Output Module Relay Mode
Notifier Fire Systems by Honeywell Pittway Tecnologica S.r.l. Via Caboto 19/3 34147 TRIESTE, Italy
EN54-25: 2008 / AC: 2010 / AC: 2012 Components Using Radio Links EN54-18: 2005 / AC: 2007 Input/Output Devices for use in fire detection and fire alarm systems for buildings
EU Declaration of Conformity Hereby, Notifier by Honeywell declares that the radio equipment type NRX-M711 is in compliance with directive 2014/53/EU The full text of the EU DoC can be requested from: [email protected]


















