AMG GT4 4 Door Coupe Car
User Manual
Dear customer,
Thank you for purchasing our product. Please read the following instructions carefully before first use and keep this user manual for future reference. Pay particular attention to the safety instructions. If you have any questions or comments about the device, please contact the customer line.
www.alza.co.uk/kontakt
✆ +44 (0)203 514 4411
Importer
Alza.cz a.s., Jankovcova 1522/53, Holešovice, 170 00 Praha 7, www.alza.cz
Please read the manual before using the product. The manual and box contain important information, please keep them properly for later references. Failure in following warnings mentioned in this manual may lead to harm done to your child. In order to improve the product quality, we may change the parts of structure,appearance, packing method, assembly method and function of the product without any notice. When there is any difference between the manual and the product, please subject to the actual product. We are sorry for any inconvenience.
Warning: The product should be assembled by an adult. Protective equipment should be worn. Not to be used in traffic. Not suitable for children under three years of age.
Choking hazard – small parts. Please keep out of the reach of small children. Pay attention to the potential hazards of using the toy in areas other than private grounds.
Parts List

Specifications
| Battery | 12V-7AH / 6V-4.5×2 |
| Main material | PP |
| Suitable age | 37-95 months |
| Weight limit | 30 kg |
| Product size | 119×65×99 cm |
| Speed | 3-5 km/h |
| Runtime | 1-2 hours after being charged for 8-12 hours |
| Charger | Input AC 110-220V; Output DC 12V-1A / 12V 0.5A |
| Fuse | Auto-reset fuse |
Stroller Function
Pull out the handle and caster wheels out if needed. When not needed, push them back to save space. 
Assembly Instructions
- Car assembly should be carried out by an adult.
- Take care of small parts. To avoid choking hazard, keep children away while assembling. Children under 36 months are prohibited to use this vehicle.
- Please count all the parts carefully before assembling and dispose the plastic bag properly.
Front wheel assembly
Turn over the car body, aim the front wheel centre to front axle, press the button on the middle of the wheel, then insert and push the wheel into place.
Rear wheel assembly
Aim the rear wheel centre to rear axle, press the button on the middle of the wheel, then insert and push the wheel into place.
Windshield assembly
Aim the hooks under front windshield to the appropriate position, push down and fix with screws.
Steering wheel assembly
Connect steering wheel wire to the wires coming out of the steering column and match connectors. Insert the steering wheel into the steering column and fix with spring clip.
Electronic steering is optional, it can be adjusted up and down. Mechanical steering wheel cannot be adjusted.
Saddle assembly
Align two plastic hooks with corresponding openings on the car body, push them into place ,fix the back of the saddle with a screw.
Mirrors assembly
Align mirrors with corresponding openings on the car body, push them into place.
Spoiler assembly
Align the spoiler with corresponding openings on the car body, push it into place.
Push bar assembly
Align the push bar with corresponding openings on the car body, push it into place, fix it with screws under the car body.
Battery connection
Loose two screws on the bonnet, remove the bonnet, connect two red clip locks of two wires. Removable battery is optional, it can be taken out for charging. (Release the lock, pull outward to take the battery out.)
Warning: This product is not a vehicle for transportation, it should be used under adult guidance. Parents should ensure that children have taken the safety measures before using.
When changing the gears, the accelerator should be released, and the car has to be stopped. Prohibit to change the hear while the car is moving, because that can damage the wire and other transmission parts.
Fuse
The car has the auto-reset fuse, if the car stops suddenly during driving, it it mainly caused by instantaneous current exceeds, which makes the fuse to trip. Then just stop operating for about 8 seconds, the fuse will reset. Then turn on the power switch again.
In order to avoid the fuse tripping and cutting off the power supply, please pay attention to the following matters:
- The vehicle cannot be overloaded, maximum load is 30 kgs.
- Don’t drag anything behind the vehicle.
- Don’t let water or other liquid into the batteries and other electrical components.
- Do not change the circuit system and the structure of the product.
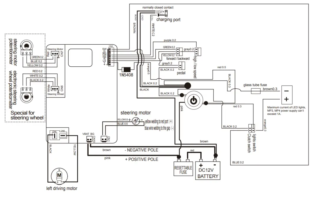
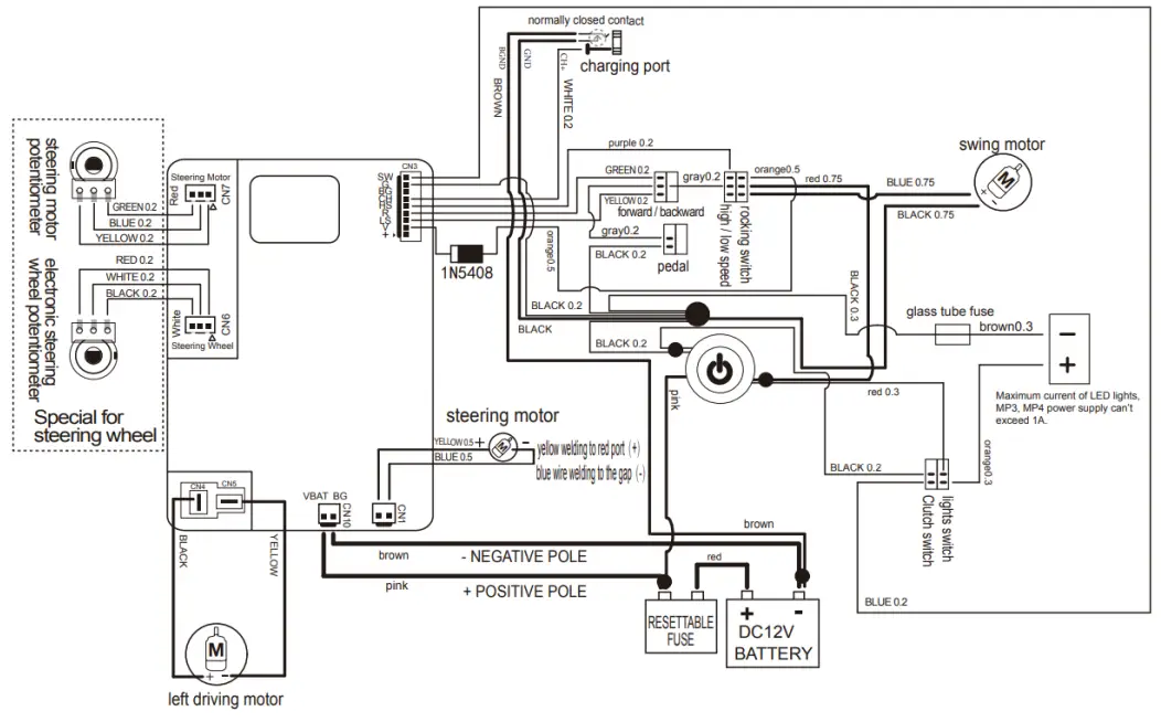
Circuit Diagram
Wire connection is as following:
Wire uncrossed
Wire crossed
Motor wire connection terminals: 1) red point is positive pole, 2) gap is a negative pole.
Motor connection wire:
A. 550 motor (optional)
- Motor transfer wire uses 1.5 squares wire
- Motor wire uses 1.0 square wire
B. 390 motor (optional)
- Motor transfer wire uses 1.0 square wire
- Motor wire uses 0.75 square wire
| Driving motor position | Connector | Method for side wire welding of motor |
| Left motor | Big one | Black wire welding to red point, yellow wire welding to the gap. |
| Right motor | Small head | Yellow wire welding to red point, black wire welding to the gap. |
Internal circuit diagram (remote control has priority), 550 gearbox
Internal circuit diagram (remote control has priority), 550 gearbox, no rocking function 
Security Warning
- The installation and charging of the vehicle should be carried out by an adult person.
- This product is limited to the children from 37 to 95 months and has 30 kg weight limit. Please, do not overload the vehicle.
- This product is ideal for driving on a hard flat surface.
- It is strictly prohibited to drive the vehicle on the streets or on the road, through pot holes, and on slopes.
- Avoid driving in the sand or grass or uneven ground.
- Children should be given full instructions on operation of the car. Improper operation can cause damage or accidents.
- While children are driving, it is parents’ duty to supervise at all times to avoid accidents.
- Avoid driving in rain or on flooded pathways. Doing so can damage the motor, ircuit and other electrical equipments.
- Battery charger should be regularly inspected by parents to ensure that the wires, plugs, crusts and other components are not damaged. Please stop using if any damage is found, until it is completely restored.
- In order to ensure product life and safety, avoid damage to the charger, battery or electric circuit. The car must use the default configuration of a dedicated charger and power supply.
- Rechargeable batteries should be removed from the toy before charging.
- When the product is not used, please cut off the product power, and keep all the switches in the “off” position.
- The charger provided is not a toy. It is to be kept away from children.
- Strictly prohibit using the non-manufacturer provided parts.
- This product is made of PP material mainly, and the safe using time is about two years.
Instructions for Use
Before using the vehicle, make sure that all the following works are done.
- Step described in accordance with the instructions to complete the installation of the car, the battery plug-in has been connected, the power supply has been switched on.
- Make sure that all the positions which need the screws are fixed tightly.
- Parents or guardians should ensure that children have taken the safety measures before using. To reduce the risk during using, pay attention to the followings:
- When driving the car, child should sit in the car seat.
- Adult or parents should take more care and guidance when child is driving and should not leave the child unattended.
- Pay attention to the driving environment and drive only on hard flat surface.
- To avoid accidents, drive only in daytime or in bright places. Avoid using under low visibility.
Dashboard Diagram

MP3 (Optional)
MP3 (Optional)
MP4 (optional)

Remote Control Instructions

- Before the first use, follow these steps: Press and hold the car select key, until remote indicator light starts to flash. Then turn on the power, remote indicator will be off, indicating the successful connection with the car. Release the button, now the remote control can be used. If the remote indicator light is still flashing and is turned on, try again.
- Please select the proper speed during driving.
Manual mode or remote mode both can be selected.
Remote mode: press and hold the speed select button to choose the proper speed.
Manual mode: use gear to select high or low speed. - The remote control uses slow start technology, it can reduce impact force of the traditional controller and protect the child’s spine.
- The stop button on the remote control can be used in any situation. Press and hold stop button to stop the car immediately. Parents have full control of the remote, so as to improve the security.
- Push the joystick front, the car will go forward. Push the joystick back, the car will go backward. With no operation, the car will nt move.
- Push the joystick left, the car will turn left. Push the joystick right, the car will turn right.
- Combining the left/right turns may bring your child more entertainment when driving.
- How to adjust the offset position of the electronic steering wheel: The car has an electronic steering wheel function (optional), when the steering wheel is in the positive direction, but deviates, you can adjust the steering wheel according to the following steps. Remote control needs to be successfully connected to the car.
- Put the car on a flat ground, don’t adjust the steering wheel, make the steering wheel in the middle position, turn on the power.
- When the car has been turned on, adjust the steering wheel to make the wheels in the front position, then make sure the steering wheel is still.
- Press the speed selection switch on the remote control for five seconds until speed indicator light starts to flash, then release the switch. The adjustment is now finished.
- If it doesn’t work, repeat the above steps.
Warning
- When operating the car, the distance between the car which the child sits in and the remote control which is operated by an adult should not be more than 10 meters.
- The remote is only for adults to use, keep far away from your child.
- Before using the remote, you must read the instruction manual carefully, and operate the empty car first. Only once you get a grip on how to control the car, your child can get inside.
- Please switch to the “P” of the gear before you get in the car.
- This vehicle should not be used on roads and places with water and obstacles.
- To avoid damaging the circuit, please keep the remote control from wet and rain.
- Don’t mix old and new batteries and different brands of dry batteries.
- In order to avoid damaging the remote control, please take out the batteries out of the remote control if not used for a long time.
- Avoid dropping the remote control during using.
- Install batteries with right polarity to avoid battery short circuit.
- Charging must be done by adults. Non rechargeable batteries can’t be charged.
- Exhausted battery should be removed from the toy properly and prevent children from playing with it.
- If the remote distance is less than three meters, it means the battery is worn down in the remote control. It is time to change the two pieces of AA alkaline batteries.
How to insert the batteries: Use a screwdriver to loosen the screw on the back of the remote control, open the battery cover, and install two AA 1.5V alkaline type batteries
according to the diagram, then close the battery cover and fix with a screw.
How to remove batteries: Use a screwdriver to loosen the screw on the back of the remote control, open the battery cover and remove batteries, then close the battery cover and fix with a screw.
Warning:
- Non-rechargeable batteries are not to be charger.
- Batteries are to be inserted with the correct polarity.
- Exhausted batteries are to be removed from the toy.
- Rechargeable batteries are only to be charged under adult supervision.
- Rechargeable batteries are to b removed from the toy before being charged.
Charging
For safety purpose, the charging must be done by adults. When it is the first time to use, open the engine bonnet, remove the engine plastic cover, connect two red clip locks of two wires. Please charge for 8 to 12 hours.
If the car has slowed down, it needs to be charged for 8 to 12 hours, maximum of 20 hours.
First, insert the plug of the charger into the charging port. The car power will be cut off.
Then insert the charger to the power socket.
Warning
- The toy is to be assembled by an adult. In unassembled state, it contains potentially hazardous sharp points & small parts, so please keep out of baby’s reach.
- Choking hazard – small parts.
- Not for children under three years of age.
- Always wear shoes.
- Risk of fire. Do not bypass. Replace only with circuit protection device.
- Protective equipment should be worn. Not to be used in traffic.
Attention
- Use only the provided charger and batteries according to the manufacturer’s regulations.
- Do not mix old and new or different types of batteries.
- The battery terminal should not be short-circuited.
- Do not open the battery or the charger.
- Do not reverse the battery.
- Before charging, please check whether the charger, battery and plug are alright, if you find any broken parts, you must stop using it immediately. Do not use it until it is fully repaired.
- The battery will be little ward when being charged, that is normal. If not, it may be caused from the short circuit of charger or circuit board.
- To fix the battery, the pressing plate must be used.
- Worn out batteries must be handled by adults. Remove the battery which has worn out from the toy and recycle it properly.
- If the product is going to be stored unused for a long time, it must be fully charged and recharged every three months, to ensure health of the battery.
- The charger and the battery are not toys. Keep them away from the children.
Maintenance
- Before the first use, parents should check whether all parts are in a good condition. Check whether the screws are loose and whether there are potential safety hazards. Any damaged parts founded should be repaired before using.
- After using the product for a period of time, use a small amount of lubricating oil to the moving parts to prevent wear and tear of rust.
- Keep the car away from fire and direct sunlight. Place it stably, not upside down. The car shall be stored indoors or outdoors under cover.
- The car should be kept away from hot items, such as stoves or heaters, or the plastic parts will melt. When charging, the car should be kept away from inflammable materials to prevent it from catching fire.
- Charge in time after use. Charging should be done by adults. If the product is going to be unused for a long time, it must be fully charged. Charge it every month so as to extend the battery lifespan.
- A soft cloth must be used to clean the car. Do not use chemical solvents to clean the plastic parts. Do not use soap or water to clean the car. Driving in rainy or snowy weather, water can damage the motor, battery and circuit system.
- When stopping or storing the car, please cut off the power and make sure all switches are in the “stop” or “off” position.
- Do not use fuses different from the specifications of this product.
- Do not change the product structure and circuit system. Maintenance and repair work must be done under the guidance of the professional or technical personnel in place.
- Do not use the product for other purposes. Put the battery in the right polarity.
- Battery negative short circuit is prohibited. Non-rechargeable batteries cannot be charged.
- Rechargeable batteries can only be charged under the supervision of the adult.
- Do not mix old and new batteries or different types of batteries.
- The battery running out of power should be removed from the car properly and not allowed to be played with by children.
- Disconnect the batteries completely when they are not used and do not allow children to play with them.
Troubleshooting
| The car does not move or power on. | The power switch may be in the “off’ position. |
| The fuse may not be functioning properly. | |
| The battery may not be connected, check the red and black wires. | |
| The charger is plugged In. Unplug the charger. | |
| The pedal switch Is not functioning properly. | |
| The wheels might be stuck. | |
| Car moves slowly. | The battery may not be fully charged. |
| Check whether there is a problem with the wheels. | |
| Check whether the vehicle is not overloaded. | |
| Battery does not charge. | The charger might be malfunctioning. |
| The battery might have lost Its capacity. | |
| Check the connection between the battery and the charger. |
Maintenance method of the electronic steering wheel
Electronic steering wheel is optional. When it has some problems, first connect the car with the remote control, then follow the steps to solve the problem.
Pull the electronic steering wheel potentiometer plug and driving motor potentiometer plug out. Use the remote control to test the right and left function.
| Operation | Result | Conclusion | Solution |
| Press “left” button on the remote control. | Wheels turn left. | The function is normal. | |
| Press “right” button on the remote control. | Wheels turn right. | The function is normal. | |
| Press “left” button on the remote control. | Wheels can’t turn left. | Receiver doesn’t have “left” function. | Change a new receiver and test It again. |
| Press “right” button on the remote control. | Wheels can’t turn right. | Receiver doesn’t have “right” function. | |
| Press “left” button on the remote control. | Wheels turn right. | “Left” function is normal, but the steering motor wire is wrongly welded. | Exchange the wire of the steering motor or exchange the plug of the steering motor. |
| Press “right” button on the remote control. | Wheels turn left. | Right function is normal, but the steering motor wire Is wrongly welded. |
Make sure the first step of testing is normal, then turn off the power, connect electronic steering wheel potentiometer plug and driving motor potentiometer plug as before, turn on the power.
| Operation | Result | Conclusion | Solution |
| Press “left’ button on the remote control. | Wheels turn left until the maximum angle. | The function Is normal. | |
| Press “right” button on the remote control. | Wheels turn right until the maximum angle. | The function Is normal. | |
| Press “left” button on the remote control. | Wheels can’t turn left. | Steering motor potentiometer has some problems. | Change a new steering motor potentiometer. |
| Press “right’ button on the remote control. right. | Wheels can’t turn | ||
| Press “left’ and “right” button on the remote control. | Wheels turn left but can’t turn right, or wheels turn right but can’t turn left. | Check whether the potentiometer Is Installed In place. Steering motor may have some problems. | Install potentiometer in place or change a new potentiometer. |
| Turn on the power, wheels turn to one side automatically. | Wheels turn to one side or turn to far left or turn to far right, It means self- position function of the wheels have some problems. | Communication error makes self-position function offset. | Adjust the electronic steering wheel. |
Make sure the second step of testing is normal, then test the steering wheel.
| Operation | Result | Conclusion | Solution |
| Turn the steering wheel left. | Wheels turn leftuntil the maximum angle. | The function is normal. | |
| Turn the steering wheel right. | Wheels turn rightuntil the maximum angle. | The function is normal. | |
| Turn the steering wheel left. | Wheels can’t turn left. | Steering motor potentiometer has some problems. steering motor | Change a new potentiometer. |
| Turn the steering wheel right. | Wheels can’t turn right. | ||
| Press “left and” “right” button on the remote control. | Wheels turn left but can’t turn right, or wheels turn right but can’t turn left. | Check whether the potentiometer Is Installed in place. Steering motor may have some problems. | Install potentiometer In place or change a new potentiometer. |
| Turn on the power, wheels turn to one side automatically. | Wheels turn to one side or turn to far left or turn to far right, It means self- position function of the wheels have some problems. | Communication error makes self-position function offset. | Adjust the electronic steering wheel. |
Warranty Conditions
A new product purchased in the Alza.cz sales network is guaranteed for 2 years. If you need repair or other services during the warranty period, contact the product seller
directly, you must provide the original proof of purchase with the date of purchase. The following are considered to be a conflict with the warranty conditions, for which the claimed claim may not be recognized:
- Using the product for any purpose other than that for which the product is intended or failing to follow the instructions for maintenance, operation, and service of the product.
- Damage to the product by a natural disaster, the intervention of an unauthorized person or mechanically through the fault of the buyer (e.g., during transport, cleaning by inappropriate means, etc.).
- Natural wear and aging of consumables or components during use (such as batteries, etc.).
- Exposure to adverse external influences, such as sunlight and other radiation or electromagnetic fields, fluid intrusion, object intrusion, mains overvoltage, electrostatic discharge voltage (including lightning), faulty supply or input voltage and inappropriate polarity of this voltage, chemical processes such as used power supplies, etc.
- If anyone has made modifications, modifications, alterations to the design or adaptation to change or extend the functions of the product compared to the purchased design or use of non-original components.
EU Declaration of Conformity
Identification data of the manufacturer’s / importer’s authorized representative:
Importer: Alza.cz a.s.
Registered office: Jankovcova 1522/53, Holešovice, 170 00 Prague 7
CIN: 27082440
Subject of the declaration:
Title: Children’s electric car
Model / Type: R/C Licensed Mercedes-Benz AMG GT4
The above product has been tested in accordance with the standard(s) used to demonstrate compliance with the essential requirements laid down in the Directive(s):
Directive No. 2009/48/EC
Directive No. 2014/53/EU
Directive No. 2011/65/EU as amended 2015/863/EU
Prague
WEEE
This product must not be disposed of as normal household waste in accordance with the EU Directive on Waste Electrical and Electronic Equipment (WEEE – 2012/19 / EU). Instead, it shall be returned to the place of purchase or handed over to a public collection point for the recyclable waste. By ensuring this product is disposed of correctly, you will help prevent potential negative consequences for the environment and human health, which could otherwise be caused by inappropriate waste handling of this product. Contact your local authority or the nearest collection point for further details. Improper disposal of this type of waste may result in fines in accordance with national regulations.















