
5-038-072-11(1)
Video Projector
Printed in China
VPL-XW7000
VPL-XW6000
© 2022 Sony Corporation
About This Manual
This Setup Guide explains the installation and basic operations for projecting pictures. Before operating the unit, please read this manual thoroughly and retain it for future reference. Refer to “About Indicators” as necessary. For details on the operations, refer to the Help Guide (Web operating instructions).
Manuals supplied
Setup Guide (this document)
Explains the installation and basic operations for projecting pictures.
Help Guide (Web operating instructions)
Explains the features of the unit and how to use in detail. You can view the Help Guide on a smartphone or computer.
https://rd1.sony.net/help/vpl/xw5000/en/
WARNING
To reduce the risk of fire or electric shock, do not expose this apparatus to rain or moisture.
To avoid electrical shock, do not open the cabinet. Refer servicing to qualified personnel only.
WARNING
When installing the unit, incorporate a readily accessible disconnect device in the fixed wiring, or connect the power plug to an easily accessible socket outlet near the unit. If a fault should occur during the operation of the unit, operate the disconnect device to switch the power supply off, or disconnect the power plug.
CAUTION
For safety, do not connect the connector for peripheral device wiring that might have excessive voltage to the following port:
- LAN
WARNING
- Use the approved Power Cord (2-core mains lead) / Appliance Connector / Plug that conforms to the safety regulations of each country/region if applicable.
- Use the Power Cord (2-core mains lead) / Appliance Connector / Plug conforming to the proper ratings (Voltage, Ampere).
If you have questions on the use of the above Power Cord / Appliance Connector / Plug, please consult qualified service personnel.
IMPORTANT
The nameplate is located in the following location on the unit.
- Side
CAUTION
– Danger of explosion if the battery is incorrectly replaced. Replace only with the same or equivalent type recommended by the manufacturer.
– When you dispose of the battery or the product, you must obey the law in the corresponding area or country. Do not dispose of the battery or the product in a fire or a hot oven, or mechanically crush or cut the battery. It may explode or cause a fire. Do not subject the battery to the extremely low air pressure that may result in an explosion or the leakage of flammable liquid or gas.
– Do not place the battery in a high-temperature place, such as under direct sunlight or near the fire.
It may ignite, explode, or cause a fire. Do not immerse or wet the battery in water or seawater.
This may cause an electric shock.
CAUTION
The following size and number of batteries are required for the remote control.
- Size: AA (R6)
- Number of battery(ies): Two pieces
To avoid the risk of explosion, use only the following type of battery.
- Manganese batteries
This symbol is intended to alert the user to the presence of important operating and maintenance (servicing) instructions in the literature accompanying the appliance.
For the customers in the U.S.A.
This equipment has been tested and found to comply with the limits for a Class B digital device, pursuant to part 15 of the FCC Rules. These limits are designed to provide reasonable protection against harmful interference in a residential installation. This equipment generates, uses and can radiate radio frequency energy and, if not installed and used in accordance with the instructions, may cause harmful interference to radio communications. However, there is no guarantee that interference will not occur in a particular installation. If this equipment does cause harmful interference to radio or television reception, which can be determined by turning the equipment off and on, the user is encouraged to try to correct the interference by one or more of the following measures:
– Reorient or relocate the receiving antenna.
– Increase the separation between the equipment and receiver.
– Connect the equipment into an outlet on a circuit different from that to which the receiver is connected.
– Consult the dealer or an experienced radio/TV technician for help.
You are cautioned that any changes or modifications not expressly approved in this manual could void your authority to operate this equipment.
All interface cables used to connect peripherals must be shielded in order to comply with the limits
for a digital device pursuant to Subpart B of part 15 of FCC Rules.
If you have any questions about this product, you may call; Sony Customer Information Service Center at 1-800-222-7669 or http://www.sony.com/
Supplier’s Declaration of Conformity
Trade Name: SONY
Model: VPL-XW7000/XW6000
Responsible party: Sony Electronics Inc.
Address: 16535 Via Esprillo, San Diego, CA 92127 U.S.A.
Telephone Number: 858-942-2230
This device complies with part 15 of the FCC Rules.
Operation is subject to the following two conditions: (1) This device may not cause harmful interference, and (2) this device must accept any interference received, including interference that may cause undesired operation.
For the customers in Canada
CAN ICES-3 (B)/NMB-3(B)
For the customers in the U.S.A.
CAUTION
Use of controls or adjustments or performance of procedures other than those specified herein may result in hazardous radiation exposure.
CAUTION
Do not look into the lens while in use.
CAUTION
Do not allow children to operate this product without supervision.
CAUTION
The use of optical instruments with this product will increase eye hazards.
For the customers in other countries/regions
IEC 60825-1:2014
CLASS 1 LASER PRODUCT
As with any bright light source, do not stare into the beam, RG2 IEC 62471-5:2015.
WARNING: Do not look into the lens while in use.
Caution
Use of controls or adjustments or performance of procedures other than those specified herein may result in hazardous radiation exposure.
Caution
The use of optical instruments with this product will increase eye hazards.
Location information of the labels

Light source specifications
5.2 W laser diodes × 24
Wavelength: 450 – 460 nm
Beam divergence angle from the lens of this unit
Zoom maximum: α = 39.9°
Zoom minimum: α = 25.5°

Do not place any object in front of the lens that may block the light during projection. The heat from the light may damage the object.

For the customers in the U.S.A.
SONY LIMITED WARRANTY – Please visit http://www.sony.com/psa/warranty for important information and complete terms and conditions of Sony’s limited warranty applicable to this product.
For the customers in Canada
SONY LIMITED WARRANTY – Please visit http://www.sonybiz.ca/pro/lang/en/ca/article/resources-warranty for important information and complete terms and conditions of Sony’s limited warranty applicable to this product.
For the customers in Europe
Sony Professional Solutions Europe – Standard Warranty and Exceptions on Standard Warranty.
Please visit https://pro.sony/support-services/primesupport/support-professional-solutionseurope-standard-product-warranty for important information and complete terms
and conditions.
For the customers in Korea
SONY LIMITED WARRANTY – Please visit http://bpeng.sony.co.kr/handler/BPAS-Start for important information and complete terms and conditions of Sony’s limited warranty applicable to this product.
Precautions
On safety
- Check that the operating voltage of your unit is identical to the voltage of your local power supply.
- Should any liquid or solid object fall into the cabinet, unplug the unit and have it checked by qualified personnel before operating it further.
- Unplug the unit from the wall outlet if it is not to be used for several days.
- To disconnect the cord, pull it out by the plug.
Never pull the cord itself. - The wall outlet should be near the unit and easily accessible.
- The unit is not disconnected from the AC power source (mains) as long as it is connected to the wall outlet, even if the unit itself has been turned off.
- Do not look into the lens while in use.
- Do not place your hand or objects near the ventilation holes. The air coming out is hot.
On preventing internal heat build-up
After you turn off the power with the
(On/Standby) button, do not disconnect the unit from the wall outlet while the cooling fan is still running.
Caution
This unit is equipped with ventilation holes (intake/exhaust). Do not block or place anything near these holes, or internal heat build-up may occur, causing picture degradation or damage to the unit.
On repacking
Save the original shipping carton and packing material; they will come in handy if you ever have to ship your unit. For maximum protection, repack your unit as it was originally packed at the factory.
On watching 3D video images
Safety precautions
- If you observe flickering or flashing, turn off the lighting in the room.
- Not for use by children without proper adult supervision.
On inspection of light source related parts
Since the unit uses a laser, when adjusting or inspecting the light source-related parts, particular attention and a safe environment are necessary. Be sure to consult with qualified Sony personnel (charged).
Note on left unused for long periods
If the unit is not used for a long period of time, malfunction or a drop in performance can occur. To avoid this, periodically turn on the power and operate the unit.
On LCD Projector
The LCD projector is manufactured using high precision technology. You may, however, see tiny black points and/or bright points (red, blue, or green) that continuously appear on the LCD projector. This is a normal result of the manufacturing process and does not indicate a malfunction. Also, when you use multiple LCD projectors to project
onto a screen, even if they are of the same model, the color reproduction among projectors may vary, since color balance may be set differently from one projector to the next.
On condensation
If the room temperature where the projector is installed changes rapidly, or if the projector is moved suddenly from a cold to a warm place, condensation in the projector may occur. As the condensation may cause malfunction, be careful in adjusting the temperature settings of the air conditioner. If condensation occurs, leave the projector turned on for about two hours before use.
Notes on security
- SONY WILL NOT BE LIABLE FOR DAMAGES OF ANY KIND RESULTING FROM A FAILURE TO IMPLEMENT PROPER SECURITY MEASURES ON TRANSMISSION DEVICES, UNAVOIDABLE DATA LEAKS RESULTING FROM TRANSMISSION SPECIFICATIONS, OR SECURITY PROBLEMS OF ANY KIND.
- Depending on the operating environment, unauthorized third parties on the network may be able to access the unit. When connecting the unit to the network, be sure to confirm that the network is protected securely.
- From a safety standpoint, when using the unit connected with the network, it is strongly recommended to access the Control window via a Web browser and change the access limitation settings from the factory preset values. Also, it is recommended that you set a password with a sufficiently long character string that is hard to guess by others, and that you store it safely.
- Do not browse any other website in the Web browser while making settings or after making settings. Since the login status remains in the Web browser, close the Web browser when you complete the settings to prevent unauthorized third parties from using the unit or harmful programs from running.
- When connecting this product to a network, connect via a system that provides a protection function, such as a router or firewall. If connected without such protection, security issues may occur.
Do not place this product close to medical devices
This product (including accessories) has a magnet(s) that may interfere with pacemakers, programmable shunt valves for hydrocephalus treatment, or other medical devices. Do not place this product close to persons who use such medical devices. Consult your doctor before using this product if you use any such medical device.
SONY WILL NOT BE LIABLE FOR DAMAGES OF ANY KIND RESULTING FROM THE USE OF THIS UNIT FOR PURPOSES OTHER THAN GENERAL
HOME USE, EITHER DURING THE WARRANTY PERIOD OR AFTER THE EXPIRATION OF THE WARRANTY.
Notes on Installation and Usage
Unsuitable installation
Do not place the unit in the following situations, which may cause malfunction or damage to the unit.
Near walls
To maintain the performance and reliability of the unit, leave space between walls and the unit as illustrated.

Note that the wall on the ventilation holes side may become hot.
Air from air conditioners or the ventilation holes of this unit or other devices may cause oscillation on the screen. Be sure not to install this unit in the area where the air from air conditioners or the ventilation holes of these devices reach the front side of this unit.
Poorly ventilated location
Leave space of more than 30 cm (11 ⅞ inches) around the unit.
Hot and humid
Locations subject to direct cool or warm air from an air-conditioner
Installing the unit in such a location may cause a malfunction of the unit due to moisture condensation or a rise in temperature.
Near a heat or smoke sensor
A malfunction of the sensor may occur.
Very dusty and extremely smoky locations
Unsuitable Conditions
Do not do any of the following while using the unit.
Tilting front/rear and left/right
Avoid using the unit tilted at an angle, as shown in the following illustrations.
Do not install the unit anywhere other than on a level surface or on the ceiling. Installing the unit in such a location may result in uneven color uniformity.
If the unit is tilted up or down, the image on the screen may be trapezoidal. Position the unit so that the lens is parallel to the screen.

When installing the unit at high altitudes
When using the unit in a location at an altitude of 1,000 m (approx. 3,280 feet) or higher, appropriately set “High Altitude Mode” in the Setup
menu. Failing to do so could have adverse effects, such as reducing the reliability of certain components.
Safety precautions for installing the unit on a ceiling
- Never mount the projector on the ceiling or move it by yourself. Be sure to consult with qualified Sony personnel (charged).
- When installing the unit on a ceiling, be sure to use a safety wire, etc., to prevent the unit from falling. Entrust the installation to an experienced contractor or installer.
For dealers
Be sure to secure the cabinet cover firmly when installing to the ceiling firmly.
License Notice
Refer to “Notice on the Software” in the Help Guide and read the contents of the license.
Preparing
Checking the Supplied Accessories
Check the carton to make sure it contains the following items:
- Remote control RM-PJ24 (1)
- Size AA (R6) batteries (2)
- Lens cap (1)
When you purchase the projector, a lens cap is on the lens. - AC power cord (1)
- Setup Guide (this manual) (1)
Inserting the Batteries into the Remote Control

Caution when handling the remote control
- Handle the remote control with care. Do not drop it, and do not step on or spill liquids on it.
- Do not place the remote control in a location near a heat source, a place subject to direct sunlight, or a damp room.
Removing the Lens Cap
Remove the lens cap before you use the projector.
Notes on the lens cap
When removing the lens cap
When removing the lens cap, hold the parts other than the catches and pull it toward you. If you pull while holding the catches, the lens may be damaged.

When attaching the lens cap
When attaching the lens cap, be sure to hook the catches of the lens cap on the notches of the lens to prevent it from falling out.

Note
The positions of the notches on the lens may differ from the ones shown in the figure.
Installing the Unit
- Position the unit so that the lens is parallel to the screen.
- After connecting the AC power cord to the unit, plug the AC power cord into a wall outlet.
Note
After connecting the AC power cord to the unit, the ON/STANDBY indicator may blink in orange. You may not be able to control the unit while the indicator is blinking, but this is not a malfunction. Wait until it stops blinking and remains lit in red. - Press the
(On/Standby) button to turn on the unit.
Front of the unit
The ON/STANDBY indicator flashes in green, then it lights in green. - Project an image on the screen, then adjust the focus, size, and position.

- Adjust the focus.
Press the LENS ADJUSTMENT (FOCUS) button to display the Lens Focus adjustment window (test pattern). Then adjust the focus of the picture by pressing the
button. - Adjust the picture size.
Press the LENS ADJUSTMENT (ZOOM) button to display the Lens Zoom adjustment window (test pattern). Then adjust the size of the picture by pressing the
button. - Adjust the picture position.
Press the LENS ADJUSTMENT (SHIFT) button to display the Lens Shift adjustment window (test pattern). Then adjust to the proper position of the picture by pressing the
button.
Note
Do not touch the lens when you adjust the image position.
Your fingers may be pinched when the lens extends/ retracts.
To adjust the tilt of the installation surface If the unit is installed on an uneven surface, use the front feet (adjustable) to keep the unit level.
Notes
- Note that if the unit is tilted up or down, the projected image will be distorted in a trapezoidal shape.
- Be careful not to pinch your fingers when rotating the front feet (adjustable).
Lens adjustment window (test pattern)

The dashed lines show the angle of view of each aspect ratio.
For more information, refer to “Installation and Connections” in the Help Guide.
Connecting the Unit
When making connections, be sure to do the following:
- Turn off all devices before making any connections.
- Use the proper cables for each connection.
- Insert the cable plugs firmly; Loose connections may reduce the performance of picture signals or cause a malfunction. When unplugging a cable, be sure to grip the plug, not the cable itself.
- For more information, refer also to the instruction manual of the device to be connected.

When you monitor and control the projector via the network, access the Setup page of the projector (refer to “Using Network Features” in the Help Guide) via a Web browser and enable the desired control protocol.
Projecting
Projecting the Picture
- Turn on both the unit and the device connected to the unit.
- Press INPUT to display the input palette on the screen.
- Select the device from which you want to display images.
Press INPUT repeatedly or press
(enter) to select the device from which to project.
Turning Off the Power
- Press the
(On/Standby) button.
The message “POWER OFF?” appears. - Press the
(On/Standby) button again before the message disappears.
The ON/STANDBY indicator flashes in green and the fan continues to run to reduce the internal heat.
The fan stops and the ON/STANDBY indicator changes from flashing green to remaining red.
The power is turned off completely, and you can disconnect the AC power cord.
Note
Never disconnect the AC power cord while the indicator is flashing.
Tip
You can turn off the unit by holding the
(On/Standby) button for about 1 second, instead of performing the above steps.
Selecting the Picture Viewing Mode
Press one of the CALIBRATED PRESET buttons.

| Setting items | Description |
| CINEMA FILM 1 (Cinema Film 1) | Image quality is suited for reproducing the wide dynamic and clear images typical of master positive film. |
| CINEMA FILM 2 (Cinema Film 2) | Image quality is suited for reproducing the rich tone and color typical of a movie theater, based on “Cinema Film 1.” |
| REF (Reference) | Image quality is suited for reproducing the original image quality faithfully or enjoying the image quality without any adjustment. |
| TV (TV) | Image quality is suited for watching TV programs, sports, concerts, and other video images. |
| PHOTO (Photo) | Image quality is suited for viewing still images taken with a digital camera and other devices. |
| GAME (Game) | Image quality suited for gaming, with well-modulated colors and fast response. |
| BRT CINE (Bright Cinema) | Image quality is suited for watching movies in a bright room. |
| BRT TV (Bright TV) | Image quality is suited for watching TV programs, sports, concerts, and other video images in a bright room. |
| USER (User) | You can set and adjust the image quality to suit your taste, then you can save the setting. The default setting is the same as “Reference.” |
| IMAX Enhanced | Image quality suited for watching IMAX Enhanced content. Press the MENU button and select “Calib. Preset” in the Picture menu. |
About Indicators
The ON/STANDBY or WARNING indicator lights up or flashes if there is any trouble with your projector.
If there is any problem or an error message appears on the screen, refer to “Error Handling” in the Help Guide.

| Flashing/Lighting indicators | The number of flashes | Cause and Remedy |
![]() | Three times | The unit does not light properly due to an abnormality of the light source and light source power. Turn off, then turn on the power after a while. If the symptom persists, consult with qualified Sony personnel. |
![]() | Twice | The internal temperature is unusually high. Check to ensure that nothing is blocking the ventilation holes and the unit is not being used at high altitudes. |
| Three times | The fan is broken. Consult with qualified Sony personnel. |
Note
If the symptom persists even after carrying out the above methods, consult with qualified Sony personnel.
If the indicator starts flashing in a way other than the above, turn it off, and then turn on the power with the
(On/Standby) button on the remote control or control panel of the unit.
If the symptom is shown again, consult with qualified Sony personnel.
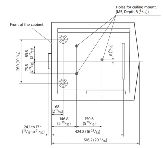
Dimensions
Front

Bottom

* Varies depending on how the focus is adjusted.
Note
Holes for the ceiling mount
Use the screws with a length of 6.4 mm (¼ inches, minimum) to 8.0 mm (5/16 inches, maximum) for the ceiling mount.
Recommended tightening torque (tension when turning a screw towards the direction of rotation): 1.4 ± 0.2 N-m


© 2022 Sony Corporation
References
Sony Group Portal - Home
Knowledge: Professional Warranty Information - Sony Pro
Sony Professional - Products and Solutions To Redefine Your Business
Support and Services - Sony Pro
Change Country
Change Country
VPL-XW7000/VPL-XW6000/VPL-XW5000 | Help Guide | Top
VPL-XW7000/VPL-XW6000/VPL-XW5000 | Guide d’aide | Accueil
Unsuitable Conditions
Note
Front of the unit
The ON/STANDBY indicator flashes in green, then it lights in green.




















