Behringer 40-Input, 25-Bus Digital Rack Mixer with 16 Programmable MIDAS Preamps User Guide

Important Safety Instructions
Terminals marked with this symbol carry electrical current of sufficient magnitude to constitute risk of electric shock. Use only high-quality professional speaker cables with ¼” TS or twist-locking plugs pre-installed. All other installation or modification should be performed only by qualified personnel.
This symbol, wherever it appears, alerts you to the presence of uninsulated dangerous voltage inside the enclosure – voltage that may be sufficient to constitute a risk of shock.
This symbol, wherever it appears, alerts you to important operating and maintenance instructions in the accompanying literature. Please read the manual.
Caution
To reduce the risk of electric shock, do not remove the top cover (or the rear section). No user serviceable parts inside. Refer servicing to qualified personnel.
Caution
To reduce the risk of fire or electric shock, do not expose this appliance to rain and moisture. The apparatus shall not be exposed to dripping or splashing liquids and no objects filled with liquids, such as vases, shall be placed on the apparatus.
Caution
These service instructions are for use by qualified service personnel only. To reduce the risk of electric shock do not perform any servicing other than that contained in the operation instructions. Repairs have to be performed by qualified service personnel.
- Read these instructions.
- Keep these instructions.
- Heed all warnings
- Follow all instructions.
- Do not use this apparatus near water.
- Clean only with dry cloth.
- Do not block any ventilation openings. Install in accordance with the manufacturer’s instructions.
- Do not install near any heat sources such as radiators, heat registers, stoves, or other apparatus (including amplifiers) that produce heat.
- Do not defeat the safety purpose of the polarized or grounding-type plug. A polarized plug has two blades with one wider than the other. A grounding-type plug has two blades and a third grounding prong. The wide blade or the third prong are provided for your safety. If the provided plug does not fit into your outlet, consult an electrician for replacement of the obsolete outlet.
- Protect the power cord from being walked on or pinched particularly at plugs, convenience receptacles, and the point where they exit from the apparatus.
- Use only attachments/accessories specified by the manufacturer. injury from tip-over.

Use only with the cart, stand, tripod, bracket, or table specified by the manufacturer, or sold with the apparatus. When a cart is used, use caution when moving the cart/apparatus combination to avoid- Unplug this apparatus during lightning storms or when unused for long periods of time.
- Refer all servicing to qualified service personnel. Servicing is required when the apparatus has been damaged in any way, such as power supply cord or plug is damaged, liquid has been spilled or objects have fallen into the apparatus, the apparatus has been exposed to rain or moisture, does not operate normally, or has been dropped.
- The apparatus shall be connected to a MAINS socket outlet with a protective earthing connection.
- Where the MAINS plug or an appliance coupler is used as the disconnect device, the disconnect device shall remain readily operable.

Correct disposal of this product: This symbol indicates that this product must not be disposed of with household waste, according to the WEEE Directive (2012/19/EU) and your national law. This product should be taken to a collection center licensed for the recycling of waste electrical and electronic equipment (EEE). The mishandling of this type of waste could have a possible negative impact on the environment and human health due to potentially hazardous substances that are generally associated with EEE. At the same time, your cooperation in the correct disposal of this product will contribute to the efficient use of natural resources. For more information about where you can take your waste equipment for recycling, please contact your local city office, or your household waste collection service.- Do not install in a confined space, such as a book case or similar unit.
- Do not place naked flame sources, such as lighted candles, on the apparatus.
- Please keep the environmental aspects of battery disposal in mind. Batteries must be disposed-of at a battery collection point.
- Use this apparatus in tropical and/or moderate climates.
LEGAL DISCLAIMER
MUSIC Group accepts no liability for any loss which may be suffered by any person who relies either wholly or in part upon any description, photograph, or statement contained herein. Technical specifications, appearances and other information are subject to change without notice. All trademarks are the property of their respective owners. MIDAS, KLARK TEKNIK, LAB GRUPPEN, LAKE, TANNOY, TURBOSOUND, TC ELECTRONIC, TC HELICON, BEHRINGER, BUGERA and DDA are trademarks or registered trademarks of MUSIC Group IP Ltd. © MUSIC Group IP Ltd. 2017 All rights reserved.
LIMITED WARRANTY
For the applicable warranty terms and conditions and additional information regarding MUSIC Group’s Limited Warranty, please see complete details online at music-group.com/warranty.
X32 RACK DIGITAL MIXER Hook-up
Step 1: Hook-Up
Basic Connections
32 RACK Live Performance Setup with S16, X32, and P16 Monitor System


Cablingforall AES50connectionsbetween X32andS16stageboxes:
- Shielded CAT5e cable, Ethercon terminate cable ends (recommended)
- Maximum cable length 100 meters (330 feet)


Step 2: Controls
- USB button opens the Recorder View on the MAIN DISPLAY, causing the LED to glow green. The LED will glow red to indicate access on the DATA/AUDIO input. An unlit LED indicates no data access and inactive Recorder View.
- DATA/AUDIO USB input allows connection of USB flash drives for firmware updates, loading/saving scenes and show files, and playing back or recording WAV files.
- CHANNEL SELECT control cycles through all channels by turning the knob. By pressing this knob, you can jump to the next type of channels.
- CHANNEL TYPE LEDs indicate which type of channel is currently selected.
- CHANNEL NUMBER display shows the currently selected channel.
- INPUT METER displays the pre-fader input level of the selected channel.
- SOLO button routes the currently selected channel to the monitoring paths. The LED lights when active.
- CHANNEL LEVEL control adjusts the currently selected channel’s output.
- MUTE button mutes the currently selected channel. The LED lights when active.
- MAIN MENU buttons open specific menus on the MAIN DISPLAY.
- MAIN DISPLAY shows permanent information about the mixer’s configuration as well as information about the currently selected menu.
- DISPLAY ENCODER knobs allow adjustment and on/off selection of the menu items indicated at the bottom of the MAIN DISPLAY.
- MAIN METER indicates the Main Mono or SOLO level in the left meter and the Main Stereo level on the right.
- PAGE SELECT buttons curse horizontally in the MAIN DISPLAY and make Yes / No confirmations.
- LAYER SELECT buttons access different parameter layers that can be edited by the DISPLAY ENCODERS.
- TALK button engages the Talkback microphone. Routing is defined in the Monitoring Preferences page.
- TALK LEVEL knob sets the Talkback mic gain.
- CLEAR SOLO button lights to indicate that one of the channels has been Soloed. Press to deactivate all active solo functions.
- MAIN LR LEVEL knob adjusts the main stereo output bus.
- ON/OFF button turns the power on and off.
- MONITOR LEVEL knob adjusts the headphone and monitor output volume. Connect headphones to the ¼” front panel input.
- TALKBACK input connects a talkback microphone via XLR cable.
- MONITOR outputs send audio to monitor speakers via ¼” balanced cables.
- AUX IN and OUT jacks send and receive signals via ¼” and RCA connectors.
- XLR OUT jacks send audio via XLR cable. Output signals are configured on the Routing/Aux Out page of the MAIN DISPLAY.
- X-USB card provides 32 channels of input and output via USB cable to and from any connected personal computer DAW application
- ETHERNET connector allows full OSC-based remote control of the X32 RACK.
- MIDI IN/OUT allows the unit to send and receive MIDI commands via standard 5-pin DIN cables.
- ULTRANET connector sends 16 channels of audio to a P16 monitoring system.
- AES50 A and B connectors allow 96 channels of bidirectional audio for connection to S16 digital snakes or other X32 family products. Shielded CAT-5e cable should always be used for AES50 connections between X32 and S16 units.
- XLR IN jacks receive inputs via XLR cable. These inputs feature 16 MIDAS-designed mic/line preamps with 72 dB of gain range. Each input has an adjacent red LED to indicate when 48 V phantom power supply is engaged.
Step 3: Getting started

Note: All signal blocks patched to the audio processing will be connected to the corresponding input channels automatically.
Local inputs 17-24 and 25-32 are listed with brackets, indicating that these are not physically available on this device. Assigning these will obviously carry no signal, but they can still be used when preparing shows for a full X32 console.
Cabling for AES50 connections between X32 and S16 stage boxes:
- Shielded CAT-5e cable
- Ethercon terminated cable ends
- Maximum cable length 100 meters (330 feet)
Routing I/O
The X32 RACK console features 16 analog rear-panel XLR inputs with microphone preamps, as well as 8 rear-panel XLR Outputs and 6 TRS Aux Sends and Returns. In addition, there are two AES50 ports, each featuring 48 input and Input Channels 1-16 are pre-configured to use the local input signals 1-16, but can be patched to use any other available signal on the audio engine as well, including mix bus/sub group outputs. Changes of the Channel Source can be made on the Preamp Config page. Input Channels 17-32 are pre-configured to AES50 A inputs 1-16, so that connecting an S16 stage box to port A will automatically feed the channels. Aux Return Channels 1-8 are pre-configured to use the 6 aux input signals, and the two USB playback outputs, but can be patched to use any other available signal of the console as well.
FX Return Channels 1L-4R control the 4 stereo output signals of side-chain FX1-4.
Output Signals can be freely assigned from
any internal signal to any of the following outputs:
- 8 analog local XLR outputs (with adjustable digital delay for time-alignment of speakers)
- 8 virtual outputs (marked with *) for routing over AES50or card outputs
- 6 auxiliary send son ¼” TRS outputs
- 16 channel personal monitoring using the console’s P-16 Bus output connector Anyandall of the above signals can also be mirrored in blocks of 8 signalson either one of
- 48xchannelson AES50 port A
- 48xchannelson AES50 port B
- 32xchannelson USB interface card

The configuration of Mix Bus Channels 1-16 can be pre-set (in the Setup/Global page) or can also be configured on an individual, per-channel basis. The bus processing includes (in this order):
- Insert point (swappable between post-EQ and pre-EQ operation)
- 6-band fully parametric EQ
- Compressor/expander (swappable between post-EQ and pre-EQ operation)
- Bus sends to 6 matrices
- Main LR panning
- Mono/Center level
Main Bus Channels LR/C are always available and independent from Mix Buses. The processing steps for this signal path include (in this order):
- Insert point (swappable between post-EQ and pre-EQ operation)
- 6-band fully parametric EQ
- Compressor/expander (swappable between post-EQ and pre-EQ operation)
- Bus sends to 6 matrices
Matrix Channels 1-6 are fed exclusively by MAIN LRC and Mix Bus 1-16 signals. The processing steps include (in this order):
- Insert point (swappable between post-EQ and pre-EQ operation)
- 6-band fully parametric EQ
- Compressor/expander (swappable between post-EQ and pre-EQ operation)
Effects Processing 1-8
The X32 RACK contains eight true-stereo internal effects engines.
- FX 1-4 can be configured as side chain or insert effects, while FX 5-8 can only be used in insert points of channels or buses
- The FX Home screen allows selection of the FX 1-4 input sources and selecting the effects type/algorithm for each of the 8 FX slots of the virtual rack
- The subsequent tabs FX 1-FX 8 of the FX screen allow editing all parameters of the chosen effects processor
iPad App for X32 RACK
Many functions of the X32 RACK console can be remotely controlled by a dedicated iPad app. Details about the app’s download, setup and operation are included in a separate user manual available for download from the X32 RACK product page.
The app’s User Interface is optimized for the touchscreen nature of the iPad device and concentrates on the most important remote features of the console only. Using the app, you can perform functions such as adjusting monitor mixes from the stage while interacting with musicians, or adjusting the front-of-house mix from the audience, while hearing the mix exactly as the audience does.
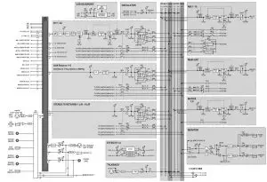
X32 RACK DIGITAL MIXER Block Diagram

Specifications
| Processing | |
| Number of processing channels | 32 input channels, 8 aux channels, 8 FX return channels, 16 aux buses, 6 matrices, main LRC |
| Internal effects engines, true stereo / mono | 8 / 16 |
| Internal total recall scenes (incl. preamp and fader) | 100 |
| Signal processing | 40-bit floating point |
| A/D-D/A conversion (Cirrus Logic A/D CS5368, D/A CS4385) | 24-bit @ 44.1 / 48 kHz, 114 dB dynamic range |
| Local I/O latency (local in > console processing* > local out) | 0.8 ms |
| Network I/O latency (stagebox in > console processing* > stagebox out) | 1.1 ms |
| Connectors | |
| XLR inputs, programmable mic preamps, designed by MIDAS | 16 |
| Talkback mic input, XLR | 1 external (no internal mic) |
| RCA inputs/outputs | 2/2 |
| XLR outputs | 8 |
| Monitoring outputs ¼” TRS balanced | 2 |
| Aux inputs/outputs, ¼” TRS balanced | 6/6 |
| Phones outputs, ¼” TRS | 1 stereo (front panel) |
| AES50 ports, SuperMAC | 2 |
| Expansion card slot | 32 channel audio input/output, various standards |
| P-16 connector, Ultranet (no power supplied) | 1 |
| MIDI inputs / outputs | 1/1 |
| Ethernet, RJ45, rear panel, for remote control | 1 |
| USB Type A, front panel, for audio and data export/import | 1 |
| Mic Input Characteristics | |
| Preamp design | MIDAS |
| THD + noise, 20 dB gain, 0 dBu out | < 0.006% A-weighted |
| Input impedance XLR jack, unbal. / bal. | 5 kΩ / 10 kΩ |
| Non clip maximum input level, XLR | +23 dBu |
| Phantom power, switchable per input | 48 V |
| Equivalent input noise level, XLR (input shorted) | -128 dBu |
| CMRR, XLR, @ 20 dB gain (typical) | > 70 dB |
| CMRR, XLR, @ 40 dB gain | > 80 dB |
| Input/Output Characteristics | |
| Frequency range, @ 48 kHz sample rate, 0 dB to -1 dB | 10 Hz – 22 kHz |
| Dynamic range, analog in to analog out (typical) | 106 dB |
| A/D dynamic range, preamp to converter (typical) | 109 dB |
| D/A dynamic range, converter and output | 108 dB |
| Cross talk rejection @ 1 kHz, adjacent channels | 100 dB |
| Output level, XLR, nom./max. | +4 dBu / +21 dBu |
| Output impedance, XLR, unbal. / bal. | 75 Ω / 75 Ω |
| Input impedance TRS jack, unbal. / bal. | 20 kΩ / 40 kΩ |
| Non clip maximum input level, TRS | +16 dBu |
| Nominal output level, TRS | +4 dBu / +16 dBu |
| Output impedance, TRS, unbal. / bal. | 150 Ω / 300 Ω |
| Phones output impedance / level | 40 Ω / +25 dBm (stereo) |
| Residual noise level, XLR and TRS | -87 dBu A-weighted |
| Display | |
| Main screen | 5″, 800 x 480, 262k color TFT |
| Main meter | 18-segment (-45 dB to clip) |
| Power | |
| Switch-mode power supply | Autorange 100-240 V (50/60 Hz) |
| Power consumption | 60 W |
| Physical | |
| Standard operating temperature range | 5°C – 40°C (41°F – 104°F) |
| Dimensions | 132 x 483 x 287 mm (5.2 x 19 x 11.3″) |
| Weight | 6.5 kg (14.4 lbs) |
Other important information
Important information
- Register online. Please register your new MUSIC Group equipment right after you purchase it by visiting behringer.com. Registering your purchase using our simple online form helps us to process your repair claims more quickly and efficiently. Also, read the terms and conditions of our warranty, if applicable.
- Malfunction. Should your MUSIC Group Authorized Reseller not be located in your vicinity, you may contact the MUSIC Group Authorized Fulfiller for your country listed under “Support” at behringer.com. Should your country not be listed, please check if your problem can be dealt with by our “Online Support” which may also be found under “Support” at behringer.com. Alternatively, please submit an online warranty claim at behringer.com BEFORE returning the product.
- Power Connections. Before plugging the unit into a power socket, please make sure you are using the correct mains voltage for your particular model. Faulty fuses must be replaced with fuses of the same type and rating without exception.
- AES50. To fully comply with national legislation including (but not limited to) transposition of EC EMC Directive 2004/108/EC by EU member states and FCC Part 15 for the United States of America, all connections made to Ultranet, Ethernet and AES50 ports A and B on the BEHRINGER X32 must be made using shielded CAT5/5e or CAT6 cables.
FEDERAL COMMUNICATIONS COMMISSION COMPLIANCE INFORMATION
| Responsible Party Name | MUSIC Group Services NV Inc. |
| Address | 5270 Procyon Street Las Vegas, NV 89118 USA |
| Phone Number | +1 702 800 8290 |
X32 RACK DIGITAL MIXER
comp lies with the FCC rules as mentioned in the following paragraph:
This equipment has been tested and found to comply with the limits for a Class B digital device, pursuant to part 15 of the FCC Rules. These limits are designed to provide reasonable protection against harmful interference in a residential installation. This equipment generates, uses and can radiate radio frequency energy and, if not installed and used in accordance with the instructions, may cause harmful interference to radio communications. However, there is no guarantee that interference will not occur in a particular installation. If this equipment does cause harmful interference to radio or television reception, which can be determined by turning the equipment off and on, the user is encouraged to try to correct the interference by one or more of the following measures:
- Reorient or relocate the receiving antenna
- Increase the separation between the equipment and receiver
- Connect the equipment into an outlet on a circuit different from that to which the receiver is connected
- Consult the dealer or an experienced radio/TV technician for help
This device complies with Part 15 of the FCC rules. Operation is subject to the following two conditions:
- this device may not cause harmful interference, and
- this device must accept any interference received, including interference that may cause undesired operation.
Important information:
Changes or modifications to the equipment not expressly approved by MUSIC Group can void the user’s authority to use the equipment.





















