
eurodib Vegetable Slicer HLC300 Instruction Manual

HLC300

1. SAFETY INFORMATION
General Precautions
- Become familiar with the instructions for use and safety information contained in this manual.
- Avoid placing hands near the cutting discs and moving parts.
- Disconnect from mains power before cleaning and maintenance.
- Periodically inspect the AC power cord and electric elements for wear or damage.
- Do not use the slicer for frozen food.
- The unit must be serviced by qualified technicians.
Mechanical Safety
The vegetable slicer described in this manual meets mechanical safety requirements per GB4706.38-2003.
Electrical Safety
- Electrical safety of this unit complies with CENELEC GB4706.38-2003.
- Security micro-switches are mounted on the machine to stop operation when the cover is opened to gain access to the cutting discs.

SETTING N.2 MICROSWITCHES
This unit can be used in humid environments due to a re-start relay in the low voltage circuit, well insulated electrical elements, and treated aluminum finish.
2. TECHNICAL SPECIFICATIONS
All components made of Aluminum/Magnesium alloy with smooth edges for easy cleaning and maintenance.
Data Table

Packaging
The slicer is packed in a sturdy cardboard box with internal molded insulation to protect the unit during transport.
Included in the box:
- HLC-300 Vegetable Slicer
- User and Maintenance Manual
- High ejecting disc and low ejecting disc
3. INSTALLATION
Installation Environment
Machine must be set on a wide, level, dry and fixed surface, distanced from heat sources and water spray.
WARNING: The unit location must comply with electrical regulations and general safety of use.
THE MANUFACTURER DECLINES ANY AND ALL RESPONSIBILITY FOR DIRECT OR INDIRECT DAMAGES INCURRED FROM NON-COMPLIANCE WITH THE ABOVE-MENTIONED REGULATIONS.
Electrical Connections
- The slicer is designed to operate with single-phase 110v/1/60 hz.
- The unit must be properly grounded when connected to AC mains supply.
THE MANUFACTURER DECLINES ANY AND ALL RESPONSIBILITY FOR DIRECT AND INDIRECT DAMAGES WHICH MAY ENSUE FOR NON-COMPLIANCE WITH THE REGULATIONS IN FORCE.
Confirm the direction of rotation of the central shaft is counter-clockwise: With the machine idle, open the cover, rotate the side handle and remove the cutting disc (if any). Can also be done with the white plastic ejector only (through the upper round opening). Turn the machine On/Off by pressing the green start button once, followed by the red stop button.

Training
Ensure that any users are familiar with the operational and safety aspects of this unit, as described in this manual.
4. OPERATION
Controls
The controls and pilot light are located on the right side of the base.
- Green button starts the machine
- Red button stops the machine

Loading the Discs
Rotate the knob as shown in Figure 1 below and open the cover. First, place the plastic ejecting disc (Figure 2), then the selected cutting disc. Close the cover and reverse the rotation of the handle. Press the Start button to automatically hook the discs into the correct position.

Slicing Food
- Lift the handle and place the food inside the opening as shown in figure 3, then close the handle.
- Press the green Start button with your right hand, and with your left hand, lightly move the handle downwards until food is fully used up.

(Figure 3)
- Lift the handle to introduce other food.
- The machine starts automatically when the handle is closed.
- Repeat these operations until the food is fully used up.
- It is possible to use both openings with a single disc. When two discs are used for cutting sticks and match-stick style, the inlet opening set over the grid must be used.
- The smaller round opening is used to slit vegetables such as carrots, vegetable marrow, etc.
WARNING: NEVER USE YOUR HANDS TO PRESS THE VEGETABLES INTO THE MACHINE, ALWAYS USE THE PESTLE SUPPLIED.
Removal and Replacement of Discs
- Turn the knurled handle and lift the cover. (Figure 1)
- Turn the disc counterclockwise and cover the cutting edge with appropriate material (rubber, fabric, etc), then lift it by setting your hand under the disc.
- Lift the discs to remove the grid disc for dice cutting, or the disc for stick cutting with the plastic disc. (Figures 4-5).

5. CLEANING, MAINTENANCE AND STORAGE
General Information and Cleaning Recommendations
- Before carrying out any cleaning or maintenance operations, ensure that the mains switch is off and the supply plug is disconnected from the mains.
- Clean the equipment and the discs every day for optimal operation and life of the equipment.
- The discs, the dicing grid, and the plastic ejector can be removed and washed under a warm water jet. Clean the machine and the disc positions with a cloth or a sponge wet with warm water. Remove all debris to ensure the discs sit properly.
- Open the cover and loosen the 2 pins as shown in figure 6. Remove the cover and wash underneath a water jet.

(Figure 6)
- Clean the surfaces with soap and water, alcohol and/or detergents without abrasives or chlorine/soda-based substances (chlorine water, muriatic acid).
- Never use abrasives, steel wool, or similar products as they may damage the finish and compromise product life.
Failure to Start
When the white pilot light on the panel in on, but the machine does not start, check to ensure that the handle and the cover are closed. In the closed position, both the safety micro-switches are on; these safety micro-switches prevent the unit from starting in unsafe conditions. In the case of unit failure, the unit should only be serviced by qualified personnel.
Long Term Storage
For long term storage, disconnect the main wall switch and clean the machine and its accessories. Use white vaseline oil (or similar products) to protect all the machine’s elements.
These products, mainly made up of oily and detergent substances, and now available in spray cylinders for easy application, preserve the glossy finish of the aluminum magnesium alloy, and prevent corrosion. It is recommended to cover the machine with a nylon (or similar) cloth.
6. WARRANTY
Warranty period is one year, including parts and labor. The unit must be brought to a certified service centre for repairs. Please contact [email protected] for more information.
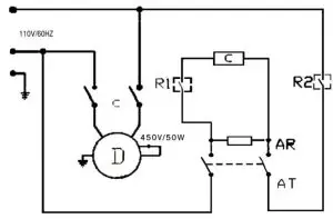
7. ELECTRICAL DIAGRAM

8. MACHINE DIAGRAM

Read More About This Manual & Download PDF:


















