M601DB
Multimedia Speaker
User manual
Important safety instruction
- Please read the instructions carefully. Keep it in a safe place for future reference.
- Use only accessories approved by the manufacturer.
- Install the instrument properly by following the instructions in the device connection section.
- Using the product in a 0-35℃ environment is recommended.
- To reduce the risk of fire and electric shock, do not expose the product to rain or moisture.
- Do not use this product near water. Do not immerse the product into any liquid or have it exposed to dripping or splashing.
- Do not install or use this product near any heat source (e.g. radiator, heater, stove, or other devices that generate heat).
- Do not place any object filled with liquids, such as vases on the product; neither should any open fire, such as lighted candles be placed on the product.
- Do not block any ventilation openings. Do not insert any object into ventilation openings or slots. It may cause fire or electric shock.
- Keep sufficient clearance around the product to maintain good ventilation (minimum 5cm is recommended).
- Do not force a plug into the jack. Before connection, check for blockage in the jack and whether the plug matches the jack and is oriented in the right direction.
- Keep the provided accessories and parts (such as screws) away from children to prevent them from being swallowed by mistake.
- Do not open or remove the housing yourself. It may expose you to dangerous voltage or other hazardous risks. Regardless of the cause of the damage (such as damaged wire or plug, exposure to liquid splash or foreign object falling in, exposure to rain or moisture, product not working or being dropped, etc.), the repair has to be performed by an authorized service professional immediately.
- Before cleaning the product with a dry cloth, always turn off the product and disconnect the power plug first.
- Never use strong acid, alkali, gasoline, alcohol, or other chemical solvents to clean the product surface. Use only neutral solvent or clear water for cleaning.
The statements for the 5.8G module:
This device complies with Part 15 of the FCC Rules. Operation is subject to the following two conditions:
- this device may not cause harmful interference, and
- this device must accept any interference received, including interference that may cause undesired operation.
Changes or modifications do not expressly approve by the party responsible for compliance could void the user’s authority to operate the equipment.
Please notice that if the FCC identification number is not visible when the module is installed inside another device, then the outside of the device into which the module
is installed must also display a label referring to the enclosed module. This exterior label can use wording such as the following: “Contains FCC ID: 2ABA2ATM200” any similar wording that expresses the same meaning may be used.
This equipment complies with FCC radiation exposure limits set forth for an uncontrolled environment. This equipment should be installed and operated with a minimum distance of 20cm between the radiator & your body. This transmitter must not be co-located or operating in conjunction with any other antenna or transmitter.
The module is limited to OEM installation ONLY.
The OEM integrator is responsible for ensuring that the end-user has no manual instruction to remove or install-module.
The module is limited to installation in the mobile applications;
Separate approval is required for all other operating configurations, including portable configurations with respect to Part 2.1093 and difference antenna configurations.
There is a requirement that the grantee provides guidance to the host manufacturer for compliance with Part 15B requirements.
This device contains license-exempt transmitter(s)/receiver(s) that comply with Innovation, Science, and Economic Development Canada’s license-exempt RSS(s).
Operation is subject to the following two conditions:
- This device may not cause interference.
- This device must accept any interference, including interference that may cause undesired operation of the device.
Important safety instruction
Please notice that if the IC identification number is not visible when the module is installed inside another device, then the outside of the device into which the module is installed must also display a label referring to the enclosed module. This exterior label can use wording such as the following: “Contains IC: 11534A-ATM200” any similar wording that expresses the same meaning may be used.
![]() | Excessively loud music may lead to hearing loss. Please keep the volume in a safe range. |
![]() | Correct Disposal of this product. This marking indicates that this product should not be disposed of with other household wastes throughout the EU. To prevent possible harm to the environment or human health from uncontrolled waste disposal, recycle it responsibly to promote the sustainable reuse of material resources. To return your used device, please use the return and collection systems or contact the retailer where the product was purchased. They can take this product for environmentally safe recycling. |
![]() | Use only with the cart, stand, tripod, bracket, or table specified by the manufacturer, or sold with the apparatus. When a cart is used, use caution when moving the cart/apparatus combination to avoid injury from tip-over. |
Power warning:
- Place the product near the power outlet for easy use.
- Before use, make sure that the operating voltage is the same as your local power supply. Correct operating voltage can be found on the product plate.
- For safety purposes, unplug the product during lightning storms or when unused for extended periods of time.
- Under normal conditions, the power supply may get hot. Please keep good ventilation in the area and exercise caution.
- Safety warning labels on the housing or bottom of the product or power adaptor.
![]() | This symbol is to alert the user to the presence of an un-insulated dangerous voltage within the product’s enclosure that may be of sufficient magnitude to constitute a risk of electric shock to persons. |
![]() | This symbol is to warn the user not to disassemble the enclosure of the product and there is no user-replaceable part inside. Take the product to an authorized service center for repair. |
![]() | This symbol indicates that the product is for indoor use only. |
![]() | This symbol indicates that the product is a CLASS II or double insulated electrical device with no earth requirement. |
The MAINS plug is used as the disconnect device, the disconnect device shall remain readily operable.
For wireless products:
- Wireless products may generate shortwave radio frequencies and interfere with the normal use of other electronic devices or medical equipment.
- Turn off the product when it’s disallowed. Do not use the product in medical facilities, on airplanes, at gas stations, near-automatic gates, automatic fire alarm systems,s or other automated devices.
- Do not use the product in the vicinity of a pacemaker within a 20cm range. The radio waves may affect the normal operation of the
pacemaker or other medical devices.
Box contents

Note: Images are for illustrative purposes only and may differ from the actual product.
Illustrations

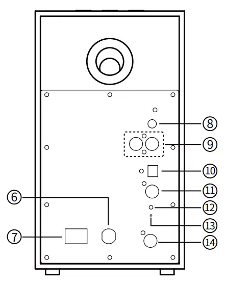
- Pairing button (subwoofer pairing with active speaker)
The active speaker has been paired with the subwoofer before leaving the factory. The wireless connection is supposed to resume automatically when both active speaker and subwoofer are powered on, and the red indicator will be constantly lit.
If the wireless connection fails to resume, please follow the steps below to complete the pairing again.
• Power on the subwoofer, the status indicator should blink slowly, which means no active wireless connection;
• Press the “Pair” button on the back panel of the subwoofer to put it into pairing mode. The status indicator will blink rapidly;
• Press the “Pair” button on the back panel of the active speaker to put it into pairing mode;
• Wait until the status indicator is lit constantly. Then the pairing is done and a wireless connection is made. - Status indicator
- Power switch
- Power cable
- Bass adjustment

- Power cable
- Power switch
- AUX input
- Line in input
- Optical input
- Coaxial input
- Status indicator
- Pairing button (subwoofer pairing with active speaker)
- Connect to passive speaker

- Volume down button
Press: volume down
Press and hold for around 3 seconds to disconnect Bluetooth
(Bluetooth mode) - Power on/off / mode switch/mode indicator
Press: the mode switch
Bluetooth: blue light flashes
AUX: green light flashes once
Line In: green light flashes twice
Optical: red light flashes once
Coaxial: red light flashes twice
Press and hold: power on/off - Volume up button
Press: volume up
Connection & operational guide
![]() | 1. Power on/off 2. Volume up 3. Previous track/next track (Bluetooth mode) 4. Play/pause (Bluetooth mode) 5. Volume down 6. Line In mode 7. AUX mode 8. Coaxial mode 9. Optical mode 10. Bluetooth mode Press: Bluetooth mode Press and hold to disconnect Bluetooth (Bluetooth mode) 11. Mute/mute off |
Battery loading:
Please refer to the illustration to open the battery compartment, insert the CR2032 battery and close the compartment.

WARNING!
- Don’t swallow the battery; the danger of chemical burn.
- The product includes a wafer battery. Swallowing this battery may lead to injury or death. Do not place the new or old
battery in where children can get to it. - Don’t use the product if the battery cover is missing or not closed, and keep the remote inaccessible to children.
- Please go to the hospital immediately if the battery is swallowed.
Note:
- Do not place the remote control in places that are hot and humid.
- Do not charge the batteries.
- Remove the batteries when unused for a long period of time.
- The battery should not be exposed to excessive heat such as direct sun, fire, or similar.
- The danger of explosion if the battery is incorrectly replaced. Replace only with the same or equivalent type.
Connection

Audio inputs

- AUX/Line In mode
- Press the ”
” button on the active speaker, or press the “AUX ” or ” Line in“ button on the remote control to switch to AUX or Line-in mode (the green indicator will flash and then will be steady lit); - Connect audio source (mobile phone, tablet,) to the “AUX” or “Line In” input port (note color matching) on the rear panel of the active speaker using audio cable;
- Play music on the connected device and adjust the settings to the desired level.
- Optical mode
- Press the ”
” button on the active speaker, or press the ” OPT ” button on the remote control to switch to optical mode (the red indicator will flash once and then will be steady lit); - Connect audio source (DVD, Set-Top Box, etc.) to the “OPT” input port on the rear panel of the active speaker using fiber optic audio cable;
- Play music on the connected device and adjust the settings to the desired level.
- Coaxial mode
- Press the ”
” button on the active speaker, or press the “COAX” button on the remote control to switch to coaxial mode (the red indicator will flash twice and then will be steady lit); - Connect an audio source to the “COAX” input port on the rear panel of the active speaker using coaxial cable (coaxial cable not included);
- Play music on the connected device and adjust the settings to the desired level.
- Bluetooth mode
- It is Bluetooth mode by default when powered on for the first time; You can also press the ”
” button on the active speaker, or press the ”
” button on the remote control to switch to Bluetooth mode (the blue indicator will flash rapidly); - Set your Bluetooth device to search for and conned to “EDIFIER R601”, after pairing is successful, the blue indicator will be steady lit.
- Play music on the connected device and adjust the settings to the desired level.
- To disconnect Bluetooth, please press and hold ”
” on the active speaker for around 3 seconds, or press and hold the “
” button on the remote control.
Note:
- To enjoy all Bluetooth functions of this product, please ensure your audio source device has A2DP (Advanced Audio Distribution Profile) and AVRCP(Audio Video Remote Control Profile) profiles.
- Bluetooth connectivity and compatibility may differ amongst different source devices, depending on the software versions of source devices.
- Only the standard PCM audio signals (44.1KHz/48KHz) function in optical/coaxial mode.
Specifications
| Total watts (peak): | 220W |
| Total watts (RMS): | 110W (R/L: 20W+20W SW: 70W) SW: 50Hz-170Hz |
| Frequency response: | R/L: 140Hz-20KHz |
| Audio inputs: | Line In, AUX, Optical, Coaxial, Bluetooth |
Declaration for EU
Frequency Band: 2.402GHz ~ 2.480GHz
RF Power output: ≤20 dBm (EIRP)
There is no restriction of use.
Troubleshooting
No sound
- Check if the speaker is ON.
- Try to turn up the volume using the volume control or remote control.
- Ensure the audio cables are firmly connected and the input is set correctly on the speaker.
- Check if there is a signal output from the audio source.
Cannot connect via Bluetooth
- Make sure the speaker is switched to Bluetooth input. If it is in other audio input modes, Bluetooth will not connect.
Disconnect from any Bluetooth device by pressing and holding the ”
” button, then try again. - Effective Bluetooth transmission range is 10 meters; please ensure that operation is within that range.
- Try another Bluetooth device for connection.
The M601DB does not turn on
- Check if the main power is connected, or if the wall outlet is switched on.
Noise coming from speakers
- EDIFIER speakers generate little noise, while the background noise of some audio devices is too high. Please unplug the audio cables and turn the volume up, if no sound can be heard at 1 meter away from the speaker, then there is no problem with this product.
To learn more about EDIFIER, please visit www.edifier.com
For Edifier warranty queries, please visit the relevant country page on www.edifier.com and review the section titled Warranty Terms.
USA and Canada: [email protected]
South America: Please visit www.edifier.com (English) or www.edifierla.com (Spanish/Portuguese) for local contact information.
Manual Edition 1.0, Feb. 2021
IB-200-M06010-00

Model: EDF100009
Edifier International Limited
P.O. Box 6264
General Post Office
Hong Kong
Tel: +852 2522 6989
Fax: +852 2522 1989
www.edifier.com
© 2021 Edifier International Limited. All rights reserved.
Printed in China
FCC ID: Z9G-EDF125
IC: 10004A-EDF125
Contain FCC ID: Z9G-EDF54
Contain IC: 10004A-EDF54
NOTICE:
For the need of technical improvement and system upgrade, the information contained herein may be subject to change from time to time without prior notice.
Products of EDIFIER will be customized for different applications. Pictures and illustrations shown in this manual may be slightly different from the actual product. If any difference is found, the actual product prevails.




























