Goodman R410A FTXNG-A Series Inverter Split Unit Air Conditioner Wall Mounted

Product Information: Inverter Split Unit Air Conditioner Wall
Mounted Heatpump [60Hz] FTXNG-A Series R410A
The Inverter Split Unit Air Conditioner is a wall-mounted air conditioning unit that uses a heat pump to cool or heat a room. It operates on a power supply of 1Phase, 208/230V, 60Hz, and is part of the FTXNG-A Series that uses R410A refrigerant. The indoor unit models available are FTXNG09AXVJU, FTXNG12AXVJU, and FTXNG18AXVJU, while the outdoor unit models available are RXNG09AXVJU, RXNG12AXVJU, and RXNG18AXVJU. The unit is designed with different features such as an inverter, scroll compressor, rotary compressor, power-airflow flap, comfortable wide-angle louvers, and more for efficient and comfortable cooling or heating.
Product Usage Instructions
Installation:
Installation must be performed by a qualified technician following the instructions provided in the installation manual.
Operation
- Turn on the power supply.
- Press the ON/OFF button on the indoor unit or use the remote control to turn on the air conditioner.
- Select the desired mode (cooling, heating, fan only or dry function) and temperature using the remote control.
- Use the timer function to set the air conditioner to turn on or off at a specific time.
- Use the quiet operation mode for silent operation during the night.
- Use the intelligent eye operation mode to automatically adjust the temperature and airflow direction based on human presence in
the room. - Use the energy-saving function for efficient operation and reduced energy consumption.
- Use the Anti-virus Filter/Gin-ION Filter, Catechin Filter/Green Tea Filter, or Titanium Apatite Air-Purifying Filter to improve air quality.
Maintenance
- Regularly clean the air filter to maintain optimal performance.
- Refer to the user manual for instructions on cleaning the air conditioner.
- Use a soft, damp cloth to clean the surface of the unit.
- Do not use harsh chemicals or abrasive materials to clean the unit.
For more information on usage, refer to the user manual provided with the product.
Introduction
Model Name and Power Supply
| Indoor Unit | Outdoor Unit | Power Supply |
| FTXNG09AXVJU | RXNG09AXVJU |
1Phase, 208/230V, 60Hz |
| FTXNG12AXVJU | RXNG12AXVJU | |
| FTXNG18AXVJU | RXNG18AXVJU |
Indoor Unit
| Definition | Description | |
| Unit Category | F | : Air-Cooled Split Indoor Unit |
| Product Type | T | : Wall Mounted |
| System | X | : Inverter, Heatpump |
| Grade | N | : R410A, Internet Model |
| Brand | G | : Goodman Brand |
| Capacity Indication* | 09 | : 9,000 Btu/h |
| Major Design Category | A | : A Series |
| Factory Origin | X | : Malaysia |
| Power Supply | VJ | : 208/230V / 1Phase / 60Hz |
| Country | U | : United States |
Outdoor Unit
| Definition | Description | |
| Unit Category | R | : Air-Cooled Split Outdoor Unit |
| System | X | : Inverter, Heatpump |
| Grade | N | : R410A, Internet Model |
| Brand | G | : Goodman Brand |
| Capacity Indication* | 09 | : 9,000 Btu/h |
| Major Design Category | A | : A Series |
| Factory Origin | X | : Malaysia |
| Power Supply | VJ | : 208/230V / 1Phase / 60Hz |
| Country | U | : United States |
Functions
|
Category |
Functions |
FTXNG09/12A RXNG09/12A |
FTXNG18A RXNG18A |
| Basic Function | Inverter | ● | ● |
| Operation Limit for Cooling (°CDB)(O/D) | 10 – 46 | 10 – 46 | |
| Operation Limit for Cooling (°FDB)(O/D) | 50 – 114.8 | 50 – 114.8 | |
| Operation Limit for Heating (°CWB)(O/D) | -15 – 18 | -15 – 18 | |
| Operation Limit for Heating (°FWB)(O/D) | 5 – 64.4 | 5 – 64.4 | |
| Compressor | Scroll Compressor | – | – |
| Swing Compressor | ● | ● | |
| Rotary Compressor | – | – | |
|
Comfortable Airflow | Power-airflow Flap | ● | – |
| Power-airflow Dual Flaps | – | ● | |
| Power-airflow Diffuser | – | – | |
| Wide Angle Louvers | ● | ● | |
| Vertical Auto-Swing (Up and Down) | ● | ● | |
| Horizontal Auto-Swing (Right and Left) | – | – | |
| 3D Airflow | – | – | |
| Breeze Airflow | – | – | |
| Comfort Control | Auto Fan Speed | ● | ● |
| Indoor Unit Quiet Operation | ● | ● | |
| Intelligent Eye Operation | – | – | |
| Automatic Defrosting | ● | ● | |
| Operation | Automatic Operation | ● | ● |
| Programme Dry Function | ● | ● | |
| Fan Only | ● | ● | |
|
Lifestyle Convenience | Powerful Operation (Non Inverter) | – | – |
| Inverter Powerful Operation | ● | ● | |
| Energy Saving Function | ● | ● | |
| Sleep Mode | ● | ● | |
| Indoor Unit ON/OFF Button | ● | ● | |
| R/C with Backlight | ● | ● | |
| Signal Receiving Sign (R/C) | ● | ● | |
| Set Temperature Display (R/C) | ● | ● | |
|
Health & Clean | Saranet Filter | – | – |
| Anti-virus Filter / Gin-ION Filter | – | – | |
| Catechin Filter / Green Tea Filter | ● | ● | |
| Titanium Apatite Air-Purifying Filter | ● | ● | |
| PM 2.5 Filter | – | – | |
| Streamer | – | – | |
| Plasma | – | – | |
| Wipe Clean Flat Panel | ● | ● | |
| Timer | Weekly Timer Operation (Wired R/C) | – | – |
| 24-hour ON/OFF Timer (R/C) | ● | ● | |
| Countdown ON/OFF Timer (R/C) | – | – | |
| Worry Free (Reliability & Durability) | Auto Restart (after Power Failure) | ● | ● |
| Self-diagnosis | ● | ● | |
| Anti-corrosion Treatment of Outdoor Heat Exchanger | Blue Fin | Blue Fin | |
| Flexibility | Pre-charged Piping Length | 32-13/16 ft | 32-13/16 ft |
| Either Side Drain (Right or Left) | ● | ● | |
| Remote Control | WIFI Connectivity | ●* | ●* |
| BAG Connectivity | ●* | ●* | |
| DIII-NET Connectivity | – | – | |
| Remote Controller | Wireless | BRC52B67 | BRC52B67 |
| Wired | – | – | |
Note:
● : Available
– : Not Available
* : Optional (Refer to DAMA Spare Part team for more details on optional items.)
Specifications
| MODEL | INDOOR UNIT | FTXNG09A | ||
| OUTDOOR UNIT | RXNG09A Cooling Heating | |||
| Rated Capacity (Min. ~ Max.) | kW | 2.57 (1.30 – 3.00) | 2.75 (1.30 – 3.80) | |
| Btu/h | 8800 (4400 – 10200) | 9400 (4400 – 13000) | ||
| Moisture Removal | gal/h | 0.09 | ||
| Rated Running Current | A | 3.82 | 3.70 | |
| Rated Power Consumption | W | 800 | 774 | |
| EER2 | Btu/h/W | 11.0 | N/A | |
| SEER2 | 18.0 | N/A | ||
| COP | W/W | N/A | 3.56 | |
| HSPF2 | N/A | 9.0 | ||
| Power Factor (Rated) | N/A | |||
| Piping Connections | Liquid | inch (mm) | 1/4” (6.35) | |
| Gas | inch (mm) | 3/8” (9.52) | ||
| Refrigerant | Type | R410A | ||
| Charge | lbs (kg) | 1.54 (0.7) | ||
| Max. Interunit Piping Length | ft (m) | 65-5/8 (20) | ||
| Max. Interunit Height Difference | ft (m) | 32-13/16 (10) | ||
| Chargeless | ft (m) | 32-13/16 (10) | ||
| Amount of Additional Charge of Refrigerant | oz/ft (g/m) | 0.21 (20) | ||
| Drawing No. | 3D143694C | |||
| INDOOR UNIT | FTXNG09A | |||
| Front Panel Colour | WHITE | |||
| Airflow Rate | Turbo | CFM | 466 | |
| High | CFM | 431 | 402 | |
| Medium | CFM | 322 | ||
| Low | CFM | 249 | ||
| Quiet | CFM | 142 | 219 | |
| Sound Pressure Level (H/M/L/Q) | dBA | 43/36/29/19 | 42/35/29/25 | |
| Fan | Type | CROSS FLOW | ||
| Drive | DIRECT | |||
| Speed | 3 STEPS, QUIET, AUTO, TURBO | |||
| Fan Motor | Type | DIRECT CURRENT | ||
| Motor Output | W | 22 | ||
| Running Current (Rated) | A | 0.10 | ||
| Power Consumption (Rated) | W | 29 | ||
| Air Direction Control | UP, DOWN, LEFT, RIGHT | |||
| Air Filter | CATECHIN | |||
| Dimensions (H x W x D) | inch (mm) | 11-1/3 x 30-5/16 x 9-3/16 (288 x 770 x 234) | ||
| Packaged Dimensions (H x W x D) | inch (mm) | 13-7/8 x 32-3/4 x 12-3/8 (350 x 830 x 314) | ||
| Weight | lbs (kg) | 20.3 (9.2) | ||
| Gross Weight | lbs (kg) | 24.7 (11.2) | ||
| Condensate Drain Size | inch (mm) | 5/8 (16) | ||
| Document No. | 3D143550B | |||
| OUTDOOR UNIT | RXNG09A | |||
| Casing Colour | IVORY WHITE | |||
| Airflow Rate | High | CFM | 1083 | 1103 |
| Sound Pressure Level | dBA | 46 | 48 | |
| Fan | Type | PROPELLER | ||
| Drive | DIRECT | |||
|
Fan Motor | Type | DIRECT CURRENT | ||
| Index of protection (IP) | 24 | |||
| Insulation Grade | E | |||
| Running Current (Rated) | A | 0.60 | ||
| Power Consumption (Rated) | W | 32 | ||
| Motor Output | W | 26 | ||
| Poles | 8 | |||
| Compressor | Type | HERMETIC SWING | ||
| Model | 1YC23AUXDA | |||
| Oil type | DAPHNE FVC50K | |||
| Oil amount | oz (cm3) | 12.4 (375) | ||
| Heat Exchanger Type | FIN TUBE | |||
| Dimensions (H x W x D) | inch (mm) | 21-11/16 x 26-1/2 x 11-3/16 (550 x 675 x 284) | ||
| Packaged Dimensions (H x W x D) | inch (mm) | 24-1/64 x 31-3/8 x 15-1/8 (610 x 801 x 384) | ||
| Weight | lbs (kg) | 55 (25) | ||
| Gross Weight | lbs (kg) | 62 (28) | ||
| Document No. | 3D143595A | |||
- ALL UNITS ARE BEING TESTED ACCORDING TO AHRI 210/240 STANDARD.
- ALL SPECIFICATIONS ARE SUBJECTED TO CHANGE BY THE MANUFACTURER WITHOUT PRIOR NOTICE.
| COOLING | HEATING |
| INDOOR: 80°FDB (26.7°CDB) / 67°FWB (19.4°CWB) | INDOOR: 70°FDB (21.1°CDB) |
| OUTDOOR: 95°FDB (35°CDB) | OUTDOOR: 47°FDB (8.3°CDB) / 43°FWB(6.1°CWB) |
| MODEL | INDOOR UNIT | FTXNG12A | ||
| OUTDOOR UNIT | RXNG12A Cooling Heating | |||
| Rated Capacity (Min. ~ Max.) | kW | 3.22 (1.30 – 3.90) | 3.31 (1.30 – 4.81) | |
| Btu/h | 11000 (4400 – 13300) | 11300 (4400 – 16400) | ||
| Moisture Removal | gal/h | 0.18 | ||
| Rated Running Current | A | 3.22 | 4.55 | |
| Rated Power Consumption | W | 1294 | 1004 | |
| EER2 | Btu/h/W | 8.5 | N/A | |
| SEER2 | 18.0 | N/A | ||
| COP | W/W | N/A | 3.30 | |
| HSPF2 | N/A | 9.0 | ||
| Power Factor (Rated) | N/A | |||
| Piping Connections | Liquid | inch (mm) | 1/4” (6.35) | |
| Gas | inch (mm) | 3/8” (9.52) | ||
| Refrigerant | Type | R410A | ||
| Charge | lbs (kg) | 2.09 (0.95) | ||
| Max. Interunit Piping Length | ft (m) | 65-5/8 (20) | ||
| Max. Interunit Height Difference | ft (m) | 32-13/16 (10) | ||
| Chargeless | ft (m) | 32-13/16 (10) | ||
| Amount of Additional Charge of Refrigerant | oz/ft (g/m) | 0.21 (20) | ||
| Drawing No. | 3D143694C | |||
| INDOOR UNIT | FTXNG12A | |||
| Front Panel Colour | WHITE | |||
| Airflow Rate | Turbo | CFM | 473 | |
| High | CFM | 436 | 412 | |
| Medium | CFM | 316 | ||
| Low | CFM | 247 | ||
| Quiet | CFM | 132 | 210 | |
| Sound Pressure Level (H/M/L/Q) | dBA | 45/37/31/19 | 43/36/30/26 | |
| Fan | Type | CROSS FLOW | ||
| Drive | DIRECT | |||
| Speed | 3 STEPS, QUIET, AUTO, TURBO | |||
| Fan Motor | Type | DIRECT CURRENT | ||
| Motor Output | W | 22 | ||
| Running Current (Rated) | A | 0.10 | ||
| Power Consumption (Rated) | W | 29 | ||
| Air Direction Control | UP, DOWN, LEFT, RIGHT | |||
| Air Filter | CATECHIN | |||
| Dimensions (H x W x D) | inch (mm) | 11-1/3 x 30-5/16 x 9-3/16 (288 x 770 x 234) | ||
| Packaged Dimensions (H x W x D) | inch (mm) | 13-7/8 x 32-3/4 x 12-3/8 (350 x 830 x 314) | ||
| Weight | lbs (kg) | 21.4 (9.7) | ||
| Gross Weight | lbs (kg) | 25.8 (11.7) | ||
| Condensate Drain Size | inch (mm) | 5/8 (16) | ||
| Document No. | 3D143550B | |||
| OUTDOOR UNIT | RXNG12A | |||
| Casing Colour | IVORY WHITE | |||
| Airflow Rate | High | CFM | 1051 | 966 |
| Sound Pressure Level | dBA | 48 | ||
| Fan | Type | PROPELLER | ||
| Drive | DIRECT | |||
|
Fan Motor | Type | DIRECT CURRENT | ||
| Index of protection (IP) | 24 | |||
| Insulation Grade | E | |||
| Running Current (Rated) | A | 0.61 | ||
| Power Consumption (Rated) | W | 46 | ||
| Motor Output | W | 26 | ||
| Poles | 8 | |||
| Compressor | Type | HERMETIC SWING | ||
| Model | 1YC23AUXDA | |||
| Oil type | DAPHNE FVC50K | |||
| Oil amount | oz (cm3) | 12.4 (375) | ||
| Heat Exchanger Type | FIN TUBE | |||
| Dimensions (H x W x D) | inch (mm) | 21-11/16 x 26-1/2 x 11-3/16 (550 x 675 x 284) | ||
| Packaged Dimensions (H x W x D) | inch (mm) | 24-1/64 x 31-3/8 x 15-1/8 (610 x 801 x 384) | ||
| Weight | lbs (kg) | 62 (28) | ||
| Gross Weight | lbs (kg) | 68 (31) | ||
| Document No. | 3D143595A | |||
- ALL UNITS ARE BEING TESTED ACCORDING TO AHRI 210/240 STANDARD.
- ALL SPECIFICATIONS ARE SUBJECTED TO CHANGE BY THE MANUFACTURER WITHOUT PRIOR NOTICE.
| COOLING | HEATING |
| INDOOR: 80°FDB (26.7°CDB) / 67°FWB (19.4°CWB) | INDOOR: 70°FDB (21.1°CDB) |
| OUTDOOR: 95°FDB (35°CDB) | OUTDOOR: 47°FDB (8.3°CDB) / 43°FWB (6.1°CWB) |
| MODEL | INDOOR UNIT | FTXNG18A | ||
| OUTDOOR UNIT | RXNG18A Cooling Heating | |||
| Rated Capacity (Min. ~ Max.) | kW | 5.27 (1.96 – 5.86) | 5.24 (1.70 – 6.60) | |
| Btu/h | 18000 (6700 – 20000) | 17900 (5800 – 22500) | ||
| Moisture Removal | gal/h | 0.41 | ||
| Rated Running Current | A | 7.53 | 6.98 | |
| Rated Power Consumption | W | 1714 | 1590 | |
| EER2 | Btu/h/W | 10.5 | N/A | |
| SEER2 | 18.0 | N/A | ||
| COP | W/W | N/A | 3.30 | |
| HSPF2 | N/A | 8.5 | ||
| Power Factor (Rated) | N/A | |||
| Piping Connections | Liquid | inch (mm) | 1/4” (6.35) | |
| Gas | inch (mm) | 1/2” (12.70) | ||
| Refrigerant | Type | R410A | ||
| Charge | lbs (kg) | 3.20 (1.45) | ||
| Max. Interunit Piping Length | ft (m) | 98-1/2 (30) | ||
| Max. Interunit Height Difference | ft (m) | 32-13/16 (10) | ||
| Chargeless | ft (m) | 32-13/16 (10) | ||
| Amount of Additional Charge of Refrigerant | oz/ft (g/m) | 0.21 (20) | ||
| Drawing No. | 3D143694C | |||
| INDOOR UNIT | FTXNG18A | |||
| Front Panel Colour | WHITE | |||
| Airflow Rate | Turbo | CFM | 754 | |
| High | CFM | 716 | ||
| Medium | CFM | 605 | ||
| Low | CFM | 467 | ||
| Quiet | CFM | 395 | ||
| Sound Pressure Level (H/M/L/Q) | dBA | 48/43/37/33 | 46/41/36/33 | |
| Fan | Type | CROSS FLOW | ||
| Drive | DIRECT | |||
| Speed | 3 STEPS, QUIET, AUTO, TURBO | |||
| Fan Motor | Type | DIRECT CURRENT | ||
| Motor Output | W | 39 | ||
| Running Current (Rated) | A | 0.17 | ||
| Power Consumption (Rated) | W | 54 | ||
| Air Direction Control | UP, DOWN, LEFT, RIGHT | |||
| Air Filter | CATECHIN | |||
| Dimensions (H x W x D) | inch (mm) | 11-11/16 x 39-9/16 x 10-3/4 (297 x 990 x 273) | ||
| Packaged Dimensions (H x W x D) | inch (mm) | 14-1/4 x 42-1/4 x 14-1/8 (362 x 1073 x 358) | ||
| Weight | lbs (kg) | 31 (14) | ||
| Gross Weight | lbs (kg) | 36 (16.5) | ||
| Condensate Drain Size | inch (mm) | 5/8 (16) | ||
| Document No. | 3D143550B | |||
| OUTDOOR UNIT | RXNG18A | |||
| Casing Colour | IVORY WHITE | |||
| Airflow Rate | High | CFM | 1987 | 1952 |
| Sound Pressure Level | dBA | 53 | ||
| Fan | Type | PROPELLER | ||
| Drive | DIRECT | |||
|
Fan Motor | Type | DIRECT CURRENT | ||
| Index of protection (IP) | 23 | |||
| Insulation Grade | E | |||
| Running Current (Rated) | A | 1.30 | ||
| Power Consumption (Rated) | W | 85 | ||
| Motor Output | W | 55 | ||
| Poles | 8 | |||
| Compressor | Type | HERMETIC SWING | ||
| Model | 2Y147AKCX2A | |||
| Oil type | DAPHNE FVC50K | |||
| Oil amount | oz (cm3) | 21.5 (650) | ||
| Heat Exchanger Type | FIN TUBE | |||
| Dimensions (H x W x D) | inch (mm) | 27-13/32 x 36-5/8 x 13-13/16 (696 x 930 x 351) | ||
| Packaged Dimensions (H x W x D) | inch (mm) | 29-7/8 x 42-3/8 x 18-7/8 (760 x 1075 x 480) | ||
| Weight | lbs (kg) | 97 (44) | ||
| Gross Weight | lbs (kg) | 106 (48) | ||
| Document No. | 3D143595A | |||
- ALL UNITS ARE BEING TESTED ACCORDING TO AHRI 210/240 STANDARD.
- ALL SPECIFICATIONS ARE SUBJECTED TO CHANGE BY THE MANUFACTURER WITHOUT PRIOR NOTICE.
| COOLING | HEATING |
| INDOOR: 80°FDB (26.7°CDB) / 67°FWB (19.4°CWB) | INDOOR: 70°FDB (21.1°CDB) |
| OUTDOOR: 95°FDB (35°CDB) | OUTDOOR: 47°FDB (8.3°CDB) / 43°FWB (6.1°CWB) |
Dimensions
Indoor Unit
Model : FTXNG09/12A
Model : FTXNG18A
Outdoor Unit
Model : RXNG09/12A
Model : RXNG18A
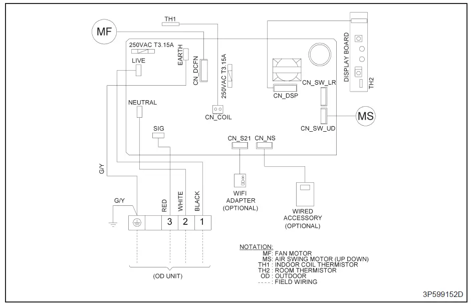
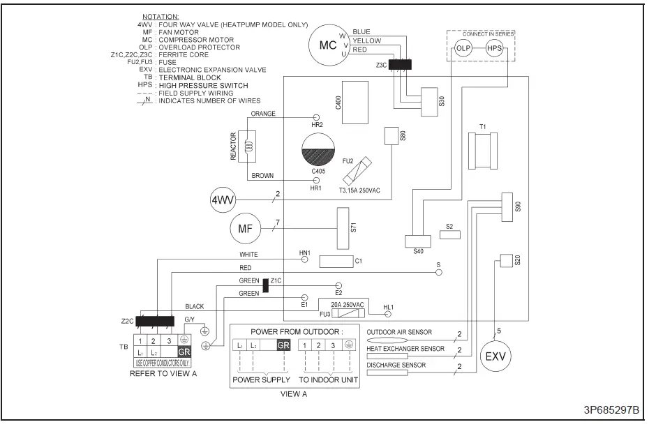
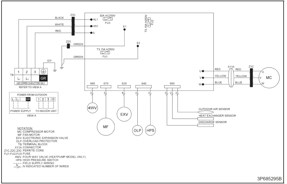
Wiring Diagrams
Indoor Unit
Model : FTXNG-A
Outdoor Unit
Model : RXNG09/12A
Model : RXNG18A
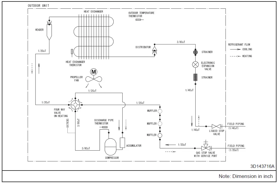
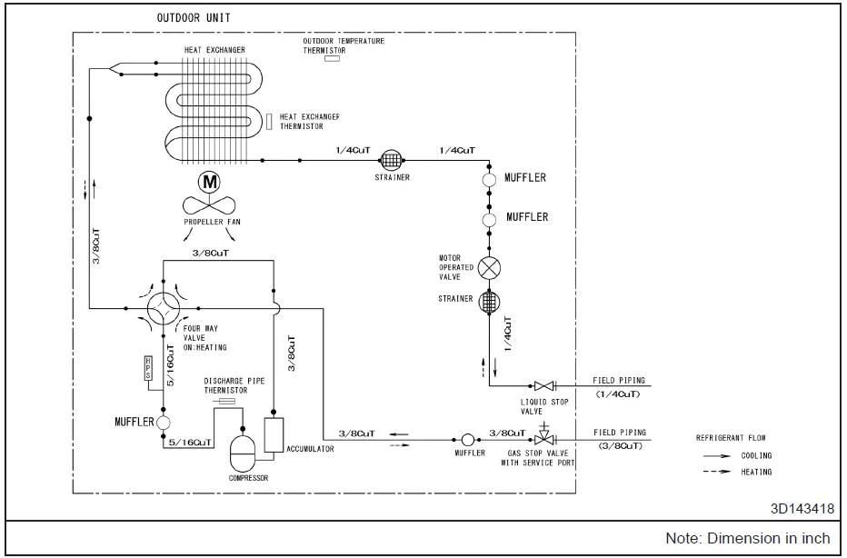
Piping Diagrams
Indoor Unit
Model: FTXNG09A
Model : FTXNG12A 
Model : FTXNG18A
Outdoor Unit
Model: RXNG09A
Model : RXNG12A
Model : RXNG18A
Capacity Tables
Model : FTXNG09A – RXNG09A
Model : FTXNG12A – RXNG12A
Model : FTXNG18A – RXNG18A
Capacity correction factor by the length of refrigerant piping

Notes:
- 1.——– represents the capacity correction factor for the capacity when additional refrigerant of the proper quantity is charged.
- The correction ratio remains the same whether the outdoor unit is to be installed above or below the unit.
- Calculation method for capacity
Capacity = capacity obtained from engineering data x capacity correction factor - The actual unit piping length shall not exceed the maximum piping length shown on the table.
Operation Limit
Model : RXNG-A
Sound Level
Measuring Location
Notes:
- Operation sound is measured in an anechoic chamber.
Sound Pressure Level
| Model | Speed | 1/1 Octave A-weighted Sound Pressure Level (dB, ref 20µPa) | Overall (dBA) | Noise Criteria | |||||||
| 63Hz | 125Hz | 250Hz | 500Hz | 1kHz | 2kHz | 4kHz | 8kHz | ||||
|
FTXNG09A (Cooling) | High | 54 | 43 | 41 | 39 | 39 | 35 | 26 | 15 | 43 | 38 |
| Med | 45 | 35 | 36 | 33 | 32 | 26 | 17 | 12 | 36 | 31 | |
| Low | 37 | 28 | 30 | 27 | 25 | 19 | 12 | 10 | 29 | 23 | |
| Quiet | 25 | 19 | 20 | 16 | 13 | 10 | 8 | 9 | 19 | 0 | |
NC Curve
Sound Pressure Level
| Model | Speed | 1/1 Octave A-weighted Sound Pressure Level (dB, ref 20µPa) | Overall (dBA) | Noise Criteria | |||||||
| 63Hz | 125Hz | 250Hz | 500Hz | 1kHz | 2kHz | 4kHz | 8kHz | ||||
|
FTXNG09A (Heating) | High | 49 | 37 | 39 | 37 | 40 | 34 | 26 | 15 | 42 | 39 |
| Med | 36 | 29 | 37 | 33 | 31 | 24 | 13 | 11 | 35 | 30 | |
| Low | 30 | 23 | 32 | 26 | 24 | 16 | 12 | 10 | 29 | 22 | |
| Quiet | 23 | 21 | 29 | 23 | 19 | 11 | 11 | 9 | 25 | 17 | |
NC Curve
Sound Pressure Level
| Model | Speed | 1/1 Octave A-weighted Sound Pressure Level (dB, ref 20µPa) | Overall (dBA) | Noise Criteria | |||||||
| 63Hz | 125Hz | 250Hz | 500Hz | 1kHz | 2kHz | 4kHz | 8kHz | ||||
|
FTXNG12A (Cooling) | High | 44 | 36 | 42 | 40 | 43 | 37 | 29 | 19 | 45 | 42 |
| Med | 34 | 29 | 35 | 33 | 34 | 28 | 19 | 12 | 37 | 33 | |
| Low | 26 | 24 | 30 | 29 | 27 | 21 | 14 | 11 | 31 | 25 | |
| Quiet | 17 | 19 | 18 | 16 | 13 | 11 | 10 | 9 | 19 | 0 | |
NC Curve
Sound Pressure Level
| Model | Speed | 1/1 Octave A-weighted Sound Pressure Level (dB, ref 20µPa) | Overall (dBA) | Noise Criteria | |||||||
| 63Hz | 125Hz | 250Hz | 500Hz | 1kHz | 2kHz | 4kHz | 8kHz | ||||
|
FTXNG12A (Heating) | High | 47 | 36 | 40 | 38 | 41 | 34 | 23 | 12 | 43 | 40 |
| Med | 39 | 29 | 37 | 33 | 32 | 24 | 14 | 11 | 36 | 31 | |
| Low | 29 | 25 | 32 | 28 | 26 | 17 | 12 | 11 | 30 | 24 | |
| Quiet | 28 | 24 | 29 | 25 | 20 | 12 | 10 | 10 | 26 | 19 | |
NC Curve
Sound Pressure Level
| Model | Speed | 1/1 Octave A-weighted Sound Pressure Level (dB, ref 20µPa) | Overall (dBA) | Noise Criteria | |||||||
| 63Hz | 125Hz | 250Hz | 500Hz | 1kHz | 2kHz | 4kHz | 8kHz | ||||
|
FTXNG18A (Cooling) | High | 51 | 41 | 45 | 43 | 44 | 42 | 35 | 25 | 48 | 43 |
| Med | 41 | 35 | 41 | 39 | 39 | 37 | 29 | 18 | 43 | 38 | |
| Low | 34 | 30 | 37 | 34 | 33 | 30 | 21 | 13 | 37 | 32 | |
| Quiet | 30 | 28 | 34 | 31 | 28 | 23 | 13 | 10 | 33 | 26 | |
NC Curve
Sound Pressure Level
| Model | Speed | 1/1 Octave A-weighted Sound Pressure Level (dB, ref 20µPa) | Overall (dBA) | Noise Criteria | |||||||
| 63Hz | 125Hz | 250Hz | 500Hz | 1kHz | 2kHz | 4kHz | 8kHz | ||||
|
FTXNG18A (Heating) | High | 52 | 40 | 43 | 42 | 42 | 39 | 30 | 16 | 46 | 41 |
| Med | 45 | 35 | 39 | 38 | 37 | 34 | 24 | 12 | 41 | 36 | |
| Low | 38 | 31 | 38 | 34 | 32 | 25 | 14 | 11 | 36 | 31 | |
| Quiet | 37 | 29 | 35 | 31 | 29 | 23 | 12 | 10 | 33 | 28 | |
NC Curve

Electric Characteristic
| Unit Combination | Power Supply | COMP | OFM | IFM | |||||||
| Indoor Unit | Outdoor Unit | Hz-Volts | Voltage Range | MCA | MOP | RHz | A | kW | MOC | kW | MOC |
| FTXNG09A | RXNG09A | 60Hz-208V | MAX. 60Hz 253V MIN. 60Hz 187V | 12.35 | 15 | 88 | 4.34 | 0.026 | 0.60 | 0.022 | 0.35 |
| 60Hz-230V | |||||||||||
| FTXNG12A | RXNG12A | 60Hz-208V | MAX. 60Hz 253V MIN. 60Hz 187V | 12.40 | 15 | 96 | 5.57 | 0.026 | 0.61 | 0.022 | 0.40 |
| 60Hz-230V | |||||||||||
| FTXNG18A | RXNG18A | 60Hz-208V | MAX. 60Hz 253V MIN. 60Hz 187V | 16.55 | 20 | 90 | 8.17 | 0.055 | 1.30 | 0.039 | 0.55 |
| 60Hz-230V | |||||||||||
Symbols:
- MCA: Minimum Circuit Amps (A)
- MOP: Maximum Overcurrent Protection (A)
- COMP: Compressor
- RHz: Rated Operating Frequency (Hz)
- A: Compressor Input Current (A)
- OFM: Outdoor Fan Motor
- IFM: Indoor Fan Motor
- kW: Fan Motor Rated Output (kW)
- MOC: Maximum Operating Current (A)
Notes:
- RHz is the max frequency that comes in cooling operation and heating operation.
- RLA is the max current that comes in cooling operatio and heating operation.3
- Maximum allowable voltage that is unbalance between phases is 2%.
- Select wire size based on the larger value of MCA.
- Use circuit breaker instead of fuse

![Goodman Ftxng-a Series Inverter Split Unit Air Conditioner Wall Mounted Heatpump [60hz] User Manual Goodman Ftxng-a Series Inverter Split Unit Air Conditioner Wall Mounted Heatpump [60hz] User Manual](https://static-data1.manualsee.com/2/img/497/7559369/2023/04/Screenshot_1-Copy-33.jpg)


















