EXCAVATOR
MOUNTED COMPACTOR
IHC150MODEL
CREATING SAFE WORKING ENVIRONMENTS
mgf.co.uk
CREATING SAFE
WORKING ENVIRONMENTS
With 40 years of experience, MGF is a privately-owned company whose primary focus is the provision of fully engineered excavation support solutions to the civil engineering, construction, rail and utilities sectors. We combine technical expertise and operational performance to ensure the highest levels of customer service. With a focus on developing and promoting industry best practice in excavation safety we aim to assist our customers in creating safe working environments for their employees.
CUSTOMER SERVICE AND SUPPORT
The hire and sale of our products is fully supported by our team of qualified engineers, experienced Technical Sales Representatives, hire desk and operational staff. Our hire centres provide the focal point for service delivery where our hire desk team will be pleased to receive your enquiry.
DELIVERY CAPABILITIES
Our dedicated fleet of vehicles offer a flexible solution to quickly meet our customers delivery needs throughout the UK. We partner with several global shipping companies to ensure we can quickly deliver our products on a global scale.

INTRODUCTION
Excavator mounted compactors (also named compaction plates) can be used to provide safe, fast, efficient compaction for surfaces including soil sand gravel hardcore or recycled materials.
In addition to open areas, they can also be used within excavations and on embankments.
They can be used to drive in piles or formwork.
They work quickly and economically and are easy for even inexperienced operators to use.
There are many safety benefits to using an Excavator Mounted Compactor Plate as they can be operated remotely completely removing humans from hazardous area.
Areas of use include:
- Floor levelling
- Soil compaction
- Trench compaction
- Foundation pile driving
- Compaction around pillars
- Guard rail driving
- Asphalt repair
- Maintenance work

TECHNICAL DATA

| Excavator Range | 8 to 22 Tons |
| Equipment Weight | 970 Kg |
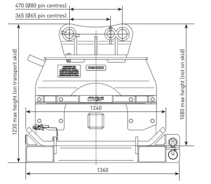
| Height | 790mm |
| Baseplate size | 710 x 1200mm |
| Centrifugal Force | 10’000 Kgf (98 KN) |
| Compacting Force | 1.8 Kg/cm2 (17.7 N/cm ) |
| Frequency | 2000 rpm 33hz |
| Oil Flow to motor | 120 L/min |
| Max Working Pressure adjusted to the excavator | 200 bar |
| Max Backpressure | 21 bar |
Note: Weights stated above do not include QH connection bracket.
IHC150 – CENTRIFUGAL FORCE – VS – FLOW IN

PARTS DESCRIPTION/ IDENTIFICATION

Each Lift point (4 total) has 1.0 Tonne WLL (FOS 6.0)
| 1 | Quick Hitch Connection Bracket |
| 2 | Compactor |
| 3 | Motor Impact Guard |
| 4 | Hydraulic Connections (on compactor) |
| 5 | Elastomer Block – or – Cushion Plate |
| 6 | Transport Skid (compatible with 7t – 15t Forklift) |
| 7 | Alternate size QH Bracket Pins (IHC 150 only – Ø65 & Ø80 pin options provided) |
| 8 | Spare QH Pin – Locking Bar |
| 9 | 4 x Lift Point (suitable for – MGF Std Duty 4 Leg Chain) |
| 10 | 4 x Ratchet Strap attachment points – see blue lines in image above for strap pathway |
COMPONENT WEIGHTS & DIMENSIONS


IHC150 WEIGHTS:
- Compactor IHC150 = 800kg
- Quick Hitch Connection Bracket (with 2 pins fitted) = 190kg
- Spare Pins (2off) = 30kg total (15kg ea)
- Carry Frame = 208kg
- Max In-Use Weight Total (no skid) = 1000kg
- Max Transport Weight Total (with skid 7 spare pins) = 1230kg
RISK ASSESSMENT CHECKLIST
- Consult manufacturers manuals before use of any equipment / plant if in doubt
- Ensure a pre-hire checklist has been completed
- All site activity must be thoroughly planned before work commences to identify hazards and assess risks
- Ensure that a site/task specific Risk Assessment/Method Statement has been prepared prior to use
- Ensure that lifting operations have been appropriately planned prior to use
- Ensure that all associated equipment is of sound condition, rated appropriately and is tested in accordance with legislative requirements
CONSIDER THE FOLLOWING WHEN PREPARING YOUR RAMS
The following list is not exhaustive:
- Have all relevant persons been consulted prior to operations commencing
- The selection of competent fitters and operatives and slinger/bankspersons
- Items that could fall from height
- High pressure fluid injection
- Overturning of plant/equipment
- Proximity of operatives
- Third parties and plant in proximity of operations
- Trapping/impact and other mechanical hazards
- Heat from compactor when in use and post use
- Proximity of overhead cables and underground services
- Ground conditions
- Flying Stone chips/etc – due to compaction
- Environmental impacts
- Ensure that Temporary Works Coordinators (TWC) and Temporary Works Supervisors (TWS) have been consulted prior to operations commencing
- For any non standard applications (or if application in doubt) – a suitably qualified engineer should be consulted for approval
- Ensure appropriate PPE is specified and worn. This should include both eye and ear protection, in addition to other PPE required by site
- Ensure all personnel are properly briefed and adequately supervised by a competent person(s)
- Ensure control measures are in place for the protection of operatives, third parties, plant and structures in the proximity of operations prior to them commencing
- Any excavator fitted with a compactor should only be operated from stable ground
- Ensure any overhead cable hazards and associated risks are identified and controlled
- Ensure that regular checks are carried out to ensure that hazards are controlled and the equipment is in good working order
- Ground vibrations may lead to substantial nuisance or hazard to the adjoining areas.
*MGF Ground Vibration Monitors are available for hire. - Improper use of the compactor can lead to dangerous situations
DO’S/DON’TS
DO’S:
- Wear appropriate safety equipment
- Only operate the compactor if you are suitably qualified and competent to do so
- Ensure the excavator has sufficient load (tonnage) capacity for the compactor being used
- Ensure the quick hitch is fully locked and all hydraulic connections are secure and leak free
- Set up and enforce an ‘Exclusion Zone’
- Complete all the required weekly, daily and pre-use checks and report any defects
- Ensure there is always visual contact between the operator and any operatives near operations
- Monitor the compactor operation constantly, interrupt the process immediately if there are operational issues or any dangerous (or suspected dangerous) situation occurs
- Follow the agreed (and briefed) safe system of work/RAMS
- Be aware of any buried services (gas water pipes – or electric cable)
- Use the compactor flat to the surface being compacted
- Store the compactor in a safe clean area, on or with its transport skid when not in use
- Place compactor onto transport skid and fit ratchet straps when ready for recollection
Have hydraulic spill kits available (can be sourced from MGF) before commencing works - Employ Safe manual handling techniques where applicable
DONT’S:
- Do not operate the compactor if anyone is in the exclusion zone
- Do not enter the ‘Exclusion Zone’ if the compactor is being operated
- Do not use the compactor if it is faulty in any way
- Do not touch the compactor during the operating process (even if the excavator is switched off) as it can become hot
- Do not over compact and this can lead to services damage. If in doubt STOP and consult relevant engineers
- Do not submerge the compactor in water or operate submerged
- Do not obscure the ‘line of sight’ of the operator
- Do not use excessive force to disconnect quick release couplings, if they will not disconnect by normal force they likely have pressure trapped within them. (see section 8). Do not use levers or tools to force fittings apart as this can result in damage/charges and could lead to operatives being sprayed by forced hot oil
- Do not re-use nylon nuts on vibration equipment, use a new part when re-fitting
- Do not put yourself or other in danger of falling from the excavator or equipment during fitting or use
- Do not operate the compactor whilst moving the excavator or travelling across site
- Do not position or pass the compactor above or over operatives. No one should ever be under the compactor even whilst moving position
- Do not expose operatives to danger of ‘Working at Height’ – when connecting or disconnecting hoses. Always lower and position the excavator stick arm to assist and minimise working from height
COMPACTOR OPERATION
7.1 DELIVERY
The compactor will be supplied on a transport skid. Choose an area where the skid can be left and the compactor can be placed when not in use. It is suggested to move the skid to this area.
If moving the skid at any point the ratchet straps must always be used and secured.
(For IHC150 only) the compactor will be supplied with a Quick Hitch bracket that can have either Ø65 or Ø80 pin options fitted.
Pre-hire the customer can specify which size connection is preferred and MGF will supply the compactor in this configuration. The Quick Hitch bracket is inspected as per LOLER pre-hire, but this inspection is void if customer changes configuration themselves.
Whichever pin size is not fitted the spare pins are secured to and located on the transport skid.
If the customer wishes they can swap the pin configuration, but this is done at their own risk and they are entirely responsible for any misfitting outcomes, with no liability to MGF.
***Note: Rear pin in 65 configuration is dog bone shaped – inner section is Ø65, with two outer Ø80 sections for where it engages in bracket.
**Note: Rear pin in 80 config is a pin Ø80 across its full length.
Note: Each pin must be secured to Quick Hitch bracket – via 2 off M20 bolts and 2 off (unused before fitting) M20 Nyloc nuts.
Failure to correctly secure pins could result in equipment falling from the excavator during use.
Pins not being used should be stored in the purpose made area on the transport skid and secured using the locking pin.
Remove ratchet straps and the compactor can either be lifted from the skid using slings securely passed through/around the compactors quick hitch pins – or the excavator can connect to the QH bracket, and once locked to the excavator quick hitch the compactor can be moved or lifted via that connection.
7.2 CONNECTING TO THE COMPACTOR VIA AN EXCAVATOR QUICK HITCH
If a bucket is attached, remove from the Quick Hitch coupler by following the relevant manufacturer’s instructions.
Place the dipper arm to ground level and shut down the excavator prior to connecting the hydraulic auxiliary pipes to the connectors.
Engage the coupler to the pins and curl/crowd the coupler.
If using a fully automatic Quick Hitch, continue to fully curl/crowd the head. Switch to the ‘attach’ or ‘on’ position: the buzzer will cease. Hold the crowd lever for approximately 5 – 10 seconds to allow the hook to fully engage and clamp.
Note: For use of other types of Quick Hitch, refer to the relevant manufacturer’s instructions.
BEFORE OPERATING THE MACHINE, THE OPERATOR SHOULD EXIT THE CAB AND, FROM A SAFE AREA, PERFORM A VISUAL CHECK TO ENSURE THE HOOK HAS FULLY ENGAGED THE PINS.
7.3 CONNECTING THE HYDRAULIC LINES
IT IS ADVISED THAT THE COMPACTOR SHOULD BE FITTED BY AN MGF SERVICE ENGINEER MAKING THE NECESSARY HOSE CONNECTIONS AND CHECKING FOR FULL FUNCTIONALITY. THE COMPACTOR SHOULD ONLY BE OPERATED BY SUITABLY TRAINED PERSONNEL.
SAFETY NOTES
- Extreme care and adequate precautions must always be taken to prevent trapping fingers during connections or disconnections
- Do not use excessive force to disconnect quick release couplings – if they will not disconnect by normal force they likely have pressure trapped within them. (See ection 8) – do not use levers or tools to force fittings apart as this can result in damage/charges and could lead to operatives being sprayed by pressured hot oil.
- Ensure the compactor is only ever fitted to uni-directional flow systems, unrestricted back to tank
- An MGF fitter will set up and identify hoses – by putting RED PVC tape around the ‘flow in’ designated hose on the compactor. Red tape around also around the excavator flow out QR fitting. Operatives can just match ‘red – to – red’ when connecting
- The compactor will be fitted with TWO Male QR fittings – flow in to be identified by red PVC tape. (Image right shows In – Out orientation of Compactor – ref for fitters)
- Excavator will be checked to have/or adapted to have TWO Female QRS fittings -flow out identified by red PVC tape

7.4 PRE-USE CHECKS
When all installation works are completed, check the following before operating the compactor.
While moving the excavator’s bucket cylinder slowly in and out in the direction of ‘crowd’ and ‘dump’, check:
For any interference or obstruction between the compactor and excavator Whether the length of the connecting hoses are too short or too long For any twisting, excessive bending or squeezing of the connecting hoses The fixing status of the mounting pins
While lifting the compactor above the ground (no-loading condition), check:
Whether the compactor runs normally without delay when the operating switch is pressed ON, and that it stops when OFF
For any oil leaks from hoses, fittings, hydraulic motor or motor control valve For loosening of bolts or nuts
For cracking or tears in the elastomers
If any abnormal vibration or noise occurs while the compactor is running
7.5 OPERATING INSTRUCTIONS
- Place the compactor uniformly on the ground you want to compact
- Lower the excavator’s boom slowly to press the compactor vertically to the ground Ensure that the Elastomer Block is deformed/stretched less than 40mm. If the Elastomer Block is pressed more than the specified limit, it may be damaged or its life might be shortened
- If you operate the compactor, having touched a very hard object such as a concrete floor or bedrock, it would apply a very high impact which may result in a serious damage
- When the ground starts to be lowered by compacting, lower the excavator’s boom gradually and keep a constant applying pressure: ensure the elastomer block is not excessively stretched/deformed
- When compacting a wide area, advance working positions sequentially in a uniform direction with some overlapped area
- For normal soil condition, recommended working time is 5 – 10 seconds. Operating continuously for long periods will not improve compacting and may result in damage to the compactor
7.6 GENERAL ADVISE/INSTRUCTIONS
- Keep Compactor Plate level to the floor/ground being compacted and apply a vertical force
- Do not use the compactor as a breaker – or use it to push heavy items or plant onsite
- Do not support the excavator with the compactor – i.e. jack the excavator off the floor
- Do not apply excessive force
- Do not use the compactor for crane work or use to lift or pull objects
- Do not use underwater or submerge the compactor in water
- Temperature range for compactor oil – max 180F/82°C, min temp is 32°F/0°C. Idle the excavator till warm and operate compactor unloaded if below min temperature
- Groundworkers should wear masks/filters and any other appropriate PPE if dust an issue, or use dampening if an option
MAINTENANCE
SERVICING AND MAINTENANCE OF COMPACTORS TO BE CARRIED OUT BY MGF ONLY. DO NOT ATTEMPT TO CARRY OUT MAINTENANCE OR REPAIRS.
IHC150 = Reservoir Capacity = 4.8L (85/90W Gear Oil)
CHECKS / FREQUENCY OF CHECKS
DAILY:
Check Quick Hitch connecting bracket for loose cracked or missing bolts (this is both mounting bolts, and pin securing bolts)
Examine hydraulic hoses for leaking or signs of excessive abrasion
Visually inspect compactor for any signs of damage
Check hydraulic hose quick release fitting for secure fix or any signs or leakage
Check return line connection – if it becomes restricted or pinched motor failure/damage charges could occur
WEEKLY:
Check fasteners for tightness. Any replacement fasteners must be the same size specification and grade as originals
Inspect Elastomer Blocks for signs of tearing, or damage Check oil level in Compactor reservoir (To check oil level – remove 3/8” NPT plug from side of oil reservoir on the base plate assembly of the compactor. Operating oil level should be flush with the bottom of the plug hole)
STEPS TO ATTEMPT RELEASE OF HYDRAULIC PRESSURE IN ‘PECKER CIRCUIT’ OF AN EXCAVATOR
ISSUE = WHEN ATTEMPTING TO RELEASE OR USE THE ‘QUICK RELEASE’ COUPLINGS OF THE COMPACTOR FROM AN EXCAVATOR ‘PECKER CIRCUIT’, PRESSURE CAN BE TRAPPED IN THE CIRCUIT WHICH MEANS THE QUICK RELEASE COUPLINGS ARE VERY HARD TO OPERATE, OR CANNOT BE OPERATED DUE TO THE PRESSURE. 


WHAT IS HAPPENING BY THESE ACTIONS?
Modern excavators have a pressure accumulator built into them. This can be thought of as a small capacity hydraulic battery.
What we are doing with the above steps, is to use the hydraulic power in the accumulator, to open or move the spool in the pecker circuit, which releases the pressure in the hydraulic line.
PROBLEM SOLVING
If experiencing issues with releasing the pressure:
a. Repeat the above steps several times
b. Complete the steps within approx. a 30 second period. (reason – accumulator pressure can drop over time due to wear or seal leakage. A newer machine will give you more time to complete the steps etc.)
If pressure cannot be released by this method contact an MGF fitter.
FOR MORE INFORMATION, CONTACT OUR TEAM
[email protected] mgf.co.uk
OUR COMPLEMENTARY SERVICE FOR THE FITTING AND USE OF EMVS, AUGERS & COMPACTORS
Delivery/collection and de/installation charges apply

| HEAD OFFICE GRANT HOUSE LOCKETT ROAD ASHTON IN MAKERFIELD WIGAN, WN4 8DE T: 01942 402700 | ENGINEERING CENTRE FOUNDATION HOUSE WALLWORK ROAD ASTLEY, MANCHESTER M29 7JT T: 01942 402704 |
mgf.co.uk
[email protected]
EXCAVATION SAFETY
STRUCTURAL
SUPPORT
MGF.CO.UK
[email protected]
Astley | Bristol | Castleford | Dartford | Durham | Exeter | Livingston | Rugeley | Stanton | Tring
Warrington | Wigan

















