Rollei DF-S 1300 SE Slide Film Scanner

Before the first Use
Please read the operating instructions and the safety instructions carefully before using the device for the first time.
Keep the operating instructions together with the device for future use. If you pass on the device to a third party, this manual is part of the device and must be supplied with the device.
Explanation of Symbols
The following symbols are used in this manual, slide film scanner, the power supply unit or on the packaging.
Products marked with this symbol comply with all relevant community regulations of the European Economic Area.
Products marked with this symbol are operated with direct current.
Products with this symbol have additional or reinforced insulation and comply with protection class II.
For indoor use only. Devices with this symbol may only be operated indoors (dry environment).
Introduction
Thank you for purchasing the Rollei Slide Film Scanner DF-S 1300 SE. Easily convert your negatives and slides into digital images that you can save and store. Store your precious memories on an SD card (not included) or directly on your computer. You can also connect the slide film scanner directly to a TV to view the images. This product is for home use only.
This user manual is intended to provide you with guidelines to ensure that the operation of this product is safe and does not pose any risks to the user. Any use that does not comply with the guidelines described in this user manual may void the limited warranty.
Box Content

- Slide film scanner
- Negative holder
- Slide holder
- 110 mm film holder
- 110 mm film inserter
- 8 mm / super8 holder
- Slider
- USB-C cable
- HDMI cable
- Power supply unit
- Cleaning brush
- Instruction manual
Product Overview
Front
- Setting button
- On / off button
- Left button
- Right button
- OK button
- Playback button
- CAPTURE button
- Holder slot
- LCD monitor
Rear - USB-C port
- SD memory card slot
- HDMI output
Note: The illustrations are for illustrative purposes only and may differ from the actual product.
Inserting Slides / Negatives
Important: Make sure your films / slides are clean and free of dirt and debris.
- Open the appropriate slide / negative holder and insert the negatives / slide. Each holder is labelled to identify it. If you are not sure which type of negative / slide it is, refer to the following illustrations.
Slide holder and inserter

Negative holder and inserter 
- Close the slide / negative holder and press the edges together until they click into place.
- Make sure that the slide / negative is facing the right way and is not bent. You can centre the slide / negative by manually aligning it to the left or right.
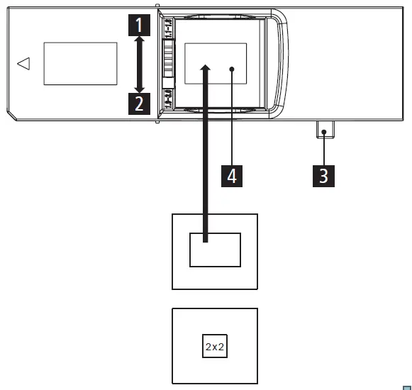
Slider
- Place the slides in the recess [4].
- Make sure that the slides are inserted upside down.
- If your slides are less than 1.9 mm thick, set the switch to the 1.1-1.8 position [1].
- If your slides are thicker than 1.9 mm, set the switch to the 1.9-3.0 position [2].
Note: If you do not know the thickness of your slides, leave this switch alone. However, if your slides get stuck in the slide feeder, remove the slide feeder, set the switch to the opposite position and try again.
- Insert the slide slider [3] into the device from the right.
- Press the slider from right to left to insert the slides one by one into the device.
Using the Device
Getting started
- Insert an SD card (not supplied) into the SD card slot on the back of the slide film scanner with the label facing up. The SD card will click into place when properly inserted.
Remove the SD card by pressing on it until it clicks into place and pops out, then remove it from the slot.
Note: This slide film scanner accepts SD, SDHC and SDHX cards with a maximum of 64 GB as additio-nal memory. Format the SD card if it is not initially compatible with the device. If you want to keep the contents of the SD card, store it in another location before formatting it.
Button explanation
- Setting button: Press this button to enter the SETTING mode.
- Power button: Press it to turn the device on / off.
- Left button: Move to the left or follow the information on the display.
- Right button: Move to the right or follow the information on the display.
- OK button: Press this button to enter, save / exit or save / reset the selected instructions.
- Playback button: Press it to enter the PLAYBACK mode.
- CAPTURE button: Press this button to enter LIVE VIEW / CAPTURE mode.
Note: There is a difference between SAVE / EXIT and SAVE / BACK.
SAVE / EXIT: Takes you back to the start page.
SAVE / BACK: Takes you back to the submenu you are currently using.
The home screen has 3 submenus: PLAYBACK, CAPTURE and SETTING.
Note: The device automatically switches to record mode when you press the CAPTURE button.
Recording Mode
Taking pictures
Press the CAPTURE button [7] to switch to capture mode. The loaded picture is displayed on the LCD monitor. Press the OK button [5] or the CAPTURE button [7] to preview the image
- Press the CAPTURE button [7] to capture and save an image. The screen displays ”SAVE..“.
Note: An error message is displayed on the LCD monitor for 3 seconds.- If the SD card is full, ”ERROR: MEMORY FULL“ is displayed.
- If no memory card is inserted, ”ERROR: NO SD CARD“ appears.

- Press the left / right button [3 / 4] to display the status bar at the top and bottom of the screen.
Note: The status bar will disappear after 15 seconds, or press the CAPTURE button to return to preview mode.

- Press the left / right button [3 / 4] to select the top settings.
- Then press the OK button [5] to apply the selected setting.
- By selecting
, gives you a preview of the current picture. - By selecting
, you can flip the current picture horizontally. - By selecting
, you can flip the current picture vertically. - By selecting
, takes you to the menu to set the EV, RGB or Sharpness values
Recording Mode
Adjusting brightness, colour and sharpness
- Press the OK button [5] to select
, then press the right button [4] to enter the COLOUR SETTING.
Under COLOUR SETTING there are 5 settings:
EV= Brightness, R= Red, G= Green, B= Blue, SHARPNESS and RESET= Default setting for Brightness, Colour and Sharpness.
- Press the right button [4] to select the desired setting (use EV as an example), then press the OK button [5] to enter the adjustment menu.


- Press the left / right button [3 / 4] to make the adjustment, then press the OK button [5] to save the adjusted data and return to the submenu, and press the left button [3] to select another setting.
Note: The settings will be reset to the default setting of ”0“ after the slide film scanner is restarted.
Setting Mode
Press the setting button [1] on the start page to enter SETTING MODE; there are 6 settings in this mode:
- FILM TYPE
- RESOLUTION
- TV STANDARD
- USB-UPLOAD
- FORMAT
- LANGUAGE
Press the left / right button [3 / 4] to select the desired setting and then press the OK button [5] to enter the submenu.
FILM TYPE
The film type includes the following film /
slide formats:
- NEGATIVE: 135, 110, 126KPK
- SLIDE: 135, 110, 126KPK, SUPER8, 8MM
- BLACK / WHITE: 135, 110, 126KPK
- Press the left / right button [3 / 4] to select FILM TYPE in the settings menu, and then press the OK button [5] to display the FILM TYPE menu


- Press the right button [4] to select NEGATIVE, SLIDE, BLACK & WHITE (use NEGATIVE as an example), select NEGATIVE and press the OK button [5] to open the negative submenu.
- Press the right button [4] to select the film format (135, 110, 126KPK), select 135 (use for example 135) and press the OK button [5] to access the required holders and insert information.
The display disappears after 5 seconds, saves the selection and takes you to the start menu.
RESOLUTION
- Select RESOLUTION from the Settings menu, then press the OK button [5] to access the RESOLUTION menu.

- Press the right button [4] to select 16M or 25M (M= megapixels), then press the OK button [5] to exit the menu.
TV STANDARD
- Select TV STANDARD from the Settings menu, then press the OK button to enter the TV STAN-DARD menu.
- Press the right button [4] to select PAL or NTSC, then press the OK button [5] (under SAVE / EXIT) to enter the menu.
USB-UPLOAD
In this mode you can access your SD card from your computer.
Note: While connected to a computer, you cannot use the slide film scanner.
- Use the supplied USB-C cable to connect the slide film scanner directly to a computer.
- Select USB-UPLOAD from the settings menu, then press the OK button [5] to enter the USB-UPLOAD menu. Wait for the slide film scanner to connect to the computer. This may take a few seconds.
When the connection is established, the computer recognises the slide film scanner as an external device. - When you are finished, press the disconnect button and then disconnect the USB-C cable.
FORMAT
Note! If you format the inserted SD card, all files on that card will be deleted. Save the files you need on your computer before formatting. If the SD card is not compatible, format it on your computer.
- Select FORMAT from the settings menu, then press the OK button [5] to enter the format menu.
- Press the right button [4] to format the inserted SD card and go to the HOME menu.
- Press the left button [3] to return to the current card submenu.
LANGUAGE
You can choose from these languages:
- German, English, Spanish, Italian, French, Portuguese, Dutch, Czech, Polish, Hungarian, Greek, Swedish, Danish, Finnish, Japanese
- Select LANGUAGE from the settings menu, then press the OK button [5] to enter the language menu.
- Press the right button [4] to select the language you want.
- Press the OK button [5] to save the selected language and return to the start menu.
Playback Mode
- Press the playback button [6] to enter playback mode.
- Press the left / right button [3 / 4] to scroll through the pictures.
- If you want to edit an image, press the OK button [5] when the image appears on the screen.
- Press the right button [4] to select ROTATE, MIRROR, DELETE and SLIDE- SHOW. Press the OK button [5] to call up the selected output.

- Select
, then press the OK button [5] to set the rotation. - Select
, then press the OK button [5] to enter the horizontal mirroring / vertical mirroring setting. - Select
, then press the OK button [5] to enter delete mode. - Select
, then press the OK button [5] to enter slideshow mode.
Playback Mode
ROTATE
- Enter the ”Rotate” setting as described above.
- Use the left / right button [3 / 4] to rotate the picture.
MIRROR
- Enter the setting for horizontal mirroring /vertical mirroring as described above
- Press the left button [3] to flip the image vertically (B).
- Press the right button [4] to flip the image horizontally (A).
DELETE
- Enter delete mode as described above.
- Press the right button [4] to delete the current
picture and enter the picture preview mode. 3. Press the left button [3] to go to the start screen.
SLIDESHOW
- Enter the slideshow mode as described above.
- Press the OK button [5] to pause / play the next saved picture.
- Press the left button [3] to return to the start
Technical Data
| Image sensor | 14 megapixel CMOS sensor |
| Scan quality | 16 megapixels / 25 megapixels |
| Lens | Precision multi-element lens |
| LCD monitor | 5″ colour TFT LCD |
| Focus range | Fixed focus |
| Supported film types Automatic conversion | Colour negative film: 135, 126, 110 mm | Black / White, negative film: 135, 126, 110 mm | Slides: 135, 126, 110, 8 mm, Super8 |
| Exposure control | Automatic, with 7 steps manual adjustment |
| Colour balance | Automatic, with 7 levels of manual adjustment |
| Scan quality | 3300 dpi, 4300 dpi (interpolated) for 135 mm film |
| Data conversion | 10 bits |
| File output | JPEG |
| Light source | Backlight (4 cool white LEDs) |
| External memory | SD / MMC compatible (up to 64 GB SDHC) |
| Power supply | DC 5 V 1 A adapter |
| Power supply unit | Manufacturer Cullpower, Model: SAW06B-050-1000G Input: 100 ~ 240 V / 50 / 60 Hz / 0 .3 A | Output: 5 V 1 A / 5 W |
| Connections | SD card slot, HDMI,USB-C connector |
| Languages | German, English, Spanish, Italian, French, Portuguese, Dutch, Czech, Polish, Hungarian, Greek, Swedish, Danish, Finnish, Japanese |
| Dimensions | 13 .6 x 13 .2 x 9 .7 cm |
| Weight | 498 g |
| Box content | Slide film scanner, negative holder, slide holder, 110-mm film holder, 110 mm film inserter, 8 mm / super8 holder, slider, USB-C cable, HDMI cable, power supply unit, cleaning brush and operating instructions |
Technical details are subject to change without notice. Misprints and errors excepted. Reproduction of these operating instructions – even in part – is not permitted.
Safety Instructions
- Warning: This product contains small parts and is not suitable for children under 3 years.
- Warning: Do not attempt to disassemble or modify this appliance. This appliance does not contain any user-serviceable parts.
- Important. Do not expose this product to liquids or high humidity.
- Do not handle the device with wet hands. There is a risk of electric shock.
- Do not block any ventilation openings.
- Do not operate this appliance near any heat sources such as radiators or stoves.
- Do not move the device or disconnect it from the computer while the device is reading or writing data. This may cause damage to the data and / or the device.
- Remove all packing materials before using the device. Keep all packing materials out of the reach of children and pets.
- Always switch off and unplug the device when not in use. Disconnect the USB-C cable from your compu-ter and unplug the power adapter from the wall socket.
- Dispose of all packaging materials immediately after unpacking the product, as the bags used for packa-ging could pose a choking hazard.
Intended use
The scanner may only be used to take photos and videos. It is only suitable for private and not for commer-cial use. You may use the Gimbal only as described in the instruction manual. Any other use is considered improper and may cause damage to property and loss of data. Manufacturers or dealers accept no liability for damage resulting from improper or incorrect use.
Danger from electric current!
Faulty electrical installations or excessive mains voltage can cause electric shock.
- Only connect the Gimbal if the mains voltage of the USB socket matches the specifications on the type plate.
- Only connect the Gimbal to an easily accessible power outlet so that you can disconnect it quickly from the mains if problems occur.
- Do not use the scanner if it is visibly damaged or if the cable is defective.
- If the scanner or its accessories are damaged, they must be replaced or repaired by the manufacturer, its service department or a similarly qualified person in order to avoid hazards.
- The housing must not be opened and repairs must only be carried out by a specialist. Contact a specialist workshop for this purpose. All liability and warranty claims are excluded in the event of repairs by the user, improper connection or incorrect operation.
- Do not immerse the scanner or cable in water or other liquids.
- Never touch the scanner with wet hands.
- Do not place objects with open flames, such as candles, or objects filled with liquid, such as a vase, on the product.
- Keep scanner and cable away from open flames and hot surfaces.
- Route the power cord so that it does not present a trip hazard.
- Do not bend the power cord or lay it over sharp edges.
- Never store the scanner in a place where it could fall into a tub or sink.
- Never touch an electrical appliance that has fallen into water.
- Do not expose the built-in battery to strong heat such as sunlight, fire, etc. Risk of fire and explosion.
- If you do not use the Gimbal for a longer period of time or if a device malfunction occurs, be sure to switch off the device.
CAUTION! Danger to children and persons with limited physical, sensory or mental abilities (e.g. partially disabled, elderly persons with limited physical and mental abilities) or lack of experience and know-how (e.g. elderly children).
- This scanner may be used by persons with limited physical, sensory or mental abilities or lack of experience and know-how, provided that they are supervised or have received instructions for the safe use of the scanner and understand the potential hazards arising from its use. Children must not play with the scanner. The scanner must not be cleaned or cared for by children. Keep children under the age of eight away from the scanner.
- Do not insert any objects into the scanner.
- Do not leave the scanner unattended during operation.
- Do not place the scanner on the edge or edge of a work surface.
- Do not expose the scanner to high temperatures (e.g. heating heat). Never pour liquids on the scanner.
- Do not immerse the scanner in water for cleaning and do not use a steam cleaner. Otherwise the scanner could be damaged.
- Do not use the scanner if cracks or cracks appear on any part or if any part is deformed. Only replace dama-ged parts with original spare parts.
- Damage to the electronics or accessories due to external influences such as impact, dropping or other influences are not covered by the warranty and repairs are subject to a charge.
Disposal
Dispose of the packaging according to its type.
Use the local possibilities for collecting paper, cardboard and other materials (applicable in the European Union and other European countries with systems for the separate collection of recyclable materials).
Devices that are marked with this symbol must not be disposed of with household waste!
You are legally obliged to dispose of old devices separately from to dispose of household waste. Information on collection points that accept old appliances free of charge can be obtained from your local authority or town council.
Conformity
Rollei GmbH & Co. KG that this device complies with the following directives.
2014 / 30 / EU EMC Directive
2014 / 35 / EU Low Voltage Directive 2009 / 125 / EC ERP Directive
2011 / 65 / EU RoHs Directive
The full text of the EU Declaration of Conformity is available at the following internet address: http://www.rollei.com/egk/dfs1300se
Rollei GmbH & Co. KG
In der Tarpen 42
22848 Norderstedt
Germany













ROTATE
















