ONE-PIECE ELONGATED SKIRTED TOILET
SKU 948414
User Guide 
FEATURES
Skirted bowl with concealed trapway.
Toilet with a standard seat meets ADA requirements when installed according to ADA guidelines.
High efficiency toilet uses 20% less water than standard toilets.
Toilet is Compatible with Brookdale Bidet Seat Slow-close seat and cover included.
Includes polished chrome metal flush lever.
SIGNATURE HARDWARE Lifetime Warranty
See website for detailed warranty information. 
| FEATURES | CODES/STANDARDS | PRODUCT IMAGE |
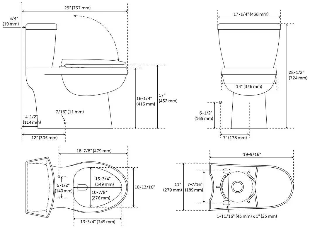
| Material: Porcelain Bowl Shape: Elongated Rough In 12° Length. 17-1/4″ Width 29′ Height: 28-1/2″° Bowl Height: 16-1/4″ Gallons Per Flush 1.28(4.8 Lpf) Hardware Finish Chrome Seat Included Yes | cUPC ASME A112.19.2/CSA B45.1 ADA Compliant (when installed according to ADA standards) WaterSense CEC Listed Massachusetts Accepted | ![]() |
All dimensions and specifications are nominal and may vary. Use actual products for accuracy in critical situations.
CODE. SHBD241$8$/SHBD241SWH
customer service: 1.800.221.33 79
signaturehardware.com














