


| REPAIR SHEET | |
| BRAND RYOBI | DESCRIPTION 18 Volt 1/2 in. 2-Speed Drill-Driver |
| MODEL NO. P208 | |

ONE WORLD TECHNOLOGIES, INC.
P.O. Box 1288, Anderson, SC 29622 •1-800-525-2579 • www.ryobitools.com 2-23-21 (Rev:03)
The model number and manufacturing location will be found on a label attached to the product. Always mention this information in all communications regarding this product and when ordering parts
PARTS LIST
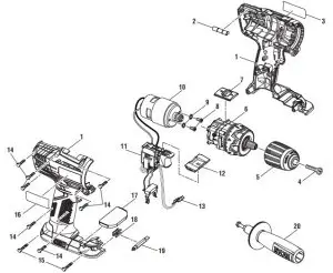
| KEY NO. | PART NO. | DESCRIPTION | QTY. | KEY NO. | PART NO. | DESCRIPTION | QTY. | |
| 1 | 304952001 | Housing Assembly | 1 | 12 | 522136001 | Forward / Reverse Button | 1 | |
| 2 | 303433002 | Top Level Assembly | 1 | 13 | 290804048 | LED Assembly | 1 | |
| 3 | 940114178 | Logo Label | 1 | 14 | 660031012 | Screw (M3.5 x 14 mm) | 7 | |
| 4 | 6613402 | Screw (Special) | 1 | 15 | 660419003 | Screw (M3.5 x 20 mm) | 2 | |
| 5 | 670794017 | Chuck | 1 | 16 | 940488311 | Data Label | 1 | |
| 6 | 201953002 | Clutch Cap and Gear Box Assembly | 1 | 17 | 303001042 | Magnet | 1 | |
| 7 | 350135001 | 2-Speed Change Knob | 1 | 18 | 630206007 | Bit Clip | 1 | |
| 8 | 660212005 | Screw (M4 x 8 mm) | 2 | 19 | 6782045 | Double Bit | 1 | |
| 9 | 670030004 | Spring Washer (OD7.2 x ID4.1 x 1t) | 2 | 20 | 303487004 | Auxiliary Handle | 1 | |
| 10 | 230079019 | Motor Assembly | 1 | Not Shown: | ||||
| 11 | 270016163 | Switch Assembly | 1 | 988000599 | Operator’s Manual |

WIRING DIAGRAM



















