Radial Studio-Q TM Talk Back Interface User Guide
Thank you for your purchase of the Studio-Q™ talkback box and cue system controller. The Studio-Q™ is a ruggedly built device designed to make communication easier in the recording studio by adding a talkback microphone into the cue system that feeds the artist’s headphones. Even though the Studio-Q™ is simple and easy to use, the best way to utilize its full functionality is to take a few minutes to review the manual and get to know the various features that are built into the unit before making your audio connections. This will save time when you first setup the Studio-Q™ and provide a hassle-free experience. If you happen to have a question that is not answered in this manual, please visit the Radial website and navigate to the Studio-Q™ FAQ page. This is where we post the latest updates on the Studio-Q™ as well as questions from other users that may be similar to your own. If you do not find the answer to your question on our website, please feel free to contact us via email at [email protected] and we will do our best to respond to you in short order. Now get ready to vastly improve the communication in your studio with this powerful, yet simple device.
OVERVIEW
The Studio-Q is a clever box that is designed to provide a basic talkback system for those that have a recording studio but may not have a large console with built-in talkback in the control room. It easily integrates with recording workstations by connecting to an available mono or stereo output. Once connected it allows the engineer to speak on top of the program material to the artist using either the internal mic or an external one. The mic may be turned on using the main switch or activated remotely with a footswitch for hands-free operation. Once in use you will ask yourself how you ever managed without it!
FEATURES

- DIM: Used to lower the program volume to the desired level when the talkback mic is active.
- INT-MIC: Trim control used to adjust the internal capacitive microphone.
- EXT-MIC: Trim control used to adjust the external producer mic input.
- MIC: Internal omni-directional capacitive microphone.
- REMOTE ON BOTH: Engaged – Pressing either the talkback button or an external footswitch will activate both the internal and external mic’s. Disengaged – The talkback button will only activate the internal microphone and an external footswtich will only activate the external mic.
- MIC: Is the master output level for the two microphones.
- TALKBACK: Engages both the internal and external microphone (if connected)and dims the program level.
- PROGRAM: Used to set the level of the incoming pre-recorded tracks to the headphone system.
- DRY CONTACT/PWR: Sets the function of the remote output as a dry contact relay or to send power to a beacon.

- EXT MIC: XLR connection for the external producer microphone.
- PROGRAM INPUTS: ¼” TRS input for program material; L input may also be used in mono.
- OUTPUTS: ¼” TRS connections carry program material mixed with the talkback mic.
- REMOTE OUT: Dry contact output to control external relay or to send power to a beacon.
- REMOTE IN: Connection for Radial JR1-M™ momentary footswitch.
- CABLE LOCK: Prevents accidental disconnection from the power supply.
- POWER DC: Connection for 15V power supply
MAKING CONNECTIONS
As always turn off your audio equipment or turn down all volume controls before making connections. This will help you avoid plugin and turn-on transients that can damage more sensitive components like tweeters. There is no power switch on the Studio-Q; simply connecting the power cable from the 15VDC supply will automatically turn it on. Check for power by depressing the MIC switch. The LED above will illuminate. A handy cable clamp is provided to lock the cable and prevent accidental disconnection. Connect the output from your recording system to the Studio-Q using either balanced ¼” TRS or unbalanced ¼” TS cables. A balanced connection will typically yield about 6db more gain. From the Studio-Q connect the program output to your headphone amplifier.
Testing the audio
We suggest you set the Studio-Q controls to the start position as follows:
- Set the recessed DIM control to 12 o’clock
- Set recessed INT-MIC trim control to 3 o’clock
- Set the master MIC level to 7 o’clock (off)
- Set the PROGRAM level to 7 o’clock (off)
Connect a headphone amp to the output and set a track to play and slowly increase the master PROGRAM volume on the Studio-Q until a comfortable setting is found. Depress the TALKBACK switch, talk at a normal level and slowly turn up the master MIC level until you can hear your own voice comfortably over the music. You can also adjust the DIM control so that when the talkback mic is on the program material is reduced to a comfortable background level or even off.
Adding an external mic
The Studio-Q is equipped with a second mic input that will also feed the headphone system, allowing a producer or band member to speak to artists. This is designed for a standard dynamic microphone. Turning on the producer mic can be done via a remote footswitch like the JR1-M. To use the talkback button to activate an external mic, engage the REMOTE ON BOTH MICS recessed switch on the right side of the Studio-Q To test, follow the same procedure as above. Then set the recessed EXT-MIC level to 7 o’clock (off) . Press the TALKBACK switch and speak into the external microphone while slowly bringing up the EXT-MIC level. You will now want to compare the output between the INT and EXT (internal and external) microphones to make sure they are reasonably well balanced. You will then use the master MIC volume control to set the final gain. If you wish to only hear the output of the external microphone, simply turn the INT-MIC control fully counter-clockwise to mute it completely.
USING THE REMOTE CONTROL
Radial makes a footswitch called the JR1-M™. This momentary footswitch is able to control the Studio-Q remotely by connecting a simple ¼” TS cable. The JR1-M can be set up in two modes, one with LED and one without. For use with the Studio-Q, you must set the footswitch to operate without LEDs as they will not receive power from the Studio-Q. There are two reasons to have a remote footswitch. The first is that for some studio engineers they prefer to switch the talkback mic on or off using a footswitch as this allows them to be twisting knobs and pushing a mouse around while talking. The other is for the producer. He may be sitting at the back of the room talking into an external mic where he cannot reach the Studio-Q and being able to turn on the mic using a footswitch makes this easy. In both cases, the footswitch input improves productivity! Using a footswitch with the Studio-Q is as simple as plugging it into the REMOTE IN ¼” connector on the back of the unit. In normal operation the footswitch will only activate the external microphone, allowing a producer at the back of the room control over their microphone only. When the REMOTE ON BOTH MICS recessed switch on the side of the Studio-Q is activated then any connected footswitch will activate both microphones simultaneously.

USING THE REMOTE OUTPUT
The REMOTE OUT connection on the Studio-Q™ allows an external device to receive a switching signal when the TALKBACK switch is pressed so that a relay or beacon can be used to attract attention when needed.
There are two ways to set up the dry contact output:
- Switch set to OUT position – When the Talkback switch is pressed, this provides 12VDC at the remote out jack to operate a small light or to trigger a relay. The maximum current available at the output is 200mA. This output is NOT isolated from the internal circuitry of the Studio-Q™. Be careful as grounding either conductor anywhere may cause a ground loop.
- Switch set to IN position – When the Talkback switch is pressed, this provides a dry contact closure that is totally isolated from the internal circuitry of the Studio-Q. The line coming from this output may be exposed to a maximum peak voltage of 30V with a maximum current load of 500mA.

Remote out with 12VDC power
Remote out with contact closure
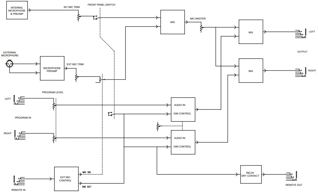
BLOCK DIAGRAM*

SPECIFICATIONS
Audio Circuit Type: Active with Opto FET dim circuits
Frequency Response – Program: 20Hz-20kHz +/-0.5dB
Noise Floor: 86dBu
Dynamic Range: 106dB
Maximum Input – Program: +14dBu
Intermodulation Distortion: <0.005%
Total Harmonic Distortion: <0.007%
Input Impedance Program: 20k Ohms
Input Impedance – EXT Mic 2k Ohms
Clip Level – 1/4” Outputs: +20dBu
Output Impedance – 1/4” Outputs: 225 Ohms
Maximum Gain – EXT Mic Input: +45dB
Dim Attenuation: -6dB to -80dB
Power: 15VDC 400mA, Center Pole Positive
Construction: Steel Enclosure
Warranty: Radial 3-year, transferable
RADIAL ENGINEERING 3 YEAR TRANSFERABLE WARRANTY
RADIAL ENGINEERING LTD. (“Radial”) warrants this product to be free from defects in material and workmanship and will remedy any such defects free of charge according to the terms of this warranty. Radial will repair or replace (at its option) any defective component(s) of this product (excluding finish and wear and tear on components under normal use) for a period of three (3) years from the original date of purchase. In the event that a particular product is no longer available, Radial reserves the right to replace the product with a similar product of equal or greater value. In the unlikely event that a defect is uncovered, please call 604-942-1001 or email [email protected] to obtain an RA number (Return Authorization number) before the 3 year warranty period expires. The product must be returned prepaid in the original shipping container (or equivalent) to Radial or to an authorized Radial repair center and you must assume the risk of loss or damage. A copy of the original invoice showing date of purchase and the dealer name must accompany any request for work to be performed under this limited and transferable warranty. This warranty shall not apply if the product has been damaged due to abuse, misuse, misapplication, accident or as a result of service or modification by any other than an authorized Radial repair center.
THERE ARE NO EXPRESSED WARRANTIES OTHER THAN THOSE ON THE FACE HEREOF AND DESCRIBED ABOVE. NO WARRANTIES WHETHER EXPRESSED OR IMPLIED, INCLUDING BUT NOT LIMITED TO, ANY IMPLIED WARRANTIES OF MERCHANTABILITY OR FITNESS FOR A PARTICULAR PURPOSE SHALL EXTEND BEYOND THE RESPECTIVE WARRANTY PERIOD DESCRIBED ABOVE OF THREE YEARS. RADIAL SHALL NOT BE RESPONSIBLE OR LIABLE FOR ANY SPECIAL, INCIDENTAL OR CONSEQUENTIAL DAMAGES OR LOSS ARISING FROM THE USE OF THIS PRODUCT. THIS WARRANTY GIVES YOU SPECIFIC LEGAL RIGHTS, AND YOU MAY ALSO HAVE OTHER RIGHTS, WHICH MAY VARY DEPENDING ON WHERE YOU LIVE AND WHERE THE PRODUCT WAS PURCHASED


















