Synergy LVRS Switch

IMPORTANT SAFETY INSTRUCTIONS
WARNING
To reduce the risk of death, injury or property damage from fire, electric shock, cuts, abrasions, falling parts, and other hazards
- Service of the equipment must be performed by qualified service personnel.
- Installation and maintenance must be performed by a person familiar with the construction and operation of this product and any hazards involved. All applicable codes and ordinances must be followed.
- Read this document before installing, servicing, or maintaining this equipment. These instructions do not cover all installation, service, and maintenance situations. If your situation is not covered, or if you do not understand these instructions or additional information is required, contact Synergy Lighting Controls.
WARNING
Before installing, servicing, or maintaining this equipment, follow these general precautions.
To reduce the risk of electrocution
- Make sure the equipment is properly grounded.
- Always de-energize any equipment before connecting to, disconnecting from, or servicing the equipment.
To reduce the risk of fire
- Use supply conductors with a minimum installation temperature rating as specified.
To reduce the risk of personal injury from cuts, abrasions
- Wear gloves to prevent cuts or abrasions from sharp edges when removing from carton, handling and maintaining this equipment.
- Do not install a damaged equipment.
Installation Instructions
Before You Start
- Install in accordance with the National Electrical Code and any other codes which may apply.
- Use only as intended.
Important Wiring Notes
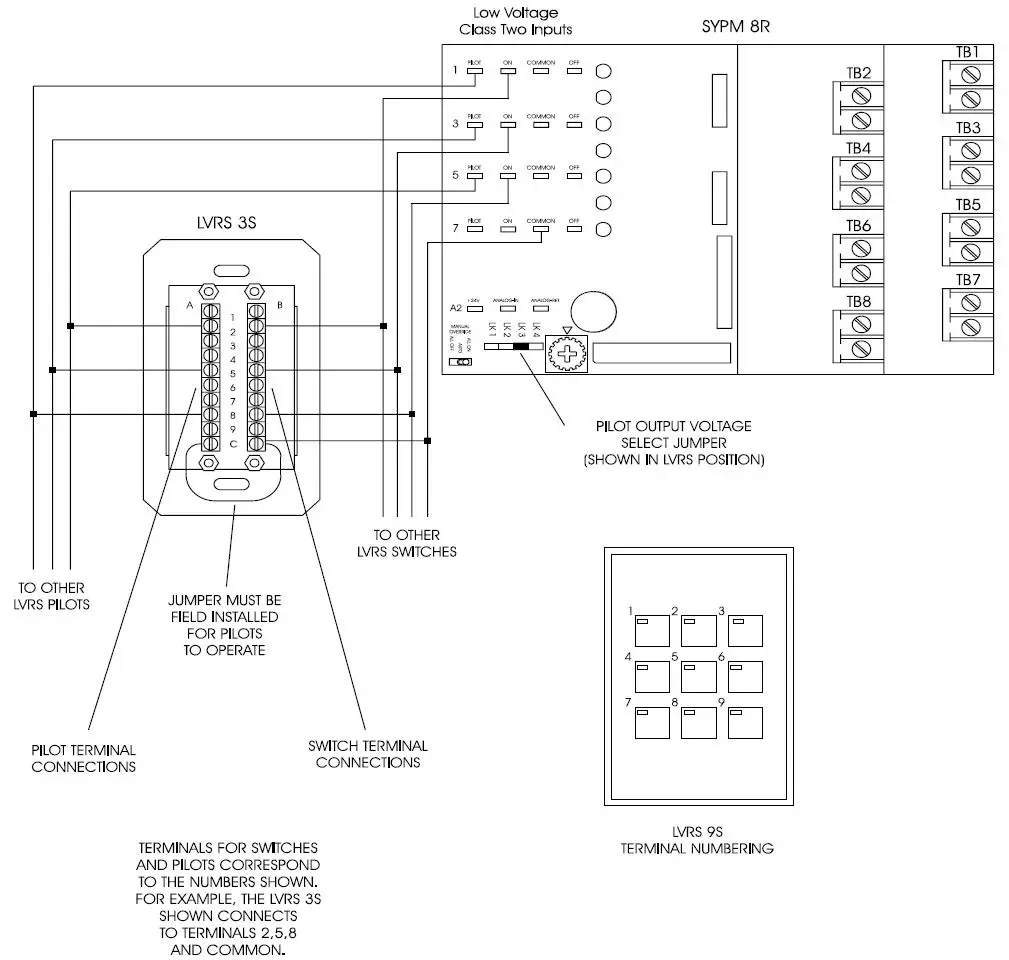
- Switches are Class 2 devices. Install according to local standards and codes.
- Do not install Class 2 and line voltage conductors in the same conduits or outlet boxes.
- For runs up to 500 feet, #18 AWG conductors may be used. For runs up to 1200 feet use #16 AWG conductors.
- Where excessive electrical noise is present use shielded cable.
- Place link jumper on relay module LK pilot output voltage selection jumper into “LK3” position, which outputs 20 VDC to pilot light. The pilot output of the relay module is associated with the RELAY status, not the input status. Connect the switch pilot to a relay that is to be included in the controlled group.
- Program switch input types as “ALTERNATE”.
- See Synergy Operation Manual for additional information about input programming.
- Consult factory for connection to systems other than Synergy. Contact Synergy Lighting Controls technical service between 8:00 AM and 5:PM EST Mon-Fri at 800-533-2719.
Visit Synergy Lighting Controls on the internet at http://www.synergylightingcontrols.com for further information on products, technical data or installation instructions.
Warranty
Synergy Lighting Controls warrants all equipment to be free from defect in manufacturing under normal and proper storage, installation, and operation for a period of one (1) year. Our guarantee liability extends only to the repair or replacement of the defective part and no labor charges for correction of the defect by repair or replacement will be honored by Synergy Lighting Controls unless prior written authorization has been granted by our Customer Service Department.
LVRS SWITCH

Synergy Lighting Controls Conyers Ga, 30012 TEL : (800)-533-2719 www.Synergylightingcontrols.com




















