Traynor Small Block 106 and 200H Bass Guitar Amplifier

IMPORTANT SAFETY INSTRUCTIONS
Instructions pertaining to a risk of fire, electric shock, or injury to a person
CAUTION: TO REDUCE THE RISK OF ELECTRIC SHOCK, DO NOT REMOVE COVER (OR BACK). NO USER SERVICEABLE PARTS INSIDE. REFER
SERVICING TO QUALIFIED SERVICE PERSONNEL. THIS DEVICE IS FOR INDOOR USE ONLY!
INSTALLED BATTERY PACKS SHALL NOT BE EXPOSED TO EXCESSIVE HEAT SUCH AS SUNSHINE, FIRE OR THE LIKE.
- Read Instructions: The Owner’s Manual should be read and understood before operation of your unit. Please, save these instructions for future reference and heed all warnings.
- Cleaning: Clean only with dry cloth.
- Packaging: Keep the box and packaging materials, in case the unit needs to be returned for service.
- Warning: To reduce the risk or fire or electric shock, do not expose this apparatus to rain or moisture. Do not use this apparatus near water!Warning: When using electric products, basic precautions should always be followed, including the following:
Power Sources
Your unit should be connected to a power source only of the voltage specified in the owners manual or as marked on the unit. This unit has a polarized plug. Do not use with an extension cord or receptacle unless the plug can be fully inserted. Precautions should be taken so that the grounding scheme on the unit is not defeated. An apparatus with CLASS I construction shall be connected to a Mains socket outlet with a protective earthing connection. Where the MAINS plug or an appliance coupler is used as the disconnect device, the disconnect device shall remain readily operable.
Hazards
Do not place this product on an unstable cart, stand, tripod, bracket or table. The product may fall, causing serious personal injury and serious damage to the product. Use only with cart, stand, tripod, bracket, or table recommended by the manufacturer or sold with the product. Follow the manufacturer’s instructions when installing the product and use mounting accessories recommended by the manufacturer. Only useattachments/accessories specified by the manufacturer.
Equipment that is suspended overhead must use a secondary safeguard to prevent personal injury in the event the primary mounting mechanism fails. Safety eyebolts attached to the equipment and galvanized steel wire can be used together to implement a failsafe mounting thus ensuring the safety of the equipment and anyone positioned below the equipment.
Improper installation can result in bodily injury or death. If you are not qualified to attempt the installation get help from a professional structural rigger.
Note: Prolonged use of headphones at a high volume may cause health damage to your ears.
The apparatus should not be exposed to dripping or splashing water; no objects filled with liquids should be placed on the apparatus.
Terminals marked with the “lightning bolt” are hazardous live; the external wiring connected to these terminals require installation by an instructed person or the use of ready made leads or cords.
Ensure that proper ventilation is provided around the appliance. Do not install near any heat sources such as radiators, heat registers, stoves, or other apparatus (including amplifiers) that produce heat.No naked flame sources, such as lighted candles, should be placed on the apparatus.
Power Cord
Do not defeat the safety purpose of the polarized or grounding-type plug. A polarized plug has two blades with one wider than the other. A grounding type plug has two blades and a third grounding prong. The wide blade or the third prong are provided for your safety. If the provided plug does not fit into your outlet, consult an electrician for replacement of the obsolete outlet. The AC supply cord should be routed so that it is unlikely that it will be damaged. Protect the power cord from being walked on or pinched particularly at plugs. If the AC supply cord is damaged DO NOT OPERATE THE UNIT. To completely disconnect this apparatus from the AC Mains, disconnect the power supply cord plug from the AC receptacle. The mains plug of the power supply cord shall remain readily operable. Unplug this apparatus during lightning storms or when unused for long periods of time.
Service
The unit should be serviced only by qualified service personnel. Servicing is required when the apparatus has been damaged in any way, such as power-supply cord or plug is damaged, liquid has been spilled or objects have fallen into the apparatus, the apparatus has been exposed to rain or moisture, does not operate normally, requires battery pack replacement or has been dropped. Disconnect power before servicing!
CAUTION: The Lightning Flash with arrowhead symbol within an equilateral triangle, is intended to alert the user to the presence of uninsulated “dangerous voltage” within the product enclosure that may be of sufficient magnitude to constitute a risk of shock to persons
WARNING: The exclamation point within an equilateral triangle is intended to alert the user to the presence of important operating and maintenance (servicing) instructions in the literature accompanying the product
- Read these instructions.
- Keep these instructions.
- Heed all warnings.
- Follow all instructions.
- Do not use this apparatus near water.
- Clean only with dry cloth.
- Do not block any ventilation openings. Install in accordance with the manufacturer’s instructions.
- Do not install near any heat sources such as radiators, heat registers, stoves, or other apparatus (including amplifiers) that produce heat.
- Do not defeat the safety purpose of the polarized or grounding-type plug. A polarized plug has two blades with one wider than the other. A grounding type plug has two blades and a third grounding prong. The wide blade or the third prongs are provided for your safety. If the provided plug does not fit into your outlet, consult an electrician for replacement of the obsolete outlet.
- Protect the power cord from being walked on or pinched particularly at plugs, convenience receptacles, and the point where they exit from the apparatus.
- Only use attachments/accessories specified by the manufacturer.
- Use only with the cart, stand, tripod, bracket, or table specified by the manufacturer, or sold with the apparatus. When a cart is used, use caution when moving the cart/apparatus combination to avoid injury from tip-over.
- Unplug this apparatus during lightning storms or when unused for long periods of time.
- Refer all servicing to qualified service personnel. Servicing is required when the apparatus has been damaged in any way, such as power-supply cord or plug is damaged, liquid has been spilled or objects have fallen into the apparatus, the apparatus has been exposed to rain or moisture, does not operate normally, or has been dropped.
WARNING
- To reduce the risk of fire or electric shock, do not expose this apparatus to rain or moisture and objects filled with liquids, such as vases, should not be placed on this apparatus.
- To completely disconnect this apparatus from the ac mains, disconnect the power supply cord plug from the ac receptacle.
- The mains plug of the power supply cord or appliance coupler shall remain readily accessible.
CAUTION: TO PREVENT ELECTRIC SHOCK HAZARD, DO NOT CONNECT TO MAINS POWER SUPPLY WHILE GRILLE IS REMOVED.
Small Block Bass Guitar Amplifier SB200H and SB106
Thank you for choosing this Small Block power amplifier. You’ll be happy to discover that this bass amplifier has the ability to sound “right” with a minimum amount of knob twirling. This amp delivers great tone making it ideal for any performance. Best of all, its lightweight and compact design makes setups and tear-downs a breeze.
The Extras, They’re All Here
- The status/power LED light illuminates red initially and then blue for ready mode.
- Dual Inputs optimized for standard Passive pickups (0 dB) and extra-hot or Active pickups (-6 dB).
- Mute/Standby pushbutton
- AUX input jack used for digital audio such as an MP3/CD player.
- The Gain control allows you to dial-in the perfect amount of clarity, warmth or overdrive.
- The Low Expander control tailors sound precisely by extending the lows while reducing the midrange.
- Active tone controls (Bass, Low-Mid, Hi-Mid and Treble) provide up to 15dB of cut or boost.
- A separate Tuner Out jack allows your tuner to be connected without affecting your signal quality. This also makes tuning convenient since it’s always available for quick reference and adjustments. The Mute button ensures that the audience doesn’t hear you tuning.
- The balanced XLR Line Out is selectable between Pre-EQ (dry) and Post-EQ (wet) via the rear-panel push-button.
- SB200H:A ¼-inch/Speakon™ Combi-jack Speaker Output jack. Minimum load is 4 ohms.
- SB106:A ¼-inch Speaker Output jack (automatically defeats internal speaker). Minimum load is 4 ohms.
- SB106: 6.5-inch speaker.
- The Phones jack permits connecting headphones for practicing silently or for monitoring yourself in the studio; please note that connecting headphones disconnects signal to the main outputs in addition to the speaker output jack.
Power Switch and Lamp
The power switch is located on the rear panel next to the IEC AC power connector. When the Small Block is pow-ered up, the power lamp which is located on the front panel illuminates red for standby, mute or protect and illumi-nates blue when the amp ready to use.
0dB/Passive, -6dB/Active Inputs and Clip
The Small Block input circuit has been designed for most basses but all basses have not been created equally. Some basses have higher signals while others have very low signals. For optimum clarity, use the 0dB input for bass guitars with standard single-coil pickups or the -6dB input for active or extremely ‘hot’ pickups such as hum-buckers. For an overdriven edge or “crunch,” use the 0dB input. In either case, the Gain control setting will be a fac-tor in establishing the type of clean or overdriven sound you prefer.
User Tip: Do not use both inputs at the same time to connect a second bassist or other musician. The preamp is not designed for more than one instrument to be played at a time.
As an aid to tuning your bass silently, the mute function disengages the preamp signal from all outputs (Line Out, Phones when post EQ switch is on and the amp’s speaker) except the Tuner jack. When this function is enabled the power light changes color to Red.
Gain Control
The Small Block Gain control allows you to set the level of the signal before it’s sent to the tone controls. This con-trols the tonal ‘sensitivity’ or ‘definition’ of the amplifier. Higher Gain settings will give more ‘growl’ to your bass.
Tone Controls
A wide-range of sonic adjustment is achieved by using the four overlapping active tone controls. These tone controls have a range of ±15db covering the audio spectrum. The center position of each control denotes a neutral or nomi-nal setting. The Bass control adjusts the level of the low frequency; Low Mid, the next frequency range up; the Hi Mid covers a higher frequency range and the Treble regulates the upper frequency range.
User Tip: When starting out, it’s a good idea to center all tone controls. Adjust these controls while playing until you achieve the desired tone. Keep in mind that all tone and EQ circuits are gain-related, which means it may be necessary to re-adjust the Gain control once the desired tone is achieved. This will help you to retain the amount of clarity or ‘growl’ you desire.
Low Expander Control
The low expander shapes the tone of the bass by contouring the gain throughout the mid frequencies around 400 Hz while expanding the low frequency. Re-shaping the frequency response in this manner provides an expanded tonal palette.
AUX Input
The 1/8-inch jack can be used an input for an external sound source such as a digital audio player or smart phones etc. A stereo source will be summed electronically when fed into the AUX Input jack using a TRS (stereo jack). The AUX Input is fed to the signal flow after the tone controls, which does not affect its tonality.
Phones Jack
The Phone jack has been provided for connecting headphones which allows practice or recording without making any audible sound through the speakers. When you plug headphones in the Small Block, the amplifier is disconnected from the speaker/s.
Note: When the Phones jack is used, the XLR Line Out, Tuner jack and Effects Send jack are active and still function.
Tuner Out Jack
Connect your instrument tuner here using a standard shielded (e.g. guitar) cable.
Line Out EQ Switch
This feature routes the preamp signal destined for the balanced Line Out XLR either through the amp’s tone con-trol and Scoop circuits, or around them. Depress the button (Post-EQ setting) to have the same sound as your amp going to the PA or recording mixer, or leave it in the out position (Pre-EQ setting) to send the instrument’s original, non-EQ’d signal to the board.
Line Out XLR and Lift/GND
The Line Out allows the user to connect the Small Block preamp directly to a mixing console when performing live or recording in the studio. Use a standard XLR mic cable, or an XLR female to a 1/4-inch TRS patch cable, depending on the mixer’s available inputs (it is usually best to use a 1/4-inch TRS line-level input on the board to match gain levels). In the Lift setting, the button disconnects Pin 1 of the XLR to help reduce ground loop hum when routing signals directly to other equipment or mixing consoles. However if ground loop hum is not audible, you may get su-perior shielding from outside noise sources with the button in the GND setting.
User Tip: When using the XLR Line out for recording direct-to-computer, we would recommend you insert a suitable device between the amp and computer such as A.R.T.’s TubeMP with USB for extra gain control and USB conversion.
13. Speaker Out
When an external speaker cabinet is connected to the External Speaker Jack, the SB106 automatically changes from being a combo amplifier to an amplifier head. This unleashes the true 200W of power of the SB106 and makes it behave like an SB200H.
Note
- When in combo mode, the power to the 6.5-inch driver is restricted to 100W. To unleash the full capability of the amplifier, an external speaker cabinet must be connected.
- The amp’s minimum load is 4 ohms overall therefore you can connect a total of one 4 ohm speaker cabinet or two 8 ohm speaker cabinets in parallel (by daisy chaining from one cabinet to the other).
- When shopping for a single 4 ohm cabinet, look for one with a program power rating of approximately 250 watts, this will provide some added capacity for handling “crunch” distortion.
Specifications
- Model: SB200H/SB106
- Type: SBH200H bass amp / SB106 bass amp & compact cabinet
- Cabinet Impedance (ohms): SB200H: 4 ohms
- SB106: 8 ohms (internal) 4 ohms (external)
- Power @ min. impedance (watts): 200 watts
- Minimum Impedance (ohms): 4 ohms
- Burst Power – 2 cycle: 250 watts
- Speaker Configuration – LF (Size / Power): SB106: 6.5 / 150W (internal)
- Input Channels: 2
- Channel 1 – inputs: passive 0 dB, active -6 dB
- Channel 1 – controls: Gain, Bass, Low Mid, High Mid, Treble, Low Expander
- Channel 1 – switches: Mute, Ground Lift, Line Out Pre/Post EQ
- Channel 2 – inputs: Aux In – 1/8-inch
- Line Out (type / configuration): Balanced Switchable Pre-EQ/Post-EQ, Ground Lift switch
- Line Out Sensitivity (Vrms): 1 Vrms
- LED Indicators: red,blue protect & standby, power
- Protection: clip,thermal, overcurrent.
- External speaker output / location: Combi-Jack (1/4-inch/Speakon™) / rear of unit
- Other Features: 1/4-inch head phone jack, Tuner out
- Dimensions (DWH, inches): 7.5 x 8 x 1.75
- SB106: 9 x 9.5 x 12.5
- Dimensions (DWH, cm): SB200H: 19.1 x 20.35 x 4.5
- SB106: 22.9 x 24.2 x 11.5
- Weight (lbs / kg): SB200H: 2.375/1.1
- SB106: 15/6.8
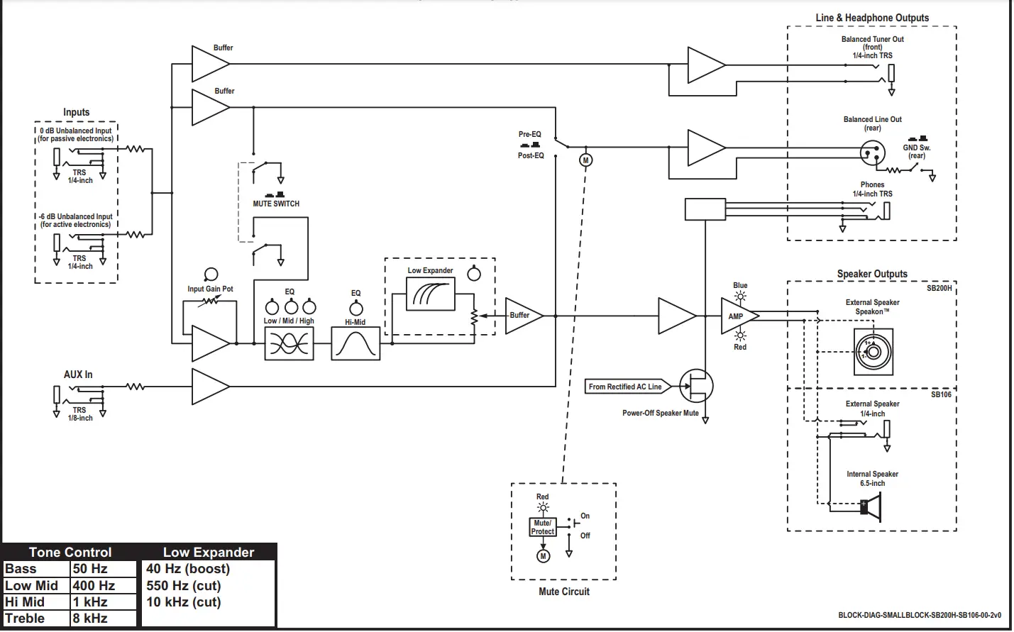
Block Diagram for Small Block SB200H & SB106
- DESIGNED AND MANUFACTURED BY YORKVILLE SOUND

CanadaTwo Year Warranty
Unlimited Warranty
Your Traynor two year unlimited warranty on this product is transferable and does not require registration with Yorkville Sound or your dealer. If this product should fail for any reason within two years of the original purchase date, simply return it to your Traynor dealer with original proof of purchase and it will be repaired free of charge. Freight charges, consequential damages, weather damage, damage as a result of improper installation, damages due to exposure to extreme humidity, accident or natural disaster are excluded under the terms of this warranty. Warranty does not cover consumables such as vacuum tubes, bulbs or batteries beyond 90 days of original purchase. See your Yorkville dealer for more details. Warranty valid only in Canada and the United States.
Canada
ADDRESS: Yorkville Sound 550 Granite Court Pickering, Ontario L1W-3Y8 CANADA
Voice: (905) 837-8481 Fax: (905) 837-8746
U.S.A.
ADDRESS: Yorkville Sound Inc. 4625 Witmer Industrial Estate Niagara Falls, New York 14305 USA
Voice: (716) 297-2920
Fax: (716) 297-3689
WEB: www.yorkville.com





















