Ion Technologies HT40 Submersible High Temperature Sump and Effluent Pump User Manual

SAFETY WARNINGS
Thank you for purchasing your Ion Technologies Pump. To help ensure years of trouble-free operation, please read the following manual carefully.
CAUTION: Read these safety warnings first before installing, servicing, or operating any pump.
This manual contains important information for the safe use of this product. Read this manual completely and follow the instructions carefully. Reasonable care and safe methods relating to the installation and operation of this product should be practiced. Check local codes and requirements before installation.
WARNING: Risk of Electrical Shock or Electrocution. May result in serious injury or death or fire hazard. Installer must disconnect all electrical sources prior to installation, handling or servicing. Only qualified personnel may install this system. NFPA 70/National Electric Code (NEC) or local codes must be followed. System must be properly grounded according to NEC. Do not lift pump by power cord..
WARNING: Biohazard risk. Once waste water source has been connected to system, Biohazard Risk exists. Installer(s) and/or service personnel must use proper Personal Protective Equipment and follow handling procedures per OSHA 29 CFR 1910.1030 when handling equipment after wastewater source has been connected to system. .
WARNING: Risk of asphyxiation. Installer(s) and/or service personnel must use proper Personal Protective Equipment and follow OSHA 29 CFR 1910.146 or OSHA 29 CFR 1926.
Pump may be installed in a location classified by as a confined space..
WARNING: Risk of fire or explosion. Do not smoke or use open flames in or around this system. This system is not intended for use in hazardous locations per NFPA 70 National Electric Code. Do not pump flammable liquids. Consult factory for optional equipment rated for hazardous location use.
WARNING: Cutting risk. Risk of serious cutting or amputation exists. Disconnect all power sources prior to servicing pump. Pump may start without warning.
CAUTION: Do not modify the cord and plug. When using the cord and plug, plug into a grounded outlet only. When wiring to a system control, connect the pump ground lead to the system ground.
CAUTION: Do not run the pump dry. Dry running can overheat the pump (causingburns to anyone handling it) and will void the warranty.
The pump normally runs hot. To avoid burns, allow it to cool for 30 minutes after shutdown before handling it.
Submersible sump pumps are not approved for use in swimming pools, recreational water installations, decorative fountains or any installation where human contact with the pumped fluid is common. Pump designed to be installed in a sump or wet location where drainage collects and pump liquid forms of waste mixed with water.
OVERVIEW
are not designed for pumping potable water. These pumps are not for use in swimming pools, decorative fountains, or any installation where human contact with pumped fluid is common or possible.
The HT40 pump uses a 4/10 HP shaded pole, 1550 RPM motor, and are available in 115 volt, single phase. All pumps are supplied with a 20’ power cord. The HT40 pump is designed to pass ¾” spherical solids. Pump impellers are Class 20 cast iron vortex design. All pumps have 1½” NPT discharge
AIR LOCKING
A pump is said to be air locked if water traps air in the pump and it cannot get out, thus preventing the pump from operating. The pump has a 1/8″ air vent hole in the impeller chamber to let out trapped air. If this hole becomes plugged, pump may air lock. As a secondary precaution a 1/8″ hole should be drilled in the discharge pipe below the check valve. The check valve should be 12″ to 18″ above pump discharge. Do not put check valve directly into pump discharge opening.
Each pump is packaged separately in a carton marked with a catalog number. The pumps are
PACKAGING
carefully packaged to prevent damage in shipping. However, occasionally damage may result due to rough handling. Carefully go over pump and check for damage that could cause pump to fail.
The motors used in the HT40 pump is pressed into
MOTOR TYPE
the cast iron housings and surrounded by dielectric oil for superior heat dissipation. All models use a 4/10 HP shaded pole, 1550 RPM motor. All models have Class B motors available in 115 volts with
overload protection, and use a double sleeve bearing design
INSTALLATIONS
installed in locations classified as hazardous in accordance with the National Electrical Code ANSI/ NFPA 70.
When installing a HT40 pump in high temperature installations, ALL basins, tanks, piping, fittings, additional floats and cables must have rating exceeding 195°F (90°C). Also pumps are not to be used in environments where ambient temperatures exceed 195°F (90°C).
Ion Technologies recommends installing effluent pumps in a rail system type quick disconnect on deeper installations.
The discharge pipe must be the same size as the pump discharge, 1½″ or larger. In order to insure sufficient fluid velocity to prevent any residual solids from collecting in the discharge pipe, it is recommended that a minimum flow of 2‘ per second be maintained (12 GPM through 1½″ pipe, 21 GPM through 2″ pipe. A full flow (ball or gate) shut off valve must be installed to prevent back flow of effluent if the pump must be removed for service. A check valve must be installed on sewer systems to prevent back flow and to reduce wear.
Pump does not run or start when water is up in tank
- Check for blown fuse or tripped circuit
- Where control panel is used be sure H-O-A switch is in the AUTO position. If it does not run, turn switch to the HAND position and if the pump runs then the trouble is in the automatic electrical Have electrician make electrical checks.
- Check for burned out Occasionally lightning can damage a motor even with lightning protection.
- Where plug-in cords are used be sure contact blades are clean and making good contact. Do not use plug-in cords inside a sump or wet
Pump runs but does not deliver flow
- Check for air Start and stop pump several times, if this does not help it may be necessary to loosen a union in the discharge line to relieve air lock.
- Check valve may be installed Check flow arrow on valve body. Check shutoff valve. It may be closed.
- Check vertical elevation. It may be higher than pump can (See pump curve).
- Pump inlet may be plugged. Remove pump to
CAUTION: always unplug power cords or turn off all main and branch circuit breakers before doing any work on the pump. If control panel is remote from pump, disconnect lead wires to motor so that no one can turn the circuit breaker back on.
PERFORMANCE
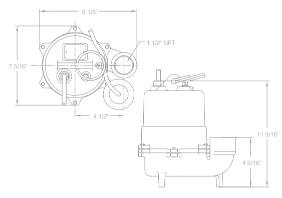
Dimensions
1 Year Residential Warranty
- Coverage and Term. Metropolitan Industries, (“Metropolitan”) warrants to the original purchaser (the “Buyer”) of each Ion® product (the “product”), that any part thereof which proves to be defective in material or workmanship within one (1) year from date of manufacture, will be replaced at no charge with a new or remanufactured part, F.O.B. factory. Buyer shall be responsible for all freight charges and all costs of field labor or other charges incurred in the removal and/or reinstallation of any product, part or component thereof.
- Exclusions. THE WARRANTY IS SUBJECT TO THE FOLLOWING CONDITIONS AND EXCLUSIONS:
- The Warranty excludes products or workmanship which becomes defective as a result of: (i) earthquake, fire, storms, the elements or any other acts of God; (ii) normal wear and tear from use;
(iii) accident, misuse, abuse or neglect; (iv) modifications made by Buyer or any third party, other than Metropolitan; and (v) Buyer’s failure to properly install, maintain, service and/or operate the product under normal conditions and according to manufacturer’s instructions.
- Metropolitan shall not be responsible for, and the Warranty shall not cover, extended damage which occurs because of Buyer’s failure to notify Metropolitan promptly in writing of apparent
- Any part or component designated as manufactured by anyone other than Metropolitan
shall be covered only by the express warranty of the manufacturer thereof.
- The Warranty shall lapse upon Buyer’s failure to fully comply with the terms and conditions of its contract with Metropolitan, including Buyer’s failure to pay the purchase price for the product or any portion thereof. Buyer’s subsequent compliance with the terms and conditions of any such contract, will not cause the term of the Warranty to extend beyond the time period set forth above.
- No actions taken by Metropolitan to correct a defect in a product shall extend the Warranty beyond the period set forth Metropolitan shall not be obligated to remedy any defect, where otherwise required pursuant to the Warranty unless and until Buyer notifies Metropolitan in writing of the defect and then only if such notification is made prior to the expiration of the period set forth above.
- Process of Claims and Repairs. Metropolitan agrees that if the product or any part or component thereof shall fail to conform to the terms of this Warranty, Metropolitan shall replace such nonconforming product, part or component at the original point of delivery and furnish instruction for its disposition. Any transportation charges involved in such disposition and all costs of field labor or other charges incurred in the removal and/or reinstallation of any product, part or component thereof shall be the responsibility of
- Limitation on Liability. Notwithstanding any provision to the contrary, Metropolitan’s entire liability under this Warranty shall not in the aggregate exceed, and Buyer’s exclusive and sole remedies are, to the extent permitted by law, shall be to secure replacement of the defective product. UNDER NO CIRCUMSTANCES SHALL METROPOLITAN BE LIABLE UNDER THE WARRANTY FOR ANY INDIRECT, PUNITIVE, SPECIAL, EXEMPLARY, CONSEQUENTIAL OR INCIDENTAL DAMAGES (INCLUDING LOST PROFITS, REVENUE, USE OR ECONOMIC ADVANTAGE).
- Express Waiver of Any Other Warranties. THE EXPRESS WARRANTY SET FORTH IN THIS WRITTEN WARRANTY IS THE ONLYWARRANTY MADE BYMETROPOLITAN, ORANY OTHER PARTY, IN CONNECTION WITH ANY PRODUCT PURCHASED FROM NEITHER METROPOLITAN, NOR ANY OTHER PARTY, MAKES ANY OTHER EXPRESS OR IMPLIED WARRANTY WHICH IS NOT SET FORTH HEREIN, AND METROPOLITAN HEREBY DISCLAIMS AND BUYER HEREBY WAIVES ALL IMPLIED WARRANTIES, INCLUDING THE IMPLIED WARRANTY OF MERCHANTABILITY AND THE IMPLIED WARRANTY OF FITNESS FOR A PARTICULAR PURPOSE.
- Not Transferable. The Warranty may not be transferred and shall be void on the sale or other transfer of the product.
- Products and Warranty Subject to Change. Metropolitan reserves the right to make revisions to its products and their specifications, and to revise this Warranty and related information without






















