UNO R3 SMD Micro Controller
Product Reference Manual
SKU: A000066
Instruction Manual
Description
The Arduino UNO R3 is the perfect board to get familiar with electronics and coding. This versatile microcontroller is equipped with the well-known ATmega328P and the ATMega 16U2 Processor.
This board will give you a great first experience within the world of Arduino.
Target areas:
Maker, introduction, industries
Features
ATMega328P Processor
- Memory
• AVR CPU at up to 16 MHz
• 32KB Flash
• 2KB SRAM
• 1KB EEPROM - Security
• Power On Reset (POR)
• Brown Out Detection (BOD) - Peripherals
• 2x 8-bit Timer/Counter with a dedicated period register and compare channels
• 1x 16-bit Timer/Counter with a dedicated period register, input capture and compare channels
• 1x USART with fractional baud rate generator and start-of-frame detection
• 1x controller/peripheral Serial Peripheral Interface (SPI)
• 1x Dual mode controller/peripheral I2C
• 1x Analog Comparator (AC) with a scalable reference input
• Watchdog Timer with separate on-chip oscillator
• Six PWM channels
• Interrupt and wake-up on pin change - ATMega16U2 Processor
• 8-bit AVR® RISC-based microcontroller - Memory
• 16 KB ISP Flash
• 512B EEPROM
• 512B SRAM
• debugWIRE interface for on-chip debugging and programming - Power
• 2.7-5.5 volts
The Board
1.1 Application Examples
The UNO board is the flagship product of Arduino. Regardless if you are new to the world of electronics or will use the UNO as a tool for education purposes or industry-related tasks.
First entry to electronics: If this is your first project within coding and electronics, get started with our most used and documented board; Arduino UNO. It is equipped with the well-known ATmega328P processor, 14 digital input/output pins, 6 analog inputs, USB connections, ICSP header and reset button. This board includes everything you will need for a great first experience with Arduino.
Industry-standard development board: Using the Arduino UNO board in industries, there are a range of companies using the UNO board as the brain for their PLC’s.
Education purposes: Although the UNO board has been with us for about ten years, it is still widely used for various education purposes and scientific projects. The board’s high standard and top quality performance makes it a great resource to capture real time from sensors and to trigger complex laboratory equipment to mention a few examples.
1.2 Related Products
- Starter Kit
- Tinkerkit Braccio Robot
- Example
Ratings
2.1 Recommended Operating Conditions
| Symbol | Description | Min | Max |
| Conservative thermal limits for the whole board: | -40 °C (-40°F) | 85 °C ( 185°F) |
NOTE: In extreme temperatures, EEPROM, voltage regulator, and the crystal oscillator, might not work as expected due to the extreme temperature conditions
2.2 Power Consumption
| Symbol | Description | Min | Typ | Max | Unit |
| VINMax | Maximum input voltage from VIN pad | 6 | – | 20 | V |
| VUSBMax | Maximum input voltage from USB connector | – | – | 5.5 | V |
| PMax | Maximum Power Consumption | – | xx | mA |
Functional Overview
3.1 Board Topology
Top view
| Ref. | Description | Ref. | Description |
| X1 | Power jack 2.1×5.5mm | U1 | SPX1117M3-L-5 Regulator |
| X2 | USB B Connector | U3 | ATMEGA16U2 Module |
| PC1 | EEE-1EA470WP 25V SMD Capacitor | U5 | LMV358LIST-A.9 IC |
| PC2 | EEE-1EA470WP 25V SMD Capacitor | F1 | Chip Capacitor, High Density |
| D1 | CGRA4007-G Rectifier | ICSP | Pin header connector (through hole 6) |
| J-ZU4 | ATMEGA328P Module | ICSP1 | Pin header connector (through hole 6) |
| Y1 | ECS-160-20-4X-DU Oscillator |
3.2 Processor
The Main Processor is a ATmega328P running at up tp 20 MHz. Most of its pins are connected to the external headers, however some are reserved for internal communication with the USB Bridge coprocessor.
3.3 Power Tree
Power tree
Legend:
| Component | | |
Board Operation
4.1 Getting Started – IDE
If you want to program your Arduino UNO while offline you need to install the Arduino Desktop IDE [1] To connect the Arduino UNO to your computer, you’ll need a Micro-B USB cable. This also provides power to the board, as indicated by the LED.
4.2 Getting Started – Arduino Web Editor
All Arduino boards, including this one, work out-of-the-box on the Arduino Web Editor [2], by just installing a simple plugin.
The Arduino Web Editor is hosted online, therefore it will always be up-to-date with the latest features and support for all boards. Follow [3] to start coding on the browser and upload your sketches onto your board.
4.3 Getting Started – Arduino IoT Cloud
All Arduino IoT enabled products are supported on Arduino IoT Cloud which allows you to Log, graph and analyze sensor data, trigger events, and automate your home or business.
4.4 Sample Sketches
Sample sketches for the Arduino XXX can be found either in the “Examples” menu in the Arduino IDE or in the “Documentation” section of the Arduino Pro website [4]
4.5 Online Resources
Now that you have gone through the basics of what you can do with the board you can explore the endless possibilities it provides by checking exciting projects on Project Hub [5], the Arduino Library Reference [6] and the online store [7] where you will be able to complement your board with sensors, actuators and more
4.6 Board Recovery
All Arduino boards have a built-in bootloader which allows flashing the board via USB. In case a sketch locks up the processor and the board is not reachable anymore via USB it is possible to enter bootloader mode by doubletapping the reset button right after power up.
Connector Pinouts

5.1 JANALOG
| Pin | Function | Type | Description |
| 1 | NC | NC | Not connected |
| 2 | IOREF | IOREF | Reference for digital logic V – connected to 5V |
| 3 | Reset | Reset | Reset |
| 4 | +3V3 | Power | +3V3 Power Rail |
| 5 | +5V | Power | +5V Power Rail |
| 6 | GND | Power | Ground |
| 7 | GND | Power | Ground |
| 8 | VIN | Power | Voltage Input |
| 9 | AO | Analog/GPIO | Analog input 0 /GPIO |
| 10 | Al | Analog/GPIO | Analog input 1 /GPIO |
| 11 | A2 | Analog/GPIO | Analog input 2 /GPIO |
| 12 | A3 | Analog/GPIO | Analog input 3 /GPIO |
| 13 | A4/SDA | Analog input/12C | Analog input 4/12C Data line |
| 14 | A5/SCL | Analog input/12C | Analog input 5/12C Clock line |
5.2 JDIGITAL
| Pin | Function | Type | Description |
| 1 | DO | Digital/GPIO | Digital pin 0/GPIO |
| 2 | D1 | Digital/GPIO | Digital pin 1/GPIO |
| 3 | D2 | Digital/GPIO | Digital pin 2/GPIO |
| 4 | D3 | Digital/GPIO | Digital pin 3/GPIO |
| 5 | D4 | Digital/GPIO | Digital pin 4/GPIO |
| 6 | DS | Digital/GPIO | Digital pin 5/GPIO |
| 7 | D6 | Digital/GPIO | Digital pin 6/GPIO |
| 8 | D7 | Digital/GPIO | Digital pin 7/GPIO |
| 9 | D8 | Digital/GPIO | Digital pin 8/GPIO |
| 10 | D9 | Digital/GPIO | Digital pin 9/GPIO |
| 11 | SS | Digital | SPI Chip Select |
| 12 | MOSI | Digital | SPI1 Main Out Secondary In |
| 13 | MISO | Digital | SPI Main In Secondary Out |
| 14 | SCK | Digital | SPI serial clock output |
| 15 | GND | Power | Ground |
| 16 | AREF | Digital | Analog reference voltage |
| 17 | A4/SD4 | Digital | Analog input 4/12C Data line (duplicated) |
| 18 | A5/SDS | Digital | Analog input 5/12C Clock line (duplicated) |
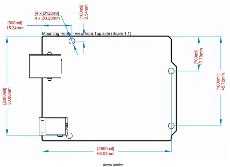
5.3 Mechanical Information
5.4 Board Outline & Mounting Holes

Certifications
6.1 Declaration of Conformity CE DoC (EU)
We declare under our sole responsibility that the products above are in conformity with the essential requirements of the following EU Directives and therefore qualify for free movement within markets comprising the European Union (EU) and European Economic Area (EEA).
| ROHS 2 Directive 2011/65/EU | ||
| Conforms to: | EN50581:2012 | |
| Directive 2014/35/EU. (LVD) | ||
| Conforms to: | EN 60950- 1:2006/A11:2009/A1:2010/Al2:2011/AC:2011 | |
| Directive 2004/40/EC & 2008/46/EC EMF | & 2013/35/EU, | |
| Conforms to: | EN 62311:2008 |
6.2 Declaration of Conformity to EU RoHS & REACH 211 01/19/2021
Arduino boards are in compliance with RoHS 2 Directive 2011/65/EU of the European Parliament and RoHS 3 Directive 2015/863/EU of the Council of 4 June 2015 on the restriction of the use of certain hazardous substances in electrical and electronic equipment.
| Substance | Maximum limit (ppm) |
| Lead (Pb) | 1000 |
| Cadmium (Cd) | 100 |
| Mercury (Hg) | 1000 |
| Hexavalent Chromium (Cr6+) | 1000 |
| Poly Brominated Biphenyls (PBB) | 1000 |
| Poly Brominated Diphenyl ethers (PBDE) | 1000 |
| Bis(2-Ethylhexyl} phthalate (DEHP) | 1000 |
| Benzyl butyl phthalate (BBP) | 1000 |
| Dibutyl phthalate (DBP) | 1000 |
| Diisobutyl phthalate (DIBP) | 1000 |
Exemptions: No exemptions are claimed.
Arduino Boards are fully compliant with the related requirements of European Union Regulation (EC) 1907 /2006 concerning the Registration, Evaluation, Authorization and Restriction of Chemicals (REACH). We declare none of the SVHCs (https://echa.europa.eu/web/guest/candidate-list-table), the Candidate List of Substances of Very High Concern for authorization currently released by ECHA, is present in all products (and also package) in quantities totaling in a concentration equal or above 0.1%. To the best of our knowledge, we also declare that our products do not contain any of the substances listed on the “Authorization List” (Annex XIV of the REACH regulations) and
Substances of Very High Concern (SVHC) in any significant amounts as specified by the Annex XVII of Candidate list published by ECHA (European Chemical Agency) 1907 /2006/EC.
6.3 Conflict Minerals Declaration
As a global supplier of electronic and electrical components, Arduino is aware of our obligations with regards to laws and regulations regarding Conflict Minerals, specifically the Dodd-Frank Wall Street Reform and Consumer Protection Act, Section 1502. Arduino does not directly source or process conflict minerals such as Tin, Tantalum, Tungsten, or Gold. Conflict minerals are contained in our products in the form of solder, or as a component in metal alloys. As part of our reasonable due diligence Arduino has contacted component suppliers within our supply chain to verify their continued compliance with the regulations. Based on the information received thus far we declare that our products contain Conflict Minerals sourced from conflict-free areas.
FCC Caution
Any Changes or modifications not expressly approved by the party responsible for compliance could void the user’s authority to operate the equipment.
This device complies with part 15 of the FCC Rules. Operation is subject to the following two conditions:
- This device may not cause harmful interference
- this device must accept any interference received, including interference that may cause undesired operation.
FCC RF Radiation Exposure Statement:
- This Transmitter must not be co-located or operating in conjunction with any other antenna or transmitter.
- This equipment complies with RF radiation exposure limits set forth for an uncontrolled environment.
- This equipment should be installed and operated with minimum distance 20cm between the radiator & your body.
English: User manuals for license-exempt radio apparatus shall contain the following or equivalent notice in a conspicuous location in the user manual or alternatively on the device or both. This device complies with Industry Canada license-exempt RSS standard(s). Operation is subject to the following two conditions:
- this device may not cause interference
- this device must accept any interference, including interference that may cause undesired operation of the device.
IC SAR Warning:
English This equipment should be installed and operated with minimum distance 20 cm between the radiator and your body.
Important: The operating temperature of the EUT can’t exceed 85℃ and shouldn’t be lower than -40℃.
Hereby, Arduino S.r.l. declares that this product is in compliance with essential requirements and other relevant provisions of Directive 2014/53/EU. This product is allowed to be used in all EU member states.
Company Information
| Company name | Arduino S.r.l |
| Company Address | Via Andrea Appiani 25 20900 MONZA Italy |
Reference Documentation
| Reference | Link |
| Ardulno IDE (Desktop) | https://www.arduino.cden/Main/Software |
| Ardulno IDE (Cloud) | https://create.arduino.cdedltor |
| Cloud IDE Getting Started | https://create.arduino.cc/projecthub/Arduino_Genuino/getting-started-with-arduinoweb-editor-4b3e4a |
| Ardulno Pro Website | https://www.arduino.cc/pro |
| Project Hub | https://create.arduino.cc/projecthub?by=part&part_Id=11332&sort=trending |
| Library Reference | https://www.arduino.cc/reference/en/ |
| Online Store | https://store.ardulno.cc/ |
Revision History
| Date | Revision | Changes |
| xx/06/2021 | 1 | Datasheet release |
Arduino® UNO R3
Modified: 25/02/2022
References
Arduino Cloud
create.arduino.cc/projecthub?by=part&part_id=11332&sort=trending
create.arduino.cc/projecthub/Arduino_Genuino/getting-started-with-arduino-
create.arduino.cc/projecthub/Arduino_Genuino/getting-started-with-arduino-web-editor-4b3e4a
Arduino Official Store | Boards Shields Kits Accessories
Software | Arduino
Arduino Pro
Arduino Reference - Arduino Reference

















