PFS 329 Solid Fuel Burning Fireplace Instruction Manual

WARNING: If the information in this manual is not followed exactly, a fire or explosion may result causing property damage, personal injury or loss of life.
– Do not store or use gasoline or other flammable vapours and liquids in vicinity of this or any other appliance. WHAT TO DO IF YOU SMELL GAS
- Do not try to light any appliance.
- Do not touch any electrical switch; do not use any phone in your building. x Immediately call your gas supplier from a neighbour’s phone. Follow gas supplier’s instructions.
- If you cannot reach your gas supplier, call the fire department. Installation and service must be performed by a qualified installer, service agency or gas
supplier.
This is an unvented gas-fired heater. It uses air (oxygen) from room in which it is installed. Provisions for adequate combustion and ventilation air must be provided. Refer to section ” Producing Adequate Air For Combustion And Ventilation” page 32.
This appliance may be installed in an aftermarket, permanently located, manufactured (mobile) home, where not prohibited by local codes. This appliance is only for use with the type of gas indicated on rating plate. This appliance is not convertible for use with other gases.
INSTALLER: Leave this manual with appliance. CONSUMER: Retain this manual for future reference.
MANUFACTURED BY NEW BUCK CORPORATION 200 ETHAN ALLEN DRIVE, PO BOX 69 SPRUCE PINE, N.C. 28777
www.buckstove.com
This appliance is intended for supplemental heating. Revised October 2019
SECTION I SAFETY INFORMATION WARNINGS
IMPORTANT: READ THIS OWNER’S MANUAL CAREFULLY AND COMPLETELY BEFORE TRYING TO ASSEMBLE, OPERATE OR SERVICE APPLIANCE. IMPROPER USE OF THESE LOGS CAN CAUSE SERIOUS INJURY OR DEATH FROM BURNS, FIRE, EXPLOSION AND CARBON MONOXIDE POISONING. x NOTE: When burning any unit or appliance that combusts fuel for heat, such as coal, oil, wood or natural and (L.P.) liquid petroleum gas. We highly recommend use of smoke and carbon monoxide detectors in your home. Early signs of carbon monoxide poisoning resemble flu, with headaches, dizziness and/or nausea. If you have these signs, heater may not be working properly. Get fresh air at once! Have heater serviced. Some people-pregnant women, persons with heart or lung disease, anemia, those under influence of alcohol and those at high altitudes are more affected by carbon monoxide than others.
CAUTION: Strong drafts, such as a ceiling fan placed directly in front of heater (pulling from either direction) may create sooting. Sooting will discolor walls.
- The installation must conform with local codes or in absence of local codes, with National Fuel Gas Code, ANSI Z223.1/NFPA54.
- This appliance may be installed in an After-Market* Manufactured (Mobile) Home, where not prohibited by state or local codes.
* (After-Market: Completion of sale, not for purpose of resale from manufacturer.)
This appliance is only for use with type of gas indicated on rating plate. This appliance is not convertible for use with other gases.
NOTE: See Section VII, “Producing Adequate Air For Combustion And Ventilation” page 28.
IMPORTANT: VENT-FREE HEATERS ADD MOISTURE TO AIR. ALTHOUGH THIS IS BENEFICIAL, INSTALLING HEATER IN ROOMS WITHOUT ADEQUATE VENTILATION MAY CAUSE MILDEW TO FORM FROM TOO MUCH MOISTURE. - Never install this heater: x In a recreational vehicle, bathroom, bedroom or any other sleeping quarters x Where curtains, furniture, clothing or other flammable objects are less than 42″ from front of heater x In high traffic areas or in windy areas
- Two models are available. One specific model for propane (LP), and one for natural gas. Use correct type gas for your home. Do not convert from one gas type to another NOTE: This appliance complies with ANSI Z21.11.2-2019 Unvented Room Heater.
WARNING: ANY CHANGE TO THIS HEATER OR ITS CONTROLS CAN BE DANGEROUS. - If this heater is used with propane gas, do not place propane supply tank (s) inside any structure.
- What To Do IF You Smell Gas:
– Shut off gas supply.
– Do not try to light any appliance.
– Do not touch any electrical switch; do not use any phone in your building.
– Immediately call your gas supplier from a neighbor’s phone.
– Follow gas supplier’s instructions.
– If you cannot reach your gas supplier, call fire department. - When operated for first time, logs may emit a “paper burning” smell. This smell will gradually diminish and will be totally eliminated after first few hours of operation. Run gas logs with flue damper open during this time. Do not use blower at this time.
- This heater shall not be installed in unusually tight construction unless provisions are provided for adequate combustion and ventilation air. See “Producing Adequate Air For Combustion and Ventilation”, page 28.
- Surface of gas logs becomes very hot when operating. Keep children and adults away from hot surface. Gas logs will remain hot for sometime after shutdown. Allow surface to cool before touching.
- Do not place clothing or other flammable material on or near appliance.
- If equipped, fresh air damper must be closed.
- Keep appliance area clean and free from combustible materials, gasoline and other flammable flammable vapours and liquids.
- If burner shuts off, do not relight until you provide fresh outside air. If burner continues to shut off, have unit serviced.
- Do not use this heater if any part has been under water. Immediately call qualified service technician to inspect room heater and to replace any part of control system and any gas control which has been under water.
- Turn off heater and let cool before servicing.
- These logs are made of bonded fiber. When removing logs and base, do not damage bonded material. If the material is damaged extensively, loose fiber dust could be emitted into air.
- Any safety screen or guard removed for servicing an appliance must be replaced prior to operating heater.
- This appliance is intended for supplemental heating.
- WARNING: Any change to this heater or its controls can be dangerous.
- Installation and repairs should be performed by a qualified service person. The appliance should be inspected before use and at least annually by a professional service person. More frequent cleaning may be required due to excessive lint from carpeting, bedding material, etc. It is imperative that control compartments, burners and circulating air passageways of appliance be kept clean.
- All heater screens must be kept closed when operating gas logs.
- WARNING: Failure to keep primary air opening (s) of the burner (s) clean may result in soot and property damage.
- Do not use this heater for burning trash or cooking. Never place matches, paper, garbage or any other material on top of logs or into flames.
- Do not install or operate this heater in areas where impurities in air exist (such as tobacco smoke or heavy cooking grease).
Particles from impurities may discolor walls. - Due to high temperatures, appliance should be located out of traffic and away from furniture and draperies.
- Children and adults should be alerted to hazards of high surface temperature and should stay away to avoid burns or clothing ignition.
- Young children should be carefully supervised when they are in same room with appliance.
- An unvented room heater having an input rating of more than 10,000 Btu per hour shall not be installed in a bedroom or bathroom.
- The appliance and its appliance main gas valve must be disconnected from gas supply piping system during any pressure testing of that system at test pressure in excess of 1/2 psi (3.5 kPa).
- The appliance must be isolated from gas supply piping system by closing its equipment shut-off valve during any pressure testing of gas supply piping system at test pressures equal to or less than 1/2 psi (3.5 kPa).
- WARNING: Do not allow fans to blow directly into fireplace. Avoid any drafts that alter burner flame patterns.
- WARNING: Do not use a blower insert, heat exchanger insert or other accessory not approved for use with this heater.
- Adequate clearances around air openings. Nothing may be placed over any of air openings on this appliance or can any of air openings be modified in anyway.
- A fireplace screen must be in place when appliance is operating and, unless other provisions for combustion air are provided, screen shall have an opening (s) for introduction of combustion air.
- WARNING: Any glass doors shall be fully opened when appliance is in operation.

SECTION II FIREPLACE PREPARATION
The fireplace needs to be prepared before installing heater.
A. Turn off the gas supply to fireplace.
WARNING: BEFORE INSTALLING IN A SOLID-FUEL BURNING FIREPLACE, CHIMNEY FLUE AND FIREBOX MUST BE CLEANED OF SOOT, CREOSOTE, ASHES AND LOOSE PAINT BY A QUALIFIED CHIMNEY CLEANER.
WARNING: DO NOT ALLOW FANS TO BLOW DIRECTLY INTO FIREPLACE. AVOID DRAFTS THAT ALTER BURNER FLAME PATTERNS.
WARNING: DO NOT USE A BLOWER INSERT, HEAT
EXCHANGER INSERT OR OTHER ACCESSORIES NOT APPROVED FOR USE WITH THIS HEATER.
WARNING: ANY OUTSIDE AIR DUCTS AND/OR ASH DUMPS IN FIREPLACE SHALL BE PERMANENTLY CLOSED AT TIME OF APPLIANCE INSTALLATION.
B. Read following sections before installing your unit; Section III, page 20 Installation In A Solid-Fuel Burning Fireplace and Section VIII, page 28 Producing Adequate Air For Combustion And Ventilation.
WARNING: CUTTING ANY SHEET-METAL PARTS OF SOLID FUEL BURNING FIREPLACE OR LISTED VENTLESS FIREBOX ENCLOSURE IN WHICH THE UNVENTED FIREPLACE INSERT IS TO BE INSTALLED IS PROHIBITED.
NOTE: IF FACTORY BUILT FIREPLACE HAS NO GAS ACCESS HOLE(S) PROVIDED, AN ACCESS HOLE OF 1.5 inch (37.5mm) DIAMETER OR LESS MAY BE DRILLED THROUGH LOWER SIDES OR BOTTOM OF FIREBOX IN A PROPER WORKMANLIKE MANNER. THIS ACCESS HOLE MUST BE PLUGGED WITH NONCOMBUSTIBLE INSULATION AFTER GAS SUPPLY LINE HAS BEEN INSTALLED.” REFRACTORY, GLASS DOORS , SCREEN RAILS, SCREEN MESH AND SOLID-FUEL LOG GRATES (IF APPLICABLE) CAN BE REMOVED FROM FIREPLACE BEFORE INSTALLING UNVENTED FIREPLACE INSERT.
INSTALLATION AND CLEARANCES
To ensure a safe installation into a masonry or factory built fireplace, following instructions must be carefully followed:
(1) Sidewall Clearances: Clearance from side of fireplace opening to any adjacent combustible wall should not be less than: right side 7″, left side 7″.
(2) Ceiling Clearances: The ceiling height should not be less than 24″ from the top of fireplace opening.
(3) Mantel Clearances: Clearances from top of heater to mantel or mantel supports should not be less than 20″.
NOTE: See following sections for installation options: Section III, page 20, Installation In A SolidFuel Burning Fireplace and Section IV, page 22 Freestanding Installation and Section V, page 24 Alcove Installation and Section VI, page 25 Optional Wooden Mantel Installation
WARNING: ANY CHANGE TO THIS HEATER OR ITS CONTROLS CAN BE DANGEROUS.
GAS CONNECTION
Check gas type. Use only type of gas indicated on valve rating plate. If type of gas listed on plate is not your type of gas supply, DO NOT INSTALL. Contact your dealer for proper model. Always use an external regulator for all LP heaters to reduce supply tank pressure to a maximum of 13″ W.C. This is in addition to regulator furnished with heater.
WARNING: CONNECTION DIRECTLY TO AN UNREGULATED LP TANK CAN CAUSE AN EXPLOSION.
The normal gas connection is 3/8″ N.P.T. made at left side (facing front of appliance) of appliance. If a right side connection is desired, connecting pipe may be led under rear of burner base to terminate at right side for connection to inlet of valve.
NOTE: The connecting pipe must be internally tinned copper tubing for use with natural gas. Test for leaks using a solution of soap and water after completing connection. DO NOT USE OPEN FLAME.
NOTE: If factory-built fireplace has no gas access hole (s) provided, an access hole of 1.5 inch (37.5mm) diameter or less may be drilled through lower sides or bottom of fire box in a proper workmanlike manner. This access hole must be plugged with non-combustible insulation after gas supply line has been installed.
WARNING: Installation and repairs should be performed by a qualified service person. The appliance should be inspected before use and at least annually by a professional service person. More frequent cleaning may be required due to excessive lint from carpeting, bedding material, etc. It is imperative that control compartments, burners and circulating air passageways of appliance be kept clean.

WARNING: Failure to position parts in accordance with these diagrams or failure to use only parts specifically approved with this heater may result in property damage or personal injury.
WARNING: POSITIONING OF LOGS IS VERY CRITICAL (SEE DIAGRAM ABOVE).
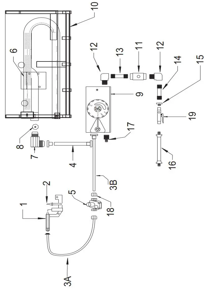
- Front Log (s) #1-R and 1-L (Slim Log s) wrapped in cardboard box) . Place 1-R between front portion of burner and log grates on right hand side of log base. Next place 1-L between front portion of burner and log grates. Note: logs 1-R and 1-L should over lap in center of burner base to create front log.
- Middle Glow Log #2 . Place rear of log on top of middle log supports located in open center portion of burner base. Front of log should rest slightly behind rear line of burner holes on front portion of burner. Align notch on left front bottom side of log, hold down nut of burner. This should align log at right position from left or right on burner.
- Rear Log #3. Place log in rear log supports, center from left to right.
- Left Top Log #4. Log has two (2) holes in bottom front side. Align holes with two (2) pins located on left top of log #2. Rear of log #4 should rest on left top end of rear log #3.

WARNING: Failure to position parts in accordance with these diagrams or failure to use only parts specifically approved with this heater may result in property damage or personal injury.
WARNING: POSITIONING OF LOGS IS VERY CRITICAL (SEE DIAGRAM ABOVE). MODEL E.S.B: Rear Log #(1). Middle Log #(2). Left Top Middle Log #(3). Right Top Middle Log #(4). Left Front Log #(5). Right Front Log #(6). Glowing Embers #(7)-in front of 5 & 6 logs. LOG PLACEMENT FOR E.V. 100 Series 24″ OAK OR PINE LOG SET:
- Place rear log #(1) on rear log supports. The log has alignment notches on each rear corner.
- Place Middle log #(2) in front of rear burner tube and then move log forward. The log should seat just behind brass knob (s), located in middle section of base between rear burner tube and front burner pan.
- Place Left Top Middle log #(3) on pins located on left top section of Middle log #(2).
- Place Right Top Middle log #(4) on pin located on right top section of Middle log #(2) and aline notch on right side #(4) with side shield on right.
- Place Left Front log #(5) on the locator pins located on the left middle section of front burner pan.
- Place Right Front log #(6) on locator pins located on right middle section of front burner pan.
- Provided with your log set is a package of Glowing Embers (rock wool). Open package and tare off small pieces of wool material and place it over small holes (ports) located on front burner pan in front of logs #(5) and #(6). Cover entire section of holes (ports). *Replacement of loose (Glowing Embers) must be purchased from original manufacturer and application of excess loose material may adversely affect performance of heater.
NOTE: Wash your hands immediately after coming in contact with wool material. The wool can cause slight itching or burning, avoid any contact with eyes. WARNING: All previously applied loose material must be removed prior to replacement.
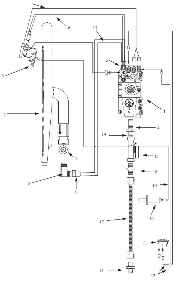
GAS PRESSURE CHECK
Check the inlet pressure to burner to ensure that it is as shown in table below.
NOTE: The pressure check point is located on right side of valve facing burner, for SIT Millivolt and left side for SIT Modulating. The appliance and its appliance main gas valve must be disconnected from gas supply piping system during any pressure testing of that system at test pressures in excess of 1/2 psi (3.5kPa). The appliance must be isolated from gas supply piping system by closing its equipment shut-off valve during any pressure testing of gas supply piping system at test pressures equal to or less than 1/2 psi (3.5 kPa).

NOTE: On initial installation it may be necessary to bleed out air in gas lines. Do this by holding the control knob and turning knob to “PILOT” position for about 30 seconds. To check regulator pressure, remove pressure tag plug at left side of regulator facing heater. The pressure should be checked with heater burning and control set on high. After measuring pressure, replace pressure tap plug, ensuring that there are no leaks.
- For the purpose of minimum input adjustment.
WARNING
This appliance is equipped for (natural or propane) gas. Field conversion is not permitted.
Solid fuels shall not be burned in same fireplace where an unvented room heater has been installed.
NOTE: The following label has been provided with this appliance and must be read and then attached to floor of fireplace or firebox area beneath the appliance. The label is a peel and stick label. Make sure area is cleaned before attaching the label to it.
WARNING: This solid-fuel burning fireplace or listed vent less enclosure has been converted for use with an unvented fireplace insert only. A solid-fuel burning fireplace cannot be used for burning wood or solid fuels unless all original parts have been replaced and fireplace re-approved by authority having jurisdiction. A vent less firebox enclosure cannot be used with an unvented gas log unless all original parts have been replaced and vent less firebox enclosure re-approved by authority having jurisdiction.
LIGHTING INSTRUCTION MODULATING OR MANUAL VALVE (SIT)
FOR YOUR SAFETY READ BEFORE LIGHTING
WARNING IF YOU DO NOT FOLLOW THESE INSTRUCTIONS EXACTLY, A FIRE OR EXPLOSION MAY RESULT CAUSING PROPERTY DAMAGE, PERSONAL INJURY OR LOSS OF LIFE.
- A. This appliance has a pilot which must be lighted by hand. When lighting pilot, follow these instructions exactly.
- B. BEFORE LIGHTING smell all around appliance area for gas. Be sure to smell next to floor because gas is heavier than air and will settle on floor.
WHAT TO DO IF YOU SMELL GAS:- Do not try to light any appliance.
- Do not touch any electric switch; do not use any phone in your building.
- Immediately call your gas supplier from a neighbour’s phone. Follow gas supplier’s instructions.
- If you cannot reach your gas supplier, call fire department.
- C. Use only your hand to push in or turn gas control knob. Never use tools. If knob will not push in or turn by hand, don’t try to repair it call a qualified service technician. Force or attempted repair may result in a fire or explosion.”
- D. Do not use this appliance if any part has been under water. Immediately call a qualified service technician to inspect the appliance and to replace any part of control system and any gas control which has been under water.
LIGHTING INSTRUCTION
- STOP! Read safety information on preceding page 13.
- Make sure manual shutoff valve is fully closed.
- Turn off all electrical power to appliance.
- Open access panel door located at bottom front of appliance.
- Turn control knob clockwise to full “OFF” position.

- Wait five (5) minutes to clear out any gas. Then smell for gas, including near floor. If you smell gas, STOP! Follow “B” on preceding page in the Safety Information. If you don’t smell gas, go to next step.
- Find Pilot: The pilot is located in front of rear log and burner on right hand side of appliance. Fully open manual shutoff valve.
- Press in and turn gas control knob counter clockwise to “PILOT” position continue pressing in control knob for fifteen (15) seconds.
- With control knob pressed in, push down (in) and release igniter button (igniter button is located on left hand side of gas control valve) . This will light pilot. If needed, keep repeating this step until pilot lights.
- Keep control knob pressed in for one (1) minute after lighting pilot. After one (1) minute, release control knob and it will pop back out. Pilot should remain lit. If pilot goes out, repeat steps 1 through 9.
- If knob does not pop out when released, stop and immediately call your service technician or gas supplier.
- If pilot will not stay lit after several tries, turn gas control knob to “OFF” and call your services technician or gas supplier.

- Turn gas control knob counter clockwise to “ON” position. Continue to turn gas control knob counter clockwise to your desired setting.
- Close access panel door.
- Turn on all electrical power to appliance.
CAUTION
DO NOT TRY TO ADJUST HEATING LEVELS BY USING MANUAL SHUTOFF VALVE.
TO TURN OFF GAS TO APPLIANCE
SHUTTING OFF UNIT
- Open access cover door.
- Turn gas control knob clockwise to full “OFF” position.
- Turn off all electric power to appliance if service is to be performed.
- Close access cover door.
SHUTTING OFF BURNER ONLY (pilot stays lit)
Turn control knob clockwise to “PILOT” position.
CAUTION: Hot while in operation. Do Not Touch. Keep children, clothing, furniture,
gasoline and other liquids having flammable vapors away.
CAUTION: DO NOT TRY TO ADJUST HEATING LEVELS BY USING MANUAL SHUTOFF VALVE.
WARNING: Improper installation, adjustment, alteration, service or maintenance can
cause property damage, personal injury or loss of life. Refer to owner’s information manual provided with this appliance. Installation and service must be performed by a qualified installer, service agency or gas supplier.
IMPORTANT: Always operate the appliance at completely “ON” or completely “OFF”
positions. Never use heater at a setting between these positions as this can result in improper combustion and excessive carbon monoxide emissions.
THERMOSTAT CONTROL OPERATION
- The thermostat control on this heater differs from standard thermostats. Standard thermostats simply turn burner on and off. The thermostat used on this heater senses room temperature and adjusts amount of gas flow to burner. This will increase or decrease flame height. At times, room may exceed set temperature, which will cause burner to shut off. When room temperature drops below thermostat setting, burner will cycle itself on again. The control knob can be set to any level between “LO” and “HI”.
NOTE: The thermostat sensing bulb measures temperature of air near heater cabinet. This may not always agree with room temperature (depending on housing construction, installation location, room size, open air temperatures, etc.). Frequent use of your heater will allow you to determine your personal comfort levels.
MANUAL LIGHTING PROCEDURE
- If pilot cannot be lit with piezo, it can be manually lit with use of a paper match and a lighter rod.
- Open access panel door located at bottom front of appliance.
- Place match in holder and light. With left hand, turn control knob counter clockwise to “PILOT “position. Press in gas control knob for fifteen (15) seconds.
- Use rod to light match and ignite pilot. The pilot is located in front of rear log and burner on right hand side of appliance.
- Continue to hold control knob for an additional one (1) minute to ensure pilot is lit.
- Turn control knob counter clockwise to “ON” position. Push “ON/OFF” toggle switch to “ON” position. The main burner should light.
- Close access panel door.
- Turn on all electrical power to appliance.
NOTE: This unit may be used with an optional wall thermostat. If so, wall thermostat needs to be set at a higher temperature than room temperature.
OPERATING INSTRUCTIONS
Before operating this appliance, proceed through following checklist.
- Read and understand these instructions before operating this appliance.
- Check that there are no gas leaks. If you smell gas do not attempt to light this appliance.
- Verify that log placement is correct.
LIGHTING INSTRUCTIONS SIT-MILLIVOLT VALVE
FOR YOUR SAFETY READ BEFORE LIGHTING
WARNING: If you do not follow these instructions exactly, a fire or explosion may result causing property damage, personal injury or loss of life.
A. This appliance has a pilot which must be lit by hand. When lighting pilot follow these instructions exactly. If piezo fails, then light pilot using matches. Refer to manual lighting instructions.
B. BEFORE LIGHTING smell all around appliance area for gas. Be sure to smell next to floor because some gas is heavier than air and will settle to floor.
WHAT TO DO IF YOU SMELL GAS:
* Do not try to light any appliance.
* Do not touch any electric switch; do not use any phone in your building.
* Immediately call your gas supplier from a neighbor’s phone. Follow gas supplier’s instructions.
* If you cannot reach your gas supplier, call fire department.
C. Use only your hand to push in or turn gas knob. Never use tools. If knob will not push in or turn by hand, don’t try to repair it. Call a qualified service technician. Force or attempted repair may result in a fire or explosion.
D. Do not use this appliance if any or part of it has been under water. Immediately call a qualified service technician to inspect the appliance and to replace any part of control system and any gas control which has been under water.
LIGHTING INSTRUCTIONS
- STOP! Read the safety information on pages 1 and 32.
- Make sure manual shutoff valve is fully closed. If equipped with thermostat, set to lowest setting.
- Turn off all electrical power to appliance.
- Open access cover door located at the bottom of front of appliance.
- Push in gas control knob slightly and turn clockwise to full “OFF” position.

NOTE: Knob cannot be turned from “PILOT” to “OFF” unless knob is pushed in slightly. Do not force. - Wait (5) five minutes to clear out any gas. Then smell for gas, including near floor. If you smell gas, STOP! Follow “B” in safety information on reverse side of this label. If you don’t smell gas, go to next step.
- Find Pilot: The pilot is located in front of rear log and burner on right hand side of appliance. Fully open manual shutoff valve.
- Press in and turn knob on gas control counter clockwise to “PILOT” and continue pressing in knob for (15) fifteen seconds.
- With control knob pressed in push down (in) and release igniter button (igniter button is located on left hand side of the front of appliance). This will light pilot. If needed, keep repeating this step until pilot lights.
- Keep control knob pressed in for (1) one minute after lighting pilot. After (1) minute, release control knob and it will pop back out. Pilot should remain lit. If pilot goes out, repeat steps 1 through 9.
• If knob does not pop out when released, stop and immediately call your service technician or gas supplier.
• If pilot will not stay lit after several tries, turn gas control knob to “OFF” and call your service technician or gas supplier. - Turn control knob counter clockwise to “ON”.
- If using unit without wall thermostat place Auto/Off/Manual switch into manual position. If using wall thermostat place Auto Off Manual Switch into auto position and place thermostat to a setting higher than room temperature.
- Close access door.
- Turn on all electrical power to appliance.
- Your heater is equipped with a HI & LO control. Turn clockwise for Low and counter clockwise for High.
DO NOT TRY TO ADJUST HEATING LEVELS BY USING MANUAL SHUTOFF VALVE.
CAUTION
TO TURN OFF GAS TO APPLIANCE
SHUTTING OFF UNIT
- Open access cover door.
- If equipped with thermostat set to lowest setting.
- Turn control knob clockwise to full “OFF”.
- Turn off all electric power to appliance if service is to be performed.
- Close access cover door.
SHUTTING OFF BURNER ONLY (Pilot stays lit.)
Turn control knob clockwise to “PILOT” position.
CAUTION: Hot while in operation. Do Not Touch. Keep children, clothing, furniture,
gasoline and other liquids having flammable vapors away.
CAUTION: DO NOT TRY TO ADJUST HEATING LEVELS BY USING MANUAL SHUTOFF VALVE.
WARNING: Improper installation, adjustment, alteration, service or maintenance can
cause property damage, personal injury or loss of life. Refer to owner’s information manual provided with this appliance. Installation and service must be performed by a qualified installer, service agency or gas supplier.
IMPORTANT: Always operate appliance at completely “ON” or completely “OFF” positions. Never use heater at a setting between these positions as this can result in improper combustion and excessive carbon monoxide emissions.
MANUAL LIGHTING PROCEDURE
- If pilot cannot be lit with piezo, it can be manually lit with use of a paper match and a lighter rod.
- Open access panel door located at bottom front of appliance.
- Place match in holder and light. With the left hand, turn control knob counter clockwise to “PILOT” position. Press in gas control knob for fifteen (15) seconds.
- Use rod to light match and ignite pilot. The pilot is located in front of rear log and burner on right hand side of appliance.
- Continue to hold control knob for an additional one (1) minute to ensure pilot is lit.
- Turn control knob counter clockwise to “ON” position. Push “ON/ OFF” toggle switch to “ON” position. The main burner should light.
- Close access panel door.
- Turn on all electrical power to appliance.
NOTE: This unit may be used with an optional Wall Thermostat. If so, Wall Thermostat needs to be set at a higher temperature than room temperature.
FLAME CHECK
A periodic check of flames should be made. The pilot flame should always be present when gas logs are in operation.
Rear Flames: Flames at rear or at either side of top log should be very similar, yellow in color and should be about 3″ to 4″ above large rear log for natural gas log. For propane (LP) gas log sets the flame should be about 6″.
Front Flame: Flame should be 1-1/2″ to 2″ high and touch back of front log. This will produce a red glow on this log.

WHEN USED AS A HEATING APPLIANCE
HEAT OUTPUT
When used as a ventless heater, flue damper of a solid-fuel burning non-combustible fireplace must always be closed.
The heat output is controlled by “ON/OFF” switch or wall thermostat, when using -Millivolt Valve. When using -SIT Modulating or -SIT Manual Valve, heat output is controlled by dial with LOW to HIGH settings. The Vent-Free fireplace may be installed where permitted by local, state and city codes.
In absence of local codes, latest edition of the National Fuel Gas Code (ANSI Z223.1) must be met.
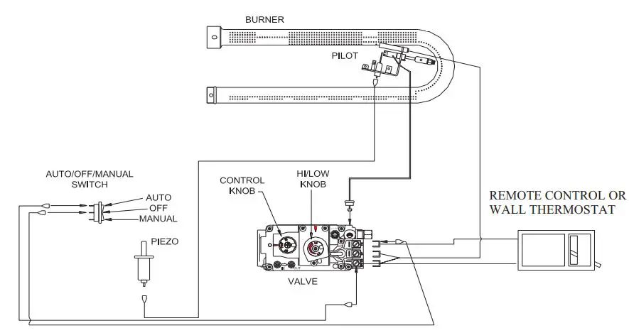
WIRING DIAGRAM

WARNING: CHILDREN AND ADULTS SHOULD BE ALERTED TO HAZARDS OF HIGH SURFACE TEMPERATURES AND SHOULD STAY AWAY TO AVOID BURNS OR CLOTHING IGNITION. YOUNG CHILDREN SHOULD BE CAREFULLY SUPERVISED WHEN THEY ARE IN SAME ROOM WITH APPLIANCE
WARNING: DO NOT PLACE CLOTHING OR OTHER FLAMMABLE MATERIAL ON OR NEAR APPLIANCE.
NOTE: If any of original wire must be replaced, it must be replaced with a wire of at least a 105o C. temperature rating.
NOTE: Installation and repair should be done by a qualified service person. This heater should be inspected before use and at least annually by a qualified service person. More frequent cleaning may be required due to excessive lint from carpeting, bedding material, etc. It is imperative that control compartments and circulating air passageways of heater be kept clean.
CAUTION: Label all wires prior to disconnection when servicing controls. Wiring errors can cause improper and dangerous operation.
Verify proper operation after servicing.
WARNING:
ELECTRICAL GROUNDING INSTRUCTION:THIS APPLIANCE IS EQUIPPED WITH A THREEPRONG (GROUNDING) PLUG FOR YOUR PROTECTION AGAINST SHOCK HAZARD AND SHOULD BE PLUGGED DIRECTLY INTO A PROPERLY GROUNDED THREE-PRONG RECEPTACLE.
NOTE: #PESBR084 Blower Motor Rating: 120 volts/60HZ/1.1 Amps. See Figure 9, page 18 for wiring diagram.
NOTE: For convenience, allow licensed electrician to install properly grounded 3-plug receptacle near unit.
ROOM BLOWER INSTALLATION
To remove or replace blower, open lower louvered access door. Room air blower is located at rear of unit in bottom chamber. Remove two (2) hex head screws holding motor and motor bracket to outer bottom of unit. Unhook two motor wires and remove motor from unit. Next remove (2) screws that fasten motor bracket to motor. Locate motor bracket onto new motor in same position as with old motor. Using two (2) hex head screws fasten bracket to new motor. Place new motor into lower compartment.
NOTE: Make sure motor opening 1″x 5″ is behind inner wall of stove and not touching any metal. Fasten new motor and bracket to motor support on bottom of unit. Hook motor wires as shown in the diagram on page 18.
Installation and repairs should be performed by a qualified service person. The appliance should be inspected before use and at least annually by a professional service person. More frequent cleaning may be required due to excessive lint from carpeting, bedding material, etc. It is imperative that control compartments, burners and circulating air passageways of appliance be kept clean.
BLOWER OPERATION INSTRUCTIONS
Your stove is equipped with a automatic thermostat. When stove gets hot enough, thermostat will activate room air blower. Set fan speed according to desired heat output using rheostat.

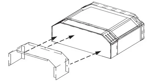
SECTION III INSTALLATION MODEL 329 (FP) IN SOLID FUEL BURNING FIREPLACES
- Model 329 (FP) may be installed in a masonry fireplace. Minimum fireplace dimension must be 24″ high, 29-1/2″ wide, and 6″ deep.
- For minimum dimensions for sidewall and mantel, see Figure 11.
- Center heater in fireplace opening.
- NOTE: See “Producing Adequate Ventilation” page 28.
NOTE: Installer of this appliance must mechanically (peel and stick) attach the marking supplied with this unvented appliance before installing to inside of firebox of solid-fuel burning fireplace or listed vent less firebox enclosure into which unvented fireplace insert is installed. See example of marking on page 8 of this manual.
CAUTION: Cutting any sheet-metal parts of solid-fuel burning fireplace or listed vent less enclosure in which unvented fireplace is to be installed is prohibited.
NOTE: If factory-built fireplace has no gas access hole (s) provided, an access hole of 1.5 inch (37.5) diameter or less may be drilled through lower sides or bottom of firebox. This access hole must be plugged with non-combustible insulation after gas supply line has been installed. Refractory, glass doors, screen rails, screen mesh and solid-fuel log grates (if applicable) can be removed from fireplace before installing unvented fireplace insert. Smoke shelves, shields and baffles may be removed if attached by mechanical fasteners. Trim panels or surrounds shall not seal ventilation openings in fireplace.
NOTE: After unit is positioned in fireplace, mark trim panels as follows:
A. Set the side panels in place, flat against fireplace. Mark down inside edge of the trim panel
to make a vertical reference line.

B. Set top (long) trim panel in place on top of unit. The panel should be flat against outside face of fireplace and standing vertically. Mark along lower edge of trim panel with a pencil to make reference line for mounting.
(4) Slide the unit out of fireplace far enough to work behind trim panel reference lines with a screw gun.
NOTE: You need to make sure supply gas line is hooked up at this time. Be sure to check for leaks at connection using soap and water. DO NOT USE OPEN FLAME TEST FOR LEAKS.
(5) With screws provided with fireplace kit, attach both side trim panels. Next, attach top trim panels.
(6) Slide heater back into fireplace with trim panels flat against face of fireplace.
(7) After hooking up gas line, checking for leaks, and mounting trim panels slide heater into fireplace.
(8) Place logs on burner base as shown on page 6. or 7.
(9) For gas hook-up and pressure tap test, see instruction in Section II.
WARNING: Solid-Fuels shall not be burned in a fireplace in which an unvented room heater is installed.
CAUTION: Any outside air ducts and/or ash dumps in fireplace shall be permanently closed at time of appliance installation.
WARNING: Before installing in a solid-fuel burning fireplace, chimney flue and firebox must be cleaned of soot, creosote, ashes and loose paint by a qualified chimney cleaner.
SECTION IV MODEL 329(FS) FREESTANDING INSTALLATION
(1) Determine exact position of your gas heater.
NOTE: Due to high temperatures, this heater should be located out of traffic areas and away from furniture and draperies.
NOTE: For safe installation the minimum clearances must be met. See Figure 12.

CAUTION: The installation must conform with local codes or in absence of local codes, with National Fuel Gas Code, ANSI Z223.1/NFPA54.
NOTE: See Section II for gas hookup and pressure check.
(2) Make sure you have right valve for your type of gas. Check label on side of valve. Position logs as shown in Log Placement Section, Page 6. Or 7. Position screen before leaving heater unattended.
This appliance is only for use with type of gas indicated on rating plate. This appliance is not convertible for use with other gases.
WARNING: Young children should be carefully supervised when they are in same room with appliance. Children and adults should be alerted to hazards of high surface temperature and should stay away to avoid burns or clothing ignition.
WARNING: When appliance is installed directly on carpeting, tile or other combustible material, other than wood flooring, appliance shall be installed on a metal or wood panel extending full width and depth of appliance.
FREESTANDING PEDESTAL INSTALLATION
- Lay the heater on its back (use a drop-cloth to protect back of heater and surface of your flooring). Place pedestal against bottom of heater. Center pedestal from left to right and from front to rear. Mark holes on angle on top of pedestal. Lay the pedestal aside. Drill through marks. Replace pedestal and secure with provided screws.
- Stand heater to upright position. Place heater in the desired location. At this point you may want to secure the pedestal to floor with screws or with a “L” bracket.
- Hook up gas supply line. Check for leaks with mild soapy water. See page 5, Installation Clearances and Gas Connection.

FREESTANDING LEG INSTALLATION
- Lay the heater on its back (use a drop-cloth to protect back of heater and surface of your flooring). Attach desired leg kit to bottom of unit with supplied bolts. Regular Legs #FAFS2191 or Large Legs #FAFS9151
- Stand heater to upright position. Place heater in the desired location.
- Hook up gas supply line. Check for leaks with mild soapy water. See page 5, Installation Clearances and Gas Connection.

SECTION V MODEL 329 ALCOVE INSTALLATION
CAUTION: READ ENTIRE MANUAL BEFORE INSTALLING HEATER.
(1) For clearances, see Figure 14. The minimum must be met.
(2) For Installation and Gas Hookup Connection see Section II page 5.
CAUTION: The installation must conform with local codes or in absence of local codes, with National Fuel Gas Code, ANSI Z223.1/NFPA54.
WARNING: DO NOT USE THIS HEATER IF ANY PART HAS BEEN UNDER WATER. IMMEDIATELY CALL A QUALIFIED SERVICE TECHNICIAN TO INSPECT ROOM HEATER AND TO REPLACE ANY PART OF CONTROL SYSTEM AND GAS CONTROL WHICH HAS BEEN UNDER WATER.
WARNING: IMPROPER INSTALLATION, ADJUSTMENT, ALTERATION, SERVICE OR MAINTENANCE CAN CAUSE PERSONAL INJURY, LOSS OF LIFE OR PROPERTY DAMAGE. REFER TO THIS MANUAL.
WARNING: ANY CHANGE TO THIS HEATER OR ITS CONTROLS CAN BE DANGEROUS.

SECTION VI INSTALLATION OF MODEL 329 (WS) WITH OPTIONAL WOODEN SURROUND
(KIT#PAKDFP34)
See page 24, figure 10 for Clearances to Combustible Materials. (1) When choosing right location for your heater and mantel keep following in mind:
NOTE: Due to high temperatures, this heater should be located out of traffic areas and away from furniture and draperies.
CAUTION: The installation must conform with local codes or in absence of local codes, with
National Fuel Gas Code, ANSI Z223.1/NFPA54.
NOTE: See Section II for gas hookup and pressure check.
WARNING: Young children should be carefully supervised when they are in same room with appliance. Children and adults should be alerted to hazards of high surface temperature and should stay away to avoid burns or clothing ignition.
(2) Position screen before leaving heater unattended.
(3) Follow instructions for assembly of Wooden Surround (Mantel) supplied with mantel.
TOOLS NEEDED: Medium Phillips screwdriver, tape measure, power drill and 5/16″ socket.
STEP 1: Lay out all components.
STEP 2: Assemble end panels A & B to top front rail C.
STEP 3: Stand end panels and top front rail into hearth. NOTE: (Position back of end panels with back of hearth centering assembly from each end). Install front screws first, then pull back towards inside to square mantel. Install screws through back holes.
(4) The owner must decide at this time if parts D, E, and F are to be wood or green. Beginning with panel E stand chosen color face out on hearth flush against stop block located inside end panel A and attach. Position the left end of top window D on top of E and attach. Slide panel F under right end of D and attach.

(5) After mantel has been assembled, take metal strips out of box supplied with mantel. Position side strips on each side of your 329 with a maximum of 9 3/4″ from back of stove to edge of your metal strip. Attach with self tapping screws.
(6) Take top strip and screw it to top of your 329 overlapping your side panels on it.
(7) Place a cloth or blanket over front portions of mantel as not to scar wooden part of mantel.
(8) Take fireplace and slide it into opening of mantel from front side. Slide it in far enough that edge of side and top panels snug up against front side of your mantel. Center up.
(9) Remove cloth or blanket from underneath stove.
(10)Take two metal “ell” brackets with screws provided and anchor back of fireplace to mantel.
(11)Place top on to mantel, flush with back and equal on each end. Secure both ends and middle with screws.

Installation and repairs should be performed by a qualified service person. The appliance should be inspected before use and at least annually by a professional service person. More frequent cleaning may be required due to excessive lint from carpeting, bedding material, etc. It is imperative that control compartments, burners and circulating air passageways of appliance be kept clean.
SURROUND (MANTEL) DIMENSIONS
Style: Wall Standard Mantel; 49 1/2″ Width, 18 1/2″ Depth, 44″ Height Light Oak Mantel; 50″ Width, 21 3/4″ Depth, 43 1/2″ Height Style: Corner Standard Mantel; 49 1/2″ Width, 39″ Depth (center) Light Oak Mantel; 52 1/2″ Width, 44 1/2″ Depth (center)
SECTION VII INSTALLATION AFTER MARKET PERMANENTLY LOCATED MANUFACTURED HOME
NOTE: See section VIII for “Producing Adequate Air For Combustion And Ventilation” See Page 28.
THIS APPLIANCE MAY BE INSTALLED IN AN AFTERMARKET*, PERMANENTLY LOCATED, MANUFACTURE HOME, WHERE NOT PROHIBITED BY LOCAL CODES. *(After Market: Completion of sale, not for purpose of resale from manufacturer.)
For mobile home installation instruction follow instructions provided in this manual completely
THIS APPLIANCE IS ONLY FOR USE WITH THE TYPE OF GAS INDICATED ON RATING PLATE. THIS APPLIANCE IS NOT CONVERTIBLE FOR USE WITH OTHER GASES.
PRODUCING ADEQUATE AIR FOR COMBUSTION AND VENTILATION
This section is for residential or permanently located manufactured home installation
This heater shall not be installed in unusually tight construction or unconfined space unless provisions are adequate for combustion and ventilation air.
NOTE: This heater shall not be installed in a room or space unless required volume of indoor combustion air is provided by method in National Fuel Gas Code, ANSIZ223.1/NFPA 54, International Fuel Gas Code or applicable codes.
The National Fuel Gas Code, ANSI Z223.1/NFPA 54 defines unusually tight construction or unconfined space as a space whose volume is less than 50 cubic feet per 1,000 BTU per hour (4.8m 3 per kw) of aggregate input rating of all appliances installed in that space and an unconfined space as a space whose volume is not less than 50 cubic feet per 1,000 BTU per hour (4.8m 3 per kw) of aggregate input rating of all appliances installed in that space. Rooms communicating directly with space in which the appliances are installed, through openings not furnished with doors, are considered a part of the unconfined space.
WARNING: IF AREA IN WHICH HEATER MAY BE OPERATED DOES NOT MEET THE REQUIRED VOLUME FOR INDOOR COMBUSTION AIR, COMBUSTION AND VENTILATION AIR SHALL BE PROVIDED BY ONE OF METHODS DESCRIBED IN NATIONAL FUEL GAS CODE, ANSI Z223.1/NFPA 54, INTERNATIONAL FUEL GAS CODE OR APPLICABLE CODES.
WARNING: IF AREA IN WHICH HEATER MAY BE OPERATED IS SMALLER THAN THAT DEFINED AS AN UNCONFINED SPACE OR IF BUILDING IS OF UNUSUALLY TIGHT CONSTRUCTION, PROVIDE ADEQUATE AIR FOR COMBUSTION AND VENTILATION BY ONE OF METHODS DESCRIBED IN NATIONAL FUEL GAS CODE, ANSI Z223.1/NFPA 54 AIR FOR COMBUSTION AND VENTILATION OR APPLICABLE LOCAL CODES.
Unusually tight construction is defined as construction where: a) Walls and ceilings exposed to outside atmosphere have a continuous water vapor retarder with a rating of 1 perm (6 x 10-11 kg per pa-sec-m2) or less with openings gasketed or sealed;
b) Weather stripping has been added on openable windows and doors.
c) Caulking or sealants are applied to areas such as joints around window and door frames, between sole plates and floors, between wall-ceiling joints, between wall panels, at penetrations for plumbing, electrical and gas lines and at other openings.
NOTE: SOME AREAS IN UNITED STATES HAVE HIGHER REQUIREMENTS FOR CUBIC FEET PER 1000 BTU/ HOUR INPUT. (EX. CINCINNATI, OHIO CODES REQUIRE 70 CUBIC FEET). CHECK YOUR LOCAL CODE BEFORE INSTALLATION.
DETERMINING FRESH-AIR FLOW FOR HEATER LOCATION
DETERMINE IF YOU HAVE UNUSUALLY TIGHT CONSTRUCTION OR UNCONFINED SPACE
Use this worksheet to determine if you have unusually tight construction or unconfined space.
SPACE: Includes room in which you will install heater plus adjoining rooms with doorless passageways or ventilation grills between the rooms.
1. Determine the volume of space (length x width x height). Length x Width x Height =_________cu.ft.(volume of space) EXAMPLE: 20 ft.(Length) x 16 ft.(Width) x 8 ft.(ceiling Height)= 2560 cu. ft. (volume of space)
If additional ventilation to adjoining room is supplied with grills or openings, add volume of these rooms to t total volume of space.
2. Divide space volume by 50 cubic feet to determine maximum BTU/Hr space can support.
_________(volume of space)/50 cu. ft. =maximum BTU/Hr space can support) EXAMPLE: 2560 cu. ft. (volume of space /50 cu. Ft .= 51.2 or 51200 (maximum BTU/Hr space can support)
3. Add BTU/Hr of all fuel burning appliances in space.

4. Compare the maximum BTU/Hr space can support with actual amount of BTU/Hr used.
____________BTU/Hr (maximum space can support)
____________BTU/Hr (actual amount of BTU/Hr used)
Example: 51200 BTU/Hr (maximum the space can support) 58000 BTU/Hr (actual amount of BTU/Hr used) The space in above example is a unusually tight construction because actual BTU/Hr used is more than maximum BTU/Hr space can support. You must provide additional fresh air. Your options are as follows: A. Rework worksheet, adding space of an adjoining room.
If extra space provides an unconfined space, remove door to adjoining room or add ventilation grills between rooms. See “Ventilation Air From Inside Building”, page 34.
B. Vent room directly to outdoors. See “Ventilation Air From Outdoors”, page 35.
C. Install a lower BTU/Hr heater, if lower BTU/Hr size makes room unconfined.
If actual BTU/Hr used is less than maximum BTU/Hr space can support, space is an unconfined space. You will need no additional fresh air ventilation.
WARNING: YOU MUST PROVIDE ADDITIONAL VENTILATION AIR IN A UNUSU- ALLY TIGHT CONSTRUCTION.
AIR FOR COMBUSTION AND VENTILATION INSIDE BUILDING
This fresh air would come from an adjoining unconfined space. When venting to an adjoining space, you must provide two permanent openings: one within 12″ of the ceiling and one within 12″ of floor on wall connecting two spaces. (See Options 1 and 2, Figure 17.) You can also remove door into adjoining room. (See Option 3, Figure 17.)
WARNING
REWORK WORKSHEET, ADDING SPACE OF ADJOINING UNCONFINED SPACE. COMBINED SPACES MUST HAVE ADEQUATE AMOUNT OF AIR TO SUPPLY ALL APPLIANCES IN BOTH SPACES.
NOTE: Each opening shall have a minimum free area of 1 square inch per 1000 BTU’s per hour of total input ratings of all gas utilization equipment in confined space, but not less than 100 square inches.
⚠ WARNING
THIS HEATER MUST HAVE ADEQUATE AMOUNT OF AIR FOR PROPER OPERATION. IF NOT, POOR FUEL COMBUSTION COULD RESULT. READ THE FOLLOWING INSTRUCTIONS TO ENSURE PROPER AMOUNT OF AIR FOR THIS AND OTHER FUEL-BURNING APPLIANCES IN YOUR HOME.
AIR FOR COMBUSTION AND VENTILATION OUTDOORS
Provide extra fresh air by using ventilation grills or ducts. You must provide two permanent openings: one within 12″ of ceiling and one within 12″ of floor. Connect these items directly to outdoors. These spaces include attics and crawl spaces. Follow National Fuel Gas Code NFPA 54/ ANSI Z223.1, Section 5.3, “Air For Combustion and Ventilation” for required size of ventilation grills or ducts.
IMPORTANT: Do not provide openings for inlet air into attic if attic has a thermostat-controlled power vent. Heated air entering the attic will activate power unit.

IMPORTANT SAFEGUARDS
Although your gas logs are very realistic in appearance, it is not a real burning fireplace and must not be used for burning rejected material.
- To avoid irreparable damage to heater or personal injury, matches, paper, garbage or any other material must not be placed or thrown on top of Logs or into flames.
- To avoid personal injury, do not touch hot surfaces when heater is operating.
- Close supervision is necessary when heater is being operated near children.
WARNING:
THE LOGS ARE MANUFACTURED FROM BONDED CERAMIC FIBER. THIS IS A COMMONLY USED MATERIAL IN INDUSTRY WORLDWIDE. IN EVENT THAT A LOG SHOULD BE REMOVED, CARE SHOULD BE TAKEN NOT TO DAMAGE BONDED MATERIAL. INTENTIONAL MISUSE OR DELIBERATELY FRAGMENTING MATERIAL COULD LEAD TO INHALING FIBERS AND BE HAZARDOUS TO YOUR HEALTH.
THIS HEATER IS INTENDED FOR USE AS A GAS HEATER FIREPLACE AS DESCRIBED IN THESE INSTRUCTIONS. IT SHOULD NOT BE USED FOR ANY OTHER PURPOSE.
CLEANING
CAUTION: BEFORE CLEANING OR MOVING THESE LOGS OR OTHER PARTS
OF HEATER, BE SURE TO READ ABOVE SECTIONS ON IMPORTANT SAFEGUARDS.
The appliance must be turned “OFF” before cleaning inside firebox (burn area), make sure pilot is “OFF” completely and appliance has cooled.
- All cleaning should be carried out when heater is cold. Limited cleaning is required with normal use. Dusting front of base, top of piezo cover or control knob panel may be required occasionally. Do not use cleaning fluids to clean the logs or any other part of heater.
- If flames show unusual shapes or behaviour or if burner fails to ignite properly, burner holes may require cleaning. If this occurs, contact your nearest dealer to service heater.
- The heater can be cleaned by removing logs. Lift logs gently, as not to damage fiber pieces, use caution when removing. Lift each log by holding it carefully at each end. Use a vacuum cleaner to remove dust and loose particles from base, logs and around burner and ODS/ Pilot. Gloves are recommended to prevent fibers from breaking skin. If skin is broken, clean with soap and water.
WARNING: Failure to keep primary air opening (s) of the burner (s) clean may result in soot and property damage.
TROUBLESHOOTING
WARNING
TURN OFF AND UNPLUG HEATER AND LET COOL BEFORE SERVICING. ONLY A QUALIFIED SERVICE PERSON SHOULD SERVICE AND REPAIR HEATER.
CAUTION
NEVER USE A WIRE, NEEDLE OR SIMILAR OBJECT TO CLEAN ODS/PILOT. THIS CAN DAMAGE ODS/PILOT.





SERVICING
Repair and replacement work should only be performed by a qualified service technician. Always shut off gas supply and make sure heater is cool before beginning any service operation. Check for gas leaks after servicing.
REPAIR PARTS
A parts list with exploded view follows. Always include correct name, part number and model number of heater when ordering service parts. Please contact your local dealer or distributor when ordering . If one is not available, you may contact.
NEW BUCK CORPORATION
200 ETHAN ALLEN DRIVE, PO. BOX 69 SPRUCE PINE, NC 28777
REPLACEMENT PARTS
SIT MODULATING OR SIT MANUAL MA343BA BASE (Picture on page 3)


SIT MODULATING OR SIT MANUAL MA343BA BASE

REPLACEMENT PARTS
SIT MILLIVOLT VALVE MA344BA BASE (Picture on page 41)


SIT MILLIVOLT VALVE MA344BA BASE

REPLACEMENT PARTS
SIT MILLIVOLT VALVE MA344EBBA ESB BASE (Picture on page 43)
A parts list with exploded view follows. Always include correct name, part number and model number of the heater when ordering service parts.

SIT MILLIVOLT VALVE ESB MA344EBBA BASE

NEW BUCK CORPORATION
We reserve rights to amend these specifications at any time without notice. The only warranty applicable is our standard written warranty. We offer no other warranty, expressed or implied.
LIMITED WARRANTY VENT-FREE GAS LOG HEATER
New Buck warrants this product to be free from defects in materials and components for two (2) years from date of first purchase, provided that product has been properly installed, operated and maintained in accordance with all applicable instructions. To make a claim under this warranty Bill of Sale or canceled check must be presented.
This warranty is extended only to original retail purchaser and covers cost of parts required to restore heater to proper condition. Warranty parts MUST be obtained through an authorized Buck Stove dealer and/or New Buck, who will provide original factory replacement parts. Failure to use original factory replacement parts voids this warranty. The heater MUST be installed by a qualified installer in accordance with all local codes and instructions furnished with unit.
Warranty does not apply to parts that are not in original condition, normal wear and tear or parts that fail or become damaged as a result of misuse, accidents, lack of proper maintenance or defects caused by improper installation.
WARRANTY DOES NOT COVER:
– Removal and re-installation cost
– Labor costs for replacements or repairs
– Transportation
– Cost of service call to diagnose trouble
– Painted surfaces
– Damage or defect caused by improper installation, accident, misuse, abuse, or alteration
TO FULL EXTENT ALLOWED BY LAW OF JURISDICTION THAT GOVERNS SALE OF PRODUCT, THIS EXPRESS WARRANTY EXCLUDES ANY AND ALL OTHER EXPRESSED WARRANTIES AND LIMITS DURATION OF ANY AND ALL WARRANTIES, INCLUDING WARRANTIES OF MERCHANTABILITY AND FITNESS FOR A PARTICULAR PURPOSE TO ONE (1) YEAR FROM DATE OF FIRST PURCHASE. NEW BUCK LIABILITY IS HEREBY LIMITED TO PURCHASE PRICE OF PRODUCT AND NEW BUCK SHALL NOT BE LIABLE FOR ANY OTHER DAMAGES WHATSOEVER INCLUDING INCIDENTAL OR CONSEQUENTIAL DAMAGES.
Some states do not allow a limitation on how long an implied warranty lasts or an exclusion or limitation of incidental or consequential damages, so above limitation on implied warranties or exclusion on damages may not apply to you.
This warranty gives you specific legal rights. Other rights may vary from state to state.
OWNER REGISTRATION
The attached owner registration card must be completed in its entirety and mailed within 30 days from date of installation in order for warranty coverage to begin to:
New Buck Corporation P.O. Box 69 Spruce Pine, NC 28777 Email:[email protected]
PLEASE NOTE: Owner Registration Card must contain Authorized Buck Stove Dealer Number and Certified Installer’s number (if applicable) for warranty coverage to begin.
NAME: ____________________________________________________
ADDRESS:_________________________________________________
CITY:_____________________________________________________
STATE: ______________________
ZIP: ________________________
CUSTOMER EMAIL:_________________________________________
MODEL #: FP-329B SERIAL #: ____________________________
DATE OF INSTALLATION: ___________________________________
INSTALLER’S NAME: _______________________________________
PURCHASED FROM: _______________________________________























