
Installation & Operation Manual
Glass/Mug Frosters
FR Series

Form No. Z2296
Rev. 11.24.2020


FR60RT-3-BL FR Series Glass-Mug Frosters
| JOB | |
| AREA | |
| ITEM NO. | |
| MODEL NO. |
| FR24 SERIES |
| FR36 SERIES |
| FR48 SERIES |
| FR60 SERIES |
| MODEL NUMBERS | FR24 | FR36 | FR48 | FR60 | |
| EXTERIOR CABINET DIMENSIONS | Length – in. (mm) | 24 (610) | 36 (914) | 48 (1219) | 60 (1524) |
| Depth – in. (mm) | 24 (610) | 24 (610) | 24 (610) | 24 (610) | |
| Height – in. (mm) | 34-1/8 (866) | 34-1/8 (866) | 34-1/8 (866) | 34-1/8 (866) | |
| INERNAL NET VOLUME – cubic ft. (liters) | 4.2 (118) | 8.6 (242) | 12.5 (353) | 16.3 (462) | |
| PLATE CAPACITY * | 135 Plates | 215 Plates | 300 Plates | 400 Plates | |
| GLASS CAPACITY * | 90 Glasses | 142 Glasses | 214 Glasses | 286 Glasses | |
| W/ OPTIONAL THIRD SHELF | N/A | 172 Glasses | 273 Glasses | 363 Glasses | |
| SHIPPING WEIGHT LBS. (KG.) | 190 (86) | 245 (111) | 300 (136) | 353 (160) | |
| CABINET CONSTRUCTION (INTERIOR) | All models have stainless steel walls and floor. | ||||
| CABINET CONSTRUCTION (EXTERIOR) | Choice of black, stainless steel and all stainless. Black Option: Front and ends are black vinyl coated steel, back and bottom are galvanized. Stainless Steel Option: Front and ends are stainless steel, and back and bottom are galvanized. All Stainless Option: Front, ends, back and bottom are all stainless steel. | ||||
| DOORS AND HARDWARE | Sliding style open. Stainless steel top and bottom pans. Die-cast handle | ||||
| PLUMBING | No drain is required. Condensate evaporates automatically. | ||||
| INSULATION | 2-inch foamed-in-place, environmentally friendly Ecomate® polyurethane insulation. | ||||
| VENTILATION | The 2’ model is front vented, all other models require 2” clearance from the wall on either the left end or back of the cabinet for proper airflow. | ||||
| TEMPERATURE SPECIFICATIONS | Default Temperature Setpoint: Standard Temp (RT) Models – °F [°C] | 0 [-17.75] | |||
| Adjustable Setpoint Range: Standard Temp (RT) Models – °F [°C] | (-) 10 to (+)10 [-23.3 to -12.2] | ||||
| ELECTRICAL SPECIFICATIONS | Supply | 120 VAC/60 Hz/1 Ph | |||
| Running Load Amps | 3.8 | 3.8 | 3.8 | 3.8 | |
| Power Cord | 6-foot length with NEMA 5-15 plug. | ||||
| Thermostat | NSF Listed electronic control. | ||||
| Defrost Type | Automatically defrosts electrically every 4 hrs for approximately 20 minutes | ||||
| Manual Defrost | The push button defrost system, manually initiated at the end of each day, Automatically terminates after six hours. | ||||
| REFRIGERATION SPECIFICATIONS | Condensing Unit | The hermetic condensing unit pulls out for service and cleaning. | |||
| Expansion Device | Capillary Tube | ||||
| Refrigerant | R290 | ||||
| Refrigerant Charge (g) | 80 | 100 | 100 | 115 | |
| Compressor H.P. | 1/4 | 1/4 | 1/4 | 1/4 | |
| Total Heat of Rejection At 75°F ambient (BTU/h) | 2980 | 2980 | 2980 | 2980 | |
| OPTIONAL ACCESSORIES | Flat shelving • Divider shelving • Roller basket shelving Set of 4 Adjustable legs (Multiple sizes available) Set of 4 Casters w/ brakes (Multiple sizes available) • 2’, 3’, 4’,and 5’ Bottle Rail (field Installed) | ||||
* Capacity based on use of 3″ diameter glass and 9-1/2″ diameter X 1/2″ thick plate.
Perlick is committed to continuous improvement. Therefore, we reserve the right to change specifications without prior notice.
GENERAL INFORMATION
Introduction
This manual has been prepared to assist you in the installation of your Glass Froster and to acquaint you with its operation and maintenance. We dedicate considerable time to ensuring that our products provide the highest level of customer satisfaction. If service is required, call Perlick at 1-800-777-7267 or your dealer who can provide you with a list of qualified service agents. For your own protection, never return merchandise for credit without our approval.
We thank you for selecting a Perlick product and assure you of our continuing interest in your satisfaction.
Warranty
To register your product, visit our web site at www.perlick.com. Click on “Commercial”, then “Service”. Click on the link “Warranty Registration Form”. You must complete and submit this form or the installation date will revert back to the ship date.
Please record the purchase date and the dealer’s name, address and telephone number below.
Model Number: ________________________
Serial Number: _________________________
Purchase Date: _______________________
Dealer Name & Address __________________
Phone Number__________________________
SAFETY
PLEASE READ all instructions completely before attempting to install or operate the unit. Take particular note of the DANGER, WARNING CAUTION information in the manual. The information is important for the safe and efficient installation, operation and care of your Perlick unit.
DANGER
Indicates a hazard that WILL result in serious injury or death if precautions are not followed.
WARNING
Indicates a hazard MAY cause serious injury or death if precautions are not followed.
CAUTION
Indicates a hazard where minor injury or product damage may occur if precautions are not followed.
NOTICE
Indicates that property damage may occur if warnings or instructions are not followed.
IMPORTANT!
Read and understand all information in this manual before attempting the installation. All plumbing and electrical work must be performed by a qualified technician and conform to all applicable state and local codes.
PREPARING THE CABINET – GLASS FOSTERS
Refrigerant
All models covered in this user manual are manufactured using refrigerant R290 (Propane). R290 is a hydrocarbon. This refrigerant is flammable and is only allowed for use in
appliances that fulfill the requirements of UL 471 (To cover potential risk originating from the use of flammable refrigerants). Consequently, R290 is only allowed to be used in refrigerating appliances that are designed for this refrigerant and fulfill the above-mentioned standard.
- R290 is heavier than air. The concentration will always be highest at floor level.
- The explosion limits are as follows:
– Lower Limit: 1.7% by vol. (37 g/m3)
– Upper Limit: 9.5% by vol. (177 g/m3)
– Ignition Temperature: 470 °C
DANGER
Take caution when handling, moving, and using the product to avoid damaging the refrigerant tubing or increasing the risk of a leak.
WARNING
All service work shall be performed by factory-authorized service personnel and all component parts shall be replaced with like components to minimize the risk of possible
ignition due to incorrect parts or improper service.
CAUTION
If service is necessary, repair work must be performed by a Perlick authorized servicer. Work done by unqualified individuals could potentially be dangerous and will void the
warranty.
Uncrating and Inspection
Remove all crating material. Carefully inspect the cabinet for hidden damage. If damage is discovered, file your claim immediately with the transport company. Perlick is not responsible for damage in transit.
NOTICE This product contains blown foam insulation using blowing agent R-611 (Methyl Formate). The foam in this product does not contain HFCs, CFCs, or hcfcs.
Plumbing
No plumbing connections are required. Condensate from the cooling coil automatically evaporated through a condensate pan located in the condensing unit section.
Electrical
The cabinet must be connected to a separately fused power source (see Electrical Specification Plate affixed to unit) in accordance with National and Local electrical codes.
CAUTION
Do not attempt to operate the equipment on any other power source than that listed on the Electrical Specification Plate.
Adjustable Partitions & Shelving
Perlick Glass Frosters may be provided with adjustable partitions and shelving which will accommodate various bottle sizes.
■ When placing glasses in the chiller make sure to ensure proper airflow between glasses.
■ When loading product into the cabinet, care must be taken to avoid blocking airflow into and out of the evaporator. Maintain at least 2” of clearance on the evaporator air intake and exhaust for proper operation.
Installing Casters or Legs (optional)
Attach casters or legs to the cabinet bottom in the holes provided. Use the supplied 1/4” – 20 hex head self-tapping machine screws. If the unit is tipped on its back for an extended period of time, wait 24 hours after the unit is uprighted to plug the unit in.
Placing the Cabinet
To assure maximum performance, fresh air must be allowed to circulate through the machinery compartment. It is important to allow at least two inches of clearance at the back or left end of the cabinet. Do not place anything in front of the cabinet that would obstruct airflow at these grilles. Do not place the unit in an unventilated small room.
CAUTION
Removing the factory-installed back clearance spacers without providing proper left-side grill clearance for compressor airflow will void the warranty.
HOW TO OPERATE – GLASS FORESTERS
The cabinet should be leveled.
For sanitation purposes, it may be necessary to seal the base of the cabinet to the floor. This can be accomplished by laying a bead of silicone sealant along the base of the cabinet as shown by the figure below (figure 1).
Temperature Control
Digital temperature control is located on the front face of the Glass Froster, above the condensing unit housing. It is factory set at approximately 0°F for standard refrigeration.
Digital Temperature Control
To display the Setpoint values press the
key when the ‘SET’ label is displayed. The Setpoint value appears on the display. To change the Setpoint value, press
the
and keys within 15 seconds. Press
to confirm the modification.
The condenser fan motor turns off and on with the compressor. The evaporator fan motor runs continuously.

Defrosting The System
This system consists of a six-hour, as well as a four-hour defrost cycle. The six-hour defrost cycle is manually activated and automatically terminated, while the four-hour cycle is
completely automatic.
The Six-Hour Manual Defrost
The six-hour manual defrost shuts off the power to the condensing unit, door frame heater, evaporator heater, and automatic four-hour defrost timer, while it supplies power to the evaporator fan. To activate the six-hour defrost system, depress (and hold for 3 seconds) the defrost switch located next to the controller above the front grill of the cabinet. When the manual defrost cycle initiates a fan icon will appear on the controller display as well as “def” (figure 3a). When the defrost cycle ends, the cabinet resumes normal operation. To cancel a manual defrost cycle, momentarily turn off the electricity to the machine (unplug the unit).

The Four-Hour Defrost Timer
This automatic defrost ensures that frost will not build up on the evaporator coil. Every four hours it shuts down the condensing unit, box frame heater, and evaporator fan and supplies power to the defrost element clamped to the bottom of the evaporator. When automatic defrost is initiated the controller will display a melting snowflake as well as “def” for the duration of the defrost (figure 3b).

To manually initiate the automatic defrost cycle press and hold either the up or down arrows. The defrost cycle lasts for approximately 20 minutes followed by 2 minutes of drip time (where the evaporator fan shuts off to allow water to drip off the coil and drain before it can refreeze). (figure 3c).

When the cycle is complete the unit will resume cooling operation shown on the controller with a snowflake and fan icon, however “def” will remain on the display screen until the next time the set point value is reached (figure 3d). During normal operation, it is recommended that the doors are not left open to prevent excessive frost buildup on the coil.

Cleaning the Condenser
DANGER
Flammable Refrigerant.
Risk of fire or explosion. Do not damage refrigeration tubes.
- The condenser (located behind the front grille) should be inspected every 30 days and cleaned, if necessary. Failure to keep the condenser clean will cause a loss in condensing unit efficiency or compressor failure.
Cleaning the Doors
- Doors should be periodically removed from the cabinet and inspected for a buildup of foreign materials, such as syrups, beer, etc. Buildups on the underside of the doors, along with the cabinet breaker strips on which they ride, will cause them to bind, and therefore, not function as designed. If dirty, these surfaces should be cleaned with a mild detergent and water and then coated with an NSF-certified silicone lubricating material.
To remove doors:
- With the door closed, lift it upward by its handle and slide forward until the door clears the cabinet top. Use the reverse procedure to reinstall the doors.
Cleaning the Cabinets
- Use a damp cloth with mild detergent and water to clean the inside and outside of the cabinet. Dry thoroughly. Do not allow cleaning agents or large amounts of water to go down the drain. Use an acceptable stainless steel polish to clean all stainless steel surfaces. Never use steel wool or scouring pads to clean stainless steel.
Avoiding Stainless Steel Corrosion
Corrosion can be prevented by following the product cautions, and cleaning instructions, and avoiding the use of certain chemicals or objects which will cause stainless steel corrosion.
STAINLESS STEEL ENEMY
- Steel wool or steel scouring pads
- Cherry/Orange/Olive juice
- Chlorine Bleach
- Sharp Objects
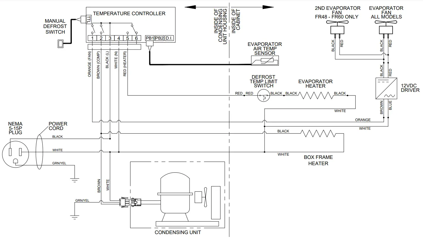
WIRING DIAGRAM

REPLACEMENT PARTS

REPLACEMENT PARTS
| MODEL NOS. | FR24 RT – 3 | FR36 RT – 3 | FR48 RT – 3 | FR60 RT – 3 | |
| Item | Description | Part Numbers | |||
| 1 | Complete condensing unit | 1018400 | 1018400 | 1018400 | 1018400 |
| Replacement compressor, R290 | C22999CMP11 | C22999CMP11 | C22999CMP11 | C22999CMP11 | |
| Condensing unit fan motor assy. | 1013047 | 1013047 | 1013047 | 1013047 | |
| Condensing unit filter drier | C22999DAH01 | C22999DAH01 | C22999DAH01 | C22999DAH01 | |
| Condensing units start components | C22999STCP10 | C22999STCP10 | C22999STCP10 | C22999STCP10 | |
| 3 | Evaporator fan | 71386 | 71386 | 71386 | 71386 |
| 4 | Evaporator coil | 64785-1EP | C17511-1EP | C17511-1EP | C17511-2EP |
| 5 | Defrost heater | C25655-1 | 65045-1 | 65045-1 | 61900 |
| 6 | Temperature sensor | 1005668 | 1005668 | 1006584 | 1006584 |
| 7 | Controller Bracket | 1024461-1 | 1024228-2 | 1024428-2 | 1024228-2 |
| 8 | Manual Defrost Switch | 1026317 | 1026317 | 1026317 | 1026317 |
| 9 | Front grille | 1024465-1 | 1024230-1 | 1024230-1 | 1024230-1 |
| 10 | Rear grille/panel | 66498-1 | 65662-3 | 65662-3 | 65662-3 |
| 11 | Top assembly | RT-SL2 | RT-SL2 | RT-SL2 | RT-SL2 |
| 12 | Top wiper gasket | 63671-24 | 63671-36 | 63671-48 | 63671-60 |
| 13 | Door assembly | RD-SL2 | RD-SL2 | RD-SL2 | RD-SL2 |
| 14 | Vertical partition | 65503 | 66441 | 66441 | 66441 |
| 15 | Roller basket | N/A | 66442-1 | 66442-1 | 66442-1 |
| 16 | Wide shelf | N/A | 64811-1 | 64811-1 | 64811-1 |
| 17 | Narrow shelf | 64809-1 | 64809-1 | 64809-1 | 64809-1 |
| Bottom floor rack (wide) | 64814-1 | 64814-1 | 64814-1 | 64814-1 | |
| 18 | Bottom floor rack (narrow) | N/A | N/A | 64815-1 | 64815-1 |
| Shelf with side rail | N/A | 64810-1 | 64810-1 | 64810-1 | |
| 19 | Shelf bracket | 65653-24 | 65653-36 | 65653-48 | 65653-60 |
| 20 | Door handle | 63931 | 63931 | 63931 | 63931 |
| 21 | Evaporator drain pan | 1025311-1 | 1025311-2 | 1025583-1 | 1025583-2 |
| ITEMS NOT SHOWN | |||||
| Wire harness, main | 1026161 | 1026161 | 1026161 | 1026161 | |
| Suction line and capillary tube assembly | 1026509 | 1026509 | 1026526 | 1026528 | |
| Mullion assembly | N/A | N/A | 66551 | 66551 | |
| Refrigerant charge (grams R290) | 80 | 100 | 100 | 115 | |
| Defrost temp. limit switch | 57676 | 57676 | 57676 | 57676 | |
| Evaporator fan DC driver | 68758 | 68758 | 68758 | 68758 | |
| Digital temperature controller | 1026455 | 1026455 | 1026455 | 1026455 | |
SPEC DRAWINGS



8300 West Good Hope Road
• Milwaukee, WI 53223
• Toll Free 800.558.5592
• Fax 414.353.7069
• www.perlick.com


















