SE40-SE60 Sewage Ejector Pump
INTRODUCTION
Thank you for purchasing an Ion Technologies sewage pump. Take the time to read the instructions carefully before using this appliance. We strongly recommend that you keep this instruction manual in a safe place for future reference.
Check the nameplate for your pump’s specification, refer to the table list.
Be careful not to exceed the given specifications in the use of your pump.
Each pump is individually factory tested to ensure proper performance. Closely following these instructions will eliminate potential operating problems assuring years of trouble-free service.
Most accidents can be avoided by using common sense.
IMPORTANT: Ion Technologies is not responsible for losses, injury or death resulting from failure to observe these safety precautions, misuse, abuse or misapplication of pumps or equipment.
MARKS & MEANINGS
CAUTION: Keep the pump equipment out of the reach of children! Warns that the failure to follow the directions given could cause serious risk to individuals or objects.
WARNING: This sign warns the operator that the failure to follow instruction may damage the pump and/or the system.
SAFETY WARNINGS
CAUTION: Read these safety warnings first before installing, servicing, or operating any pump.
Before Installation
This manual contains important information for the safe use of this product. Read this manual completely and follow the instructions carefully. Reasonable care and safe methods relating to the installation and operation of this product should be practiced. Check local codes and requirements before installation.
WARNING: Risk of Electrical Shock or Electrocution. May result in serious injury or death or fire hazard. Installer must disconnect all electrical sources prior to installation, handling or servicing. Only qualified personnel may install this system. NFPA 70/National Electric Code (NEC) or local codes must be followed. System must be properly grounded according to NEC. Do not lift pump by power cord.
WARNING: Risk of Asphyxiation. Installer(s) and/or service personnel must use proper personal protective equipment and follow OSHA 29 CFR 1910.146 or OSHA 29 CFR 1926. Pump may be installed in a location classified by as a confined space.
WARNING: Risk of Fire or Explosion. Do not smoke or use open flames in or around this system. This system is not intended for use in hazardous locations per NFPA 70 National Electric Code. Do not pump flammable liquids. Consult factory for optional equipment rated for hazardous location use.
CAUTION: Rotating machinery, amputation or severe lacerations can result. Keep clear of suction and discharge openings. DO NOT insert fingers into pump with power connected. Risk of serious cutting or amputation exists. Disconnect all power sources prior to servicing pump. Pump may start without warning.
CAUTION: Do not modify the cord and plug. When using the cord and plug, plug into a grounded outlet only. When wiring to a system control, connect the pump ground lead to the system ground.
CAUTION: Do not run the pump dry. Dry running can overheat the pump (causing burns to anyone handling it) and will void the warranty.
CAUTION: The pump normally runs hot. To avoid burns, allow it to cool for 30 minutes after shutdown before handling it.
CAUTION: Submersible sewage pumps are
not approved for use in swimming pools, recreational water installations, decorative fountains or any installation where human contact with the pumped fluid is common. Pump designed to be installed in a sewage pit or wet location where drainage collects.
WARNING: Do not throw away or lose this manual. Keep it in a safe place so that you may refer to it often for the continued safe operation of the product.
CAUTION: All returned products must be cleaned, sanitized, or decontaminated prior to shipment, to insure employees will not be exposed to health hazards in handling said materials. All applicable laws and regulations shall apply.
WARNING: Bronze/brass fitted pumps may contain lead levels higher than considered safe for potable water systems. Government agencies have determined that leaded copper alloys should not be used in potable water applications.
WARNING: Installation, wiring, and junction connections must be in accordance with the National Electric Code and all applicable state and local codes. Requirements may vary depending on usage and location.
WARNING: Installation and servicing is to be conducted by qualified personnel only.
CAUTION: Rotating machinery, amputation or severe lacerations can result. Keep clear of suction and discharge openings. DO NOT insert fingers into pump with power connected.
WARNING: Always wear eye protection when working on pumps. Do not wear loose clothing that may become entangled in moving parts.
WARNING: Pumps build up heat and pressure during operation. Allow time for pumps to cool before handling or servicing.
CAUTION: Hazardous Voltage can shock, burn or cause death. This pump is not intended for use in swimming pools or water installations where human contact with the pumped fluid is possible.
CAUTION: Risk of electrical shock. To reduce risk of electrical shock, always disconnect pump from the source before handling. Lock out power & tag.
WARNING: Do not use these pumps in water over 104°F. Do not exceed the manufactures recommended maximum performance, as this could cause the motor to overheat.
WARNING: Make sure lifting handles are securely fastened each time before lifting.
CAUTION: Do not lift, carry or hang pump by the electrical cables. Damage to the electrical cables can cause shock, burns or death. Never handle connected power cords with wet hands. Use appropriate lifting device.
WARNING: Sump and sewage pumps often handle materials which could cause illness or disease. Wear adequate protective clothing when working on a used pump or piping. Never enter a basin after it has been used.
CAUTION: Failure to permanently ground the pump, motor and controls before connecting to power can cause shock, burns or death.
CAUTION: These pumps are NOT to be installed in locations classified as hazardous in accordance with the National Electric Code, ANSI/NFPA 70.
WARNING: Do not introduce into any sewer, either directly, or through a kitchen waste disposal unit or toilet: Seafood Shells, Aquarium Gravel, Cat Litter, Plastic Objects, Sanitary Napkins or Tampons, Diapers, Rags, Disposable Wipes or Cloth, Medications, Flammable Material, Oil or Grease, Strong Chemicals, Gasoline.
- Operation against a closed discharge valve will cause premature bearing and seal failure on any pump.
- Any wiring of pumps should be performed by a qualified electrician.
- Cable should be protected at all times to avoid punctures, cuts, bruises, and abrasions-inspect frequently.
- Never handle connected power cords with wet hands.
- Never let cords or plugs lie in water outside the pit.
PERFORMANCE
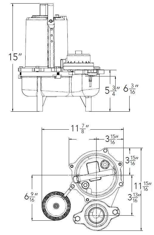
DIMENSIONS
| Important | 1 Phase Models | Model Number: | |
| Prior to installation, record Model Number, MFG Date, Amps, Voltage, Phase and HP, from pump nameplate for future reference. Also record the voltage and current readings at startup. |
Amps: |
Volts: | MFG Date: |
| Phase: | |||
| HP: | |||
| SN: | |||
SPECIFICATIONS
| Model | HP | Volt | Ph | Nema Start Code | FLA | Cord Size | Cord Type | Cord O.D. Inches |
| SE40M-1 | 4/10 | 115 | 1 | R | 11.0 | 16AWG/3C | SJTOW | .325-.360 |
| SE60M-1 | 6/10 | 115 | 1 | P | 12.0 | 16AWG/3C | SJTOW | .325-.360 |
| SE60M-01 | 6/10 | 208 | 1 | P | 7.5 | 16AWG/3C | SJTOW | .325-.360 |
| SE60M-21 | 6/10 | 230 | 1 | P | 6.0 | 16AWG/3C | SJTOW | .325-.360 |
| SE60M-23 | 6/10 | 230 | 3 | R | 4.5 | 16AWG/4C | SJTOW | .325-.360 |
| SE60M-43 | 6/10 | 460 | 3 | R | 2.3 | 16AWG/4C | SJTOW | .325-.360 |
| SE60M-03 | 6/10 | 208 | 3 | R | 4.7 | 16AWG/4C | SJTOW | .325-.360 |
Description:
To pump domestic, commercial and light industrial sewage
Physical Data:
- Discharge Size: 2” NPT, 3” optional NPT
- Impeller Type: 2-Vane, Cast Iron
- Cable Length: 20’
Liquid Handling:
- Solids Size: 2”
- Acceptable Ph Range: 6-8
Temperature:
- Maximum Stator: 266°F
- Maximum Liquid Temp.: 104°F – Intermittent
Technical Data:
- Power Cord Type: SJTOW 16AWG/3C or 16AWG/4C
- Motor Housing: Cast Iron
- Volute: Cast Iron
- Impeller: Cast Iron
- Motor Shaft: SS430
- Hardware: SST
- “O” Rings: NBR
- Seals: Single Mechanical Carbon Ceramic
- Upper Bearing: 6202
- Lower Bearing: 6203
PUMP INSTALLATION
These important instructions must be followed for the satisfactory performance of your pump. Before installation, check your local electrical and plumbing codes.
The sump or basin shall be sealed and vented in accordance with local plumbing codes. This pump is designed to pump domestic wastewater, nonexplosive and noncorrosive liquids and shall NOT be installed in locations classified as hazardous in accordance with the National Electrical Code (NEC) ANSI/ NFPA 70 or Canadian Electric Code (CEC). The pump should never be installed in a trench, ditch, or hole with a dirt bottom. The legs will sink into the dirt and the suction will become plugged.
Installing Pump in Sump
If a pump is not installed with a lift-out rail system it must be properly supported on legs and connected to the discharge pipe so that space is provided under pump for entrance of sewage. The pump inlet should not be closer than 2 inches from the bottom of sump. See Figure 1, Page 5.
It is not generally desirable to install these pumps without the rail system except on special O.E.M. packaged systems. Check valves should always be installed along with shut-off valves. This allows for easier service and prevents backflow into basin.
CAUTION: Operating pump builds up heat and pressure; allow time for pump to cool to room temperature.
WARNING: Disconnect all power and control wires to motor at control panel before starting disassembly operation. Never rely on opening circuit breaker only.
PUMP SERVICING
WARNING: Servicing should be performed only by an authorized service center.
Always disconnect the pump from power source before handling or making any adjustments. Always wear rubber boots when there is water on the floor and you must unplug the pump or make any adjustments.
Note: Automatic thermal overload protects the sealed-in-oil motor. Running dry may overheat the motor and activate the overload protector until the unit cools.
Storage
Any product that is stored for a period longer than six (6) months from the date of purchase should be bench tested prior to installation. A bench test consists of, checking the impeller to assure it is free turning and a run test to assure the motor (and switch if provided) operate properly. Do not pump out of liquid.
WARNING: A clearance under the pump for entrance of sewage solids must be a minimum of 2 inches to a maximum of 3.5 inches.
Submergence
The pump should always be operated in the submerged condition. The minimum sump liquid level should never be less than above the pump’s motor, unless very briefly.
Discharge Piping
Install discharge piping or hose assembly to the pump. Discharge piping should be as short as possible and sized no smaller than the pump discharge. Do not reduce the discharge pipe size below that which is provided on the pump. Both a check valve and a shut-off valve are recommended for each pump. The check valve is used to prevent backflow into the sump. The shut-off valve is used to manually stop system flow during pump servicing. Be sure the discharge pipe has a 1/8” diameter hole approx. 5” from end nearest volute and oriented towards the pump body.
Control Panel
Single phase series sewage pumps DO NOT require a control panel, but do require a level control with a piggy back plug, See Figure 2, 
Motor
Each motor is provided with heat sensor thermostats attached directly to the motor windings. The thermostats open if the motor windings see excessive heat and, in turn, open the motor contactor in the control panel when used, breaking the power to the pump. When the motor is stopped due to an overheated condition, it will not start until the motor has cooled.
PRE-OPERATION
Check Voltage And Phase
Before operating pump, check to make sure that voltage and phase information stamped on the pump’s identification plate matches the available power.
Check Pump Rotation
Before putting pump into service for the first time, the motor rotation must be checked. Improper motor rotation can result in poor pump performance and can damage the motor and/or pump.
Identification Plate
Note the numbers on the pumps identification plate and record in this manual for future reference.
CAUTION: Electrical Connections
Turn circuit breaker off before plugging or unplugging the switch and/or pump. Always rely upon a Certified Electrician for installation.
Piggy-Back Plug
Plug the level control plug into a 115V receptacle, then plug the pump into the piggy-back plug. See Figure 2, Page 7. It is recommended that this circuit have a 15 AMP breaker. One cycle of operation should be observed, so that any potential problems can be corrected.
The range of the switch is the distance between the On and Off levels. The Off level is at the bracket mounting screw of the switch. From this point, measure up either 6” or 8.5”, depending on your switch’s range, to find the On level.
Note: The switch range is noted on the switch’s cord label.
Note: If you purchased a pump with the Ion switch hard-mounted to the pump (See Figure 3) and the installation requires the switch be mounted to the pipe, the pipe-mount bracket is sold separately, PN: IN-SPB1-1.
Thermal Protection
The normally closed (N/C) over temperature sensor is embedded in the motor windings and will detect excessive heat in the event an overload condition occurs.
The thermal sensor will trip when the windings become too hot and will automatically reset when the pump motor cools to a safe temperature.
In the event of an over temperature, the source of
this condition should be determined and repaired immediately. Thermal protection shall not be used as a motor overload device.
Maintenance
Minimal maintenance is required. Perform the following checks when pump is removed from operation or when pump performance deteriorates:
- Inspect motor chambers for oil level and contamination.
- Inspect impeller and body for excessive build-up or clogging.
- Inspect motor and bearings.
- Inspect seal for wear or leakage.
TROUBLESHOOTING
Pump does not run and/or just hums.
- Line circuit breaker is off, or fuse is blown or loose
- Water level in sump has not reached turn-on level as indicated in installation drawing
- Pump cord is not making contact in receptacle
- Float is stuck. It should operate freely in basin.
- If all of the above are OK, then the motor could be malfunctioning.
Pump runs but does not deliver water.
- Discharge shut-off valve (if used) may be closed.
- Impeller or volute openings are fully or partially clogged. Remove pump and clean.
- Pump is air-locked. Start and stop several times by plugging and unplugging cord. Check for clogged vent hole in pump case.
- Inlet holes in pump base are clogged. Remove pump and clean the openings.
- Vertical pumping distance is too high. Reduce distance or change the discharge fittings of the pump.
Pump runs and pumps out sump, but does not stop.
Ion switch is stuck in up position. Worn Ion switch. Replace Ion switch.
Pump runs but delivers only small amount of water.
- Pump may be air locked. Start and stop several times by plugging and unplugging cord. Check vent hole in pump case for plugging.
- Vertical pumping distance is too high. Reduce distance or change the discharge fittings of the pump.
- Inlet in pump base may be clogged. Remove pump and clean out openings.
- Impeller or volute openings may be plugged or partially plugged. Remove pump and clean out.
- Pump impeller may be partially clogged causing motor to run slow, resulting in motor overload. Clear impeller.
Fuse blows or circuit breaker trips when pump starts.
- Inlet in pump base may be clogged. Remove pump and clean out openings.
- Impeller or volute openings may be plugged or partially plugged. Remove pump and clean out.
- Pump impeller may be partially clogged causing motor to run slow, resulting in motor overload. Clear impeller.
- Fuse size or circuit breaker is too small.
- Defective motor stator; return to authorized service center for verification.
Motor runs for short time then stops. Then after short period starts again. Indicates tripping overload caused by symptom shown.
- Inlet in pump base may be clogged. Remove pump and clean out openings.
- Impeller or volute openings may be plugged or partially plugged. Remove pump and clean out.
- The pump impeller may be partially clogged causing motor to run slow, resulting in motor overload. Clear impeller.
- Defective motor stator; return to authorized service center.
WARRANTY IS VOID IF…
- Using an extension cord.
- The power cord has been cut or the grounding prong removed or using an adapter fitting.
- The switch has been disassembled or tampered with.
- Any tags or labels have been removed.
- Used in a heavy grease application
- Used in applications exceeding the designed temperature range of 32 – 104 degrees F.
EXPLODED VIEW
EXPLODED VIEW DESCRIPTION
| Number | Quantity | Part Number | Description |
| 1 | 1 | 091SW4001 | VOLUTE |
| 2 | 1 | 091SW4002 | O-RING |
| 3 | 1 | 091SW4003 | IMPELLER (SE40 Series) |
| 1 | 091SW7503 | IMPELLER (SE75 Series) | |
| 4 | 1 | 091SW4004 | SHAFT SEAL |
| 5 | 1 | 091SW4005 | SEAL PLATE |
| 6 | 1 | 091SW4006 | O-RING |
| 7 | 1 | 091SW4007 | BEARING |
| 8 | 1 | 091SW4008 | ROTOR ASSEMBLY |
| 9 | 1 | 091SW4009 | BEARING |
| 10 | 1 | 091SW4010 | SPRING WASHER |
|
11 | 1 | 091SW4011 | MOTOR HOUSING ASSEMBLY 115V 1PH |
| 1 | 091SW5011 | MOTOR HOUSING ASSEMBLY 230V 1PH | |
| 1 | 091SW7512 | MOTOR HOUSING ASSEMBLY 208V 1PH | |
| 1 | 091SW7513 | MOTOR HOUSING ASSEMBLY 208/230V 3PH | |
| 1 | 091SW7514 | MOTOR HOUSING ASSEMBLY 460V 3PH | |
| 12 | 3 | 091SW4012 | SCREW |
| 13 | 3 | 091SW4013 | WASHER |
| 14 | 3 | 091SW4014 | SCREW |
| 15 | 1 | 091SW4015 | PLUG |
| 16 | 2 | 091SW4016 | SCREW |
| 17 | 1 | 091SW4017 | HANDLE |
| 18 | 1 | 091SW4018 | THE FLANGE GASKET |
| 19 | 1 | 091SW4019 | 2 INCH FLANGE |
| 1 | 091SW5019 | 3 INCH FLANGE | |
| 20 | 2 | 091SW4020 | SCREW |
Warranty
3 Year Residential Warranty
- Coverage and Term. Metropolitan Industries, Inc. (“Metropolitan”) warrants to the original purchaser (the “Buyer”) of each Ion® product (the “product”), that any part thereof which proves to be defective in material or workmanship within three (3) years from date of manufacture, will be replaced at no charge with a new or remanufactured part, F.O.B. factory. Buyer shall be responsible for all freight charges and all costs of fi eld labor or other charges incurred in the removal and/or reinstallation of any product, part or component thereof.
- Exclusions. THE WARRANTY IS SUBJECT TO THE FOLLOWING CONDITIONS AND EXCLUSIONS:
- The Warranty excludes products or workmanship which becomes defective as a result of:
- earthquake, fi re, storms, the elements, or any other acts of God;
- normal wear and tear from use;
- accident, misuse, abuse or neglect;
- modifi cations made by Buyer or any third party, other than Metropolitan; and
- Buyer’s failure to properly install, maintain, service and/or operate the product under normal conditions and according to manufacturer’s instructions.
- Metropolitan shall not be responsible for, and the Warranty shall not cover, extended damage which occurs because of Buyer’s failure to notify Metropolitan promptly in writing of apparent defects.
- Any part or component designated as manufactured by anyone other than Metropolitan shall be covered only by the express warranty of the manufacturer thereof.
- The Warranty shall lapse upon Buyer’s failure to fully comply with the terms and conditions of its contract with Metropolitan, including Buyer’s failure to pay the purchase price for the product or any portion thereof. Buyer’s subsequent compliance with the terms and conditions of any such contract, will not cause the term of the Warranty to extend beyond the time period set forth above.
- No actions taken by Metropolitan to correct a defect in a product shall extend the Warranty beyond the period set forth above. Metropolitan shall not be obligated to remedy any defect, where otherwise required pursuant to the Warranty unless and until Buyer notifi es Metropolitan in writing of the defect and then only if such notifi cation is made prior to the expiration of the period set forth above.
- The Warranty excludes products or workmanship which becomes defective as a result of:
- Process of Claims and Repairs. Metropolitan agrees that if the product or any part or component thereof shall fail to conform to the terms of this Warranty, Metropolitan shall replace such nonconforming product, part or component at the original point of delivery and furnish instruction for its disposition. Any transportation charges involved in such disposition and all costs of fi eld labor or other charges incurred in the removal and/or reinstallation of any product, part or component thereof shall be the responsibility of Buyer.
- Limitation on Liability. Notwithstanding any provision to the contrary, Metropolitan’s entire liability under this Warranty shall not in the aggregate exceed, and Buyer’s exclusive and sole remedies are, to the extent permitted by law, shall be to secure replacement of the defective product. UNDER NO CIRCUMSTANCES SHALL METROPOLITAN BE LIABLE UNDER THE WARRANTY FOR ANY INDIRECT, PUNITIVE, SPECIAL, EXEMPLARY, CONSEQUENTIAL OR INCIDENTAL DAMAGES (INCLUDING LOST PROFITS, REVENUE, USE OR ECONOMIC ADVANTAGE).
- Express Waiver of Any Other Warranties. THE EXPRESS WARRANTY SET FORTH IN THIS WRITTEN WARRANTY IS THE ONLY WARRANTY MADE BY METROPOLITAN, OR ANY OTHER PARTY, IN CONNECTION WITH ANY PRODUCT PURCHASED FROM METROPOLITAN. NEITHER METROPOLITAN, NOR ANY OTHER PARTY, MAKES ANY OTHER EXPRESS OR IMPLIED WARRANTY WHICH IS NOT SET FORTH HEREIN, AND METROPOLITAN HEREBY DISCLAIMS AND BUYER HEREBY WAIVES ALL IMPLIED WARRANTIES, INCLUDING THE IMPLIED WARRANTY OF MERCHANTABILITY AND THE IMPLIED WARRANTY OF FITNESS FOR A PARTICULAR PURPOSE.
- Not Transferable. The Warranty may not be transferred and shall be void on the sale or other transfer of the product.
- Products and Warranty Subject to Change. Metropolitan reserves the right to make revisions to its products and their specifi cations, and to revise this Warranty and related information without notice.
INTRODUCTION




















