American Standard 4A6L5036N1000A Side Discharge HP Model

Product Information
- The 4A6L5036N1000A model is a side-discharge HP model suitable for coastal applications where units are installed within one mile of salt water. For such applications, the manufacturer recommends epoxy-coated models, and the 4A6L5036N1COTA model is an epoxy-coated variant of the 4A6L5036N1000A model. The epoxy-coated models have an 8-week lead time after order.
- The product is certified in accordance with the Air-Source Unitary Air-conditioner Equipment certification program, which is based on AHRI standard 210/240 and rated in accordance with AHRI standard 270. The compressor features internal over-temperature and pressure protection, a centrifugal oil pump, low vibration, and noise. The outdoor coil provides low airflow resistance and efficient heat transfer. The unit casing is constructed of heavy gauge, galvanized steel and painted with a weather-resistant powder paint finish. The corner panels are prepainted, and all panels are subjected to a 1,000-hour salt spray test. The refrigeration system controls include a condenser fan, compressor contactor, low and high-pressure switches, and a factory-supplied and field-installed liquid line drier is standard.
- The product has a sound power level of 71 dB(A) at 63 Hz* and 46 dB at 8000 Hz.
Product Usage Instructions
When ordering the 4A6L5036N model for coastal applications within one mile of salt water, it is recommended to order the epoxy coated model that has an 8 week lead time. The product should be installed by a qualified technician in accordance with the manufacturer’s instructions and local codes. Ensure that the unit is placed on a solid foundation and leveled properly. The unit should be placed in a well-ventilated area where it can discharge air freely and away from any combustible materials. The electrical supply to the unit should be connected by a licensed electrician in accordance with local codes. The unit should be maintained regularly by cleaning the outdoor coil and replacing the liquid line drier as required. If there are any issues with the product, contact the manufacturer or a qualified technician for assistance.
Side Discharge HP Model
For coastal applications where units are installed within one (1) mile of salt water, epoxy coated models are recommended. These models have an 8 week lead time after order.
Epoxy Coated Model
- 4A6L5036N1000A
- 4A6L5036N1COTA
Note: “Graphics in this document are for representation only. Actual model may differ in appearance
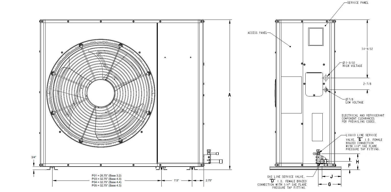
Outline Drawing

| Model | Base | A | B | C | D | E | F | G | H | J | K | L |
| 4A6L5036N | 4.3 | 934 (36–3/4) | 1194 (47) | 445 (17–1/2) | 22 (7/8) | 10 (3/8) | 53 (2–1/16) | 187 (7–11/32) | 101 (3–31/32) | 159 (6–1/4) | 495 (19–1/2) | 520 (20–1/2) |
| SOUND POWER LEVEL | |||||||||
| Model | A-Weighted Sound Power Level [dB(A)] | Full Octave Sound Power [dB] | |||||||
| 63 Hz* | 125 Hz | 250 Hz | 500 Hz | 1000 Hz | 2000 Hz | 4000 Hz | 8000 Hz | ||
| 4A6L5036N | 71 | 72 | 77 | 74 | 68 | 65 | 59 | 53 | 46 |
| Note: Rated in accordance with AHRI Standard 270–2008 *For reference only | |||||||||
Product Specifications
| OUTDOOR UNIT (a) (b) | 4A6L5036N1XXXA |
| POWER CONNS. – V/PH/HZ (c) | 208–230/1/60 |
| MIN. BRCH. CIR. AMPACITY | 17 |
| BR. CIR. PROT. RTG. – MAX. (AMPS) | 30 |
| COMPRESSOR | DURATION™ – SCROLL |
| NO. USED – NO. STAGES | 1 – 1 |
| VOLTS/PH/HZ | 208–230/1/60 |
| R.L. AMPS (d) – L.R. AMPS | 13.1 – 83.1 |
| FACTORY INSTALLED | |
| START COMPONENTS (e) | NO (USE BAYSKT263) |
| INSULATION/SOUND BLANKET | NO |
| SUMP HEAT | NO |
| OUTDOOR FAN | PROPELLER |
| DIA. (IN.) – NO. USED | 27.5 – 1 |
| TYPE DRIVE – NO. SPEEDS | DIRECT – 1 |
| CFM @ 0.0 IN. W.G. (f) | 3277 |
| NO. MOTORS – HP | 1 – 1/8 |
| MOTOR SPEED R.P.M. | 850 |
| VOLTS/PH/HZ | 208–230/1/60 |
| F.L. AMPS | 0.64 |
| OUTDOOR COIL – TYPE | PLATE FIN |
| ROWS – F.P.I. | 2 – 16 |
| FACE AREA (SQ. FT.) | 12.88 |
| TUBE SIZE (IN.) | 5/16 |
| REFRIGERANT CONTROL | EXPANSION VALVE |
| REFRIGERANT | |
| LBS. – R-410A (O.D. UNIT) (g) | 6 LBS., 13 OZ |
| FACTORY SUPPLIED | YES |
| LINE SIZE – IN. O.D. GAS (h) (i) | 7/8 |
| LINE SIZE – IN. O.D. LIQ. | 3/8 |
| CHARGING SPECIFICATIONS | |
| SUBCOOLING | 9°F |
| DIMENSIONS | H X W X D |
| CRATED (IN.) | 40.88 X 54.5 X 23 |
| WEIGHT | |
| SHIPPING (LBS.) | 226 |
| NET (LBS.) | 199 |
- Certified in accordance with the Air-Source Unitary Air-conditioner Equipment certification program, which is based on AHRI standard 210/240.
- Rated in accordance with AHRI standard 270.
- Calculated in accordance with Natl. Elec. Codes. Use only HACR circuit breakers or fuses.
- This value shown for compressor RLA on the unit nameplate and on this specification sheet is used to compute minimum branch circuit ampacity and max. fuse size. The value shown is the branch circuit selection current.
- Use start components only when the compressor is found to enter locked rotor condition and will not start or when lights dim at compressor start. No means no start components. Yes means quick-start kit components. PTC means positive temperature coefficient starter. Optional kit shown.
- Standard Air – Dry Coil – Outdoor
- This value is approximate. For more precise value see unit nameplate.
- Reference the outdoor unit ship-with literature for refrigerant piping length and lift guidelines. Reference the refrigerant piping software pub # 32-3312-xx or refrigerant piping application guide SSAPG006- xx for long line sets or specialty applications (xx denotes latest revision).
- The outdoor condensing units are factory charged with the system charge required for the outdoor condensing unit, ten (10) feet of tested connecting line, and the smallest rated indoor evaporative coil match. Always verify proper system charge via subcooling (TXV/EEV) or superheat (fixed orifice) per the unit nameplate.
Mechanical Specification Options
General
The outdoor condensing units are factory charged with the system charge required for the outdoor condensing unit, ten (10) feet of tested connecting line, and the smallest rated indoor evaporative coil match. This unit is designed to operate at outdoor ambient temperatures as high as 115°F. Cooling capacities are matched with a wide selection of air handlers and furnace coils that are AHRI certified. The unit is certified to UL 1995. Exterior is designed for outdoor application.
Casing
Unit casing is constructed of heavy gauge, galvanized steel, and painted with a weather-resistant powder paint finish. The corner panels are prepainted. All panels are subjected to our 1,000-hour salt spray test.
Refrigerant Controls
Refrigeration system controls include condenser fans, compressor contactors, and low and high-pressure switches. A factory-supplied, field-installed liquid line drier is standard.
Compressor
The compressor features internal over-temperature and pressure protection. Other features include Centrifugal oil pump and low vibration and noise.
Condenser Coil
The outdoor coil provides low airflow resistance and efficient heat transfer. The coil is protected on all four sides by louvered panels.
Low Ambient Cooling
- As manufactured, this system has a cooling capacity to 55°F. The addition of an evaporator defrosts control permits operation to 40°F. The addition of an evaporator defrost control with TX permits low ambient cooling to 30°F.
- The addition of the BAYLOAM107A low ambient kit permits ambient cooling to 20°F.
- Thermostats – Cooling only and heat/cooling (manual and automatic changeover). Sub-base to match thermostat and locking thermostat cover.
About American Standard Heating and Air Conditioning
American Standard has been creating comfortable and affordable living environments for more than a century. For more information, please visit www.americanstandardair.com.
The AHRI Certified mark indicates company participation in the AHRI Certification program. For verification of individual certified products, go to ahridirectory.org.
The manufacturer has a policy of continuous data improvement and it reserves the right to change design and specifications without notice. We are committed to using environmentally conscious print practices.
4A6L5036N-SUB-1A-EN 10 Oct 2022 Supersedes (New)
©2022 American Standard Heating and Air Conditioning















![Hp Notebook Pc [l19434-002] User Manual Hp Notebook Pc [l19434-002] User Manual](https://static-data1.manualsee.com/1/img/26/16910/2020/12/HP-Notebook-PC-L19434-002.png)





