aerauliqa LHS High Volume Low Speed Fans

GENERAL INFORMATION
Carefully read the instructions contained in this manual. This Specific Manual MUST be read in conjunction with the “Installation, Operation and Maintance General Manual”.
Note: store the manual for future reference. We reserve the right to improve and make changes to the manual, products and accessories without any obligation to update previous productions and manuals. The installation and service of the unit and complete ventilation system must be performed by an authorized installer and in accordance with local rules and regulations
PRECAUTIONS
In addition to the precautions indicated in the “Installation, Operation and Maintenance General Manual” special attention should be paid to the following warning notes:
The fan must be installed at a height of not less than 2.7m from the floor below. Installation at a lower height is considered “improper use”. In case of “improper use” the manufacturer declines all responsibility for any damage that may be caused to persons or property, and any warranty will be considered invalid. RECOMMENDED BOLT TORQUE FOR COARSE THREADED METRIC STEEL BOLTS TE-TCEI GRADE 8.
| Dimensions | M6 | M8 | M10 | M12 | M14 | M16 |
| Nm | 9,5 | 23 | 46 | 79 | 127 | 198 |
Use the values shown in the table to tighten all the screws.
- fixing: check/inspect and eventually retighten all the fixing annually.
- windy conditions: fans should not operate in case of strong wind (6m/s) and should not be installed in places where it is frequently windy.
- weight: it is recommended that the building structure is capable to bear approx. twice the weight of the fan as well as a torque of at least 350Nm. A professional structural engineer should perform an evaluation before installing the fan.
- key safety features: make sure that all the supplied key safety features are used to install the fan to provide a comprehensive protection of people, animals, equipments and property.
The installer and the building owner are responsible to ensure the safety of the fan mounting system and that the fan installation is correct, in compliance with any national and local regulations.
TYPE
Ceiling fans with EC brushless motor designed for industrial, civil and zootechnical applications, where high performance with low rotation speed are required
MAIN FEATURES
- Brushless motor 200-480Vac, 3ph, 50/60Hz, IP65
- Max temperature +50°C
- Speed controllable
- Suitable for S1 continuous service
- Embedded electronic system
- Anodized extruded blades
- Gearless for silent operation
- Maintenance-free
- Key Safety features
- Simplified electrical wiring connection: pre cabled
- Strong and robust design and manufacturing
DATA @400Vac, 50Hz
| Model | No blades | Max speed rotation | Max absorbed power | Max Thrust | Max airflow AMCA 230-15 | Max airflow AMCA 230-99 | ||||
| r/min | W | N | cfm | m3/h | SPI(1) W/(m3/s) | cfm | m3/h | SPI(1) W/(m3/s) | ||
| LHS240 | 3 | 200 | 700 | 89 | 38812 | 65942 | 38,2 | 54889 | 93256 | 27,0 |
| LHS300 | 3 | 130 | 450 | 85 | 47412 | 80554 | 20,1 | 67501 | 113921 | 14,2 |
| LHS360 | 3 | 110 | 380 | 82 | 55882 | 94944 | 14,4 | 79029 | 134271 | 10,2 |
DIMENSIONS AND CLEARANCES

| Model | ØA | B max ceiling slop | C min safety distance from side obstacle | D fan height with standard downrod | E standard downrod length | h min fan installation height | Weight |
| mm | > ° | mm | mm | mm | mm | kg | |
| LHS240 | 2400 | 20 | 350 | 1250 | 800 | 2700 | 62 |
| LHS300 | 3000 | 350 | 64 | ||||
| LHS360 | 3600 | 350 | 67 |
COMPONENTS













- The fan is delivered split into two kits, each one in its own box.
- MOTOR KIT includes:
- main body
- standard 800mm length downrod
- 2x ceiling fixing brackets
- 2x fixings sets:
- 4x M12 bolts 4x locknuts, 4x standard washers and 4x spring washers, for fan fixing to the ceiling.
- 6x M8 flange bolts, 6x locknuts and 6x spring washers , for blades fixing to main body.
- plastic components set: hub cover, 3x M4 bolts, 3x plastic blade terminals, 6x screws, canopy and 4x self-tapping screw
- electric cables with plugs.
- security wires set: 1x Ø5mm security wire with one ring, 2x Ø5mm wire with two rings 2x clamp, 2x 7mm snap-hook, 1x shackle for the security wire, 4x Ø3mm stabilizing wires with turnbuckle, 5x 5mm snap-hooks and 8x clamp for the stabilizing wires.
- BLADES KIT incudes three blades
INSTALLATION
Decide on the position the fan is to be sited keeping in consideration as follows:
- the minimum distance from the floor to the lowest point of the fan is 2,7m.
- the minimum distance from the fan blade to the side wall of similar obstruction depends on the fan model (§ 6 – C).
- avoid mounting the fan directly below lights to prevent any strobe effect caused by the moving blades.
- in any installation where fire sprinklers are placed, fan should not interfere with their operation.
- fan should not be placed near to supply air outlet or exhausting inlets of other HVAC equipment which could decrease the fan capacity and compromise the indoor air quality as well as the occupants’ comfort:
- supply air outlet should deliver air away from the unit.
- exhaust fan inlets or other return air point which could create negative pressure should not be located within 1,5 times the fan diameter.
- when mounting the fan, mark the floor with a large crosshatched circle to alert people of the overhead fan location.
- Assemble the security cable set consisting of: Ø5mm 2.5m length wire (16), 0.33t shackle (20), Ø5mm 0.35m length wire (17) and the 7mm snap-hook (19).
- Insert the security wire (16) and electric cables (15) into the downrod (2). Fix the downrod to the main body (1) and to the ceiling brackets (3) by means of the M12 bolts (4), the flat washer (6), the spring washers (7) and the locknuts (5).
- Connect the electric cables to the motor through the front cable connectors (15) and tight securely.
- Remove the three transport feet from the main body by unscrewing the bolts, washers and locknuts.
- Let out the safety wires (17), hooking the snap-hooks (19) to the eyebolts of the motor plate, verifying the correct tightening. Check that the wires (17) are duly tensioned.
- Fix the assembly to the ceiling/beam through the 8 holes on the brackets (3); fix the security wire to the ceiling/beam using the clamps (18). Fixing screws/plugs are not supplied.
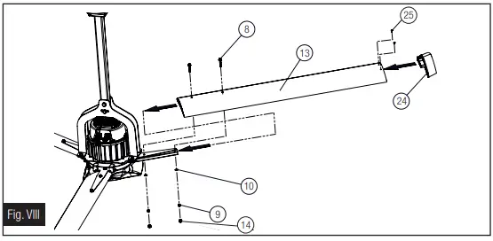
- Insert the blade (13) over the blade root, lock it with the M8 flange bolts (8), spring washers (10) and locknuts (9). Tighten the screws making reference to table 1. Mount the plastic caps (14) on the locknuts. Mount the blade terminals (24) by means of the self-tapping screws (25)
- Mount the plastic hub cover (11) under the hub using the M4 bolts (12). In case water is used for washing, drill a hole in the plastic cover for water drainage
- Connect the Ø3mm stabilizing wires with turnbuckle (21) to the motor support using the 5mm snap-hooks (22) and stabilize the fan. Securely fix the other end of the stabilizing wires to the ceiling using the clamps (23). Fixing screws for the ceiling/ beam are not supplied.
- With the aid of a spirit level placed against the downrod (2), tighten the turnbuckles by hand (Fig.X) Periodically check that the fan works in the correct position and that the snap-hooks (22) are duly tensioned.
- Fix the canopy (26) using the self-tapping screws (27) supplied
- Make the connection to the power supply/control network by connecting the wired cables to the motor through a junction box (not supplied) to be placed near the ventilation unit. Size the cables appropriately taking into account the distance between the ventilation unit and the power supply point. The complete electrical system must be carried out by a qualified and authorized installer, in accordance with the local requirements.
WIRING DIAGRAM
- Make sure that the mains supply to the unit is disconnected before performing any installation, service, maintance or electrical work!
- The installation and service of the unit and complete ventilation system must be performed by an authorized installer and in accordance with local rules and regulations.
- Fan must be earthed.
CTRL-A (accessory on request)

CTRL-HS (accessory on request)

For the operating specifications, refer to the manual of the CTRL-HS touch control panel.
CTRL-XWS (accessory on request)

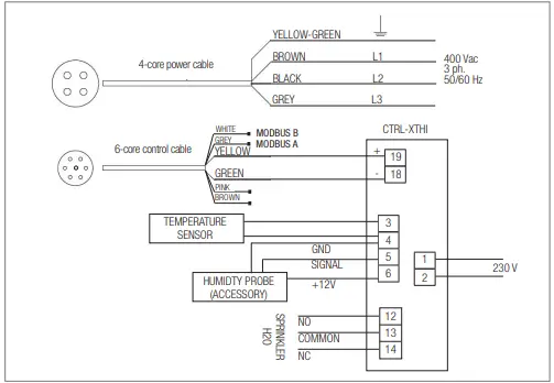
CTRL-XTHI (accessory on request)

CONTROL WITH EXTERNAL POTENTIOMETER (not supplied)

WARNING: regardless of the control system in place (potentiometer or ModBus), it’s strongly recommended to wire the ModBus communication line and make it accessible from ground level, in order to ease troubleshooting via ModBus anytime after the installation.
CLEANING
The unit (IP65) can be washed with water jets. In this case it is recommended to drill a hole under the plastic cover for water drainage.
TROUBLESHOOTING
(Modbus)
Connection parameters
| Protocol | MODBUS/RTU over RS485 |
| Baud Rate (bps) | 9600 |
| Data bits | 8 |
| Parity bits | none |
| Stop bits | 2 |
| HVLS Slave Address | 1 |
Modbus Registers – Input Register
These registers are READ-ONLY, and can be read using the function 04 READ INPUT REGISTERS.
| Register Address | Description | Dimension (Word) | Data Type | U.M. (data on the register) | Example Register value → Real value |
| 3 | Measured speed | 1 | ushort | 0.1rpm | 490 → 49rpm |
| 10 | Alarm 1 | 1 | ushort | – | See table (§ 11.3) |
| 17 | Alarm 2 | 1 | ushort | – | See table (§ 11.3) |
Alarm codes/LED status/Troubleshooting
| ALARM 1 VALUE | ALARM 2 VALUE | LED BLINKS (single blink approx. duration) | ALARM DESCRIPTION POSSIBLE CAUSE | TROUBLESHOOTING |
| 0 | 0 | 1 Blink/2s (1s) | No error | – |
| 1 | 0 | 1 Blink/s (0.5s) | Memory error – motor parameters lost | Contact manufacturer/technical support |
| 2 | 0 | 2 Blink/s (0.25s) | Short circuit – electronics power module damaged | Board damaged – Contact manufacturer/technical support |
| 3 | 0 | 3 Blink/s (0.17s) | Motor synchronization lost – wrong motor parameters or electronics damaged | Check motor windings. If motor windings OK (all 3 windings have same resistance), contact manufacturer/technical support. If motor windings damaged (open/short circuit), replace motor |
| 4 | 1 | 5 Blink/s (0.1s) | Supply voltage out of range 135Vac÷550Vac (DC bus voltage 190÷780V) only with motor still – not running | Check power supply voltage / check power supply wiring |
| 4 | 32 | 5 Blink/s | Supply voltage above 565Vac (DC bus voltage over 800V) during motor running (instantaneous value) | Check power supply voltage / check power supply wiring |
| 4 | 33 | 5 Blink/s | Supply voltage below 107Vac (DC bus voltage below 150V) during motor running (instantaneous value) | Check power supply voltage / check power supply wiring |
| 4 | 34 | 5 Blink/s | “Restart on the fly” failed | The drive couldn’t catch the impeller – power cycle/retry |
| 4 | 49 | 4 Blink/s (0.13s) | U phase voltage missing/disconnected (or wrong motor parameters) | Check power supply/wiring. If wiring OK, contact manufacturer/technical support |
| 4 | 50 | 4 Blink/s | V phase voltage missing/disconnected (or wrong motor parameters) | Check power supply/wiring. If wiring OK, contact manufacturer/technical support |
| 4 | 51 | 4 Blink/s | W phase voltage missing/disconnected (or wrong motor parameters) | Check power supply/wiring. If wiring OK, contact manufacturer/technical support |
| 4 | 113 | 6 Blink/s (0.08s) | Electronics temperature over 85°C | Check if operating temperature is above rated maximum operating temperature. Check mechanical load for anomalies (e.g. difficult turning) |
| 4 | 114 | 7 Blink/s (0.07s) | Motor windings temperature over 125°C | Check if operating temperature is above rated maximum operating temperature. Check mechanical load for anomalies (e.g. difficult turning) |
| 4 | 115 | no Blink | Short circuit on Pt100 motor temperature probe | Check temperature probe wiring – detects temperature probe manumission |
UE DECLARATION OF CONFORMITY/INCORPORATION
UE DECLARATION OF CONFORMITY We herewith declare that the following range: LHS series ceiling fans BRAND: AERAULIQA MODELS: LHS240, LHS300, LHS360 on the basis of its design and construction as partly completed machines brought onto the market, is designed in compliance within relevant health and safety requirements of the following Directives: 2014/35/UE – Low Voltage Directive (LVD) 2014/30/UE – Electromagnetic Compatibility (EMC) 2009/125/EC – Energy Related Products (ErP) in the event that alterations are made to the machinery without prior consent with the manufacturer, this declaration becomes invalid. This declaration is issued under the sole responsibility of the manufacturer.
UE DECLARATION OF INCORPORATION In accordance with the Machinery Directive 2006/42/EC. We herewith declare that the following range: LHS series ceiling fans BRAND: AERAULIQA MODELS: LHS240, LHS300, LHS360 on the basis of its design and construction of partly completed machines, is designed in compliance with the Essential Health and Safety Requirements (EHSRs) of ANNEX l, sections 1.1.2 (Safety integration), 1.1.5 (Handling), 1.4.1 (Protective devices), 1.5.1 (Electricity) of EC Machinery Directive 2006/42/EC. The machinery is incomplete and must not be put into service until such time as the machinery which is partly complete is to be incorporated and has been assessed and declared in conformity with the provisions of the Machinery Directive 2006/42/EC. We undertake to transmit, upon reasoned request by appropriate national authorities, relevant information on the partly completed machinery identified above.
During installation, it is recommended to write the serial number of the unit in this manual and keep it safe for maintenance service
Sede operativa/Warehouse-Offices: via Mario Calderara 39/41, 25018 Montichiari (Bs) – Sede legale/Registered office: via Mario Calderara 39/41, 25018 Montichiari (Bs)
C.F. e P.IVA/VAT 03369930981 – REA BS-528635 – Tel: +39 030 674681 – Fax: +39 030 6872149 – www.aerauliqa.it – www.aerauliqa.com – [email protected]
Aerauliqa S.r.l. reserves the right to modify/make improvements to products and/or this instruction manual at any time and without prior notice.


















